Odpowiedz 
 
Ocena wątku:
  • 4 Głosów - 5 Średnio
  • 1
  • 2
  • 3
  • 4
  • 5
NWT-7 analizator obwodów
SP5AQT Offline
Roman
***

Liczba postów: 201
Dołączył: 02-03-2009
Post: #131
RE: NWT-7 analizator obwodów
Witam
Zainteresowanych pomiarami na NWT odsyłam do postów nr 18 i nr20 które znajdują się w dziale Technika Pomiarów>Metodyka pomiarów.
Równajmy do najlepszych, dalszej polemiki na temat postu Kolegi SQ8Z nie podejmuję.
VY73! Roman SP5AQT
(Ten post był ostatnio modyfikowany: 23-11-2011 15:28 przez SP5AQT.)
23-11-2011 15:28
Odwiedź stronę użytkownika Znajdź wszystkie posty użytkownika Odpowiedz cytując ten post
SP2QCA Offline
Artur
****

Liczba postów: 341
Dołączył: 22-06-2009
Post: #132
RE: NWT-7 analizator obwodów
Czasem trzeba wiedzieć kiedy się przyznać do błędu - i uważam że Kolega Roman ucieka od tego.
Nie rozumiem ani tego poprzedniego postu ani obecnego.

73! Artur sp2qca
23-11-2011 16:47
Znajdź wszystkie posty użytkownika Odpowiedz cytując ten post
SQ8Z Offline
Krzysztof
****

Liczba postów: 311
Dołączył: 21-10-2010
Post: #133
RE: NWT-7 analizator obwodów
Coz rownajmy do najlepszych, ale nie uprawiajmy "propagandy sukcesu"....

ten sam watek ale post numer 1 ;-)
http://sp-hm.pl/thread-259.html

no kto jak kto ale Waldemar 3Z6AEF zasluguje na szacunek i co do jego pomiarow i publikacji zastrzezen miec nie mozna.
A powaznie, mozna napisac tysiac postow, opublikowac 1000 fotek, ale tresci w tym tyle ze skorzystac nikt nie skorzysta ;-).
NWT 7 nie stworzono po to aby poczatkujacy czy srednio zaawansowany amator musial walczyc tydzien aby 50/50 uzyskac dobre albo zle rezultaty.
A na marginesie nadal z niecierpliwoscia czekam ( z czystej ciekawoscii) na pelne informacje, opis metody strojenia NWT 7 ktora to metoda nie popsuje tego miernika jak ja to uczynilem, a wrecz zrobi z niego cudowne ustrojstwo o dynamice 84dB z rowniusienka charakterystyka w pelnym zakresie od 1- 70 MHz , przy czym nie bedzie obarczona wada opisywana w moim poscie i pokazana w poscie 3Z6AEF.
Czekamy kolego Romualdzie ;-).
Przy okazji ladnie tez prosze, aby kolega Romuald jako doswiadczony konstruktor majacy na koncie kilka NWT200 , zechcial w watku NWT 200 zamiescic minimum schemat i PCB tej wersji.... bo prosby kilegow pozostaja bez echa od miesiecy i cos nam materialu do rownania do najlepszych po prostu brakuje ;-).
Elektronika jak i mechanika to taka dziwna dziedzina ( inaczej niz malarstwo czy inna sztuka) wymaga wiedzy , doswiadczenia i...... KONKRETOW.
Na razie kolego Romualdzie piszesz o technicznym roziwazaniu jak komentowal bys abstrakcyjny obraz czy inna rzezbe i w sumie tez dobrze tylko nie obrazaj przy tym adwersarzy ...prosze
pozdrawiam
Krzysztof Jerzy Sip ;-) jak widzisz nie musze sie wstydzic prawdziwego imienia, drugiego imienia i nazwiska .
sq8z ex. SP5ULD
23-11-2011 17:41
Znajdź wszystkie posty użytkownika Odpowiedz cytując ten post
SP8NTY Offline
Waldek
**

Liczba postów: 53
Dołączył: 20-08-2009
Post: #134
RE: NWT-7 analizator obwodów
Witam,

Ponad 330 stron, budowa, uruchomienie, strojenie. W postach wszystko opisane, przeróbki także.
http://www.cqham.ru/forum/showthread.php...post576875
a może coś takiego co nazywa się Skat
http://radiosoft.info/index.php/scat
A tak odnośnie Romana chciał dobrze a wyszło jak zawsze. Przyznam mu jednak rację jak coś robić to robić dobrze jeżeli nie to nie robić wcale, stara " socjalistyczna" szkoła.
Nad tym przyrządem nie ma co polemizować, moim zdaniem wszystko już chyba zostało powiedziane i zrobione. Należy jedynie uważnie poczytać. Nie mam nic przeciwko modernizacji NWT, nawet jest wskazane lecz w tych postach tego nie widać. Wieczne udowadnianie swoich racji prowadzi tylko do konfliktów. " Mamy budować a nie rujnować"
Pozdrawiam.
23-11-2011 18:23
Znajdź wszystkie posty użytkownika Odpowiedz cytując ten post
SQ8Z Offline
Krzysztof
****

Liczba postów: 311
Dołączył: 21-10-2010
Post: #135
RE: NWT-7 analizator obwodów
Witaj,
odnosze wrazenie ze nie pisze po polsku, ew. nie jestem czytelny ;-)
drogi kolego o imieniu nowicjusz ;-) ( zart niewinny ;-)., nie chodzi o to aby podawac linki do rosyjskojezycznych forum.... ;-(.
Dobra ostatni raz po polsku i prosto w punktach o co mi chodzi:
1. NWT poprawic na tyle aby poprawnie dzialao od startu i nie wymagalo czarow.
2. wyniki pomiarow podawac prawdziwe od poczatku do konca a nie na wyrywki aby ladnie wygladalo
3. fotki sa istotne , ale link do CQ-HAM czy niemieckich www, podawac jako bibliografie, schematy , pliki PCB albo w formie zrodlowej albo wcale!
4. uzupelnic miedzy innymi watek o NWT200 , bo to nie watek techniczny dla konstruktorow tylko na dzis hyde park z dyskusjami o duchach ( brak materialow o tyle istotny ze odnalezienie tego w sieci dla wielu kolegow graniczy z cudem, a wyrazne prosby o udostepnienie materialow koncza sie milczeniem.
i na koniec wyraznie.... powtarzam: moj post mial pokazac NWT7 w konkretnej wersji, bez czarow, zrobiony tak jak zrobi kazdy poczatkujacy konstruktor!!!!!
I przepraszam kolege SP8NTY ;-) , ale jak juz wspomnialem podawanie linkow z materialami w jezyku rosyjskim niewiele dla mlodego pokolenia rozni sie od sie od chinskich materialow ( inne robaczki) ... badzmy powazni.
Co do starej "socjalistycznej szkoly" hmmm ..... nie bede komentowal ;-)
pozdrawiam
sq8z
(Ten post był ostatnio modyfikowany: 23-11-2011 19:42 przez SQ8Z.)
23-11-2011 19:42
Znajdź wszystkie posty użytkownika Odpowiedz cytując ten post
SQ6RGK Offline
Łukasz
*

Liczba postów: 17
Dołączył: 22-02-2010
Post: #136
RE: NWT-7 analizator obwodów
Krzysztofie, podjąłeś tą samą walkę, którą wiele lat temu podjął niejaki Don Kichote. Pamiętasz jak się skończyła?
Żyjąc w tym kraju od urodzenia nauczyłem się, że typową odpowiedzią Tego Który Wie (w skrócie TKW) na pytanie Tego Który Nie Wie (TKNW) jest:
"No co Ty! Nie wiesz!? Przecież to proste!". Po tych słowach TKW podnosi w górę brodę i odchodzi w glorii i sławie pozostawiając TKNW w mroku poniżenia i upodlenia.
Najczęściej TKW charakteryzuje się jeszcze następującymi cechami:
1) Nigdy nie powie "nie wiem", bo to przecież TKW nie przystoi...!
2) Nigdy nie dzieli się swoją wiedzą, bo mógłby przestać być TKW - oddałby swoją cenną wiedzę TKNW i oni staliby się TKW - detronizacja!
3) Jak tylko może udowadnia swoją wyższość i "boskość", bo ON przecież WIE!
Te cechy są naszym obciążeniem kulturowym. Poruszając się trochę po krajach anglosaskich zaobserwowałem znacznie mniejsze nasilenie takiego zjawiska.
Oczywiście nie należy zbyt generalizować, nie wszyscy są tacy, ale nasycenie TKW w naszym społeczeństwie jest dosyć duże, co utrudnia rozwój i edukację.
Uwzględniając pkt. 2) nie liczyłbym na Twoim miejscu, że niektórzy TKW napiszą na tym forum "co" i "jak".

Przepraszam wszystkich czytających i administratora za niemerytoryczny wpis. Proszę o łagodny wymiar kary.

Wszystkie postaci w powyższym poście są całkowicie fikcyjne, jakiekolwiek skojarzenia z osobami w rzeczywistym świecie są całkowicie przypadkowe i wynikają wyłącznie ze zbyt bujnej wyobraźni czytającego.

73, Łukasz
SQ6RGK
23-11-2011 20:27
Znajdź wszystkie posty użytkownika Odpowiedz cytując ten post
SQ9NJE Offline
Przemek
**

Liczba postów: 92
Dołączył: 23-03-2010
Post: #137
RE: NWT-7 analizator obwodów
Witajcie!

Budowa i uruchomienie NWT7 jest wciąż na mojej "bucket list" Smile Czytam różne dyskusje, analizuję wykresy i zdjęcia, które Koledzy pokazują i na prawdę wiele się z tego uczę. Właśnie dlatego jestem wdzięczny wszystkim, którzy mają większą wiedzę i doświadczenie kiedy publicznie dzielą się choćby ich skrawkami.

Krzysztofie - z niecierpliwością czekam na zapowiedziane przez Ciebie dalsze opisy eksperymentów z NWT. Bardzo jestem ciekaw co można z tą konstrukcją zrobić. W odpowiedzi na post Romana, w którym pokazał swój pomiar przy rozwartych wejściach piszesz, że można podnieść wzmocnienie MMIC i dodać kondensatory 100nF przy filtrze, co miałoby się przyczynić do poprawienia tych pomiarów. Czy mógłbyś, choćby w skrócie, przybliżyć jak te zabiegi wpłyną na wynik pomiarów przy rozwartych wejściach? W jaki sposób miałyby być wstawione te kondensatory przy filtrze i jakie ma być ich zadanie?

Bardzo niewykluczone, że skorzystam z udostępnionego przez Ciebie projektu płytki. Chętnie zamieniłbym MAX232 na konwerter USB, niestety realistycznie patrząc nie wiem kiedy uda mi się taką modyfikację uskutecznić. Ostatnio "życie zawodowe" zajmuje mi znacznie więcej czasu niż bym sobie tego życzył. Tym bardziej doceniam Twój wysiłek włożony w przygotowanie tego pliku.

Romanie - Wykres z Twojego pomiaru rzeczywiście wygląda imponująco. Czy taki efekt uzyskałeś tylko dzięki szczelnemu ekranowaniu, czy zastosowałeś w swoim mierniku jeszcze jakieś inne zabiegi?

Pozdrawiam i jeszcze raz dziękuję Kolegom, którzy dzielą się swoja wiedzą.
Przemek

Przemek SQ9NJE
http://www.sq9nje.pl
23-11-2011 21:41
Znajdź wszystkie posty użytkownika Odpowiedz cytując ten post
SQ8Z Offline
Krzysztof
****

Liczba postów: 311
Dołączył: 21-10-2010
Post: #138
RE: NWT-7 analizator obwodów
Witam ponownie,
na wstepie dzieki Lukasz za rewelacyjnie koncentryczny post, jesli kiedys po zalogowaniu sie na sp-hm otrzymam komunikat "dostep nieuprawniony" ;-) to chetnie Twoja wypowiedz uzylbym jako motto nowego forum ;-)... jest rewelacyjne.
A teraz do NWT7 wracamy...... nie moglem zrozumie o co chodzi ROMUALDOWI , i po kilkudziesieciu godzinach nadal nie jestem pewien. A dlaczego juz wyjasniam.
Na wstepie usprawiedliwie sie tylko ze NWT zajmuje sie zaledwie od tygodnia i nie wszystkie mechanizmy a szczegolnie te softowe poznalem do konca.
Dla mnie jesli juz cos moglo byc "popsute" to fakt ze krzywa- wykres przy rozwartych we wy byla koslawa, roznica w poziomach na krancach ( najmniejsze i najweksze czestotliwosci) tragicznie wielka, okolo 6 dB roznicy liczac od 3MHz do 60 tez nie napawala optymizmem. Fakt ze uzyskane tlumienie to u Romualda 83 dB a u mnie 78dB nie stanowi o niczym i mozna bic piane i toczyc boje ale to bardziej sztuka dla sztuki niz dla jakiegokolwiek pozytku.Ale moze po kolei... PCB NWT w wersji JJH i zganiony przezemnie uklad DDS .... w moim przypadku jak widac na foto zamieszczonym w tamtym poscie zeden z blokow nie posiadal zadnego ekranowania i nie mozna oczekiwac ze osiagniemy dynamike 83dB ;-), udalo sie osiagnac 78dB.Teraz czy zastosowanie ekranow te dynamike poprawi???? Tak poprawi o gora 2 dB!!!!!!!! Sprawdzilem to na stole ale o tym pozniej. Dynamika ktora mozemy osiagnac jest miedzy innymi uzalezniona od poziomu sygnalu z DDS'a ;-), jesli dla przykladu , (zakladajac ze mamy ekranowanie blokow) ustawimy poziom +10dBm to nie ma problemu osiagniemy dynamike na poziomie 83...a nawet moze sie udac -85dB!!!!!Tylko jakim kosztem?
Na ile przy tym poziomie sygnalu bedzie to sygnal sinus nie powodujacy tych bzdurnych gorek??? Mozemy kombinowac z MMIC'ami w sumie jest ich dzieki Bogu na rynku mnostwo, mozemy przegladajac noty wybrac takie ktore powinny nam spasowac ;-), pozniej juz tylko zabawa polegajaca na strojeniu poziomu wyjsciowego z DDS ( przy pomocy zmian rezystora na wejsciu Rset DDS'a i korekcja pradu na MMIC ;-), jesli juz bedziemy miec w calym zakresie od 1 MHZ do 70 MHz czyty sygnal ( zyczymy sukcesow ;-), w walce z MMIC ktore tak naprawde nie sa przewidziane do rownej pracy w zakresie 1-100MHz ;-), ale coz do upartych swiat nalezy, to wtedy bedziemy miec upragnione i w sumie do niczego nie potrzebne - 83dB ;-) i w miare male zasmiecenie gorkami na szerokim wykresie ( patrz kilka postow pozwyzej i link do postu 3Z6AEF).
Mozemy tez dazyc do uproszczenia sobie zycia , pogodzic sie z tym ze dynamika bedzie 78dB, nie stracimy czasu i nerwow a efekty przy pomiarach to gorka o 50dB nizej niz wykres wlasciwy. I teraz pytanie co stanowi wieksza wade zasmiecony ponad przyzwoitos wykres pomiarowy???? Czy brak 5dB ktorych w 99% pomiarow i tak nie zobaczymy?????
A teraz dlaczego nie bedziemy widziec ze dynamika skonczyla sie za wczesnie??? Na -78 a nie na _83dB?????????? To oczywiste do poimiarow podlacamy kabelki , kabelki do pcb filtrow BPF czy do filtru kwarcowego i coz widzimy?????
Widzimy wykres wlasciwy i tlo.......... na jakim poziomie???? A roznie zalezy od tego jakie kabelki , ile zlomy na stole i jak podlaczymy do PCB ale przecietnie tlo to -60 .... -70 dB !!!!!!!!!!!!!!!!!!!!!!!!! Kto bedzie sie bawil, i do pomiarow stosowal uklady dodatkowego ekranowania, umasien etc.......... ???????????
NIkt!!!!!!!!! Widzialem w sieci setk jesli nie tysiace wykresow z NWT , pokazcie jaki procent tych wykresow pokazywal tlo na poziomie ponizej 70dB!!!!!
A teraz toszke o tym co stanowilo wade bezsprzecznie ...koslawosc wykresu i zbyt duze roznice w poziomie ;-)... a to prosze, ponizej ta sama PCB NWT 7, nie zrobilem z nia nic od poczatku i prosze dyamika slaba _ 75dB ale rownomiernosc wykreu chyba do przyjecia????
Spojrzcie:

.pdf  wlasciwyrozwarte.pdf (Rozmiar: 17.3 KB / Pobrań: 1432)

... i coz to sie stalo??? to proste omylkowo zalaczono poprzednio pewna funkce w programie WinNWt4 ;-)................ ale to trzeba wiedziec ;-)
Ta wersje PCB NWT robilem dla kolegi i dlatego poswiece troche czasu i podejrzewam ze nieco zwiesze zakres dynamiki, ale napewno priorytetem bedzie uzyskanie najczystrzego sygnalu i............ wlasciwej impedancji wyjscia !!!!!!!!!!!!
Bo tak naprawde to sa parametry odpowiedzialne za rzetelnosc pomiarow!!!!
Pozdrawiam
Krzysztof Sip
SQ8Z

p.s.
postaram sie mimo opoznien jeszcze dzis zamiescic material o wersji NWT US5CAA ;-) i z gory zaznaczam to nie bedzie koniec i prosze z ew. krytyka wstrzymac sie do zakonczenia "cyklu" czyli przedstawienia wersji NWT Economic ;-).
Na pocieszenie powiem jeszcze ze w zwiazku z tym ze temat stal sie "goracy", za jakis czas na deser dolozymy z kolega NWT pracujace jeszcze stabilniej niz przedstawione wersje... priorytety to niska cena, powtarzalnosc dla skladacza, zero problemow w uruchomieniem ( oczywiscie przy braku bledow w montazu).
A stabilnosc i rzetelnosc pomiarow nawpeno nie gorsza niz w "niepopsutych NWT7.
23-11-2011 23:09
Znajdź wszystkie posty użytkownika Odpowiedz cytując ten post
SP4HKQ Offline
Zdzisław SK!
****

Liczba postów: 490
Dołączył: 19-08-2009
Post: #139
RE: NWT-7 analizator obwodów
Detektor AD8307 użyty w NWT dowolnej "maści" ma dynamikę 90 dB. Warunkiem uzyskania tej dynamiki jest dostarczenie sygnału o poziomie +15 dBm. Więc gdy na wyjściu naszego NWT będzie sygnał np. +8dBm to uzyskamy dynamikę tylko 83 dB. Każdy dB sygnału mniej, to i o tę wartość dynamika mniejsza. Oczywiście tę wartość widzimy po skalibrowaniu (zwarciu gniazd) NWT. Brak ekranowania przy dużym sygnale +15dBm skutkuje podniesieniem się tła i w efekcie obniżeniem dynamiki. Teraz druga kwestia, czy nam taka dynamika jest potrzebna? Moim zdaniem nie koniecznie. Co w naszych domowych laboratoriach mierzymy: na pewno filtry, charakterystyki wzmacniaczy, przenoszenie transformatorów wcz, jakieś pomiary mostkowe i wiele innych. Duża dynamika jest nam potrzebna głównie przy filtrach kwarcowych. Ale i tak będzie ciężko (bez specjalnych zabiegów) zobaczyć nam tłumienie ponad 75dB. Przy filtrach pasmowych wystarcza dynamika 70 db, do pomiarów mostkowych także wystarczy, w pozostałych wypadkach to "aż nadto". Moim zdaniem w NWT należy zadbać o czystość sygnału i równomierność amplitudy w funkcji częstotliwości (wykres przy zwartych gniazdach). Na pewno czystsze widmo ma DDS wykonany na bazie AD9951 niż AD9851. Wzmacniacz po DDSie to widmo psuje, im większy sygnał tym gorzej. Moje doświadczenia z NWT skłaniają mnie do koncepcji bez wzmacniacza, z ustawionym DDSem na 0 dBm na wyjściu. A w wypadku pomiarów z dużą dynamiką należny wykonać zewnętrzny dobry wzmacniacz o wzmocnieniu np 20dB podłączany po układzie mierzonym, a przed detektorem.
(Ten post był ostatnio modyfikowany: 24-11-2011 0:26 przez SP4HKQ.)
24-11-2011 0:20
Znajdź wszystkie posty użytkownika Odpowiedz cytując ten post
SQ8Z Offline
Krzysztof
****

Liczba postów: 311
Dołączył: 21-10-2010
Post: #140
RE: NWT-7 analizator obwodów
Witam Zdzislaw, dokladnie tak i o tym moze w nieco inny sposob pisalem ;-).
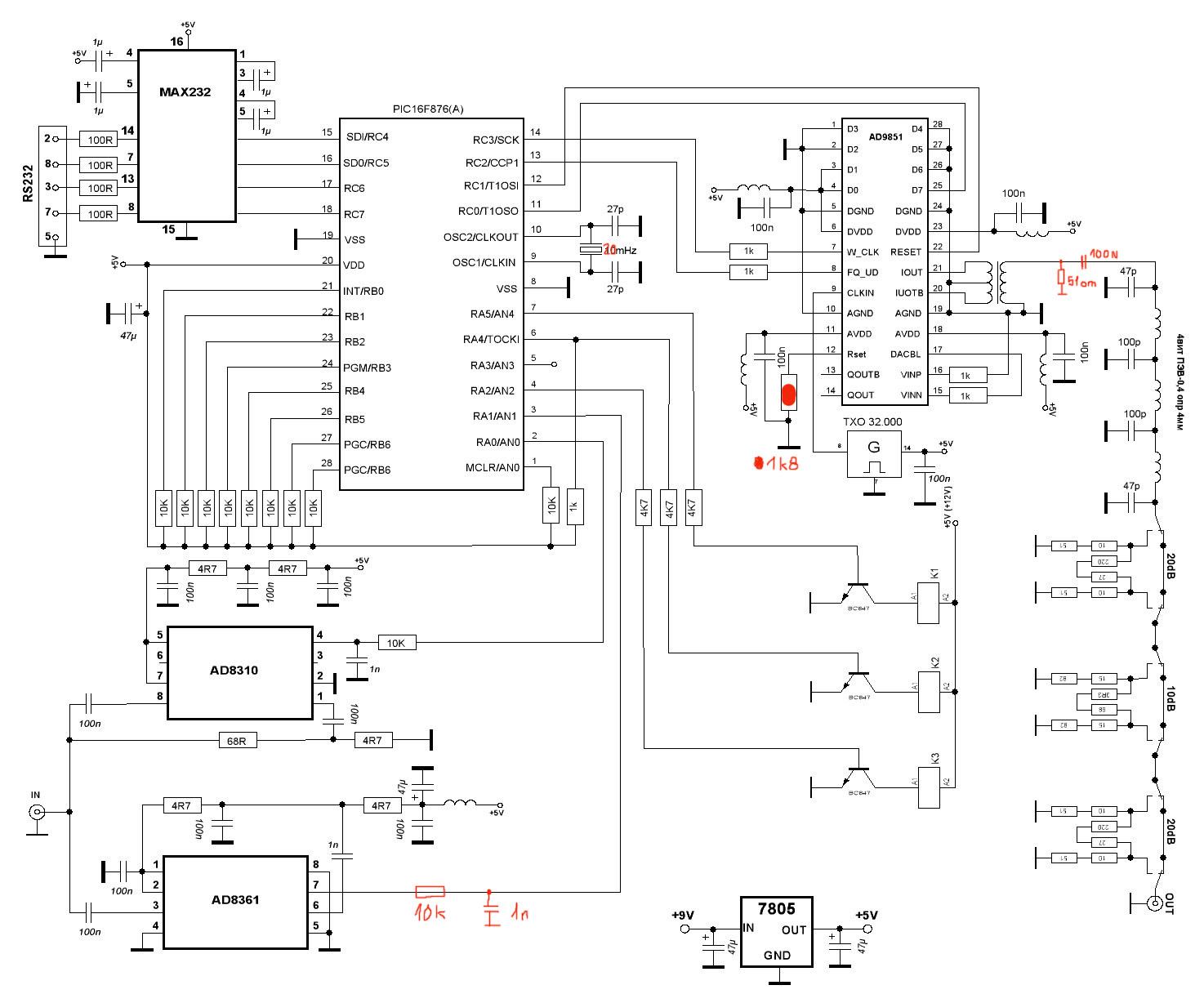
W zwiazku z tym postanowliem sprawdzic jak bedzie sprawowac sie VNA w wykonaniu US5CAA z pewnymi drobnymi zmianami,
Zalozenia glowne to FCLK 32 MHz, DDS AD9851 z symetrycznym obciazeniem na wyjsciu, procesor PIC 16F876 DIP, na PCB pady pod 232 SMD w wersji i szerokiej i waskiej, sondy wejsciowe t logarytmiczna AD8310 i liniowa AD8361.
W oryginalnym ukladzie PCB kolega pomylil polozenie gniazda DB9 i trzeba bylo nieco to zmodyfikowac, a gniazda BNC doprowadzaja mnie do furii ( mimo szybkiego poloczenia) wiec zastosowalem SMA katowe ;-).
ponizej schemat tego wariantu z drobnymi poprawkami:

İmage

a tu lik PCB , ostroznie plaszczyzny z jednej strony to malowanki , tak zrobil to US5CAA a ja najmniejszym nakladem pracy nieco to poprawialem, co nie zmienia faktu ze PCB z tego wykonalem a plik .lay pozwala na dowolna edycje.


.lay  anwtcaasq8z.LAY (Rozmiar: 239.34 KB / Pobrań: 1593)

ponizej foto zmontowanego i uruchomionego ukladu:

İmage İmage

w kilku zdaniach, uklad DDS,a rozni sie tym od przedstawianego poprzednio ze jego wyjscie jest obciazone symetrycznie trafem 1:4 ( WB3040) , spokojnie mozna tu zastosowac trafo wykonane wlasnorecznie , trzema skreconymi przewodami nawijamy na rdzeni FT37-43 8-10 zwojow, uklad i podlaczenie koncowek jak w typowych ukladach. Na wyjsciu z tr zastosowano rezystor 51 om do masy ;-).
Pozostale drobne poprawki widac na schemacie kolor czerwony.
Publikowana PCB juz te zmiany uwzglednia.
Na PCB nie ma padow pod diody na przekaznikach ( lutujemy je bezposrednio do koncowek przekaznika. Nie prowadzono sciezek do zasilania diod LED ( wskazniki zalaczanych tlumikow) polaczenia te wykonano kynarkiem, na rysunku PCB nie usunalem polaczenia +5V do nozki generatora (zmieniony uklad sciezek juz to zalatwil i ta narysowana zwora nie jest potrzebna).
Czesc zawierajaca sondy oraz tlumiki zostalay zaekranowane, wstawilem ekranik od strony elementow oslaniajacy nieco przekazniki.

Przy uruchomieniu sprawdzalem do ktorego momentu mozna zwiekszac poziom sygnalu wyjsciowego z DDS ( autor zastosowal 3k9 jako rezystor na Rset) ja zmniejszylem te wartosc do 1k8 i osiagnalem poziom sygnalu wyjsciowego w okolicy 5-6dBm... sygnal jest na tyle czysty ze nie objawia sie "pasozytniczymi gorkami na wykresach pomiarowych. I to w sumie tyle ;-)
efekty przedstawaiam ponizej


.pdf  rozwartyok.pdf (Rozmiar: 17.97 KB / Pobrań: 1389)
.pdf  us1.8mhzt.pdf (Rozmiar: 19.37 KB / Pobrań: 1166)
.pdf  us3.5mhz.pdf (Rozmiar: 19.41 KB / Pobrań: 1099)
.pdf  us7mhz.pdf (Rozmiar: 20.36 KB / Pobrań: 1190)
.pdf  us14mhz.pdf (Rozmiar: 20.08 KB / Pobrań: 1164)

powyzsze pomiary maja pokazac ze bez zadnych kombinacji, walki z MMIC ( bo go nie i nie musi byc) uzyskujemy bardzo przyzwoita dynamike ( ale to dzieki AD8310 ktory "operuje" na nieco innych wartosciach napiec ;-)).oraz czyste wyniki pomiarow bez niespodzianek jak w NWT 7 ( w wersji podstawowej).
Oczywiscie dodac nalezy ze kwarce jak na schemacie 20 MHz, wsad do PIC'a ten sam w wersji V210 , program do obslugi tez bez zmian.
roznica w cenie miedzy tym rozwiazaniem a poprzednim to koszt AD8310 i AD8361 ( okolo 50 pln) zamiast AD807 ( 12-25 pln) reszta bez zmian.
Ten mierniczek zostawaim sobie ;-).
Oczywiscie jak poprzednio wzor PCB mozna wykorzystywac bez ograniczen jak kto chce, zaznaczenie ze pierwowzorem byl US5CAA to grzecznosc ( ilosc zmian na druku kwalifikuje ten wzor jako nowa i na nowo opracowana PCB a ja praw do tego sie zrzekam na rzecz "ogolu".

W sumie moge polecic kazdemu kto chce miec nieco lepszy niz NWT 7 miernik, i koszty wyzsze o 35 PLN nie stanowia dla niego problemu.

pozdrawiam wszystkich i jesli znow nie bedziemy mieli QRM i QRN na forum to w w ciagu najblizszych 48 godzin przedstawie NWT Economic ;-) przeznaczony dla tych ktorzy chca miec szybko, sprawnie i nieco taniej niz przedstawione dotychczas , a zakres pomiarowy do 55MHz im wystarczy ;-)

Krzysztof Sip
SQ8Z
24-11-2011 1:47
Znajdź wszystkie posty użytkownika Odpowiedz cytując ten post
Odpowiedz 


Skocz do:


Użytkownicy przeglądający ten wątek: 2 gości