Odpowiedz 
 
Ocena wątku:
  • 10 Głosów - 4.6 Średnio
  • 1
  • 2
  • 3
  • 4
  • 5
HUSAREK - nowa homodyna dla "każdego"
SP9FKP Offline
Piotr
*****

Liczba postów: 1,287
Dołączył: 28-06-2009
Post: #341
RE: HUSAREK - nowa homodyna dla "każdego"
Odnosząc się do pomysłu Adama by w Husarku zaimplementować funkcjonalność analizy dopasowania anteny chcę przypomnieć dokument zamieszczony na Forum, który opisuje wykorzystanie patentu (który z powodzeniem wykorzystał też G3XJP w swoim ATU) na ciche strojenie. To rozwiązanie ma kilka zalet ale najważniejsze to:
1. bardzo dobre dociążenie nadajnika w trakcie pomiaru (strojenia),
2. ograniczenie emisji w eter do minimum,
3. możliwość jednoczesnego ustawienia progu ALC,
4. mała wrażliwość na sygnały ze strony anteny,
5. prostota.

Sądzę, że wystarczy krzywa WFS w funkcji częstotliwości. Jeśli ktoś będzie potrzebował dokładnych pomiarów reaktancji, musi posłużyć się adekwatnym przyrządem.
25-02-2013 20:43
Znajdź wszystkie posty użytkownika Odpowiedz cytując ten post
SP3SWJ Offline
Jarek
****

Liczba postów: 657
Dołączył: 20-03-2010
Post: #342
RE: HUSAREK - nowa homodyna dla "każdego"
(25-02-2013 20:43)SP9FKP napisał(a):  ...na ciche strojenie...

Yaesu w skrzynkach FC30 FC40 ma ciche strojenie anteny - odbywa sie ono moca aż 10 mW !!! aradio pamietajmy ma 5-100W. w układzi pomiarowym jest wbudwany tłumik a za nim dopiero sonda - w samym radiu wymuszana jest praca malą mocą podczas strojenia. Schematy były linkowane w temacie easyATU.
25-02-2013 23:44
Odwiedź stronę użytkownika Znajdź wszystkie posty użytkownika Odpowiedz cytując ten post
SP5FCS Offline
Adam
*****

Liczba postów: 1,073
Dołączył: 02-02-2009
Post: #343
RE: HUSAREK - nowa homodyna dla "każdego"
(22-02-2013 22:31)SP5FCS napisał(a):  Takie rozwiązanie da posiadaczom Husarka dodatkowy "bonus" w postaci pomiarów impedancji zespolonej anteny bez potrzeby odpinania fidera od radia.

Mając do dyspozycję płynną regulację mocy PA nie widzę potrzeby budowania układu "cichego strojenia". Pomiar współczynnika SWR oraz mocy będzie wykonywany przez sterownik w sposób ciągły podczas normalnego nadawania dla aktualnie ustawionej mocy PA. Takie pomiary ma większość nowoczesnych urządzeń nadawczych i były one przewidziane w Husarku od początku prac.

Obecna propozycja dotyczy dodatkowej możliwości sterownika, polegającej na wykorzystaniu radia w charakterze miernika (analizatora antenowego). W mojej propozycji wyraźnie zaznaczyłem, że interesuje mnie impedancja zespolona anteny: Z=R+jX, czyli składowa rzeczywista i urojona oraz jej charakter. Za ich podstawie możemy obliczyć moduł impedancji, przesunięcie fazowe oraz SWR co da nam pełny obraz o antenie na ustawionej częstotliwości.

Jeśli ktoś nie będzie potrzebował takie funkcji w radiu to po prostu nie wykona modułu mostka pomiarowego i nie będzie wchodził w tryb pomiarowy radia a podczas nadawania będzie korzystał z pomiarów SWR-a i mocy.

73 Adam
26-02-2013 23:28
Znajdź wszystkie posty użytkownika Odpowiedz cytując ten post
SP3SWJ Offline
Jarek
****

Liczba postów: 657
Dołączył: 20-03-2010
Post: #344
RE: HUSAREK - nowa homodyna dla "każdego"
Tłumik za PA powoduje że PA zawsze pracuje w super "fajnych" warunkach... zawsze widzi SWR nie gorszy niż 1.5 :-) a dopiero za tłumikem jest mostek pomiarowy
26-02-2013 23:34
Odwiedź stronę użytkownika Znajdź wszystkie posty użytkownika Odpowiedz cytując ten post
SP9FKP Offline
Piotr
*****

Liczba postów: 1,287
Dołączył: 28-06-2009
Post: #345
RE: HUSAREK - nowa homodyna dla "każdego"
Nie było moją intencją odwodzić Cię Adamie od realizacji swego pomysłu a raczej wskazania innej możliwości. Dla mnie osobiście istotnym jest jak duże niedopasowanie widzi stopień końcowy w antenie. Zakładam też, że przemiatanie pasma dla zobrazowania krzywej będzie "ciche". O problemach technicznych z utrzymaniem stałego poziomu sygnału w trakcie pomiaru przy zmiennej impedancji obciążenia, wiarygodnego pomiaru małych napięć w.cz, kalibracji i skalowaniu nie wspomniałem. Raz jeszcze przypomnę mój pomysł autonomicznej skrzynki antenowej z wbudowanym generatorem pomiarowym, może w tym kontekście łatwiej będzie zrealizować taką funkcjonalność ?
27-02-2013 8:46
Znajdź wszystkie posty użytkownika Odpowiedz cytując ten post
SP4HKQ Offline
Zdzisław SK!
****

Liczba postów: 490
Dołączył: 19-08-2009
Post: #346
RE: HUSAREK - nowa homodyna dla "każdego"
Myślę, że po poście Adama wkradło się nierozumienie. Nie budujemy przyrządu pomiarowego o niewiadomo jakiej dokładności skanującego całe pasmo KF, tylko umożliwiamy naszemu radiu pomiar parametrów anteny na której aktualnie pracujemy. Oczywiście chcielibyśmy żeby był dokładny, ale nie będzie to fabryczny analizator antenowy.
Jak ja to widzę.
Podłączamy do radia antenę. Typowy pomiar to SWR. A gdyby dodatkowo wyświetlacz radia pokazał oporność anteny w postaci sumy części czynnej i zespolonej oporności na konkretnej częstotliwości. Zorientowany operator na tej podstawie będzie wiedział jak podstroić swoją skrzynkę antenową. W przyszłości taki pomiar będzie umożliwiał strojenie skrzynki automatycznej. Przecież interesuje nas praca z jak najdokładniej dopasowaną anteną, a ten przyrząd w radiu tylko w szczególnych wypadkach zastąpi analizator, gdy będziemy sprawdzali antenę po jej zbudowaniu.

Uważam że intencją Adama było wywołanie dyskusji, np. jak wykonać mostek pomiarowy, bo jeśli chodzi o program to Adam sobie na pewno poradzi sam.
(Ten post był ostatnio modyfikowany: 27-02-2013 20:44 przez SP4HKQ.)
27-02-2013 20:44
Znajdź wszystkie posty użytkownika Odpowiedz cytując ten post
SP5CGI Offline
Maciek
***

Liczba postów: 200
Dołączył: 31-05-2011
Post: #347
RE: HUSAREK - nowa homodyna dla "każdego"
W końcu jest to z założenia radio QRP , a takie radio zabieramy na działkę , urlop i inne wyjazdy w teren. Korzystamy z anten polowych i dobrze jest znać parametry świeżo założonej anteny (może trzeba ją zawiesić na innym drzewie ?). Uważam że pomysł jest godny poparcia.
27-02-2013 23:29
Znajdź wszystkie posty użytkownika Odpowiedz cytując ten post
SP5FCS Offline
Adam
*****

Liczba postów: 1,073
Dołączył: 02-02-2009
Post: #348
RE: HUSAREK - nowa homodyna dla "każdego"
To jeszcze jeden obrazowy argument dlaczego zależy mi aby w Husarku był pomiar impedancji anteny w postaci zespolonej.

Mam podłączoną do radia jakąś antenę,zaczynam nadawać i widzę na wskaźniku SWR=2. Jaką mamy wiedzę z tego pomiaru oprócz tego że dopasowanie nie jest najlepsze. Ten sam SWR uzyskamy dla czterech różnych impedancji anten:

Z=25+j0; Z=100+j0; Z=40+j30; Z=40-j30


Nawet, punktowy pomiar impedancji anteny w postaci zespolonej obarczony istotnym błędem pomiaru prostym mostkiem daje pełniejszą informację o stanie anteny oraz wiedzę jaki ruch wykonać skrzynką antenową aby dopasowanie było lepsze.

73 Adam
28-02-2013 22:55
Znajdź wszystkie posty użytkownika Odpowiedz cytując ten post
SP5BMP Offline
Janusz
****

Liczba postów: 606
Dołączył: 02-11-2010
Post: #349
RE: HUSAREK - nowa homodyna dla "każdego"
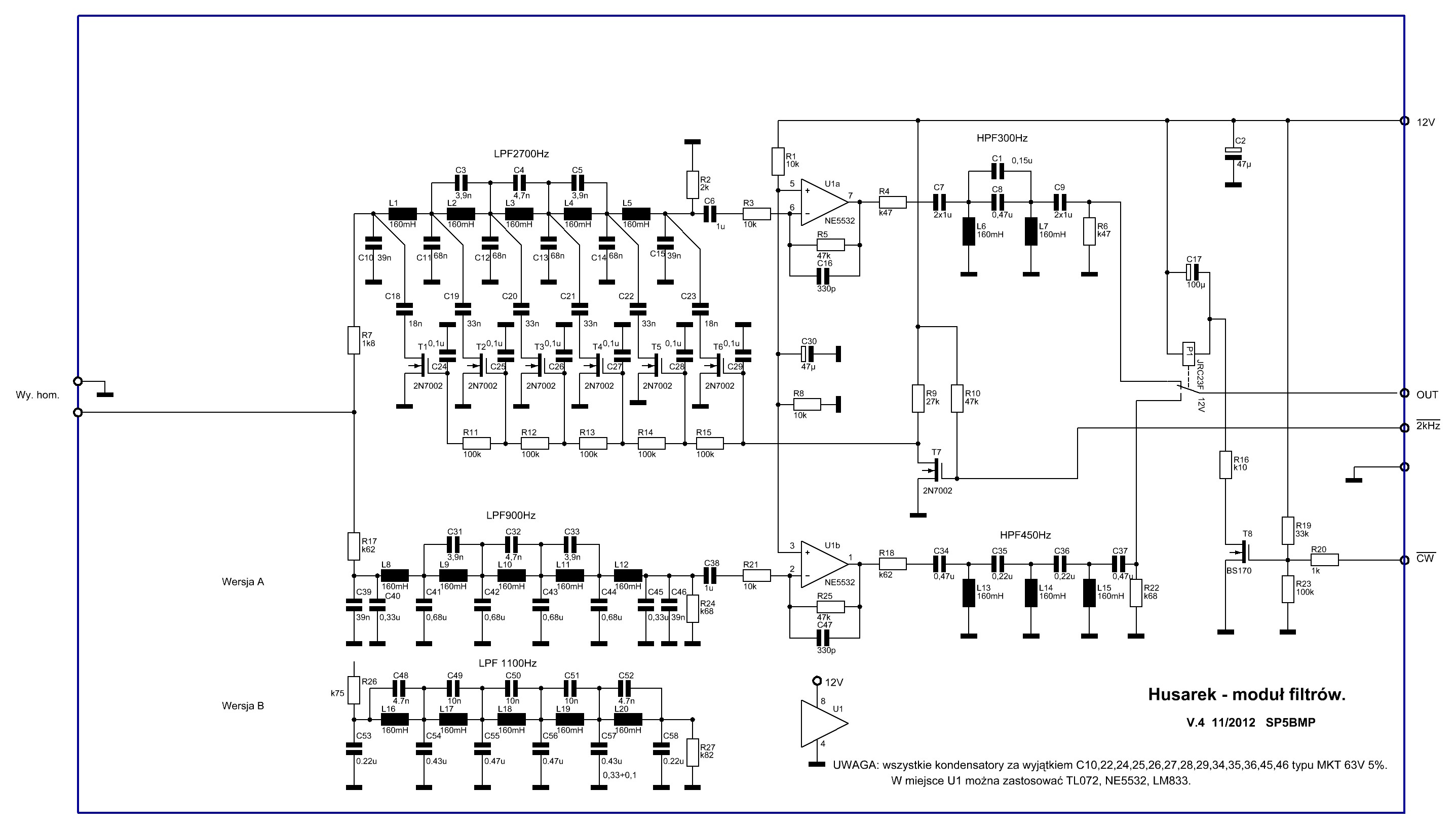
Skleiłem płytkę filtrów i przełączników w jedną całość. Zamieszczam poniżej , jak i schemat w trochę większej rozdzielczości. Pozdrawiam, Janusz.


Załączone pliki Miniatury
İmage

.rar  HUSAREK moduł filtrów V4.rar (Rozmiar: 53.92 KB / Pobrań: 1201)
02-03-2013 15:38
Znajdź wszystkie posty użytkownika Odpowiedz cytując ten post
SP5AQT Offline
Roman
***

Liczba postów: 201
Dołączył: 02-03-2009
Post: #350
RE: HUSAREK - nowa homodyna dla "każdego"
Witam
Ponieważ HUSAREK jest konstrukcją eksperymentalną i w zależności od możliwości technicznych oraz własnej inwencji koledzy stosują różne rozwiązania pozwoliłem sobie i ja na eksperyment. Zamiast układów 74AC02 i 74VHC164 zastosowałem układ 74AC175 i do jego sterowania BGA420. Wykonałem pomiary wytłumienia nośnej dla obydwu rozwiązań. Wyniki pomiarów w załączniku.
VY 73 Roman SP5AQT


Załączone pliki
.pdf  Pomiary wytłumienia nośnej w homodynie.pdf (Rozmiar: 129.14 KB / Pobrań: 1823)
03-03-2013 21:35
Odwiedź stronę użytkownika Znajdź wszystkie posty użytkownika Odpowiedz cytując ten post
Odpowiedz 


Skocz do:


Użytkownicy przeglądający ten wątek: 7 gości