|
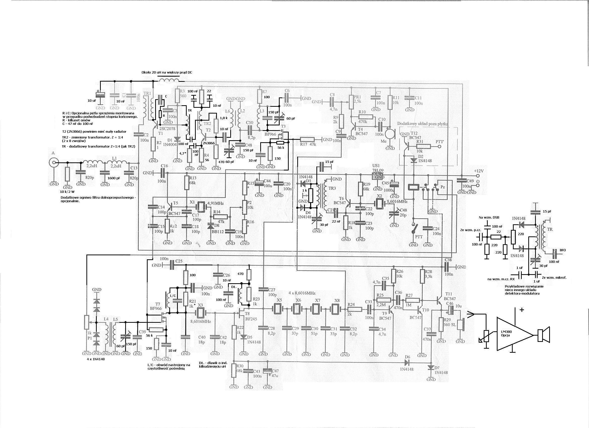
Najnowszy minitransceiver SP5AHT (80m/SSB). Dziennik budowy.
|
SP3RAF
Robert ![]() ![]() ![]() Liczba postów: 113 Dołączył: 02-07-2009 |
|
||
| 17-10-2012 22:28 |
|
SP6FRE
Leszek ![]() ![]() ![]() ![]() Liczba postów: 737 Dołączył: 20-09-2009 |
|
||
| 17-10-2012 23:37 |
|
SP6FRE
Leszek ![]() ![]() ![]() ![]() Liczba postów: 737 Dołączył: 20-09-2009 |
|
||
| 04-11-2012 14:39 |
|
SQ6IYV
Michał ![]() Liczba postów: 33 Dołączył: 09-02-2010 |
|
||
| 06-11-2012 23:28 |
|
SQ9RFC
Jerzy ![]() ![]() ![]() ![]() ![]() Liczba postów: 1,193 Dołączył: 02-07-2010 |
|
||
| 30-07-2013 0:17 |
|
SQ5KVS
Karol ![]() ![]() ![]() ![]() ![]() Liczba postów: 1,013 Dołączył: 26-09-2012 |
|
||
| 30-07-2013 10:33 |
|
SQ9RFC
Jerzy ![]() ![]() ![]() ![]() ![]() Liczba postów: 1,193 Dołączył: 02-07-2010 |
|
||
| 30-07-2013 11:24 |
|
SP5RF
Robert ![]() ![]() ![]() ![]() Liczba postów: 343 Dołączył: 13-03-2010 |
|
||
| 12-10-2013 16:46 |
|
SQ9JXT
Tomek ![]() ![]() ![]() ![]() Liczba postów: 493 Dołączył: 05-04-2011 |
|
||
| 16-10-2013 13:19 |
|
SQ9RFC
Jerzy ![]() ![]() ![]() ![]() ![]() Liczba postów: 1,193 Dołączył: 02-07-2010 |
|
||
| 16-10-2013 14:02 |
|
|
« Starszy wątek | Nowszy wątek »
|
Użytkownicy przeglądający ten wątek: 1 gości






Obaj chcemy z pozytywnym wynikiem ukończyć swoje transceivery
SP5RF