Odpowiedz 
 
Ocena wątku:
  • 0 Głosów - 0 Średnio
  • 1
  • 2
  • 3
  • 4
  • 5
lampowy klucz cw
SP8GSC Offline
Krzysztof
**

Liczba postów: 77
Dołączył: 25-05-2020
Post: #1
lampowy klucz cw
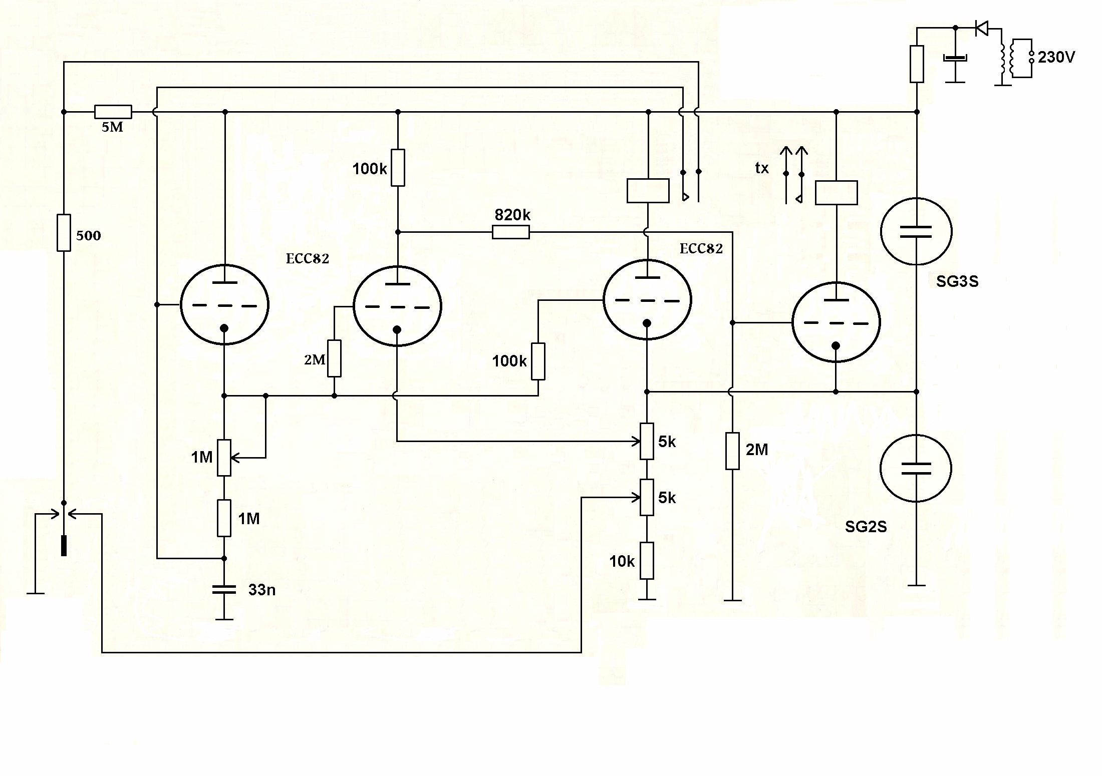
Szukam schematu klucza prawdopodobnie stara konstrukcja krótkofalowca amerykańskiego.
Klucz był zbudowany na dwóch lampach ECC i na dwóch przekaźnikach polaryzowanych, w zasilaniu miał dwa stabiliwolty SG2S i SG3S

Na szczęście schemat został odnaleziony przez pierwszego wykonawcę, tego ukladu SP8FNA, od którego ja skopiowałem układ. SP8FNA nie był autorem - był wykonwca piewszego egzemplarza ktory ja widzialem.
dodaje schemat İmage
(Ten post był ostatnio modyfikowany: 14-01-2021 16:19 przez SP8GSC.)
12-01-2021 19:12
Odwiedź stronę użytkownika Znajdź wszystkie posty użytkownika Odpowiedz cytując ten post
SP5CII Offline
Użytkownik
***

Liczba postów: 196
Dołączył: 14-12-2009
Post: #2
RE: lampowy klucz cw
W Radioamator i Krótkofalowiec nr 2 1967 było kilka układów lampowych i układy tranzystorowe,artykuł SP2BPL . Na 1 tranzystorze i przekaźnik spolaryzowany był hitem w wojsku 1970/72. Była szybka odpowiedź dla czerwonoarmistów którzy nas popędzali .
73!
Artykuł z RiK.
.rar  klcz elekt.rar (Rozmiar: 8.59 MB / Pobrań: 745)

(Ten post był ostatnio modyfikowany: 16-01-2021 19:41 przez SP5CII.)
16-01-2021 19:21
Znajdź wszystkie posty użytkownika Odpowiedz cytując ten post
SQ9RFC Offline
Jerzy
*****

Liczba postów: 1,193
Dołączył: 02-07-2010
Post: #3
RE: lampowy klucz cw
Chyba się Krzysio Sq8LUV nie obrazi jeśli podlinkuje tutaj filmik jego klucza.

73 JERZY SQ9RFC
16-01-2021 21:14
Znajdź wszystkie posty użytkownika Odpowiedz cytując ten post
SP5CII Offline
Użytkownik
***

Liczba postów: 196
Dołączył: 14-12-2009
Post: #4
RE: lampowy klucz cw
Na lampach,zasilanie-transformator to i kawał pucka wyszło. Ważne że działał. Ja trochę wyklepałem kluczy na jednym tranzystorze (70/72 ) . "Uzbroiłem" jednego kolesia bo z Kaliningradu nam dokuczali, był artystą w odbiorze , po tygodniu wprawił się w nadawaniu i od ruskich przyszło QRS (nadawaj wolniej), przestali dowcipkować. Używało towarzystwo różnej maści pseudo kluczy bocznikowych. Z tym na jednym tranzystorze był pełny komfort. Szczególnie "spółdzielnia" była szczęśliwa w robieniu dx-w (na zamówienie) miało być szybko ,krótko żeby Przasnysz nas nie namierzył hihihi. Od tego czasu przestało mnie interesować zbieranie kart. Wszystko - baterie (2 paluszki R6), przekaźnik spolaryzowany, manipulatorem mieściło się w obudowie po OR Koliber z Bomisu.
73!

(Ten post był ostatnio modyfikowany: 17-01-2021 13:43 przez SP5CII.)
17-01-2021 13:41
Znajdź wszystkie posty użytkownika Odpowiedz cytując ten post
SQ8LUV Offline
Krzysztof
***

Liczba postów: 131
Dołączył: 12-05-2011
Post: #5
RE: lampowy klucz cw
(17-01-2021 13:41)SP5CII napisał(a):  Na lampach,zasilanie-transformator to i kawał pucka wyszło. (...)

Zgadza się, gabaryty swoje ma, bo w środku wygląda tak:

İmage

Klucz dostałem od Krzysztofa SP8GSC i uruchomiłem dla czystej przyjemności. Ostatnio mocno ciągnie mnie do urządzeń lampowych. Nie służy on do pracy wyczynowej, nie musi być mały, na co dzień używam K-5, ale włączyć go czasem i ponadawać na nim, najlepiej przy pomocy jednodźwigniowego manipulatora z linijki i poczuć ten klimat, to wspaniałe uczucie Smile
Szukaliśmy schematu, bo sporo rzeczy w kluczu było nie podłączonych, niektóre podłączone były tam gdzie nie powinny być podłączone, brakowało niektórych elementów, schemat więc znacznie przyspieszył zabawę. Narysowany ręcznie, oryginalnie przed wielu laty przez Krzysztofa SP8GSC, odnalazł się bodajże w piwnicy jednego z lubelskich krótkofalowców.

73!
(Ten post był ostatnio modyfikowany: 18-01-2021 1:23 przez SQ8LUV.)
18-01-2021 1:23
Znajdź wszystkie posty użytkownika Odpowiedz cytując ten post
SQ9RFC Offline
Jerzy
*****

Liczba postów: 1,193
Dołączył: 02-07-2010
Post: #6
RE: lampowy klucz cw
Odnalazł się oryginał rysowany ręcznie ?! Krzysiu dawaj tutaj skan/fotkę !

73 JERZY SQ9RFC
18-01-2021 13:24
Znajdź wszystkie posty użytkownika Odpowiedz cytując ten post
SQ8LUV Offline
Krzysztof
***

Liczba postów: 131
Dołączył: 12-05-2011
Post: #7
RE: lampowy klucz cw
To jest ten sam schemat, który wkleił Krzysztof na górze wątku, on go "przerysował" w jakimś programie komputerowym.
18-01-2021 14:13
Znajdź wszystkie posty użytkownika Odpowiedz cytując ten post
SQ9RFC Offline
Jerzy
*****

Liczba postów: 1,193
Dołączył: 02-07-2010
Post: #8
RE: lampowy klucz cw
Ja tak lubię stare odręczne schematy... jest w nich klimat i coś jeszcze.

73 JERZY SQ9RFC
18-01-2021 21:11
Znajdź wszystkie posty użytkownika Odpowiedz cytując ten post
SQ8LUV Offline
Krzysztof
***

Liczba postów: 131
Dołączył: 12-05-2011
Post: #9
RE: lampowy klucz cw
Sprawdź messengera Smile
19-01-2021 1:10
Znajdź wszystkie posty użytkownika Odpowiedz cytując ten post
SP5CII Offline
Użytkownik
***

Liczba postów: 196
Dołączył: 14-12-2009
Post: #10
RE: lampowy klucz cw
To jest ten schemat z RiK. Tak się to wykonywało. Trafo jak dobrze pamiętam od Irysa na tym zdjęciu .Pracując w ZURiT. grzebania w układach lampowych miałem dosyć. Pierwszy nadajnik W/g SP5ARH lampowy wtedy każdy go wykonywał w tych czasach (1967r) a za odbiornik OR Calypso z konwerterem na ECH 81 i taki mieliśmy z bratem SP 5 GDY zestaw N/O.
73!

29-01-2021 22:59
Znajdź wszystkie posty użytkownika Odpowiedz cytując ten post
Odpowiedz 


Skocz do:


Użytkownicy przeglądający ten wątek: 1 gości