Odpowiedz 
 
Ocena wątku:
  • 7 Głosów - 4.14 Średnio
  • 1
  • 2
  • 3
  • 4
  • 5
Składamy wzbudnicę SSB G4CLF
bolanren Offline
Jerzy SP5RZM
****

Liczba postów: 434
Dołączył: 10-04-2011
Post: #11
RE: Składamy wzbudnicę SSB G4CLF
(25-01-2015 10:38)SP2JQR napisał(a):  Tranzystor KP903 jest obecnie trudno osiągalny. Proponuję zastosować bardzo popularny J310 w odwracalnym wzmacniaczu. Nie mam obecnie czasu na rysowanie schematów, ale jeśi ktoś to zrobi to rzucę okiem.

Henryku, chyba nie jest z dostępnością KP903 trudno.Mam w swoich zapasach 2 sztuki, które parę dni temu od jednego z Kolegów nabylem. Rzeczywiście na e- Bay są one do kupienia. Rzecz w tym, ze większość z nas nie posiada stosownego oprzyrządowania, by moc podejść do zagadnienia w sposób empiryczny. Pozdrawiam - sp5rzm Jerzy
25-01-2015 18:50
Znajdź wszystkie posty użytkownika Odpowiedz cytując ten post
SP9LVZ Offline
Piotr
*****

Liczba postów: 814
Dołączył: 13-01-2015
Post: #12
RE: Składamy wzbudnicę SSB G4CLF
Witam wszystkich po raz pierwszy. Dzięki Jerzemu też rozpoczynam składanie nowej wersji płytki Plesseya G4CLF. Mam doświadczenie z krajową wersją tej płytki wg. SP5WW (uruchomiłem ich kilka sztuk w różnych wersjach), w jednej z nich stosowałem SL612. Ostatnio w trx'ach używam NE5534 zamiast uA714. Jako że zaczęliśmy składać płytkę w kilka osób czuję się też zobowiązany do analizy układu i podpowiedzi jak uruchomić układ wg. G4CLF. Warto poczytać oryginalny opis montażu G4CLF, bo on tam wyjaśnia użycie elementów oznaczonych gwiazdką, na które trzeba zwrócić uwagę jak się montuje układ. A teraz do rzeczy:
Mietek nie za dużo dał informacji jak słucha ten "szum" czy po TBA810???.... jeśli tak słucha już po TBA810 to wcześniej pisałem do Jerzego o tym kondensatorze C27 - trzeba go zmienić na 100nF, bo na C27 10 nF będziesz tylko słyszał szumy - to jest za mała wartość w torze m.cz.!,... druga sprawa to jak stosujemy SL1640 to nie lutuje się tego R9 (330 omów) - ten R9 jest potrzebny do układów SL641. Jeśli te kroki będą wykonane to trzeba sprawdzić napięcie na nóżce (6) NE5534 czyli na jego wyjściu - czy jest na niej połowa napięcia zsiadania, jeśli nie - to na koniec trzeba ustawić polaryzację wejścia układu poprzez zmianę R12 (dobrać rezystor w emiterze tranzystora) i powinno wszystko pracować prawidłowo.
Niestety nie miałem jeszcze czasu zabrać się do montażu, ale myślę że w tym tygodniu nadrobię to..

Jeśli chodzi o zmiany układowe to ja bym ten fragment układu przedwzmacniacza m.cz. w ogóle przerobił, tak żeby nie było tu problemu. Dał bym inny układ wzmacniacza m.cz. np. TBA 820, oraz UC 6 oraz J310 dał bym w wersji przewlekanej, było by mniej problemów. Ale myślę że propozycje modyfikacji płytki do kolejnej wersji zostawić trzeba na później jak uruchomimy kilka płytek i porównamy doświadczenia co i jak.


Załączone pliki Miniatury
İmage
(Ten post był ostatnio modyfikowany: 25-01-2015 22:03 przez SP9LVZ.)
25-01-2015 22:03
Odwiedź stronę użytkownika Znajdź wszystkie posty użytkownika Odpowiedz cytując ten post
bolanren Offline
Jerzy SP5RZM
****

Liczba postów: 434
Dołączył: 10-04-2011
Post: #13
RE: Składamy wzbudnicę SSB G4CLF
(25-01-2015 22:00)SP9LVZ napisał(a):  Witam wszystkich po raz pierwszy. Dzięki Jerzemu też rozpoczynam składanie nowej wersji płytki Plesseya G4CLF. Mam doświadczenie z krajową wersją tej płytki wg. SP5WW (uruchomiłem ich kilka sztuk w różnych wersjach), w jednej z nich stosowałem SL612. Ostatnio w trx'ach używam NE5534 zamiast uA714. Jako że zaczęliśmy składać płytkę w kilka osób czuję się też zobowiązany do analizy układu i podpowiedzi jak uruchomić układ wg. G4CLF. Warto poczytać oryginalny opis montażu G4CLF, bo on tam wyjaśnia użycie elementów oznaczonych gwiazdką, na które trzeba zwrócić uwagę jak się montuje układ. A teraz do rzeczy:
Mietek nie za dużo dał informacji jak słucha ten "szum" czy po TBA810???.... jeśli tak słucha już po TBA810 to wcześniej pisałem do Jerzego o tym kondensatorze C27 - trzeba go zmienić na 100nF, bo na C27 10 nF będziesz tylko słyszał szumy - to jest za mała wartość w torze m.cz.!,... druga sprawa to jak stosujemy SL1640 to nie lutuje się tego R9 (330 omów) - ten R9 jest potrzebny do układów SL641, jak będzie zrobione tak ja wyżej pisze to trzeba sprawdzić napięcie na nóżce 6 NE5534 czyli na jego wyjściu - czy jest na niej połowa napięcia zsiadania, jeśli nie - to na koniec trzeba ustawić polaryzację wejścia układu poprzez zmianę R12 (dobrać rezystor w emiterze tranzystora) i powinno wszystko pracować prawidłowo.

Jeśli chodzi o zmiany układowe to ja bym ten fragment układu przedwzmacniacza m.cz. w ogóle przerobił, tak żeby nie było tu problemu. Dał bym inny układ wzmacniacza m.cz. np. TBA 820, oraz UC 6 oraz J310 dał bym w wersji przewlekanej, było by mniej problemów. Ale myślę że propozycje modyfikacji płytki do kolejnej wersji zostawić trzeba na później jak uruchomimy kilka płytek i porównamy doświadczenia co i jak.

Piotrze,

C27 w oryginale płytki G4CLF pracuje dobrze. Wiem, bo podobną wzbudnicę już złożyłem. Na moje wyczucie sprawa C27 nie wyjaśnia tego zjawiska, z którym spotkał się Mietek. Bardziej przemawia do mnie ten R9, a najbardziej nieodpowiednia aplikacja NE5534 smd. Niestety, z powodu braku czasu mogę Wam teraz tylko kibicować i od czasu do czasu wtrącić swoją uwagę.
25-01-2015 22:08
Znajdź wszystkie posty użytkownika Odpowiedz cytując ten post
SP9LVZ Offline
Piotr
*****

Liczba postów: 814
Dołączył: 13-01-2015
Post: #14
RE: Składamy wzbudnicę SSB G4CLF
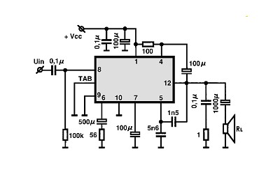
Wartość C 27 wpływa na dwie rzeczy:
- pasmo przenoszenia (10nF będzie na pewno obcinał niskie tony a podbijał wyższe i szumy)
- siłę sygnału odsłuchu (przy 100nF będzie silniejsze wysterowanie wzmacniacza TBA810)

Ja na pewno dam 100nF bo patrzę na typowe aplikacje TBA810, a nie na schemat Plesseya G4CLF, który stosował inny układ wzmacniacza m.cz.


Oczywiście wartość tego kondensatora prawdopodobnie nie będzie przyczyną problemu i jakim pisze Mietek. Trzeba sprawdzić wpierw parametry pracy NE5534 na nóżce (6).
Poza tym jak się zachowuje cały układ można wywnioskować dopiero po uruchomieniu całości ukąłdu.


Załączone pliki Miniatury
İmage
25-01-2015 22:41
Odwiedź stronę użytkownika Znajdź wszystkie posty użytkownika Odpowiedz cytując ten post
bolanren Offline
Jerzy SP5RZM
****

Liczba postów: 434
Dołączył: 10-04-2011
Post: #15
RE: Składamy wzbudnicę SSB G4CLF
Myślę, że Koledzy pewnie już dawno to zrobili ale na wszelki wypadek zamieszczam do porównań aplikacje i datasheet uA 741 smd , NE5534 smd oraz TBA810S.

sp5rzm Jerzy


Załączone pliki
.pdf  ua741.pdf (Rozmiar: 493.73 KB / Pobrań: 1520)
.pdf  NE5534 smd datasheet.pdf (Rozmiar: 165.85 KB / Pobrań: 1616)
.pdf  TBA810S.pdf (Rozmiar: 646.08 KB / Pobrań: 1448)
26-01-2015 1:13
Znajdź wszystkie posty użytkownika Odpowiedz cytując ten post
SP9LVZ Offline
Piotr
*****

Liczba postów: 814
Dołączył: 13-01-2015
Post: #16
RE: Składamy wzbudnicę SSB G4CLF
Jeszcze jedna moja uwaga przy uruchamianiu płytki poszczególnymi blokami: by uruchomić przedwzmacniacz na U6 czy uA741 czy zamiennie NE5534, muszą być wlutowane wszystkie elementy polaryzujące ten układ tj. tranzystor Q5 2N3904 oraz układ U4 SL1640C i elementy z nimi związane, z uwagą odnośnie R9 (przy SL1640C nie lutuje się go). Wzmacniacz operacyjny U6 ma ustalany punkt pracy po stronie niecięcia stałego z SL1640C poprzez tranzystor 2N3904, więc nie da się go uruchomić samodzielnie, bez elementów poprzedzających go.

Od razu zwracam uwagę też na TR1 i TR2 przy wzmacniaczu dwukierunkowym na J310 bo na schemacie nie ma opisów jak je zrobic. TR1 ma przekładnię 1:9, a TR2 1:1. Proponowane ilości zwoi do nawinięcia na ferrytach dwu otworowych BN-43-202: TR1 - 2 zw/6zw (dwa zwoje od strony mieszacza diodowego) oraz TR2 - 6 zw/6zw.
(Ten post był ostatnio modyfikowany: 26-01-2015 9:09 przez SP9LVZ.)
26-01-2015 9:07
Odwiedź stronę użytkownika Znajdź wszystkie posty użytkownika Odpowiedz cytując ten post
SP5HBT Offline
Użytkownik
***

Liczba postów: 154
Dołączył: 04-12-2014
Post: #17
RE: Składamy wzbudnicę SSB G4CLF
Witam szanowne grono użytkowników a może nawet miłośników układów i rozwiązań firmy Plessey.
Mam już co nieco doświadczeń z tą firmą i jej sprzętem począwszy od chłopięcych lat kiedy to jako uczeń technikum elektrycznego w klubie krókofalowców dzieliliśmy się wrażeniami oglądając małe broszurki firmy Plessey z dziwnie prostymi rozwiązaniami układowymi dla krótkofalowców. Wtedy zachorowałem na chęc posiadania sprzętu lub chociaż zrobienia "wzbudnicy" opartej o układy Plessey.
Przez jakieś 30 lat choroba się tliła i zżerała organizm aż tu kilka lat temu objawiła się z nową siłą i lekarstwa jak sie okazało stały się bardziej dostępne.
Teraz mam kilka profesjonalnych sprzętów Plesseya. Popełniłem wzbudnicę G4CLF
wykonując płytkę metodą żelazkową bo elementy zgromadziłem przez kilka lat polowań na EBay i polskich aukcjach oraz sklepach internetowych.
Ruszyła praktycznie z marszu po zakończeniu montażu.
Jako, że można powiedzieć, że w związku wieloma latami hobby elektronicznego i jakieś tam studia skończyłem to co nieco w elektronice kumam i rozumiem z grubsza co i jak działa więc nowa płytka Jerzego nie stanowi dla mnie czarnej magii.
Problem stanowi ciekawość i pośpiech w montażu a nie inżynierskie podejście do projektu, które to pierwsze wyklucza.
Montaż SMD dość utrudnia dobieranie elementów tam gdzie to potrzebne a w moim przypadku to było potrzebne.
Uruchamiając moją płytkę "od tyłu" miałem i sukcesy o ile sukcesem można nazwać polutowanie wzmacniacza na NRD-owskim A210K jak i porażki.
Oczywiście przed uruchomieniem stopnia z filtrem NE5534 i 2N3904 zrobiłem
generatory BFO i demodulator na SL1640 (bez opornika R9). Jako tranzystory użyłem BF545 odwrócone do góry nogami bo mają inaczej wyprowadzone źródło i dren niż tranzystory zaproponowane przez Jerzego.
Napięcia stałe na wejściach NE5534 równe 1/2 zasilania. Sprawdzenie na ucho kawałka od wejścia dekodera do głośnika przez włączanie BFO i zewnętrznego generatora ( 1mV 9MHz) dawało przyjemny pisk 1.5 kHz.
Tak więc polutowałem resztę układu i trafiłem na problem różnicy druku i nóżek diod przełączających wzmacniacz dwukierunkowy.
Obejściem tego jest obrócenie o 120 stopni obudowy sot23 i podgięcie nóżek aby zmieścić się w polu lutowniczym.
To co muszę poprawić to wspomniany wcześniej stopień filtra przedwzmacniacza mcz. Na ucho tłumni sygnał jakieś 10 razy zamiast wzmacniać 10 razy.
Ale go pokonam. Nic się nie dzieje bez powodu.

Mietek SQ5PTQ ex SP5HBT ex SP6HBT
26-01-2015 15:22
Znajdź wszystkie posty użytkownika Odpowiedz cytując ten post
SP9LVZ Offline
Piotr
*****

Liczba postów: 814
Dołączył: 13-01-2015
Post: #18
RE: Składamy wzbudnicę SSB G4CLF
Witaj, napisz jak sprawdzasz porównując to czy NE5534 wzmacnia czy tłumi???
Jak nie ma błędu w montażu, to zrób taką próbę - dolutuj równolegle do kondensatora C27 (na schemacie 10 nF) kondensator 100 nF i sprawdź jeszcze raz.
26-01-2015 15:40
Odwiedź stronę użytkownika Znajdź wszystkie posty użytkownika Odpowiedz cytując ten post
SP5HBT Offline
Użytkownik
***

Liczba postów: 154
Dołączył: 04-12-2014
Post: #19
RE: Składamy wzbudnicę SSB G4CLF
W kwestii kondensatora na wejściu TBA810 to lepiej dać 100nF niż 10nF a nawet tak do 0.5uF nic się nie stanie.
Xc dla 100Hz przy 10nF to ok 160k Omów. Ri scalaka to 5M Omów ale na wejściu
jest opornik 100k Omów. Dzielnik da około (z bardzo dużym przyblżeniem) spadek sygnału ok 3-4dB czyli o połowę. Ale po co komu 100Hz?
Xc dla 1kHz to już tylko 16kilo a to spadek o 1dB czyli do pominięcia.

Xc dla 100nF i 1kHz to tylko 1.6 kilo czyli zupełnie do pominiecia.
A że od góry scalak przenosi dużo wiecej to filtr na Q5 się przyda bo tor na sl1612
sporo przeniesie.

Mietek
W kwestii mieszacza.
W moim egzemplarzu użyłem MCL SBL-1.
Uwaga, płytka Jerzego dla tego typu mieszacza wymaga odizolowania pinu nr 4 od masy bo mieszacz wymaga (podobie jak kilka innych typów) zewnętrznego połączenia pinów 3 i 4.

Mietek
(Ten post był ostatnio modyfikowany: 26-01-2015 16:11 przez SP5HBT.)
26-01-2015 16:05
Znajdź wszystkie posty użytkownika Odpowiedz cytując ten post
SP9LVZ Offline
Piotr
*****

Liczba postów: 814
Dołączył: 13-01-2015
Post: #20
RE: Składamy wzbudnicę SSB G4CLF
Filtr przedwzmacniacza jest zrealizowany na 2N3904, natomiast U6 (NE5534) działa jako wtórnik, więc w najgorszym przypadku nie powinien tłumić. Wejście na U6 jest na nóżkę 3 (wejście -), gdyby było na nóżkę 2 (wejście +) to maiłby większe wzmocnienie. Autor miał zatem coś innego na myśli niż tylko jako układ wzmacniacza.
Dlatego pisałem już wcześniej że w następnej wersji płytki proponował bym zmienić tą część układu.
Kolejny temat to wzmacniacz rewersyjny na MMBFJ310. Chodzi o dwie kwestie: grzanie się tranzystorów, czyli punkt pracy i zastosowanie elementów smd, w tym dwóch łączonych równolegle MMBFJ310.
Jerzy poprosił, bym korespondencje z maila do niego dał też tu, więc w skrócie kopiuję:

Prąd Ids J310 zależy od polaryzacji G i napięcia zasilania, MMBFJ310 jest w tym układzie z zerową polaryzacją bramki Ugs=0V i jego prąd Ids wynika w takim układzie tylko z fabrycznej charakterystyki pracy tranzystora. Przy zasilaniu Uds około 5V prąd Ids osiąga już około 24 mA, co jest wystarczające by wzmacniacz miał dużą odporność intermodulacyjną. Nie potrzeba więc wyżej podnosić jego napięcia zasilania np. powyżej 6V. Wzrost napięcia zasilania powoduje tylko wzrost strat mocy na tranzystorze i jego efekt grzania się (wydzielana moc rośnie z kwadratem wzrostu napięcia - jak podniesiemy napięcie na nim x 2 (z 6V na 12V) to wydzielana w nim moc wzrośnie 4 x). W załączaniu charakterystyka prądowa J310. Jeśli zasilimy je przez stabilizator 6V to oczywiście odbędzie się to kosztem starty mocy na stabilizatorze napięcia, ale wydaje mi się to korzystniejsze niż podgrzewanie J310, co może mieć wpływ na jego parametry szumowe (pogarsza) i możliwość spalenia go.

Dodatkowo chodzi o to, że J310 w obudowie SOT-23 (smd) mają moc strat 350mW, a te co stosowane w starej wersji płytki w obudowie TO-92 (przewlekane) mają 600 mW, dlatego wolę stosować tranzystory przewlekane w tych układach, bo są odporniejsze na przeciążenie.

Policzmy: warunki pracy dla J310 przy 12V. 12 V x 30 mA (prąd może osiągać przy 12V nawet większą wartość) = 360 mW, pomijam moc oddawaną do dalszych torów bo jest znikoma w stosunku do mocy strat. Czyli te w obudowie SOT-23 są na granicy wytrzymałości start. Jeśli komuś odparują to nie będę się dziwił. A przy zasilaniu 6V, 6 V x 24 mA = 144 mW. Jeśli zastosujemy w obudowie TO-92 mamy zawsze zapas mocy strat tranzystora bez względu na napięcia zasilania.
Jest więc automatycznie uwaga o do zmiany płytki, przeprojektować ten obwód na zasilanie 6V jeśli J310 jest wersji TO-92.

W tym miejscu Jerzy odpowiedział, że autor płytki dał 2 MMBFJ310 żeby się nie grzały....

Zastosowanie w tym miejscu dwóch połączonych równolegle MMBFJ310 nic kompletnie nie wpływa na ten problem wydzielania się ciepła przez stratę mocy w tranzystorach MMBFJ301. Jeśli projektant płytki to tak wymyślił w kwestii mocy tranzystorów, to popełnił błąd. Prąd Ids 24 mA opisany wyżej nie rozpłynie się na dwa tranzystory, każdy z tranzystorów będzie pracował z taki prądem jaki wynika z jego charakterystyki! czyli cały obwód będzie pobierała 48 mA! Wystarczy prześledzić schemat pod kątem prądu stałego. Oczywiście dwa równolegle tranzystory w tym miejscu mają swoje znaczenie dla pracy układu jako wzmacniacz w.cz., tj. mogą poprawić właściwości dynamiczne wzmacniacza i myślałem, że o to wam chodziło - po prostu w obwodzie wzmacniacza płynie dwukrotnie większy prąd (2 x 24 mA), ale, ale .....ma to wpływ prace obwodów L1 i L2 (prądy stałe nasycenia rdzenia, które mogą pogorszyć jego pracę - pogorszenie IMD3 lub wręcz przestaną pracować!). Przykładowo - mam fabryczne transformatorki T9-1 (przełożenie 9:1) które mógłbym zastosować, ale one mają dopuszczalny prąd katalogowy DC 30mA. W związku z tym mógłbym zastosować tylko jeden J310 lub muszę nawijać własne trafa na rdzeniach BN-43-202. Diody MMBV3700 mają akurat większy dopuszczalny prąd przewodzenia więc z nimi nie powinno być problemu.

Będzie można to sprawdzić co pisze, po uruchomieniu tego stopnia, że te tranzystory będą się tak samo grzały jak są dwa ja i gdyby był jeden. Jak będą wlutowane dwa, dobrze by było jakby były o tych samych charakterystykach, ale nie koniecznie. Sprawa zmniejszenia mocy strat jest możliwa tylko przez obniżenie napięcia, bo chcemy by prądy Ids zostały niezmienione.

Jak widać przeprojektowanie obwodów w.cz. na inne elementy nie jest
takie proste i trzeba wziąć pod uwagę wiele czynników.


Załączone pliki Miniatury
İmage
(Ten post był ostatnio modyfikowany: 26-01-2015 16:50 przez SP9LVZ.)
26-01-2015 16:50
Odwiedź stronę użytkownika Znajdź wszystkie posty użytkownika Odpowiedz cytując ten post
Odpowiedz 


Skocz do:


Użytkownicy przeglądający ten wątek: 6 gości