Odpowiedz 
 
Ocena wątku:
  • 6 Głosów - 4 Średnio
  • 1
  • 2
  • 3
  • 4
  • 5
Fork-Heńka... czyli jak sobie poradzić z DDS za pomocą ARDUINO
SP7EZG Offline
Artur
***

Liczba postów: 198
Dołączył: 06-12-2015
Post: #231
RE: Fork-Heńka... czyli jak sobie poradzić z DDS za pomocą ARDUINO
Czy przy którejś wersji rozwojowej powstał program z obsługą LCD 2x16 ?

Pytam, bo założyłem takie rozwiązanie u siebie, a nie mogę poradzić sobie z S Metrem...
27-12-2015 0:15
Znajdź wszystkie posty użytkownika Odpowiedz cytując ten post
SQ9MDD Offline
Rysiek
****

Liczba postów: 380
Dołączył: 01-02-2009
Post: #232
RE: Fork-Heńka... czyli jak sobie poradzić z DDS za pomocą ARDUINO
Była wersja pod LCD 2x20 z tego co pamiętam, bo dawno tam nie zaglądałem. Chyba tam nie było s-metra jeszcze...
Będziesz to rozwijał?


Załączone pliki
.rar  zlomek_1_1_5.rar (Rozmiar: 3.21 KB / Pobrań: 1140)
.rar  zlomek_1_1_4.rar (Rozmiar: 2.82 KB / Pobrań: 1063)

...przede wszystkim nie zakłócać...
27-12-2015 12:36
Odwiedź stronę użytkownika Znajdź wszystkie posty użytkownika Odpowiedz cytując ten post
SP7EZG Offline
Artur
***

Liczba postów: 198
Dołączył: 06-12-2015
Post: #233
RE: Fork-Heńka... czyli jak sobie poradzić z DDS za pomocą ARDUINO
Obawiam się, że za głupi na to jestem.

Obsługę Si5351 mam "napisaną" (posklejaną z innych programów) natomiast nie mam pojęcia właśnie, jak rozwiązać Smeter i przełączanie zakresów, bo z sygnalizacją Tx/Rx sobie chyba poradzę, ale z tymi dwoma kwestiami będę musiał powalczyć.

W załączeniu mój sketch. Tak jak mówię, cały kod to twór kolegów NT7S, SQ9NJE i AK2B

Próbowałem ostatnio uruchomić Smetr korzystając z LCD Bargraph, ale w Kacperku napięcie pojawiające się na wyjściu ARW (Do Smetra) jest bardzo niewielkie, i standardowa obsługa ADC nie pokazuje nic.

Oczywiście cały trx jest jeszcze płytką na biurku w trakcie budowy, więc po prosu kombinuję.
(Ten post był ostatnio modyfikowany: 27-12-2015 15:39 przez SP7EZG.)
27-12-2015 15:39
Znajdź wszystkie posty użytkownika Odpowiedz cytując ten post
SQ6IYY Offline
miso(michal]
***

Liczba postów: 157
Dołączył: 21-09-2009
Post: #234
RE: Fork-Heńka... czyli jak sobie poradzić z DDS za pomocą ARDUINO
Witam plitky dotarte na początek kilka zdjęcia pierwszych egzemplarzy
Na początek prosty kod do sprawdzania komunikacji I2C i Si5351 a dalej po kolei
ATT , NOTCH , BAND i kilka pinu wolnich od wyboru do koloru

i następne


Załączone pliki Miniatury
İmage İmage

Nie otrzymasz koni wyścigowych krzyżując dwa osły
(Ten post był ostatnio modyfikowany: 22-01-2016 15:26 przez SQ6IYY.)
22-01-2016 13:44
Znajdź wszystkie posty użytkownika Odpowiedz cytując ten post
SQ6IYY Offline
miso(michal]
***

Liczba postów: 157
Dołączył: 21-09-2009
Post: #235
RE: Fork-Heńka... czyli jak sobie poradzić z DDS za pomocą ARDUINO
Witam ponownie z polu prób błędu i nie wiem czego nie ...No i stało się
Heniek i Zlomek razem na tej samej platformie (PCB) i Si5351
İmage
na drugim obrazku freq x 4
İmage
W Piątek na spotkaniu krótkofalowcu w Bolesławcu pierwsze płytki dostałe są nowych opiekun mam nadzieje ze szybko w Lidii lub Taurusu a jedna w
Piligrimie zagadają na pasmie . Na PCB zostały załadowane kody złomka 1.0.16 z kodem do Si5351 zamiast AD9850 w Heńku zrobiłem coś podobnie. Dodatkowe piny można wykorzystać wg. uznania.
İmage

Nie otrzymasz koni wyścigowych krzyżując dwa osły
21-02-2016 15:52
Znajdź wszystkie posty użytkownika Odpowiedz cytując ten post
SP5HBT Offline
Użytkownik
***

Liczba postów: 154
Dołączył: 04-12-2014
Post: #236
RE: Fork-Heńka... czyli jak sobie poradzić z DDS za pomocą ARDUINO
Ładny projekt.
Gratuluję zapału i osiągniętych efektów.
Czy jest szansa na płytkę ze wsadem?
Jeżeli tak to bym postarał się użyć ten układ do projektu
transceivera na układach Plessey.

73, Mietek
21-02-2016 17:37
Znajdź wszystkie posty użytkownika Odpowiedz cytując ten post
SQ6IYY Offline
miso(michal]
***

Liczba postów: 157
Dołączył: 21-09-2009
Post: #237
RE: Fork-Heńka... czyli jak sobie poradzić z DDS za pomocą ARDUINO
No tak zarzuciłem przynętę i czekam że bi się spławik ruszył ,spławik w tym przypadku temat o syntezie Zlomek lub Heniek plus AD9850 (Si5351) od razu się przyznam schematu niema ale jest typowa aplikacja za pojedyncze zespoły
si5351
İmage
schemat z strone SQ9NJE
reszta to jest typowi Arduino pro mini 5V 16 MHZ
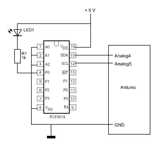
na jednej plytce z Si5351 i PCF8574
jak na przykład
İmage
z drugie stronę PCB 3x stabilizatory 5V i 2x 3V3 plus C i R rezystory od 0R do 10K zalecano co maja robić ogranicza prąd lub tylko spolaryzować pin we wy
C jak powinno 100nF do blokady pinu (A0,A1,100nF do masy ) a reszta pinu do blokady po potrzeby
Na temat Kodu jest to MIX co się morze znaleźć w a temat Si5351 , DDS i moja próba powiązania w jedno całość na miarę moje wiedze (jest miesza od Zera) Dopisałem lub przepisałem kilka linijek z ruznich projektu
od SQ9NJE projekt syntezę do SDR
Teensy SDR świetni projekt
MultiFeaturedVFO
i mnóstwo innych co się nie przypominam nazwę a warto ich przestawić
Osobiście jestem zwolennikiem Złomka i jego kompilacji a pełen podziwu dla Macka SP9MRN i jego kodu Henkia za tego się starałem na jednej płytce uwzględnić dwa projekty
Moj projekt Zlomka ma zalozenie sterowanie BAND , ATT Preamp ,notch ,USB/LSB /CW
i kilka pinu jest wolne do kombinowania
i podpiąc do Husarka i SMD Piligrima
İmage
Na koniec podam z powodu techniczni produkcji musiałem zamówić ponad 40 plytek (min. 10 dm2) większość pójdę na sprzedaż jak gotowe moduły z moją kompilacjom Złomka a każdy może rozwijać dalej program według własnej wiedzy lub potrzeb
pozdrawiam

Nie otrzymasz koni wyścigowych krzyżując dwa osły
21-02-2016 20:24
Znajdź wszystkie posty użytkownika Odpowiedz cytując ten post
SP9MRN Offline
MAc
*****

Liczba postów: 822
Dołączył: 29-08-2009
Post: #238
RE: Fork-Heńka... czyli jak sobie poradzić z DDS za pomocą ARDUINO
1. mini 3.3v znacząco upraszcza sprawę konwersji poziomów logicznych dla wyświetlacza i Si

Maciek
22-02-2016 13:33
Odwiedź stronę użytkownika Znajdź wszystkie posty użytkownika Odpowiedz cytując ten post
SQ6IYY Offline
miso(michal]
***

Liczba postów: 157
Dołączył: 21-09-2009
Post: #239
RE: Fork-Heńka... czyli jak sobie poradzić z DDS za pomocą ARDUINO
Witam Maciek
tak to prawda ale posiadam mini 5v i pod taki płytkę robiłem.
Miejsca na płytce jest dużo kilka rezystor 2x tranzystor i stabilizator 3v3 się zmieściło bez problemu

Nie otrzymasz koni wyścigowych krzyżując dwa osły
(Ten post był ostatnio modyfikowany: 22-02-2016 19:04 przez SQ6IYY.)
22-02-2016 19:03
Znajdź wszystkie posty użytkownika Odpowiedz cytując ten post
SP9MRN Offline
MAc
*****

Liczba postów: 822
Dołączył: 29-08-2009
Post: #240
RE: Fork-Heńka... czyli jak sobie poradzić z DDS za pomocą ARDUINO
ok

MAc
22-02-2016 23:29
Odwiedź stronę użytkownika Znajdź wszystkie posty użytkownika Odpowiedz cytując ten post
Odpowiedz 


Skocz do:


Użytkownicy przeglądający ten wątek: 2 gości