Odpowiedz 
 
Ocena wątku:
  • 6 Głosów - 4 Średnio
  • 1
  • 2
  • 3
  • 4
  • 5
Fork-Heńka... czyli jak sobie poradzić z DDS za pomocą ARDUINO
R0SAX Offline
Nowicjusz
*

Liczba postów: 13
Dołączył: 07-01-2015
Post: #211
RE: Fork-Heńka... czyli jak sobie poradzić z DDS za pomocą ARDUINO
(12-02-2015 17:44)SQ3PJV napisał(a):  Обычно они представляют собой стандартные Arduino шагов, которые вы можете прочитать в сети на вашем языке.
Я Вас понял, это те библиотеки которые расположены на первых страницах этой ветки в виде ZIP fils. Спасибо, буду разбираться.
12-02-2015 18:04
Znajdź wszystkie posty użytkownika Odpowiedz cytując ten post
SQ3PJV Offline
Darek
**

Liczba postów: 73
Dołączył: 08-04-2012
Post: #212
RE: Fork-Heńka... czyli jak sobie poradzić z DDS za pomocą ARDUINO
Удачи, напишите, что вы будете иметь результаты.

Darek
12-02-2015 18:17
Znajdź wszystkie posty użytkownika Odpowiedz cytując ten post
R0SAX Offline
Nowicjusz
*

Liczba postów: 13
Dołączył: 07-01-2015
Post: #213
RE: Fork-Heńka... czyli jak sobie poradzić z DDS za pomocą ARDUINO
(12-02-2015 18:17)SQ3PJV napisał(a):  Удачи, напишите, что вы будете иметь результаты.
Спасибо Вам Олег еще раз, я победил arduino Big Grin подробности уже завтра (у меня уже 3 часа ночи Smile )

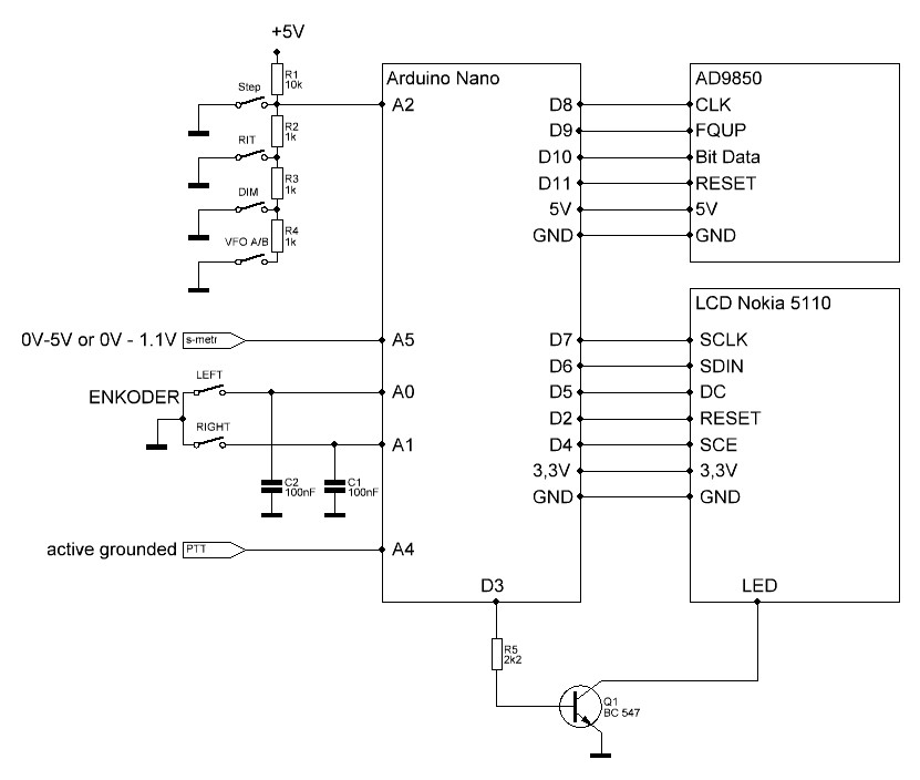
Всем привет! Ардуино я вчера победил Smile, очень много нервов на это потратил Smile. Но теперь вот какая проблема, на выходе ZOUT2 AD9850 нет сигнала синусоиды Huh , не могу понять в чем проблема. Может кто-то может подсказать, где искать проблему? У меня подозрение, что AD9805 прислали не исправную Sad. Схема по которой собирал во вложении.


Załączone pliki Miniatury
İmage
(Ten post był ostatnio modyfikowany: 13-02-2015 7:51 przez R0SAX.)
12-02-2015 20:47
Znajdź wszystkie posty użytkownika Odpowiedz cytując ten post
SQ3PJV Offline
Darek
**

Liczba postów: 73
Dołączył: 08-04-2012
Post: #214
RE: Fork-Heńka... czyli jak sobie poradzić z DDS za pomocą ARDUINO
Здравствуйте, вы, возможно, захотите, чтобы дать фильтр на выходе, посмотреть, как другие используют AD9850 в их RTX. 9850 является контроль выходной модуль
форма производства и уровень



Panowie do odpowiedzi do tablicy !!


Załączone pliki Miniatury
İmage

Darek
(Ten post był ostatnio modyfikowany: 13-02-2015 11:47 przez SQ3PJV.)
13-02-2015 11:16
Znajdź wszystkie posty użytkownika Odpowiedz cytując ten post
R0SAX Offline
Nowicjusz
*

Liczba postów: 13
Dołączył: 07-01-2015
Post: #215
RE: Fork-Heńka... czyli jak sobie poradzić z DDS za pomocą ARDUINO
(13-02-2015 11:16)SQ3PJV napisał(a):  Здравствуйте, вы, возможно, захотите, чтобы дать фильтр на выходе, посмотреть, как другие используют AD9850 в их RTX. 9850 является контроль выходной модуль
форма производства и уровень

Здравствуйте Олег, я купил вот такой модуль http://www.sunrom.com/p/ad9850-dds-signa...le-0-40mhz но выхода сигнала с него нет. я не могу понять где у меня ошибка.
У меня получилось Smile в общем модуль ad9850 был не исправный, я просто пропаял микросхему и он ожил Smile
(Ten post był ostatnio modyfikowany: 13-02-2015 15:11 przez R0SAX.)
13-02-2015 11:26
Znajdź wszystkie posty użytkownika Odpowiedz cytując ten post
R0SAX Offline
Nowicjusz
*

Liczba postów: 13
Dołączył: 07-01-2015
Post: #216
RE: Fork-Heńka... czyli jak sobie poradzić z DDS za pomocą ARDUINO
Добрый вечер господа радиолюбители, хочу всех по благодарить, теперь и у меня есть ZlomekSmile я уже подключил его к Bitx 20 для теста.
15-02-2015 18:20
Znajdź wszystkie posty użytkownika Odpowiedz cytując ten post
SQ3PJV Offline
Darek
**

Liczba postów: 73
Dołączył: 08-04-2012
Post: #217
RE: Fork-Heńka... czyli jak sobie poradzić z DDS za pomocą ARDUINO
Очень здорово, почему вы не размещены фотографии ваших "Mater"

Darek
15-02-2015 21:09
Znajdź wszystkie posty użytkownika Odpowiedz cytując ten post
R0SAX Offline
Nowicjusz
*

Liczba postów: 13
Dołączył: 07-01-2015
Post: #218
RE: Fork-Heńka... czyli jak sobie poradzić z DDS za pomocą ARDUINO
Конечно, вот фото моего синтезатора Smile это мой первый опыт работы с микроконтроллерами, обычно я люблю собирать схемы на радиолампах, желательно с низким анодным напряжением. Мой кот тоже любит радиолампы Big Grin


Załączone pliki Miniatury
İmage İmage
17-02-2015 13:52
Znajdź wszystkie posty użytkownika Odpowiedz cytując ten post
SQ3PJV Offline
Darek
**

Liczba postów: 73
Dołączył: 08-04-2012
Post: #219
RE: Fork-Heńka... czyli jak sobie poradzić z DDS za pomocą ARDUINO
Поздравляю.
  Вы пытались изменить контрастность "LCD" в программе?
Вчера был день кошачьего мира. Ваша кошка не удивлен, что это не такая плохой свет и печка, и кошки любят тепло :)

Darek
17-02-2015 15:48
Znajdź wszystkie posty użytkownika Odpowiedz cytując ten post
R0SAX Offline
Nowicjusz
*

Liczba postów: 13
Dołączył: 07-01-2015
Post: #220
RE: Fork-Heńka... czyli jak sobie poradzić z DDS za pomocą ARDUINO
(17-02-2015 15:48)SQ3PJV napisał(a):  Поздравляю.
  Вы пытались изменить контрастность "LCD" в программе?
Вчера был день кошачьего мира. Ваша кошка не удивлен, что это не такая плохой свет и печка, и кошки любят тепло Smile

Спасибо! нет я не изменял контрастность LCD, это наверно так снимок получился, я еще не снимал защитную пленку с LCD наверно по этому кажется что очень контрастно.
Всем привет! Подскажите как узнать количество импульсов энкодера? Я прикупил энкодер R 182 а даташит не могу к нему найти. Проблема в том что иногда при вращении энкодера частота проскакивает.
(Ten post był ostatnio modyfikowany: 19-02-2015 8:36 przez R0SAX.)
17-02-2015 16:08
Znajdź wszystkie posty użytkownika Odpowiedz cytując ten post
Odpowiedz 


Skocz do:


Użytkownicy przeglądający ten wątek: 3 gości