Zgadzam się z Tezom kolegi SQ9JXT.
W moim przypadku napięcie pomiędzy przewodem PE sieci energetycznej a uziemieniem podłączonym
do Bednarki zakopanej poza budynkiem osiągało nawet 14v.
Ujawniło zły stan styków w pływnicy i wad konstrukcyjnych.
Brakuje połączeń pionów wodnych i td... .
Samoistnie nasuwa sie wniosek, jeśli któryś z sąsiadów wpadnie
na cudowny pomysł podłączenia instalacji - CO, WODNEJ, GAZ - jako styk
" N " przy próbach nie legalnego poboru energii.
Co się stanie po kradzieży części kabli wyrównawczych ?
Moc zacznie płynąć do mojego punktu zbiorczego w domu !
Dlatego zapobiegawczo zasilanie 230v styk PE podłączony został do transformatora zasilacza 13.8v i zasilacza 50v. Inf. zasil. EQ,DSP posiada
Trafo.
Producent zasilacza 50v przewidział taką prace wykonując odpowiednio obudowę .
Obudowa typu Rack19" ,TRX i EQ są spięte przewodem uziemienia w jeden punkt podłączony do Bednarki .
Oczywiście ideałem było by podłączenie się do punktu zbiorczego budynku, TU takich rzeczy nie ma !(blok)
(09-01-2013 9:23)SP9FKP napisał(a): Wykonanie własnego uziemienia może jeszcze uwypuklić problem bo prawdopodobnie popłynie prąd wyrównawczy, który na rezystancji przewodów spowoduje dodatkowe napięcia zakłócające. Dlatego moim zdaniem dobrym rozwiązaniem jest zastosowanie listwy zbiorczej uziemieni/zerowania i krótkie podłączenie do niej poszczególnych elementów systemu i i wspólne podłączenie do źródła zasilania. W skrajnych przypadkach trzeba zastosować separację galwaniczną (transformatory) i obowiązkowo wejścia/wyjścia symetryczne.
Tak przy TRX 10w do 100w. 
Dokonaj pomiaru Amperomierzem W.CZ w czasie pracy Mik+ EQ+ TRX+ QRO a PE-sieci ?????????????
Polecam forum -
http://www.engineeringradio.us/blog/tag/audio/
Polecam instr.waszych TRX .temat GND.
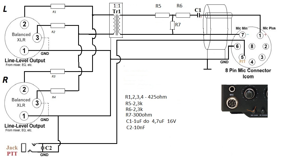
RYSUNEK 1

Według was -
PE sieci 230v wystarcza.
Przykłdu SP2LTR -
nawet krytyki nie kometuje.
Koledzy upominam tematem jest : " HiFI-SSB dla praktyków". (audio)
Założyłem ten post dla PRAKTYKÓW AUDIO.
Proszę o umieszczanie tylko konkretnych przykładów podłączenia urządzeń peryferyjnych audio (mik) do TRX , nie sposobów zasilania 230V.
OCZYWIŚCIE ZASILANIE 230V JEST BARDZO WAŻNE .
Temat zasługuje na odmienny post na tym forum.
Proszę kolegów o założenie nowego tematu.
p/s. Koledzy gdzie na jakim paśmie można usłyszeć wasz sygnał "HI FI" gdzie gdzie gdzie ..............