Odpowiedz 
 
Ocena wątku:
  • 5 Głosów - 2.6 Średnio
  • 1
  • 2
  • 3
  • 4
  • 5
Tiny DDS bis
SP6FRE Offline
Leszek
****

Liczba postów: 737
Dołączył: 20-09-2009
Post: #1
Tiny DDS bis
W nawiązaniu do mojej pierwszej konstrukcji DDS-a o nazwie Tiny DDS oraz wstepnych informacji z wątku dotyczącego transceivera cw spróbuję opisać konstrukcję generatora heterodyny dla różnych konstrukcji amatorskich.
Chciałbym aby generator był w miarę uniwersalny a jednocześnie prosty. Jego podstawą będzie gotowy moduł DDS oparty o układ AD9850. Pomysł użycia tego układu pochodzi od Jarka (SP3SJW - Jarku jeszcze raz dziękuję za inspirację). Dziś właśnie zamówione układy dotarły do mnie z Chin co trwało od zapłaty 15 dni. Cena to ok. 25PLN z przesyłką więc niższa niż cena dowolnie prostego chip-a DDS firmy AD.
Moduł DDS-a może być programowany szeregowo lub równolegle, ja użyje metody szeregowej bo przydadzą się piny procesora na sygnały sterujące. Podstawowe założenia dla układu DDS, któremu chcę nadać nazwę Tiny DDS bis (ze względu na względnie prostą konstrukcję) to:
- częstotliwość do ok. 60MHz
- wyświetlacz 2x16
- sterowanie za pomocą prostego impulsatora z przełączaniem kroku strojenia (np. 10Hz, 100Hz, 1k, 10k, 100k, 1M)
- dwie przełączane częstotliwości VFO z możliwością pracy jako BFO
- kilka (np. 5-10 pamięci częstotliwości)
- możliwość uwzględnienia częstotliwości pośredniej zarówno w częstotlliwości wyjściowej jak i w wyniku na wyświetlaczu
- opóźnienie przy przejściu na odbiór podczas pracy CW
- przełącznik cw, usb, lsb (2 bity)
- dekadowy przełącznik pasm (0-1, 1-2, 2-4, 4-8, 8-16, 16-32, >32 na trzech bitach i/lub z dekoderem binarno dziesiętnym)
- wskaźnik wysterowania (ARW, mocy)
Konstrukcja mechaniczna będzie zbliżona do cytowanej wcześniej konstrukcji Tiny DDS z pięcioma klawiszami sterującymi tak aby można było generator z wyświetlaczem zamontować na płycie czołowej urządzenia. Na zdjeciach pokazałem przybliżony wygląd układu Tiny DDS bis oraz moduł jaki będzie jego "sercem"
To chyba wszystko, może uda się coś zredukować ;-)
L.J.


Załączone pliki Miniatury
İmage İmage
05-06-2012 22:36
Odwiedź stronę użytkownika Znajdź wszystkie posty użytkownika Odpowiedz cytując ten post
SP9FKP Offline
Piotr
*****

Liczba postów: 1,287
Dołączył: 28-06-2009
Post: #2
RE: Tiny DDS bis
Przydałby się jeszcze CAT.
06-06-2012 6:29
Znajdź wszystkie posty użytkownika Odpowiedz cytując ten post
SP6FRE Offline
Leszek
****

Liczba postów: 737
Dołączył: 20-09-2009
Post: #3
RE: Tiny DDS bis
Przepraszam, że nie wiem o co chodzi z CAT-em :-(, mam już swoja lata a to pewnie jakiś współczesny dodatek do klasycznej funkcjonalności takiego generatora ;-)
Chętnie się jednak dowiem. Ponieważ zamierzam zastosować procesor z 16kB pamięci to na pewno będzie miejsce na dodatkowe oprogramowanie bo na to co już wyliczyłem prawdopodobnie potrzeba 8kB.
L.J.
(Ten post był ostatnio modyfikowany: 06-06-2012 8:42 przez SP6FRE.)
06-06-2012 8:42
Odwiedź stronę użytkownika Znajdź wszystkie posty użytkownika Odpowiedz cytując ten post
SP9FKP Offline
Piotr
*****

Liczba postów: 1,287
Dołączył: 28-06-2009
Post: #4
RE: Tiny DDS bis
CAT (Computer Aided Transceiver) to łącze do komputera umożliwiające zdalne nastawy i odczyt stanu transiwera. Najczęściej przez port RS232 lub inne firmowe sprzęgi. Przydatne do współpracy z programami logującymi i DX-Clusterem.
06-06-2012 8:58
Znajdź wszystkie posty użytkownika Odpowiedz cytując ten post
SP6FRE Offline
Leszek
****

Liczba postów: 737
Dołączył: 20-09-2009
Post: #5
RE: Tiny DDS bis
W takim razie nie będzie problemu bo zamierzałem również wprowadzić na płytkę łącze RS a o czym zapomniałem napisać w zestawie funkcjonalności. Ta funkcjonalność powinna mieć pewnie charakter dwustronny i zapewne istnieje protokół dla CAT więc na razie zapewnię sprzętowe warunki do jej realizacji.
L.J.
06-06-2012 11:17
Odwiedź stronę użytkownika Znajdź wszystkie posty użytkownika Odpowiedz cytując ten post
SP9MRN Offline
MAc
*****

Liczba postów: 822
Dołączył: 29-08-2009
Post: #6
RE: Tiny DDS bis
Leszku, dało by się?....
1. opcjonalny zestaw klawiszy do splita: A=B, A/B, SPLIT, +sygnalizacja splita na lcd
2. opcjonalne osobne klawisze: Band up, band down

Wiem :-) fanaberie.... :-)

MAc
mrn
06-06-2012 12:19
Odwiedź stronę użytkownika Znajdź wszystkie posty użytkownika Odpowiedz cytując ten post
SP6FRE Offline
Leszek
****

Liczba postów: 737
Dołączył: 20-09-2009
Post: #7
RE: Tiny DDS bis
Funkcje "A=B" oraz "A lub B" są oczywiste i są w zestawie funkcjonalności podstawowych. Jeśli przez split rozumie się słuchanie na A a nadawanie na B to również nie powinno być problemu ale po ustaleniu wszystkich funkcji będę się musiał zastanowić jak to zrobić najlepiej z punktu widzenia ergonomii i łatwości dostępu do nich mając do dyspozycji 5 klawiszy i impulsator. Z tego punktu widzenia impulsator z dodatkowym przełącznikiem (działającym osiowo) może ułatwić parę spraw. Na pewno ten sposób będzie można zastosować do zmiany kroku impulsowania na plus i na minus. Ponieważ krok da się regulować od 10Hz do 1MHz to niecelowe wydaje mi się wydzielone przełączanie pasm (klawiszami). Jeśli starczy pinów w mikroprocesorze to ilość pasm można zwiększyć do 10 stosując 4 bity i dekoder 1 z 10.
L.J.
06-06-2012 14:49
Odwiedź stronę użytkownika Znajdź wszystkie posty użytkownika Odpowiedz cytując ten post
SP6FRE Offline
Leszek
****

Liczba postów: 737
Dołączył: 20-09-2009
Post: #8
RE: Tiny DDS bis
Udało mi się uruchomić sterowanie modułu DDS. Okazało się to prostsze niż dla AD9834 i AD9835 choć, jak zwykle na początku nic nie działało i jak zwykle winien był ... programista ;-) Polecam ten moduł jako tanie i wygodne źródło programowanej częstotliwości.
Niestety, gorzej idzie mi z oprogramowaniem impulsatora :-( Prawdopodobnie przyczyna jest niejednoznaczność sygnalizacji impulsatora (jego jakość) ale jeszcze powalczę bo możliwość korzystania z dodatkowego przełącznika na osi jest kusząca i może ułatwić sterowanie funkcjami generatora.
L.J.
Jest pewien postęp w sprawie ;-)
Impulsator jednak działa w sposób zadawalający. Z pomocą przełącznika osiowego udaje się bez kłopotu zmieniać krok sterowania. W połączeniu z uruchomionym sterowaniem modułu DDS jest to już w zasadzie podstawowy zespół generatora strojonego od 10Hz do 62.5MHz.
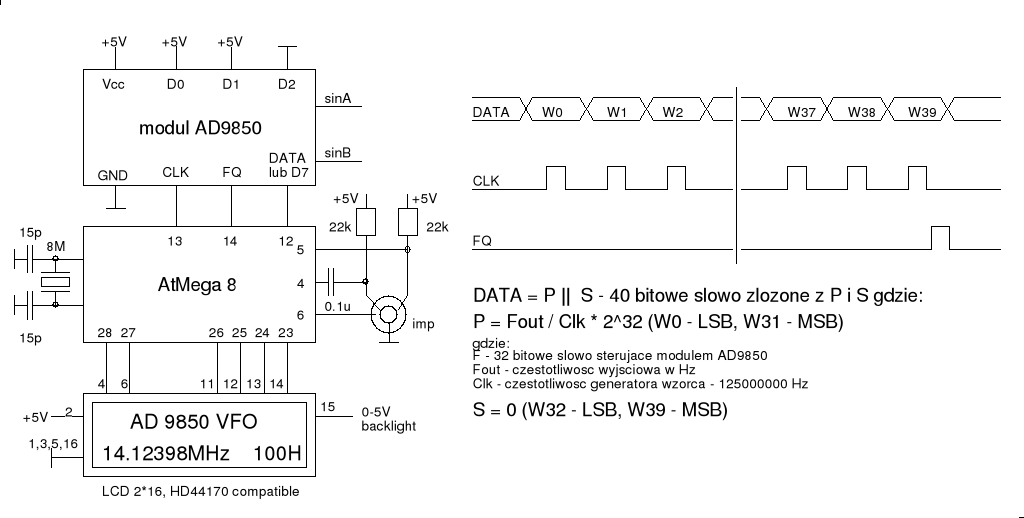
Załączam schemat generatora z opisem sterowania szeregowego modułem DDS. Do sterowania szeregowego trzeba zbudować 40 bitowe słowo złożone z części odpowiedzialnej za częstotliwość oznaczoną jako P (32 pierwsze bity) oraz części związanej ze sterowaniem fazą i stanem DDS-a oznaczoną jako S (w zasadzie S ma wartość 0). Sposób wyliczenia części P podałem na rysunku, oczywiście P jest liczbą całkowitą choć z dokładnego mnożenia może wynikać liczba ułamkowa. Aby wysterować zadaną częstotliwością układ DDS-a należy wprowadzić na pin DATA lub D7 (oba piny stanowią to samo połączenie) bity P & S zaczynając dla wartości P od W0 - najmniej znaczącego bitu P (LSB) a kończąc na bicie 31 (MSB). W przypadku zmiennej S bity W32 i 33 to bity sterujące, bit W34 to bit PowerDown a ostatnie bity W35-W39 to bity fazy sygnału. Ponieważ wszystkie te bity i tak są zerami to kolejność i tak nie ma znaczenia ;-)
Wprowadzenie poszczególnych bitów W0 - W39 następuje po ustabilizowaniu ich wartości za pomocą impulsu zegara przy sygnale FQ równym 0. Sygnał FQ służy do zapisania danych do układu AD9850 po wprowadzeniu 40 bitów danych. W manualu do układu AD9850 podane są wartości zależności czasowych na długości i odstępy poszczególnych sygnałów ale ponieważ są to wartości mniej więcej 100 krotnie mniejsze niż w rzeczywistym układzie sterowania to wystarczy kiedy zapewnione zostanie logiczne następstwo sygnałów jak na rysunku.
Moduł AD9850 ma dwa wyjścia: sinA i sinB o podobnej charakterystyce: poziom napięcia pp ok. 1V dla 1MHz oraz kilka kom oporności wyjściowej. Niezbędne będzie więc zastosowanie dodatkowego wzmacniacza-bufora. Dla przykładu, bez dodatkowego wzmocnienia nie działa odbiornik z mieszczaczem na tranzystorze polowym gdzie przewiduję zastosowanie tego generatora.
Dla chcących sprawdzić jak działa generator (od 10Hz do 62.5MHz) z moim oprogramowaniem załączam plik hex. Biy fuse należy ustawić np. jak dla kontrolera w generatorze SI570.
L.J.


Załączone pliki Miniatury
İmage

.hex  ddsb1_0..hex (Rozmiar: 7.82 KB / Pobrań: 1467)
(Ten post był ostatnio modyfikowany: 10-06-2012 18:45 przez SP6FRE.)
10-06-2012 11:11
Odwiedź stronę użytkownika Znajdź wszystkie posty użytkownika Odpowiedz cytując ten post
SP9MRN Offline
MAc
*****

Liczba postów: 822
Dołączył: 29-08-2009
Post: #9
RE: Tiny DDS bis
Właściwie to dodając do ddsa płytkę z atmegą - też od chińczyka - za ok 12$ mamy kompletny dds :-)

http://www.ebay.com/itm/ATmega8-M8-AVR-D...4166a5077b
http://www.ebay.com/itm/AVR-development-...1e6e9adf37
13-06-2012 11:14
Odwiedź stronę użytkownika Znajdź wszystkie posty użytkownika Odpowiedz cytując ten post
SP6FRE Offline
Leszek
****

Liczba postów: 737
Dołączył: 20-09-2009
Post: #10
RE: Tiny DDS bis
Faktycznie, gdyby się uprzeć to dałoby się zrobić taką konstrukcję modułową dorabiając jeszcze moduł wyświetlacza i płytkę z klawiaturą czyli DDS generator na kwaśno po seczuańsku ;-)
Ale w tym przypadku nie pójdę na łatwiznę ;-)
Generator będzie zbudowany na "barana" co oznacza, że wyświetlacz, moduł DDS oraz klawisze dołączane będą przez gniazda do płytki głównej zawierającej procesor oraz styki wyprowadzeń sygnałowych. Będę unikał połączeń kablowych, np. do wyświetlacza, a płytkę główną będzie można dokręcić wprost do płyty czołowej obudowy. Całość opisana będzie rysunkami wymiarowymi a może nawet uda się zrobić jakąś uniwersalną, samoprzylepną atrapę z opisem?
L.J.
13-06-2012 13:20
Odwiedź stronę użytkownika Znajdź wszystkie posty użytkownika Odpowiedz cytując ten post
Odpowiedz 


Skocz do:


Użytkownicy przeglądający ten wątek: 2 gości