Odpowiedz 
 
Ocena wątku:
  • 3 Głosów - 5 Średnio
  • 1
  • 2
  • 3
  • 4
  • 5
Synteza na układzie Si-570
SQ4AVS Offline
Rafał
*****

Liczba postów: 1,421
Dołączył: 29-01-2010
Post: #41
RE: Synteza na układzie Si-570
Sens stosowania tego układu (si570) w urządzeniach z przemianą jest jak najbardziej, tylko trzeba stosować tak popularne ostatnio mieszacze cyfrowe one przecież wymagają prostokąta. Z dostępnych zestawów na si570 właśnie układ pa0klt ma możliwość ustawiania pośredniej.
06-07-2010 6:58
Odwiedź stronę użytkownika Znajdź wszystkie posty użytkownika Odpowiedz cytując ten post
HM_DIPOL Offline
Heniek
***

Liczba postów: 172
Dołączył: 27-04-2010
Post: #42
RE: Synteza na układzie Si-570
Ja np myślałem o miniYES, mały moduł radiowy plus generator na Si570 i mamy nowoczesne radio urlopowe. Z powodzeniem możemy również zamieniać w innych urządzeniach pierwszy mieszacz na cyfrowy. Jeśli się nie mylę to Picastar i CDG2000 też mają mieszacze na kluczach.

Koledzy, czy w temacie Si570 są jakieś postępy prac i czy jest jakaś szansa na krajowe opracowanie ?
06-07-2010 18:45
Znajdź wszystkie posty użytkownika Odpowiedz cytując ten post
SP2JQR Offline
Henryk
*****

Liczba postów: 1,528
Dołączył: 23-08-2009
Post: #43
RE: Synteza na układzie Si-570
MiniYes też ma mieszacz cyfrowy i nie widzę najmniejszego problemu - wystarczy sygnał cyfrowy podać bezpośrednio na mieszacz pomijając stopień wzmacniacza.
pzdr
06-07-2010 20:07
Znajdź wszystkie posty użytkownika Odpowiedz cytując ten post
SP5FCS Offline
Adam
*****

Liczba postów: 1,073
Dołączył: 02-02-2009
Post: #44
RE: Synteza na układzie Si-570
U mnie prace postępują powoli, tak to już jest przy pisaniu w assemblerze. Aktualnie mam rozpracowane algorytmy przeliczania częstotliwości i ładowania do układu Si570. Pewną trudność sprawia konieczność wykonywania obliczeń na 32 a nawet 48 bitach co pochłania dużo kodu programu.
Mam gotowy sterownik z wyświetlaczem LCD na ATmega8 dlatego zacząłem od takiej konfiguracji. Przy tym procesorze mogą być problemy z realizacją bardziej wyszukanych funkcji. Ilość pinów procesora również daje duże ograniczenia w sterowaniu peryferiami radia. Mam już fizycznie układ Si570 i mogę przystąpić do uruchamiania oprogramowania.
Największym problemem jest jak zwykle ... brak wolnego czasu.


Załączone pliki Miniatury
İmage

73 Adam
06-07-2010 23:41
Znajdź wszystkie posty użytkownika Odpowiedz cytując ten post
SQ4AVS Offline
Rafał
*****

Liczba postów: 1,421
Dołączył: 29-01-2010
Post: #45
RE: Synteza na układzie Si-570
U mnie dodaje w tej chwili opcje dodatkowe, przestrajanie i pamięci działają (w zasadzie z jednym wyjątkiem), niestety przesiadka na większy procek jeśli dodać część z rzeczy proponowanych przez Henryka SP2JQR (w zasadzie prawie wszystko z listy jego życzeń chce uwzględnić w sumie rzeczy jak najbardziej sensowne) plus usunięcie bagów (a są). Czas no cóż w miarę wolnego postaram się na Burzenin.
07-07-2010 17:14
Odwiedź stronę użytkownika Znajdź wszystkie posty użytkownika Odpowiedz cytując ten post
SP4HKQ Offline
Zdzisław SK!
****

Liczba postów: 490
Dołączył: 19-08-2009
Post: #46
RE: Synteza na układzie Si-570
Witam.
Wykonałem generator na bazie Si570 sterowany układem SQ4AVS, będzie współpracował z HPSDR. Chce przekazać kilka uwag w tym temacie. Si570 jest w wersji LVPECL 3.3V. Pobiera 110mA przy 150 Om opornikach obciążających wyjścia. Jeśli chodzi o częstotliwość to pracuje od 3450 kHz ale przebieg na wyjściu nie jest sinusoidą (taki można powiedzieć prostokąt o amplitudzie zasilania układu). Poziom sygnału na wyjściu przy podanych opornikach to ok +6dBm. Powyżej 10 MHz przebieg zmienia się w sinus. Obudowa układu po kilku minutach pracy jest mocno ciepła. Stabilność na 10 MHz wygląda następująco(bez termostatu): po włączeniu zasilania płynie (zmiana ma zakres ok 60 Hz), po ok 5 min następuje stabilizacja tz zmiana 1Hz, dotykanie do obudowy palcem bądź lutownicą powoduje zmianę częstotliwości. Ale co jest znamienne dla układu po zaprzestaniu jego chłodzenia bądź grzania częstotliwość wraca do tej ustawionej z dokładnością do 1Hz, co się mi nigdy nie udało z DDS na AD9951. Myślę że gdy ten układ chcemy stosować na KF to termostat jest zbędny, natomiast jak będziemy go powielać na mikrofale to jest konieczny. W obudowie radia temperatura jest ustalona to po kalibracji układ powinien działać prawidłowo.
(Ten post był ostatnio modyfikowany: 25-08-2010 19:36 przez SP4HKQ.)
25-08-2010 19:31
Znajdź wszystkie posty użytkownika Odpowiedz cytując ten post
SQ4AVS Offline
Rafał
*****

Liczba postów: 1,421
Dołączył: 29-01-2010
Post: #47
RE: Synteza na układzie Si-570
Zdzisławie popełniłeś błąd układ si570 nie generuje sinusa a prostokąt w wersji pecl, to że Ty go widzisz powyżej pewnych częstotliwości jako sinus wynika z pasma twego oscyloskopu i zakładam, że jego pasmo jest w stu procentach poniżej 30MHz. Jeśli mierzysz prostokąt o wypełnieniu około 50 procent pasmo twego oscyloskopu powinno wynosić 5 razy częstotliwość mierzona a minimum 3 razy więcej niż najwyższa częstotliwość mierzona. Rozwiązaniem tego problemu jest przejście z dziedziny czasu w dziedzinę częstotliwości (transformata Fouriera). Wpływ pasma oscyloskopu ale nie tylko na kształt mierzonego przebiegu można zobaczyć za pomocą np programu DasyLab . W najnowszym numerze EDW będzie właśnie termostat do SI570 ;-)
(Ten post był ostatnio modyfikowany: 25-08-2010 19:43 przez SQ4AVS.)
25-08-2010 19:42
Odwiedź stronę użytkownika Znajdź wszystkie posty użytkownika Odpowiedz cytując ten post
SP6FRE Offline
Leszek
****

Liczba postów: 737
Dołączył: 20-09-2009
Post: #48
RE: Synteza na układzie Si-570
Witam po dłuższej nieobecności.
Na usprawiedliwienie mam tylko to, że w tym czasie nie próżnowałem co można sprawdzić w wątku na forum astronomicznym:
napęd nożycowy
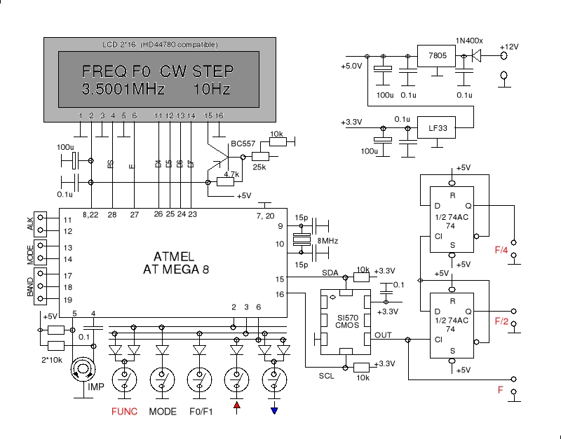
Kilka dni temu wróciłem do syntezy na SI570. Mój układ jest w wersji CMOS a pełny schemat załączam. Układ jest zmontowany ale na razie uruchomiłem połączenie z układem oraz ustawienie częstotliwości za pomocą impulsatora. Udało mi się tak oprogramować impulsator, że nawet taki za 5 PLN działa poprawnie nie gubiąc i nie dodając od siebie impulsów. Z tego kawałka jestem naprawdę zadowolony, nigdy nie osiągnąłem tak dobrego wyniku. Częstotliwość mogę zmieniać z krokiem wybranym za pomocą klawiszy rotujących krok zmiany w obu kierunkach z granulacją 10, 100, 1k, 10k, 100k i 1MHz. Wyjście obserwuję za dzielnikiem na 7474 bo mój miernik działa do ok. 25MHz co pozwala pomierzyć sygnały mniej więcej do 100MHz. Generator działa mniej więcej od 3.460MHz. Zabieram się za dalsze programowanie i zamierzam wbudować następujące funkcje:
- precyzyjny dobór częstotliwości generatora odniesienia jako opcję setup co pozwoli na uniezależnienie gotowego układu od jego ponownego programowania. Dobór będzie się odbywał przez precyzyjny pomiar na wyjściu ustalonej częstotliwości (np. 10MHz) z jednoczesną regulacją wartości częstotliwości wewnętrznego generatora.
- dobór częstotliwości ofset jako opcję setup dla urządzeń z przemianą z jednoczesną zmianą wyświetlanej częstotliwości
- dobór mnożnika częstotliwość/wyświetlacza jako opcję setup
- oprogramowanie wyjść przełącznika pasm (3 linie - do 8 pasm)
- oprogramowanie wyjść funkcyjnych (cw/ssb inne ?)
- oprogramowanie pamięci kilku częstotliwości (zobaczę na ile pamięć pozwoli)
Z pięciu klawiszy mam już pomysł na 3. Skrajny lewy będzie służył do generalnych zmian ustawień, dwa z prawej strony do zmiany zakresu lub kierunku zmian wybranej opcji. Właściwa zmiana wartości wykonywana będzie za pomocą impulsatora.
Na koniec kilka uwag praktycznych.
Poprawę pracy impulsatora uzyskałem przez odczyt portu izolowanego od impulsatora kondensatoram jako przerwanie z porównaniem stanu drugiego portu dołączonego bezpośrednio.
Adres układu SI570 znalazłem przez skanowanie wszystkich adresów magistrali i u mnie ma wartość 170 :-(
Uważam, że w zakresie pracy do 160MHz termostat jest zbędny, zamiast tego zastosuję izolację termiczną układu przez prostą, obustronną osłonę za pomocą styropianu co powinno spowodować, że układ szybciej osiągnie stabilność termiczną.
L.J.


Załączone pliki Miniatury
İmage İmage İmage İmage
(Ten post był ostatnio modyfikowany: 27-08-2010 20:39 przez SP6FRE.)
27-08-2010 11:40
Odwiedź stronę użytkownika Znajdź wszystkie posty użytkownika Odpowiedz cytując ten post
SP5FCS Offline
Adam
*****

Liczba postów: 1,073
Dołączył: 02-02-2009
Post: #49
RE: Synteza na układzie Si-570
Leszku, gratuluję zaawansowanie prac nad syntezą. Adres układu można określić z numeru seryjnego odczytanego z syntezy Si570.
Lookup Part Number

Ja również po dłuższej przerwie zrobiłem mały kroczek do przodu i zaprojektowałem oddzielną płytkę pod syntezę Si570. Chciałem mieć niezależny moduł, który będzie mógł współpracować z dowolnym procesorem obsługującym I2C. Drugi powód, to chęć umieszczenia modułu w zamkniętej, ekranowanej obudowie co powinno również poprawić stabilność termiczną.
Widok modułu na zdjęciu, siatka 100milsów, kończę lutować elementy i zacznę uruchamiać soft (jak czas pozwoli, hi).


Załączone pliki Miniatury
İmage

73 Adam
27-08-2010 20:05
Znajdź wszystkie posty użytkownika Odpowiedz cytując ten post
SP6FRE Offline
Leszek
****

Liczba postów: 737
Dołączył: 20-09-2009
Post: #50
RE: Synteza na układzie Si-570
Znam cytowaną przez Ciebie stronę ale według jej wyliczeń mój układ 570CAC000141DG powinien mieć adres 85 (0x55). Niestety, nie reaguje na sterowanie pod tym adresem. W opisie układu znalazłem również informację, że adres jest 7 bitowy. U mnie skuteczna adresacja jest 8 bitowa. Jak pisałem zaczyna się od adresu 170 (zapis rejestrów) a odczyt jest możliwy na adresie 171. Adres 85 to 1010101 binarnie a 170 to 10101010. To dokładnie dwa razy więcej ale niestety na adresie 85 nic mi nie chce działać. Być może to wynika z własności BASCOM-a, którego używam do sterowania funkcjami I2C.
Zamieściłeś rysunek druku ale widzę, że są tam również jakieś układy inne niz Si570. Czy możesz podać również schemat tej płytki?
L.J.
(Ten post był ostatnio modyfikowany: 27-08-2010 20:41 przez SP6FRE.)
27-08-2010 20:36
Odwiedź stronę użytkownika Znajdź wszystkie posty użytkownika Odpowiedz cytując ten post
Odpowiedz 


Skocz do:


Użytkownicy przeglądający ten wątek: 1 gości