Odpowiedz 
 
Ocena wątku:
  • 0 Głosów - 0 Średnio
  • 1
  • 2
  • 3
  • 4
  • 5
Bardzo klasyczny TRX Dziadek77
SP5HBT Offline
Użytkownik
***

Liczba postów: 154
Dołączył: 04-12-2014
Post: #11
RE: Bardzo klasyczny TRX Dziadek77
https://www.ebay.com/itm/224081372965?ha...Sw9~RcARvf

Poniżej 10$ za 10 szt. z przesyłką.

Nie znalazłem bardziej detalicznych danych niż jedna strona dostępna w necie.

73, Mietek sq5ptq
21-05-2021 12:31
Znajdź wszystkie posty użytkownika Odpowiedz cytując ten post
SP7CLB Offline
Krzysztof
***

Liczba postów: 187
Dołączył: 05-04-2010
Post: #12
RE: Bardzo klasyczny TRX Dziadek77
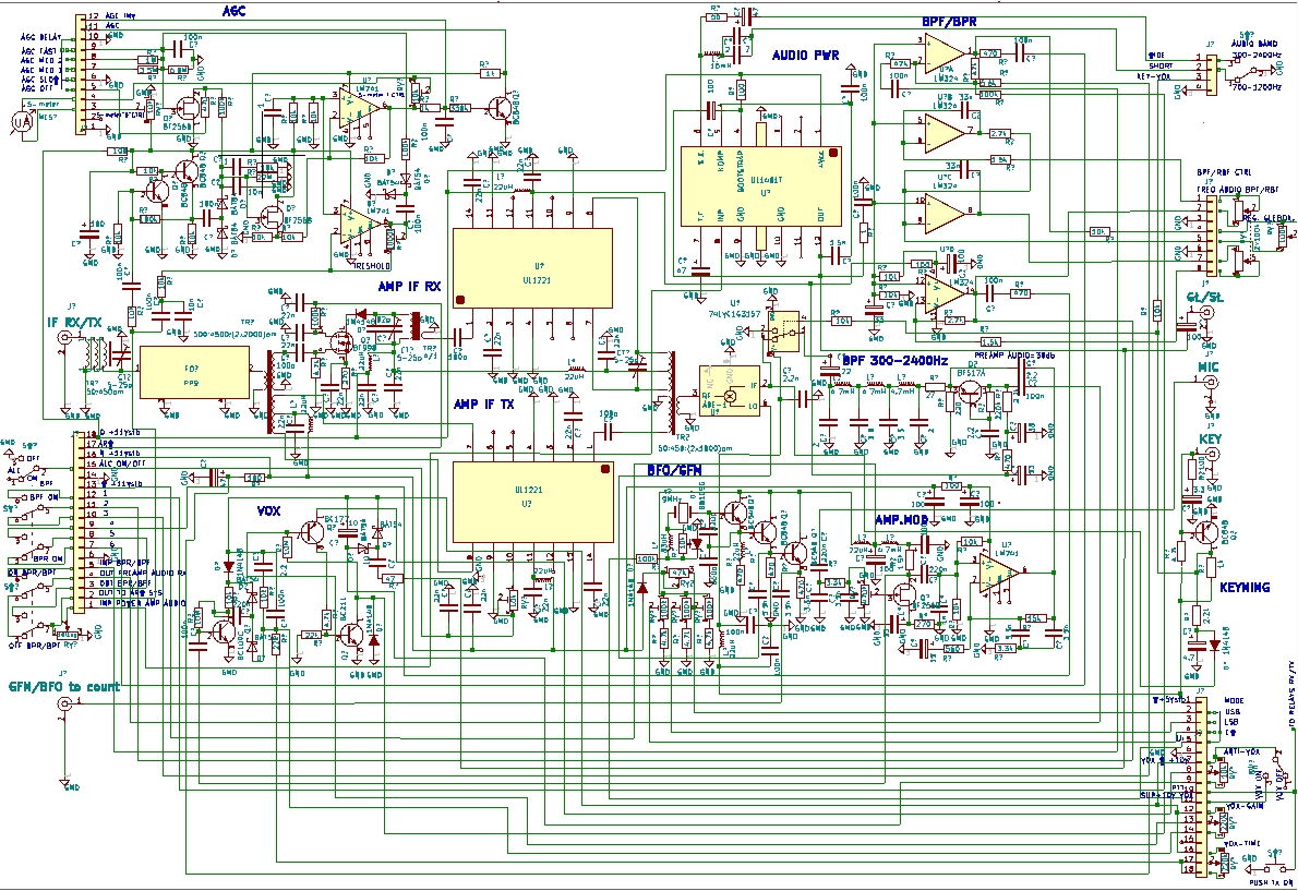
Teraz ostatni segment Dziadka77 - Płyta główna.
Umieszczone nazwy poszczególnych segmentów układu.
Elementy Front-End uwidocznione tutaj poza konektorami.
Układ IF TX/RX zrealizowany na mosfecie BF998 i układach
CEMI UL1221 - bo takie właśnie mam w starych szpargałach.
Układ filtru/rejektora z regulacją szerokości pasma i dobroci
filtru/wycięcia na układzie poczwórnego OP. MOS LM324.
Przy odbiorze telegrafii daje możliwość zawężenia pasma do
ok. 150HZ. Kiedyś już go eksploatowałem i był OK w pajlabie.
Oprócz tej filtracji zastosowałem również prosty filtr szeregowy
LC w obwodzie uj.sprz.zwr. w końcówce audio. Układ ten również
kiedyś używałem i zawęża pasmo na częstotliwości 850Hz.
Można zmienić częstotliwość zawężania przez zmianę iloczynu LC.
Układ VXO BFO/GFN jest przestrajany diodą pojemnościową.
W pracy na CW TX częstotliwość powinna być ustawiona na załamaniu
górnym lewej krawędzi pasma filtru, czyli ok. 8998.8kHz. Podczas odbioru
CW RX na częstotliwości 9998kHz. Kluczowanie odbywa się przez
podawanie napięcia dodatniego na modulator ADE-1. Wznoszenie
i opadanie sygnału trwa ok. 3ms i jest niezależne od prędkości kluczowania.
Prosty układ VOX-a jest "popychany" z przedwzmacniacza audio na BF256B.
Nie pracuje w trybie CW, ale nic nie stoi na przeszkodzie, by sygnał kluczowania
do niego doprowadzić. Układ ARW jest moją modyfikacją znanego schematu
z progiem zadziałania (TRESHOLD). Poziom progu można ustawić PR-kiem 1000k.
Połączenia międzypłytkowe, zasilacz, przełączanie zakresów pozostawiam inwencji
sobie i ew. wykonawcom na później .
Dla chcących pobawić się symulacjami układów Dziadka77 załączam kilka zrzutów SPICE.
Ten transceiverek jest ulepszeniem i rozwinięciem małego (również gabarytowo) urządzenia,
które popełniłem w latach 70-tych ( http://sp-hm.pl/thread-4049.html ) i które długo dawało
mi dużo radości w pracy na wszystkich pasmach KF.


Załączone pliki Miniatury
İmage İmage İmage İmage İmage İmage İmage
(Ten post był ostatnio modyfikowany: 11-06-2021 7:44 przez SP7CLB.)
09-06-2021 3:40
Znajdź wszystkie posty użytkownika Odpowiedz cytując ten post
SP7CLB Offline
Krzysztof
***

Liczba postów: 187
Dołączył: 05-04-2010
Post: #13
RE: Bardzo klasyczny TRX Dziadek77
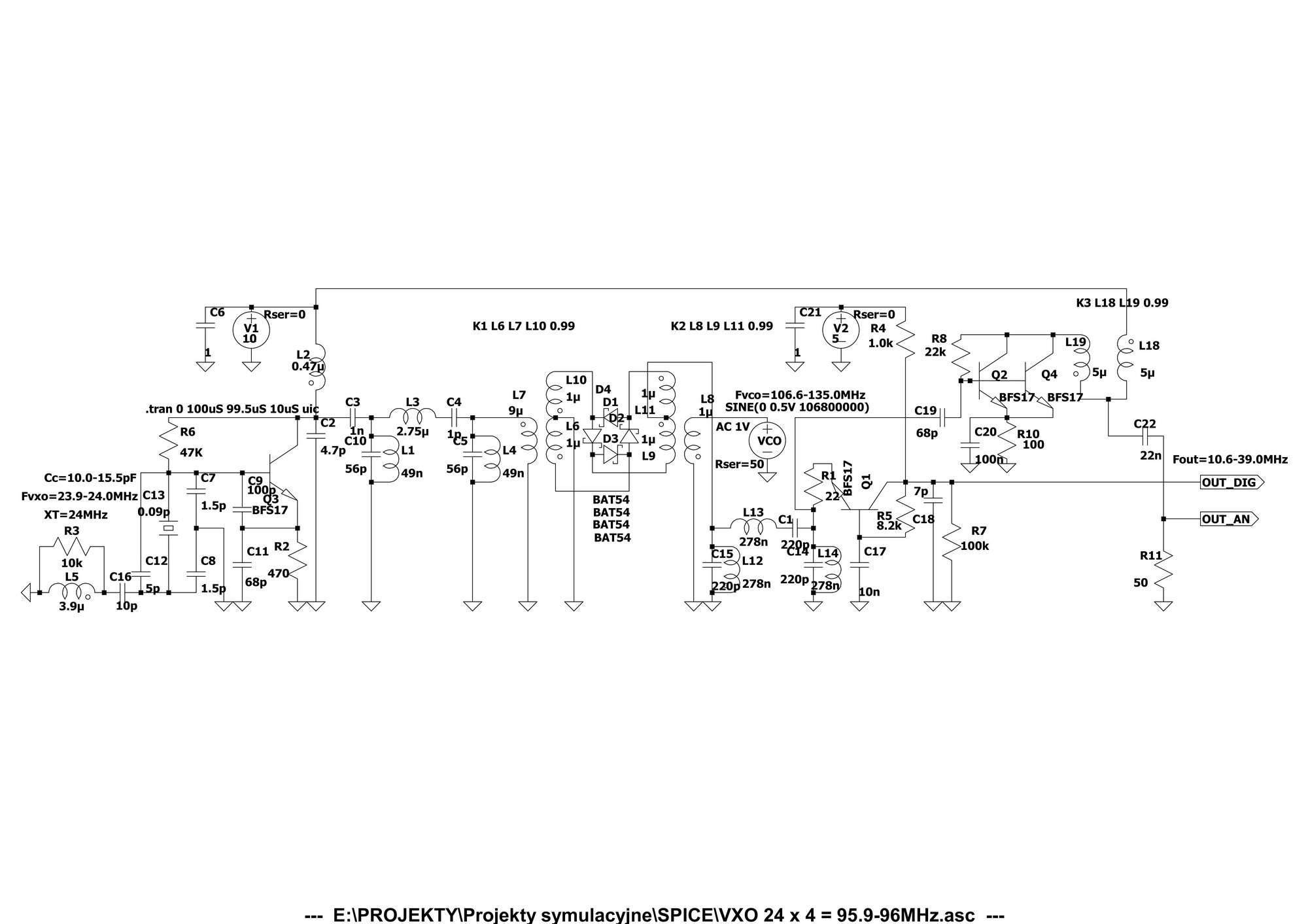
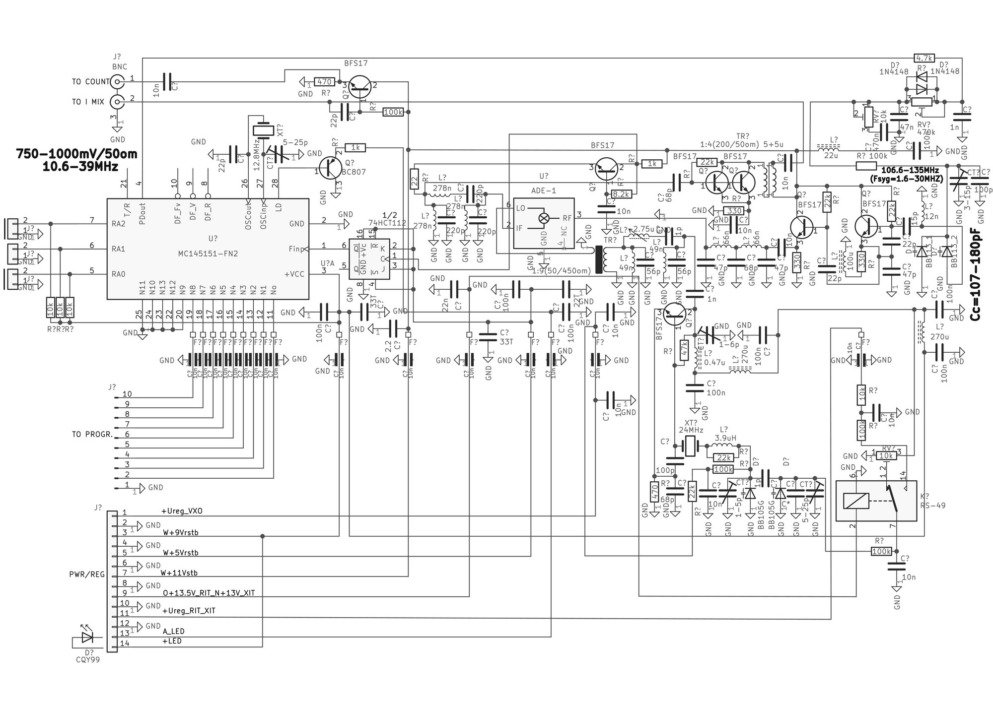
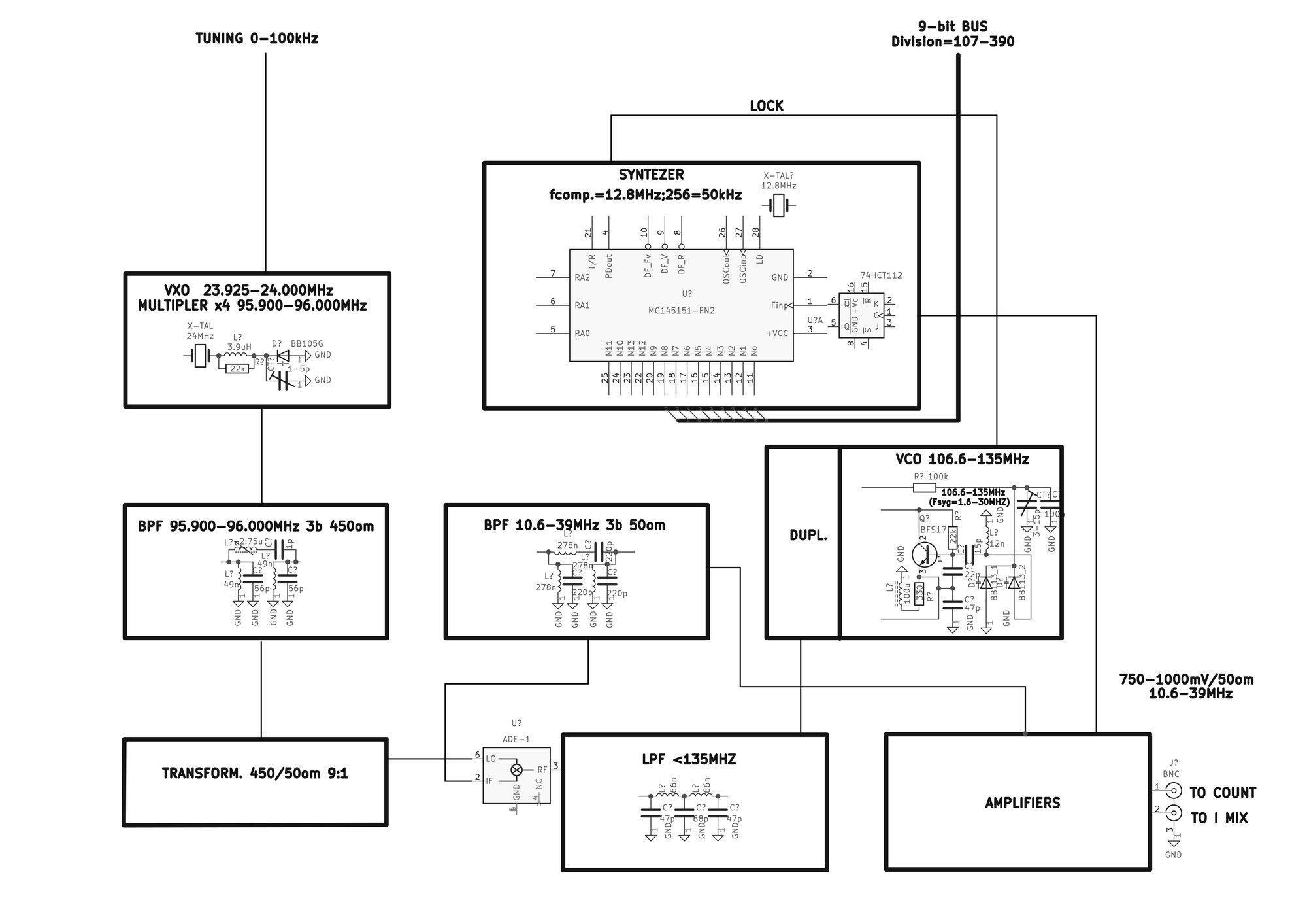
Poniżej alternatywne rozwiązanie Syntezera V2 Dziadek77.
Jest ono w zasadzie działania podobne do zastosowanego w kultowym już
TRX DRAKE TR7, ale mocno zmodyfikowane i możliwe do sterowania w pełni cyfrowego. Załączam: schemat ideowy, schemat blokowy i symulację Spice.
Układ VXO był zmontowany i stabilność jego w całym zakresie jest zbliżona do stabilności zastosowanego kwarcu.


Załączone pliki Miniatury
İmage İmage İmage İmage
(Ten post był ostatnio modyfikowany: 11-07-2021 14:16 przez SP7CLB.)
11-07-2021 14:16
Znajdź wszystkie posty użytkownika Odpowiedz cytując ten post
SP5CII Offline
Użytkownik
***

Liczba postów: 196
Dołączył: 14-12-2009
Post: #14
RE: Bardzo klasyczny TRX Dziadek77
Z serii tranzystorów BD xxx najlepiej pracowały 2 x 2 BD 39 produkowane do sprzętu specjalnego,miałem na tym końcówkę do SP 5 WW. w tym okresie był problem z materiałami magnetycznymi-tu był największy problem zanim znalazłem- rdzeń z filtra od lodówki z czerwoną kropką. Sterowałem dwie lampy 6P45C
73!

(Ten post był ostatnio modyfikowany: 29-10-2021 15:12 przez SP5CII.)
29-10-2021 15:12
Znajdź wszystkie posty użytkownika Odpowiedz cytując ten post
SP2JQR Offline
Henryk
*****

Liczba postów: 1,528
Dołączył: 23-08-2009
Post: #15
RE: Bardzo klasyczny TRX Dziadek77
(11-07-2021 14:16)SP7CLB napisał(a):  Poniżej alternatywne rozwiązanie Syntezera V2 Dziadek77.

Jak widzę MC145151 to serduszko mi się raduję. To była moja ulubiona kość przy budowie radiotelefonów UKF w dawnych czasach. Do dzisiaj działają.
29-10-2021 16:00
Znajdź wszystkie posty użytkownika Odpowiedz cytując ten post
SP7CLB Offline
Krzysztof
***

Liczba postów: 187
Dołączył: 05-04-2010
Post: #16
Video RE: Bardzo klasyczny TRX Dziadek77
Mając trochę starych, dobrych tranzystorów 2N3866, oraz ich czeskich ścisłych odpowiedników KF622, zaprojektowałem układ wzmacniacza PA QRP, który oddaje moc 1.5-2W/50om w zakresie 1.8-29.6MHz i zasilaniu 12V, przy sterowaniu A=150mV/50om. Układ ma charakterystykę pochyłą ok. +4dB wzrostu mocy na wyższych częstotliwościach. Tak więc dobrze się nadaje do napędzania QRO 50-100W. W tym przypadku zamierzam użyć równie leciwych, co wspaniałych tranzystorów Philipsa BLW83 lub BLW86 w układzie przeciwsobnym w znanym opracowaniu LZ2WSG:
https://www.kn34pc.com/construct/lz2wsg_...10_pa.html
Wzmacniacz PA QRP opracowałem w programie MICRO-CAP12 - jest to rzecz bezpłatna, nie ustępująca w wielu przypadkach Microwave Studio AWR, z którym miałem kiedyś do czynienia w pracy zawodowej. Program do ściągnięcia w internecie, ale wymaga dużo pamięci na dysku. W swoich ramach posiada znakomite podręczniki i helpy.
Załączam układ i charakterystykę przenoszenia, a plik .cir do ew. prób mogę przesłać priv. bo tutaj się nie adoptuje Undecided
.pdf  QRP PA 3x2N3866 12V .pdf (Rozmiar: 77.17 KB / Pobrań: 697)

.pdf  QRP PA 3x2N3866 12V .pdf (Rozmiar: 77.17 KB / Pobrań: 697)


Załączone pliki
.pdf  AC Analysis QRP PA 3x2N3386.pdf (Rozmiar: 27.02 KB / Pobrań: 621)
(Ten post był ostatnio modyfikowany: 25-03-2022 8:43 przez SP7CLB.)
25-03-2022 8:39
Znajdź wszystkie posty użytkownika Odpowiedz cytując ten post
SP2JQR Offline
Henryk
*****

Liczba postów: 1,528
Dołączył: 23-08-2009
Post: #17
RE: Bardzo klasyczny TRX Dziadek77
Zamiast łączyć całkowicie równolegle tranzystory, w tym emitery dałbym do każdego emitera osobny rezystor (2x większy) i kondensator.
Nie ma idealnych par tranzystorów. Tylko na symulacji to razem ładnie pracuje. Osobne rezystory pozwalają wyrównać pracę nie idealnie jednakowych tranzystorów. Ta zmiana nie powinna zmienić cech układu widocznych na symulacji.
25-03-2022 10:35
Znajdź wszystkie posty użytkownika Odpowiedz cytując ten post
SP7CLB Offline
Krzysztof
***

Liczba postów: 187
Dołączył: 05-04-2010
Post: #18
RE: Bardzo klasyczny TRX Dziadek77
Dzięki. To się wie. W symulacji, aby było szybciej - nie wszystko się wprowadza. Np. zasilania mają rezystancję wewnętrzną zero, więc niepotrzebna jest blokada pojemnością. Najważniejsze, aby namalować co potrzebne. Dla pewności sprawdzałem jeszcze w LTSpice i wyniki bardzo podobne.
25-03-2022 12:24
Znajdź wszystkie posty użytkownika Odpowiedz cytując ten post
SP6FRE Offline
Leszek
****

Liczba postów: 737
Dołączył: 20-09-2009
Post: #19
RE: Bardzo klasyczny TRX Dziadek77
Witam!

Przy tak dużym wzmocnieniu warto zastanowić się nad wprowadzeniem na wejściu tłumika 6 a nawet 10dB. Ponieważ wzmocnienie rośnie z częstotliwością układ może być podatny na wzbudzenia właśnie na wyższych częstotliwościach.
Jak się okaże, że są wzbudzenia warto przenieść kształtowanie charakterystyki z obwodu kolektor-baza (R-L) w obwód emitera (R-C) co wydaje się być bardziej stabilnym sposobem dla tej operacji.
Nie znam tego programu więc dopytam o definicję transformatorów - 0.99 to zapewne sprzężenie uzwojeń?
Mam nadzieję, że uda Ci się zrobić szybko ten układ i zweryfikować założenia teoretyczne oraz podzielić się na forum tym wynikiem.

L.J.
(Ten post był ostatnio modyfikowany: 25-03-2022 12:28 przez SP6FRE.)
25-03-2022 12:28
Odwiedź stronę użytkownika Znajdź wszystkie posty użytkownika Odpowiedz cytując ten post
SP7CLB Offline
Krzysztof
***

Liczba postów: 187
Dołączył: 05-04-2010
Post: #20
RE: Bardzo klasyczny TRX Dziadek77
Tłumik tam już jest, tyle że między stopniami. Program MC12 to maszyna z obszernymi bibliotekami i samplami - ma też badanie obszaru stabilności. Odnośnie transformatorów, jest tam dużo różnych materiałów ferromagnetycznych i możliwość różnych sposobów realizacji, m.inn. sprzężeń. Układ wtórnikowy z poprzednich moich postów zarzuciłem, mimo jego dużej stabilności, ze względu na prądożerność. Omawiany teraz układ wykonam do Dziadka77.
A wogóle - tutaj, w tym temacie będę umieszczał różne moje przeanalizowane pomysły, ale niekoniecznie wykonane. Ale wykonanymi też się będę dzielił. Jak mi minęło 77, to coraz więcej pomysłów, a coraz mniej czasu na ich realizację Smile)).
Mam pytanie - czy Chińczykowi za PCB można płacić w złotówkach - bo się ogłasza w złotówkach?
(Ten post był ostatnio modyfikowany: 25-03-2022 12:54 przez SP7CLB.)
25-03-2022 12:54
Znajdź wszystkie posty użytkownika Odpowiedz cytując ten post
Odpowiedz 


Skocz do:


Użytkownicy przeglądający ten wątek: 1 gości