Odpowiedz 
 
Ocena wątku:
  • 0 Głosów - 0 Średnio
  • 1
  • 2
  • 3
  • 4
  • 5
pomiar napięcia wyjściowgo generatora
JACEK11111 Offline
Początkujący
**

Liczba postów: 50
Dołączył: 29-09-2016
Post: #1
pomiar napięcia wyjściowgo generatora
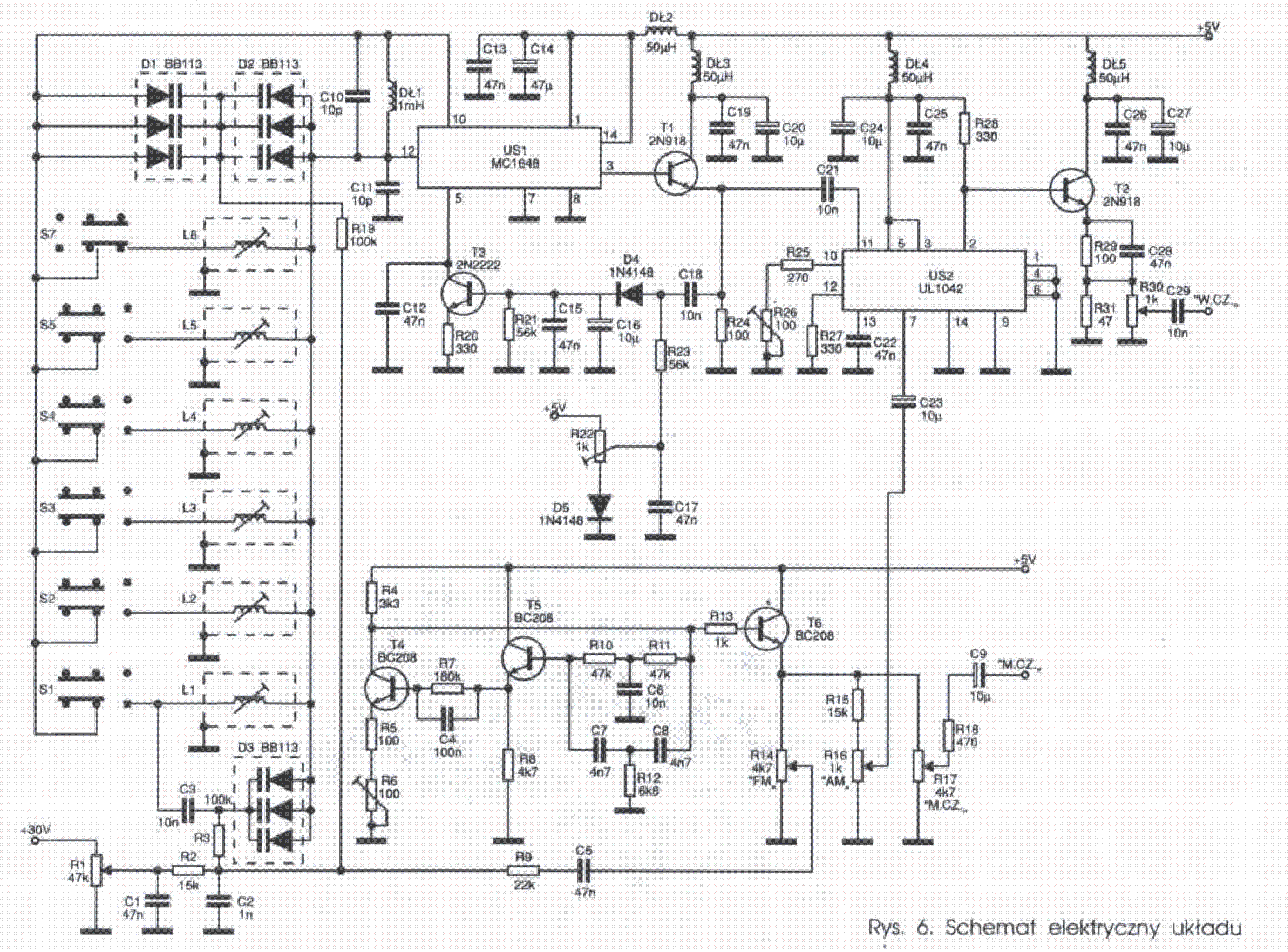
Witam wszystkich. Do pokazanego generatora, chciałbym podłączyć digital wattmeter wg OZ2CPU. prosiłbym o sugestie, jak to podłączyć żeby to współgrało, i w miarę pokazywało napięcie wyjściowe generatora.
(OZ2CPU wgrałem tylko układ wejściowy).
Pozdrawiam.

İmage İmage
(Ten post był ostatnio modyfikowany: 26-03-2019 21:27 przez JACEK11111.)
26-03-2019 21:26
Znajdź wszystkie posty użytkownika Odpowiedz cytując ten post
Odpowiedz 


Skocz do:


Użytkownicy przeglądający ten wątek: 1 gości