Odpowiedz 
 
Ocena wątku:
  • 1 Głosów - 5 Średnio
  • 1
  • 2
  • 3
  • 4
  • 5
Mini walkie talkie - Gdzie wlutować kwarc ?
SQ8NZD Offline
Adrian
*****

Liczba postów: 858
Dołączył: 11-02-2011
Post: #1
Mini walkie talkie - Gdzie wlutować kwarc ?
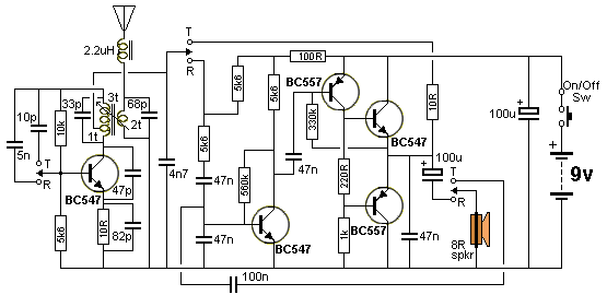
Witam

Mam tutaj schemat prostego walkie talkie. Gdzie wlutować kwarc np. 27 MHz, by odbierało na jednej częstotliwości ?

Prosiłbym o wyedytowanie w Paincie i pokazanie w ten sposób gdzie ma być.


Załączone pliki Miniatury
İmage

https://sites.google.com/view/sq8nzd - Moja strona web.
10-03-2018 15:01
Znajdź wszystkie posty użytkownika Odpowiedz cytując ten post
AdamC Offline
Użytkownik
***

Liczba postów: 170
Dołączył: 28-05-2010
Post: #2
RE: Mini walkie talkie - Gdzie wlutować kwarc ?
Porównaj te obrazki.


Załączone pliki Miniatury
İmage
10-03-2018 20:26
Znajdź wszystkie posty użytkownika Odpowiedz cytując ten post
SQ8NZD Offline
Adrian
*****

Liczba postów: 858
Dołączył: 11-02-2011
Post: #3
RE: Mini walkie talkie - Gdzie wlutować kwarc ?
Strzelam.... Rezonator kwarcowy należy podłączyć do bazy BC547 (tego po lewej) ? Rolleyes

https://sites.google.com/view/sq8nzd - Moja strona web.
10-03-2018 21:26
Znajdź wszystkie posty użytkownika Odpowiedz cytując ten post
SP7CLB Offline
Krzysztof
***

Liczba postów: 187
Dołączył: 05-04-2010
Post: #4
RE: Mini walkie talkie - Gdzie wlutować kwarc ?
To nie jest układ, który można zmodyfikować przez wstawienie kwarcu.
11-03-2018 2:14
Znajdź wszystkie posty użytkownika Odpowiedz cytując ten post
SP2JQR Offline
Henryk
*****

Liczba postów: 1,528
Dołączył: 23-08-2009
Post: #5
RE: Mini walkie talkie - Gdzie wlutować kwarc ?
W żadnym urządzeniu tego typu nie stosuje się w odbiorniku kwarców. Odbiorniki z definicji są superreakcyjne i pracują bez kwarców. Widoczne na schematach kwarce są wyłacznie stosowane podczas nadawania.
Dopiero w bardziej rozbudowanych superheterodynach stosowane są kwarce, ale to zupełnie inny typ urządzenia.
12-03-2018 10:01
Znajdź wszystkie posty użytkownika Odpowiedz cytując ten post
SP5RF Offline
Robert
****

Liczba postów: 343
Dołączył: 13-03-2010
Post: #6
RE: Mini walkie talkie - Gdzie wlutować kwarc ?
Wstaw za kondensator 10 pF i jeśli jest kwarc aktywny to chyba będzie dobrze...

Shy SP5RF
11-04-2018 16:09
Znajdź wszystkie posty użytkownika Odpowiedz cytując ten post
SQ7BCN Offline
Marek
***

Liczba postów: 216
Dołączył: 04-11-2016
Post: #7
RE: Mini walkie talkie - Gdzie wlutować kwarc ?
Kwarc aktywny ???
Czyżby chodziło o generator kwarcowy ....
10-06-2018 20:56
Znajdź wszystkie posty użytkownika Odpowiedz cytując ten post
SP5RF Offline
Robert
****

Liczba postów: 343
Dołączył: 13-03-2010
Post: #8
RE: Mini walkie talkie - Gdzie wlutować kwarc ?
Kwarce są takie że wzbudzają się łatwo w każdym niemal układzie (nazwałem je żargonowo - aktywnymi) , oraz takie co wzbudzają się ledwo ledwo co i trzeba kombinować dla nich specjalne układy... (mam takich całe pudełko) niby działają ale....

Tutaj aktywny znaczy sprawny.

RF.

Shy SP5RF
01-07-2018 14:40
Znajdź wszystkie posty użytkownika Odpowiedz cytując ten post
SQ4AVS Offline
Rafał
*****

Liczba postów: 1,421
Dołączył: 29-01-2010
Post: #9
RE: Mini walkie talkie - Gdzie wlutować kwarc ?
W zasadzie to ten układ można zmodyfikować przez wstawienie kwarcu. Oczywiście kwarc może działać tylko podczas nadawania, podczas odbioru musi być rozłączony -tak jak pisał Henryk to jest układ superreakcyjny. Ciekawa historia dotycząca układów supereakcyjnych, na logikę całkiem możliwa, układ taki ponoć umożliwiał odbiór emisji z rozproszeniem widma zabezpieczonej przed podsłuchem -typu frequency hopping o stosunkowo niskich "skokach".
01-07-2018 22:01
Odwiedź stronę użytkownika Znajdź wszystkie posty użytkownika Odpowiedz cytując ten post
SP2JQR Offline
Henryk
*****

Liczba postów: 1,528
Dołączył: 23-08-2009
Post: #10
RE: Mini walkie talkie - Gdzie wlutować kwarc ?
Odbiorniki superreakcyjne mają z definicji niską selektywność i w przypadku emisji FH z niewielkim rozstawem kanałów odbiór jest możliwy na zboczu krzywej rezonansu. Jakość tego odbioru będzie raczej kiepska. Taki superreakcyjny detektor najlepiej odbiera klasyczną modulację AM.
Można więc próbować zrobić na nim odbiornik lotniczy, najlepiej z dodatkową przemianą na niższą częstotliwość - w okolicach 30-40MHz. Najlepiej działające układy, które robiłem kiedyś były na mosfecie BF966. Na tym tranzystorze łatwo zrobić układ z obcą relaksacją w drugiej bramce.
Przed II wojną światową w Polsce były robione próby wykorzystania odbiorników superreakcyjnych w teletransmisji. Budowano doświadczalne radiolinie na kilkaset MHz z takimi odbiornikami do przesyłania rozmów telelefonicznych. Zbudowanie takiego odbiornika na te zakresy okazywało się prostsze od budowy superheterodyny, która to technologia w tamtym czasie nie była dostępna na tak wysokie częstotliwości ze względu na koszt specjalnych lamp.
Porównałbym to do odbiorników superreakcyjnych budowanych w dzisiejszych czasach na zakresy 10GHz i wyżej, aby tanio wypróbować to pasmo przez początkujących.
(Ten post był ostatnio modyfikowany: 02-07-2018 9:13 przez SP2JQR.)
02-07-2018 9:12
Znajdź wszystkie posty użytkownika Odpowiedz cytując ten post
Odpowiedz 


Skocz do:


Użytkownicy przeglądający ten wątek: