Odpowiedz 
 
Ocena wątku:
  • 23 Głosów - 4.26 Średnio
  • 1
  • 2
  • 3
  • 4
  • 5
HUSAREK DSP
SP3JDZ Offline
Początkujący
**

Liczba postów: 94
Dołączył: 15-03-2014
Post: #871
RE: HUSAREK DSP
(08-09-2017 11:54)HMAMATOR napisał(a):  Czy przy przestrajaniu HUSARKA DSP występują stuki charakterystyczne dla układu Si, jakoś nikt o tym nie pisze, albo ja nie doczytałem?
Ktoś o tym pisał.
U mnie i u kolegi też występują. Głównie są odczuwalne przy większych krokach. Przy kroku 10Hz praktycznie brak.

pozdrawiam
Witek.

http://witec.pl
08-09-2017 12:40
Odwiedź stronę użytkownika Znajdź wszystkie posty użytkownika Odpowiedz cytując ten post
SP9HVW Offline
Józef
***

Liczba postów: 158
Dołączył: 14-06-2010
Post: #872
RE: HUSAREK DSP
Husarka DSP złożyłem w obudowie takiej samej jak Husarek analogowy.
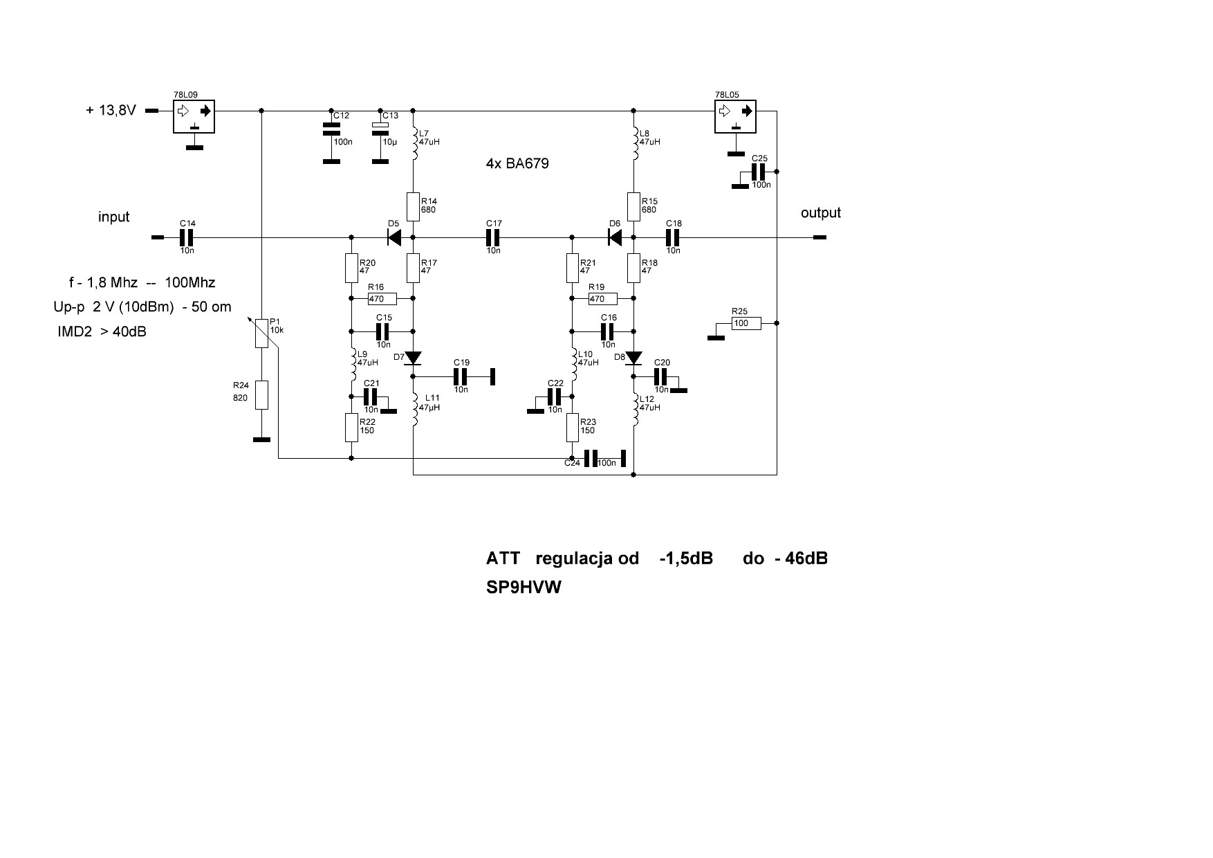
Uruchomiony tor RX z płynną regulacją ATT na diodach PIN BA679 regulacja od -1,5 dB do -46 dB. Dodatkowo zastosowałem wzmacniacz LM4950 - sterowany przez trafo 1:1 z dicsovery, z jednego toru idzie na głośnik wewnętrzny z możliwością przełączenia na zewnętrzny a drugi tor na słuchawki z możliwością
niezaeżnej regulacji wzmocnienia , w tym celu zabudowałem podwójne potencjometry.Tor TX jeszcze nie uruchomiony. Zamieszczam zdjęcia - bez płytki frond end - którą odbiorę w Burzeninie. Podziękowania dla Krzysztofa SQ9KG za fachową pomoc przy pracach mechanicznych.


Załączone pliki Miniatury
İmage İmage İmage

.jpg  Przód DSP HUS.jpg (Rozmiar: 112.65 KB / Pobrań: 4334)
.jpg  Góra środ 1.jpg (Rozmiar: 170.03 KB / Pobrań: 3820)
.jpg  Dół środek 1.jpg (Rozmiar: 149.88 KB / Pobrań: 2452)
.7z  PŁYTA CZOŁOWA HUSAREK DSP.7z (Rozmiar: 7.05 KB / Pobrań: 883)
(Ten post był ostatnio modyfikowany: 25-09-2017 0:44 przez SP9HVW.)
08-09-2017 18:11
Znajdź wszystkie posty użytkownika Odpowiedz cytując ten post
SP5TAA Offline
Witek
****

Liczba postów: 300
Dołączył: 24-03-2009
Post: #873
RE: HUSAREK DSP
No, no, no...to już jest wzór do naśladowania. Moje największe gratulacje.
08-09-2017 18:46
Znajdź wszystkie posty użytkownika Odpowiedz cytując ten post
SPO3O2OL Offline
_._. _ _._
****

Liczba postów: 330
Dołączył: 07-01-2017
Post: #874
RE: HUSAREK DSP
(08-09-2017 11:54)HMAMATOR napisał(a):  Czy przy przestrajaniu HUSARKA DSP występują stuki charakterystyczne dla układu Si, jakoś nikt o tym nie pisze, albo ja nie doczytałem?
Ryszard nie doczytałeś.Stuki przy strojeniu na krokach >100Hz są słyszalne.


(08-09-2017 12:23)SP4LVC napisał(a):  Ja u siebie nie zauważyłem stuków przy przestrajaniu.

Bogdan w niedzielę do spowiedzi,może być nawet w Burzeninie Smile post #655 Pozdrawiam

(08-09-2017 18:11)SP9HVW napisał(a):  Dodatkowo zastosowałem wzmacniacz LM4950 - sterowany przez trafo 1:1 z dicsovery, z jednego toru idzie na głośnik wewnętrzny z możliwością przełączenia na zewnętrzny a drugi tor na słuchawki z możliwością
niezaeżnej regulacji wzmocnienia , w tym celu zabudowałem podwójne potencjometry.

To dość interesujące rozwiązanie.W klubach koledzy mogą dyskutować na tle słuchanych stacji a osoba zainteresowana w danej chwili łącznościami bez problemu może to robić.Gdyby tak dać jeszcze drugi odbiornik to nawet ssb z titawą da się połączyć na klubowych dniach.Fajne Józef,gratuluję.
Czy płynna regulacja ATT daje większy komfort w słuchaniu stacji?

Wojc!o
08-09-2017 19:27
Znajdź wszystkie posty użytkownika Odpowiedz cytując ten post
SP4LVC Offline
Bogdan sk
*****

Liczba postów: 761
Dołączył: 10-07-2009
Post: #875
RE: HUSAREK DSP
Wojtku niestety nie mogę jechać do spowiedzi w Burzeninie. Powiem też, że na normalnie i powszechnie używanych krokach (10, 100 Hz) nie ma u mnie żadnych stuków). Przy dużym, o którym pisałem we wcześniejszym poście coś jest, ale nie wiem jak to jednoznacznie zakwalifikować - czy to stuki, czy ptaszki. Pomyliłem tylko sens ostatniego zdania w tamtym poście. Miało być, że na krokach poniżej 100 Hz nie słychać stukania. W normalnej pracy nie używamy przecież w zasadzie kroku mniejszego niż 10 Hz, bo przy większym trudno się czasem wstroić w korespondenta.

Bogdan
(Ten post był ostatnio modyfikowany: 08-09-2017 19:56 przez SP4LVC.)
08-09-2017 19:56
Znajdź wszystkie posty użytkownika Odpowiedz cytując ten post
SPO3O2OL Offline
_._. _ _._
****

Liczba postów: 330
Dołączył: 07-01-2017
Post: #876
RE: HUSAREK DSP
(08-09-2017 19:56)SP4LVC napisał(a):  W normalnej pracy nie używamy przecież w zasadzie kroku mniejszego niż 10 Hz, bo przy większym trudno się czasem wstroić w korespondenta.

Z tym też ja zgadzam się choć nie wiem co na to wąskocyfrowi emisjonarze Huh
U mnie nawet przy 100Hz są stuki ale występują nie często.Powód jest prosty.Nie przeszukuję przykładowo pełnych 80m na kroku 100Hz bo to za długo trwa przy mechanicznym typie enkodera.Jednak gdy dla testu to robię to stuk czy jak to tam sobie nazwiemy przy 100Hz wystąpi co pewien kawał przeszukiwanej częstotliwości też.

Wojc!o
08-09-2017 20:18
Znajdź wszystkie posty użytkownika Odpowiedz cytując ten post
SP9KN Offline
Przemek
****

Liczba postów: 308
Dołączył: 18-10-2011
Post: #877
RE: HUSAREK DSP
Informacyjnie, przyjechały płytki do husarka DSP....Kto chce lub się zapisał to na priv..
12-09-2017 22:29
Znajdź wszystkie posty użytkownika Odpowiedz cytując ten post
SP5QIR_2 Offline


Liczba postów: 3
Dołączył: 07-09-2017
Post: #878
RE: HUSAREK DSP
Witam,

zacząłem powoli składać husarka. Moduł radiowy i discovery mam już uruchomione. Staram się teraz ogarnąć enkoder i VFO. Lekturę tematu oczywiscie odrobiłem ale mam nadal dwa pytania:
- encoder copala 250 jest na 5V ale jak czytałem chodzi na 3,3V, czyli można go podłączyć bezpośrednio do przewidzianego wtyku na płytce adaptera w wersji 6.
- jeżeli buduje VFO na LVDS to muszę dodać transformator ? Na kilku zdjęciach widziałem chyba jakieś gotowe post #546 ? czy możecie podrzucić gdzie je dostać.
z góry dziękuje za pomoc.

Pozdrawiam
artur de sp5qir
(Ten post był ostatnio modyfikowany: 13-09-2017 13:12 przez SP5QIR_2.)
13-09-2017 11:47
Znajdź wszystkie posty użytkownika Odpowiedz cytując ten post
CYBORG Offline
Darek

Liczba postów: 8
Dołączył: 12-11-2015
Post: #879
RE: HUSAREK DSP
(13-09-2017 11:47)SP5QIR_2 napisał(a):  - jeżeli buduje VFO na LVDS to muszę dodać transformator ? Na kilku zdjęciach widziałem chyba jakieś gotowe post #546 ? czy możecie podrzucić gdzie je dostać.
z góry dziękuje za pomoc.
Jak najbardziej. Zobacz: sp-hm.pl/attachment.php?aid=8323
Pod WB3040 przygotowane są płytki. Ja WB3040 kupowałem od sq5izx@iq.pl
13-09-2017 22:17
Znajdź wszystkie posty użytkownika Odpowiedz cytując ten post
SP5QIR_2 Offline


Liczba postów: 3
Dołączył: 07-09-2017
Post: #880
RE: HUSAREK DSP
@Cyborg bardzo dziękuje właśnie tego elementu nie potrafiłem zidentyfikować .

Pozdrawiam
artur de sp5qir
13-09-2017 23:12
Znajdź wszystkie posty użytkownika Odpowiedz cytując ten post
Odpowiedz 


Skocz do:


Użytkownicy przeglądający ten wątek: 15 gości