Odpowiedz 
 
Ocena wątku:
  • 1 Głosów - 5 Średnio
  • 1
  • 2
  • 3
  • 4
  • 5
Pięciopasmowy odb.KF wg SP3NYI
SQ9HHU Offline
Bartek
**

Liczba postów: 50
Dołączył: 05-09-2010
Post: #1
Pięciopasmowy odb.KF wg SP3NYI
Witam.Zacząłem budowę odbiornika wg SP3NYI,czy ktoś taki wypraktykował?
Czy faktycznie ma dobre parametry jak w opisie? Opis odbiornika w książce Konstrukcje krótkofalarskie dla początkujących.Płytka w opisie ma drobne błędy ale
wyrysowałem płytkę już z prawidłowymi ścieżkami.


Załączone pliki Miniatury
İmage
28-06-2016 11:11
Znajdź wszystkie posty użytkownika Odpowiedz cytując ten post
SQ9HHU Offline
Bartek
**

Liczba postów: 50
Dołączył: 05-09-2010
Post: #2
RE: Pięciopasmowy odb.KF wg SP3NYI
Cześć Koledzy.Odbiornik rodzi się w ciężkich bólach , pomału do przodu.
Niestety już miałem pierwszy problem.Za żadne skarby świata nie chce się wzbudzać
generator VFO.Gdy przylutuję obwód LC bezpośrednio do tranzystora VFO to generator
działa bez problemu ,natomiast w oryginale nie.Prawdopodobnie w oryginale za duże pojemności montażowe i nie chce się to wzbudzać.Dlatego już wylutowałem cewki 7X7
procujące w VFO i będę kombinował inny sposób ich przełączania.


Załączone pliki Miniatury
İmage
08-07-2016 9:51
Znajdź wszystkie posty użytkownika Odpowiedz cytując ten post
SQ9HHU Offline
Bartek
**

Liczba postów: 50
Dołączył: 05-09-2010
Post: #3
RE: Pięciopasmowy odb.KF wg SP3NYI
Kolejny krok w uruchamianiu odbiornika,jeszcze nie w pełni tylko jedno pasmo 80m.
Zestroiłem filtry pcz i na razie jedyny filtr wejsciowy na pasmo 80m. Nagrałem krótki filmik z pracy odbiornika.
https://www.youtube.com/watch?v=7HnzZcXK8hU
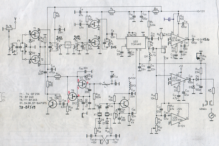
W załącznikach zamieściłem narysowaną płytkę z poprawkami błędów.Oraz schemat z numerami filtrów 7x7 które zastosowałem.


Załączone pliki
.bmp  SWScan00058.bmp (Rozmiar: 969.43 KB / Pobrań: 3814)
.bmp  SWScan00057.bmp (Rozmiar: 1,016.49 KB / Pobrań: 2725)
(Ten post był ostatnio modyfikowany: 21-07-2016 21:09 przez SQ9HHU.)
21-07-2016 15:41
Znajdź wszystkie posty użytkownika Odpowiedz cytując ten post
SQ9HHU Offline
Bartek
**

Liczba postów: 50
Dołączył: 05-09-2010
Post: #4
RE: Pięciopasmowy odb.KF wg SP3NYI
Witam ponownie.Długo nie dawałem znac , mało czasuSad
Odbiorniczek już działa bez zarzutu.Juz wmontowałem do obudowy.Została mi tylko drobna "kosmetyka" typu: opisać przełączniki i potencjometry,nanieść skalę na tarcze.Odbiornik uruchamia się bez większych problemów,ja miałem jedynie problem jak pisałem wcześniej,z VFO.

https://www.youtube.com/watch?v=qnPs-zkleMw
Link do filmiku pokazującego działanie odbiornika na pasmach 80 i 40m,godzina 23 lok.


Załączone pliki Miniatury
İmage İmage İmage İmage
(Ten post był ostatnio modyfikowany: 14-12-2016 9:05 przez SQ9HHU.)
14-12-2016 8:59
Znajdź wszystkie posty użytkownika Odpowiedz cytując ten post
SP6IFN Offline
Ryszard
****

Liczba postów: 463
Dołączył: 23-03-2010
Post: #5
RE: Pięciopasmowy odb.KF wg SP3NYI
No i sympatycznie się słucha. Moje GRATULACJE za doprowadzenie dzieła do końca. Tak to właśnie ma wyglądać, podjąć decyzję, zacząć i zakończyć swoje dzieło. Teraz tylko radość z jego użytkowania. Bardzo ładnie odbiorniczek pracuje. Życzę dalszych sukcesów w konstruowaniu.
Rysio!
14-12-2016 12:31
Odwiedź stronę użytkownika Znajdź wszystkie posty użytkownika Odpowiedz cytując ten post
SQ9HHU Offline
Bartek
**

Liczba postów: 50
Dołączył: 05-09-2010
Post: #6
RE: Pięciopasmowy odb.KF wg SP3NYI
Dziękuję Rysio .Właśnie też mi na tym zależało żeby temat był od początku do końca zrealizowany.Nie tak jak większość tematów w połowie trafia do kosza. Pozdrawiam serdecznie.
No i zdjęcie finałoweSmile Odbiornik skończony . Pozdrawiam Koledzy .


Załączone pliki Miniatury
İmage
(Ten post był ostatnio modyfikowany: 16-12-2016 1:39 przez SQ9HHU.)
15-12-2016 11:23
Znajdź wszystkie posty użytkownika Odpowiedz cytując ten post
SP2SWM Offline
Andrzej
*

Liczba postów: 19
Dołączył: 24-03-2010
Post: #7
RE: Pięciopasmowy odb.KF wg SP3NYI
Czy można prosić o zdjęcia z wnętrza tego odbiornika, co prawda jestem na etapie konstrukcji innego odbiornika kf, ale chętnie popatrzyłbym na mechanikę tego radyjka.
Gratuluję wspaniałego "audio", ciekawe co jest tego przyczyną? Takiego dźwięku nie udaje się uzyskać na odbiornikach z bezpośrednią przemianą.
Swoją drogą przydałby się jakiś s-metr - jest na schemacie, to już byłaby wisienka na torcie.
Pozdrawiam i życzę powodzenia w uruchomieniu na pozostałych pasmach
19-12-2016 17:05
Znajdź wszystkie posty użytkownika Odpowiedz cytując ten post
SP2SGA Offline
Adam
***

Liczba postów: 110
Dołączył: 10-02-2014
Post: #8
RE: Pięciopasmowy odb.KF wg SP3NYI
Gratuluję wspaniałego "audio", ciekawe co jest tego przyczyną? Takiego dźwięku nie udaje się uzyskać na odbiornikach z bezpośrednią przemianą.

Co Ty Andrzej wypisujesz ? Smile
Odbiornik SP5WW i pochodne tak właśnie pracuje. Miałem nie jeden model uruchomiony i zawsze pracował poprawnie jak na swoje możliwości.
Zawsze na filtrze fabrycznym PP9.
ARW w tych odbiornikach było dość skuteczne i była możliwość rozbudowy
o wcześniejsze stopnie p.cz w zależności od pomysłowości konstruktora.
Konstrukcja ta jest w miarę prosta do wykonania i skuteczna. W latach 80-tych
miałem na tym układzie transceiver pięciopasmowy i zaliczyłem na nim wiele krajów.
Wydaje mi się, że w tamtym czasie łatwiej było robić dx-y na sprzęcie amatorskim
niż teraz na fabrycznych wypadach o parametrach nieco kontrowersyjnych Smile
No ale przyczyny tego dobrze znamy.
Co do audio tego urządzenia to wydaje mi się powtarzalne przy założeniu że
układ zmontowany jest poprawnie.

Pozdrawiam
Adam
SP2SGA
19-12-2016 17:54
Znajdź wszystkie posty użytkownika Odpowiedz cytując ten post
SP2SWM Offline
Andrzej
*

Liczba postów: 19
Dołączył: 24-03-2010
Post: #9
RE: Pięciopasmowy odb.KF wg SP3NYI
Witam
Według mnie odbiornik z bezpośrednią przemianą to taki, który nie zawiera filtra kwarcowego (lub elektromechanicznego) np. PP9.....
Pisząc o odbiorniku z bezpośrednią przemianą mam na myśli popularne "home-made", gdzie po mieszaczu jest stopień m.cz.
Tu nie chodzi o to, że dźwięk jest jakiś zły, bo sam używam również odbiornika HM, ale ten na prawdę dobrze brzmi i podtrzymuję to co napisałem powyżej.
19-12-2016 19:24
Znajdź wszystkie posty użytkownika Odpowiedz cytując ten post
SP2SGA Offline
Adam
***

Liczba postów: 110
Dołączył: 10-02-2014
Post: #10
RE: Pięciopasmowy odb.KF wg SP3NYI
No tak. Teraz to też się zgadzam.
Kolega nasz wykonał radio jak w opisie
i z filtrem kwarcowym a Ty odniosłeś się do homodyny.
Ja wiem dokładnie jak pracuje odbiornik
a z TCA440. Niestety nie wiem jak pracuje homodyna.
Nigdy takowej nie wykonałem. No ale w zamyśle jest Husarek dsp.
No obróbka cyfrowa więc i tak będzie niedosyt
bo to jednak nie analog Smile

Pozdrawiam
Adam
SP2SGA
19-12-2016 22:20
Znajdź wszystkie posty użytkownika Odpowiedz cytując ten post
Odpowiedz 


Skocz do:


Użytkownicy przeglądający ten wątek: 1 gości