Odpowiedz 
 
Ocena wątku:
  • 1 Głosów - 5 Średnio
  • 1
  • 2
  • 3
  • 4
  • 5
Tiny SDR 1.0
SQ8NZD Offline
Adrian
*****

Liczba postów: 858
Dołączył: 11-02-2011
Post: #1
Tiny SDR 1.0
Witam

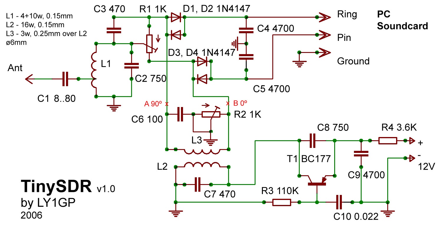
Mam drut nawojowy 0.4mm i nie wiem czy nadaje się on do tych cewek.

Proszę o pomoc.

Aha. Jaki zakres przestrajania ma ten SDR ? 80m , 40m ??


Załączone pliki Miniatury
İmage

https://sites.google.com/view/sq8nzd - Moja strona web.
(Ten post był ostatnio modyfikowany: 19-09-2015 17:59 przez SQ8NZD.)
19-09-2015 17:59
Znajdź wszystkie posty użytkownika Odpowiedz cytując ten post
SQ9JXT Offline
Tomek
****

Liczba postów: 493
Dołączył: 05-04-2011
Post: #2
RE: Tiny SDR 1.0
(19-09-2015 17:33)SQ8NZD napisał(a):  Witam

Mam drut nawojowy 0.4mm i nie wiem czy nadaje się on do tych cewek.

Proszę o pomoc.

Nie nadaje się z powodów mechanicznych. Działać będzie ale też będzie Ci się to ciągle rozstrajać. Na cewki o małej ilości zwojów lepiej dać możliwie gruby drut, bo będzie mechanicznie stabilny. Kup w sklepie kabel instalacyjny tzw DYT 3x0,75 mm2, wydłub z izolacji plastikowej i takim nawiń. Można też srebrzanką 1 mm ale to przerost formy nad treścią.
19-09-2015 18:05
Znajdź wszystkie posty użytkownika Odpowiedz cytując ten post
SP2JQR Offline
Henryk
*****

Liczba postów: 1,528
Dołączył: 23-08-2009
Post: #3
RE: Tiny SDR 1.0
Adrianie, założyłeś nowy temat z nową konstrukcją, czyżby nie starczyło Ci znowu cierpliwości do uruchomienia odbiornika z poprzedniego tematu: http://sp-hm.pl/thread-2428-post-26288.html#pid26288 ???
(Ten post był ostatnio modyfikowany: 19-09-2015 21:45 przez SP2JQR.)
19-09-2015 20:53
Znajdź wszystkie posty użytkownika Odpowiedz cytując ten post
SP6IFN Offline
Ryszard
****

Liczba postów: 463
Dołączył: 23-03-2010
Post: #4
RE: Tiny SDR 1.0
Te wątek nadaje się do kosza, ponieważ Kol.Adrian....
a/ - nie rozumie co to jest średnica drutu wykorzystywanego do nawijania cewek,
b/ - nie czyta co jest napisane na schemacie który przytoczył w swoim poście,
c/ - nie zna zasady działania odbiornika którego schemat dołączył,
I co najważniejsze:
NIE ZAKOŃCZYŁ Z WYNIKIEM POZYTYWNYM SWOJEJ POPRZEDNIEJ KONSTRUKCJI O KTÓREJ BYŁO GŁOŚNO TU:http://sp-hm.pl/thread-2428-post-26288.html#pid26288
Z całym SZACUNKIEM dla osoby Adriana, ale zakładanie kolejnych wątków z takimi pytaniami OŚMIESZA to forum, może Adrian powinien mieć swój własny kącik na tym forum....przeznaczony jedynie dla Niego?
Rysio!
19-09-2015 21:43
Odwiedź stronę użytkownika Znajdź wszystkie posty użytkownika Odpowiedz cytując ten post
SP9MRN Offline
MAc
*****

Liczba postów: 822
Dołączył: 29-08-2009
Post: #5
RE: Tiny SDR 1.0
Adrian, jeżeli Rysio!, który jest człowiekiem nadzwyczaj cierpliwym i jednym z niewielu, którzy wytykają cudze błędy konstrukcyjne w sposób niezwykle delikatny, dostaje (jak widać) białej gorączki, to znaczy, że twoje pytania dowodzą braku podstaw. Przeglądnąłem (po rz kolejny) Twoje posty i widzę, że rzucasz cię jak ryba z wody wyciągnięta.
Postaw sobie jakiś cel - najlepiej prosty - i go zrealizuj od początku do końca.
Widać, że chcesz, ale nie wystarcza ci konsekwencji.
Pomożemy, ale SŁUCHAJ...

MAc
mrn
20-09-2015 1:51
Odwiedź stronę użytkownika Znajdź wszystkie posty użytkownika Odpowiedz cytując ten post
SQ8NZD Offline
Adrian
*****

Liczba postów: 858
Dołączył: 11-02-2011
Post: #6
RE: Tiny SDR 1.0
(19-09-2015 18:05)SQ9JXT napisał(a):  
(19-09-2015 17:33)SQ8NZD napisał(a):  Witam

Mam drut nawojowy 0.4mm i nie wiem czy nadaje się on do tych cewek.

Proszę o pomoc.

Nie nadaje się z powodów mechanicznych. Działać będzie ale też będzie Ci się to ciągle rozstrajać. Na cewki o małej ilości zwojów lepiej dać możliwie gruby drut, bo będzie mechanicznie stabilny. Kup w sklepie kabel instalacyjny tzw DYT 3x0,75 mm2, wydłub z izolacji plastikowej i takim nawiń. Można też srebrzanką 1 mm ale to przerost formy nad treścią.

Mam nawet taki drut o średnicy 1mm........ Zobaczymy.

Aha. Tamten odbiornik działa, ale trzeba go tylko przetestować z możliwie dalekiej odległości. \

OK. Aby się czegoś nauczyć od Was to prosiłbym o to jak obliczać obwód odbiornika dla wyższych pasm KF.

https://sites.google.com/view/sq8nzd - Moja strona web.
(Ten post był ostatnio modyfikowany: 20-09-2015 6:21 przez SQ8NZD.)
20-09-2015 6:21
Znajdź wszystkie posty użytkownika Odpowiedz cytując ten post
SP2JQR Offline
Henryk
*****

Liczba postów: 1,528
Dołączył: 23-08-2009
Post: #7
RE: Tiny SDR 1.0
(20-09-2015 6:21)SQ8NZD napisał(a):  Aha. Tamten odbiornik działa, ale trzeba go tylko przetestować z możliwie dalekiej odległości.

Tamten odbiornik NIE DZIAŁA.
Nie zapodałeś żadnego filmiku ani MP3 z prawidłowego działania tamtego odbiornika,
dlatego nie spodziewaj się, że koledzy, którzy poświęcili Ci czas i pomagali w uruchamianiu tamtego odbiornika będą pomagać dalej. Olałeś ich.
Twój brak szacunku dla ludzi, którzy poświęcili specjalnie dla Ciebie swój wolny czas i chcieli Ci pomóc jest ewidentny. Mogli w tym samym czasie konstruować inne ciekawsze i bardziej odkrywcze rzeczy, albo mogli pomagać innym kolegom, którzy chcą się czegoś nauczyć i rzeczywiście robią to budując konstrukcje na coraz to wyższym poziomie.
Wnoszę do Admina o zablokowanie możliwości dopisywania nowych postów do tego tematu i wcześniej założonych oraz zakładania następnych, zanim Adrian porządnie nie uruchomi rozpoczętego odbiornika i nie pokaże tego w postaci filmiku.
(Ten post był ostatnio modyfikowany: 20-09-2015 12:15 przez SP2JQR.)
20-09-2015 10:07
Znajdź wszystkie posty użytkownika Odpowiedz cytując ten post
SQ9RFC Offline
Jerzy
*****

Liczba postów: 1,193
Dołączył: 02-07-2010
Post: #8
RE: Tiny SDR 1.0
Henryk ... nic na siłę. Poczekajmy co Adrian odpowie.

73 JERZY SQ9RFC
20-09-2015 10:49
Znajdź wszystkie posty użytkownika Odpowiedz cytując ten post
SQ8NZD Offline
Adrian
*****

Liczba postów: 858
Dołączył: 11-02-2011
Post: #9
RE: Tiny SDR 1.0
Akurat ta konstrukcja nie chce działać.

Oprogramowanie : WinRAD HD. Huh

https://www.youtube.com/watch?v=wXXtFHOn...e=youtu.be $ film : Lidia na 7MHz. Niestety tylko szumi. Zapraszam do pomocy w sąsiednim dziale.

https://sites.google.com/view/sq8nzd - Moja strona web.
(Ten post był ostatnio modyfikowany: 20-09-2015 11:08 przez SQ8NZD.)
20-09-2015 11:08
Znajdź wszystkie posty użytkownika Odpowiedz cytując ten post
SQ9RFC Offline
Jerzy
*****

Liczba postów: 1,193
Dołączył: 02-07-2010
Post: #10
RE: Tiny SDR 1.0
Już się pogubiłem gdzie mam pomagać. To przy SDR, tam przy Lidii, czy tam, atam, przy NE602. Staram się pomagać ze wszystkich sił.

73 JERZY SQ9RFC
20-09-2015 11:45
Znajdź wszystkie posty użytkownika Odpowiedz cytując ten post
Odpowiedz 


Skocz do:


Użytkownicy przeglądający ten wątek: