Odpowiedz 
 
Ocena wątku:
  • 0 Głosów - 0 Średnio
  • 1
  • 2
  • 3
  • 4
  • 5
Zasilacz 0 - 30 V i pomiary oscyloskopowe
SQ3REI Offline
Początkujący
**

Liczba postów: 60
Dołączył: 29-06-2010
Post: #1
Zasilacz 0 - 30 V i pomiary oscyloskopowe
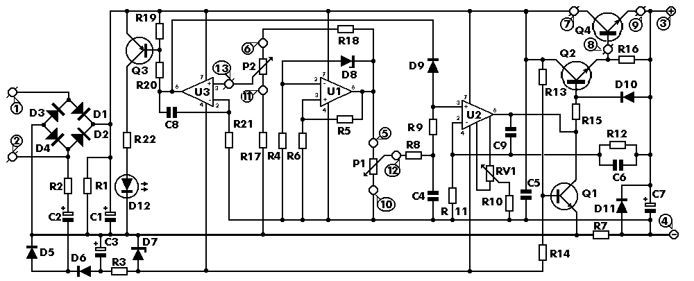
Zrobiłem zasilacz ze strony http://electronics-lab.com/projects/power/001/
Jestem z niego bardzo zadowolony. Oto jego schemat:
İmage
Wczoraj jednak zauważyłem dziwne jego zachowanie podczas pomiarów oscyloskopem. Zasilacz podłączyłem do TRX QRP, którego teraz buduję i chciałem sprawdzić pracę BFO przy pomocy oscyloskopu. W momencie podłączania sondy oscyloskopowej (masy) do PCB, nastąpił gwałtowny wzrost napięcia i prądu zasilacza (całe szczęście zasilacz posiada zabezpieczenie przeciążeniowe).
Myślałem, że uszkodzona jest sonda, ale podłączyłem drugą i efekt był taki sam - podłączenie oscyloskopu powoduje nagły wzrost U i I z zasilacza.
Co ciekawe, jeżeli zasilam PCB z akumulatora i dokonuję pomiaru oscyloskopem, to wszystko jest OK. Stąd podejrzewam, że przyczyna tkwi gdzieś w zasilaczu.
Proszę kolegów o sugestie i pomoc.
21-01-2015 18:24
Znajdź wszystkie posty użytkownika Odpowiedz cytując ten post
SP7WMX Offline
Jacek
**

Liczba postów: 69
Dołączył: 08-07-2012
Post: #2
RE: Zasilacz 0 - 30 V i pomiary oscyloskopowe
Sprawdź czy jakiś punkt płytki zasilacza nie zwiera do obudowy która chyba nie jest podłączona do minusa (masy).Sądzę że masz wtyczki sieciowe z zerowaniem i podłączenie masy oscyloskopu zamyka obwód.Generalnie sprawdź co jest na obudowie bo chyba nie minus.
21-01-2015 19:27
Znajdź wszystkie posty użytkownika Odpowiedz cytując ten post
SQ3REI Offline
Początkujący
**

Liczba postów: 60
Dołączył: 29-06-2010
Post: #3
RE: Zasilacz 0 - 30 V i pomiary oscyloskopowe
Dzięki Jacek za sugestię, choć tak naprawdę nie wiem, gdzie PCB zasilacza mogła zwierać do obudowy.
Odkręciłem obudowę i zaizolowałem wszystkie newralgiczne styki. Skręciłem wszystko ponownie i...jest OK !!!
23-01-2015 1:32
Znajdź wszystkie posty użytkownika Odpowiedz cytując ten post
SQ6ADE Offline
Radjoamator.
****

Liczba postów: 540
Dołączył: 05-04-2010
Post: #4
RE: Zasilacz 0 - 30 V i pomiary oscyloskopowe
Pomiary oscylem kończą się często tragicznie w przypadku zasilaczy impulsowych.
Dlatego tak na zaś trzeba albo oscyl zasilany z sieci zbadać a łatwiej pójść na łatwiznę
i zasilić go via trafo separacyjne bez połączenia bolca zerującego od strony wtórnej.
Wtedy oscyl elektrycznie wisi w powietrzu Smile

tylko na FM UKF -> Just True Sound Hi-Fi Smile
23-01-2015 21:14
Znajdź wszystkie posty użytkownika Odpowiedz cytując ten post
SP3SUZ Offline
Zaawansowany użytkownik
****

Liczba postów: 514
Dołączył: 30-09-2013
Post: #5
RE: Zasilacz 0 - 30 V i pomiary oscyloskopowe
Zajrzałem na tę stronę . Fajne układy, najlepszy jest nadajnik lampowy FM 45 Wat. Podobnie były zbudowane w "tamtej " Polsce zagłuszarki na RWE. Swego czasu były takie na jednej GU81. Lokalnie dawało to niecały kilowat a wzmocnione dopałką 10 kW. Jeszcze w latach 60 tych takie pracowały. Ale układ prima sort, warto spróbować -hi. jeszcze co do pomiarów - sprawdź czy masa oscyloskopu jest podłączona do masy układu. To warunek konieczny, poza tym oscyloskop powinien być podłaczony ztego samego gniazkda co zasilacz urządzenia. Często bywa tak że jedno gniazdko jest na jednej fazie z sieć i a drugie na innej, wtedy... może być groźnie.
24-01-2015 12:33
Znajdź wszystkie posty użytkownika Odpowiedz cytując ten post
Odpowiedz 


Skocz do:


Użytkownicy przeglądający ten wątek: 1 gości