Odpowiedz 
 
Ocena wątku:
  • 1 Głosów - 5 Średnio
  • 1
  • 2
  • 3
  • 4
  • 5
NE612 jako modulator/demodulator w TRX'ach z przemianą
SP2JQR Offline
Henryk
*****

Liczba postów: 1,528
Dołączył: 23-08-2009
Post: #21
RE: NE612 jako modulator/demodulator w TRX'ach z przemianą
(22-10-2015 22:08)SP2FP napisał(a):  Budując część nadawczą zastosowałem 612 jako modulator dsb. Niestety wytłumienie nośnej mnie nie zadowala . mam regulację poziomu s generatora BFO , równoważenie mieszacza , za nim tranzystor separujący i filtr kwarcowy . Oczywiście tłumienie na zboczu filtru daje wytłumienie na wyjściu trxa blisko 80 db ale sam modulator wycina w granicach 40-45 db - ciężko zmierzyć ,
BFO nie przenika przez ścieżki , ma własną pętlę masy itd ,

Wytłumienie nośnej w NE612 bez żadnych układów równoważenia i przy odbieraniu sygnału wyjściowego tylko z jednej nogi scalaka powinno wynosić 50dB.
Najdzęstszą przyczyną gorszego wytłumienia jest:
1. Niesinusoidalny kształt sygnału BFO
2. Źle dobrana amplituda sygnału BFO
3. Przenikanie sygnału po ścieżkach masy lub przez źle odszprzężone obwody.
23-10-2015 9:19
Znajdź wszystkie posty użytkownika Odpowiedz cytując ten post
SP2FP Offline
PAWEŁ
***

Liczba postów: 184
Dołączył: 01-11-2009
Post: #22
RE: NE612 jako modulator/demodulator w TRX'ach z przemianą
Wszystko się zgadza
1 - sygnał bfo jest dość ładny zawartość 2giej harmonicznej poniżej 40db , jest separowany wtórnikiem do 612 - ale faktycznie zastosowanie fliktru LC nie zaszkodzi - a przynajmniej można sprawdzić - bo samo uzyskanie sinusa z generatorka na jednym bipolarnym nie jest takie proste Smile a czysty z założenia nie będzie ,
2 - W ustawieniach poziomu jest moment w którym zwiększanie poziomu bfo daje lepsze wytłumienie nośnej , a póżniej jej wzrost . oczywiście równoważnie też jest dokładnie czytelne . Może mam 50 db - będę dokładniej testował .
3 - Prowadzenia masy wykonywałem z należyta starannością oraz sama separacja montażowa generator ,, oddzielenie modulator oddzielenie filtr kwarcowy już na następnej płytce .
Płytka nadawcza dodatkowo dwustronna z pełną masą od dołu - montaż smd od góry - scalak 612 tht aczkolwiek przy takich różnicach S/Nośna samo ekranowanie generatora ułożenie ścieżek aby nie tworzyć pętli itd jeden punkt masy oddzielne pole ekranujące dławiki o określonym rezonansie w zasilaniu nie jest takie łatwe . Starałem się doświadczalnie uzyskać co można .

Dalej czy wykonanie wyjścia symetrycznego z obwodem lc i branie sygnału separującym uzwojeniem powinno dać jeszcze poprawę . Wydaje mie się że w sp5ww modulator na 1042 odpowiednio wykonany dawał s/nośna 60 db - ale to dawne czasy .
Miał on doprowadzony sygnał gfn trafkiem symetryzującym i tryfilarny obwód wyjściowy ?
Paweł
23-10-2015 9:50
Odwiedź stronę użytkownika Znajdź wszystkie posty użytkownika Odpowiedz cytując ten post
SP2JQR Offline
Henryk
*****

Liczba postów: 1,528
Dołączył: 23-08-2009
Post: #23
RE: NE612 jako modulator/demodulator w TRX'ach z przemianą
UL1042 dawał ponad 60db z układem równoważenia.
Gdyby do NE612 doprowadzić i odprowadzić wszystkie sygnały symetrycznie to pewnie też podobną wartość się uzyska.
Bez tego 50dB i to bez układu równoważenia jest normą dla NE612. Trzeba to dokładnie zmierzyć, bo być może tyle jest.
Można też w celu poprawy zastosować filtr PI do BFO, 40 dB wytłumienia drugiej harmonicznej to trochę mało jeśli chce się wytłumić nośną o więcej.
Najlepsze wytłumienie uzyskiwałem na klasycznym mieszaczu diodowym po warunkiem wprowadzenia układu równoważenia rezystancją oraz pojemnością.
23-10-2015 10:12
Znajdź wszystkie posty użytkownika Odpowiedz cytując ten post
SQ5KVS Offline
Karol
*****

Liczba postów: 1,013
Dołączył: 26-09-2012
Post: #24
RE: NE612 jako modulator/demodulator w TRX'ach z przemianą
(23-10-2015 0:04)SP9MRN napisał(a):  to ma sens (podwójne wyjście z NE602), jak się robi prostą homodynę i chce się za darmo więcej wzmocnienia. Jeżeli i tak trzeba wzmacniać, to lepiej filtrować na niższym poziomie. No chyba, że upraszczasz maksymalnie...

Moim zdaniem ma sens tak czy inaczej - wyjściem symetrycznym likwidujemy drugie harmoniczne. Dla modulatora to moze nie jakieś istotne, BPF odfiltruje. Dla demodulatora trudniej - 300- 3000Hz to cały rząd wielkości.
23-10-2015 14:51
Znajdź wszystkie posty użytkownika Odpowiedz cytując ten post
SP9LVZ Offline
Piotr
*****

Liczba postów: 809
Dołączył: 13-01-2015
Post: #25
RE: NE612 jako modulator/demodulator w TRX'ach z przemianą
Witam zwolenników NE612. Ja na tych układach wykonałem kilka TRXów, pomijając niskie IP3 to polecam do zastosowań. Układy dobrze spisują się na niskich sygnałach. W RX (jako mixer) - nadają się do prostych QRP, (jako demodulator) - jeszcze lepiej ale nie należy dawać przed nim wzmacniacza p.cz. tylko nisko szumny wzmacniacz m.cz. o dużym wzmocnieniu oraz ARW na m.cz. Poziom szumów i produktów ubocznych zależy o poziomu sygnału z BFO. W TX jako modulator sprawują się dobrze, ale zasada podobnie jak w RX, że trzeba dobrać wielkość sygnału z BFO, tak by nie ciekła nośna. Wytłumienie 50 dB nośnej (NE + filtr kwarcowy) jest zupełnie wystarczające do pracy SSB. Każdy kto zrobił poprawnie działającego "Antka" wie o co chodzi.
01-11-2015 23:52
Odwiedź stronę użytkownika Znajdź wszystkie posty użytkownika Odpowiedz cytując ten post
SP2FP Offline
PAWEŁ
***

Liczba postów: 184
Dołączył: 01-11-2009
Post: #26
RE: NE612 jako modulator/demodulator w TRX'ach z przemianą
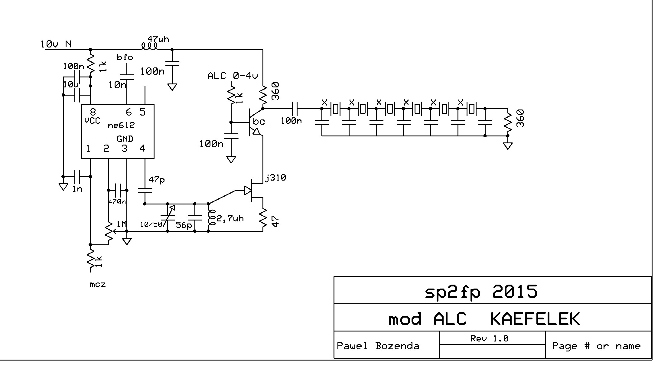
Dokładniejsze pomiary wykazały tłumienie 60 db . Należy użyć precyzyjnego rezystora najlepiej wieloobrotowego - równoważącego mieszacz .
Na rysunku po ne612 wzmacniacz koskoda feta j310 z bc546 z napięciową regulacja wzmocnienia w zakresie 1-300% . Wzmacniacz na pełnym gazie ma wzmocnienie napięciowe rzędu 3 , a zmniejszając Uagc do 0v mam tylko ślady poprzez pojemności układu . Najważniejsze że w pełnym zakresie zawartość 2giej harmonicznej jest na poziomie minus 55-60db trzeciej nie widzę - fft na " hantek dso5102b".
Przy nap bfo 200mV pp , rozrównoważeniu peerkiem do masy - mam na nodze 4tej 750mVpp. Na wyjściu wzmacniacza 2,4 V pp !!!. Oczywiście nie wykorzystuję aż tak dużego poziomu ale mam zapas regulacji , zwiększając wart. rezystora źródło-masa można uzyskać wzmocnienie max rzędu 1 . Chodzi o to aby pokazać jak można uzyskać dość prosty wzmacniacz regulacyjny . ALC można realizować na różne sposoby , i każde mają zalety i wady . Regulacja po modulatorze zapewnia w miarę stały poziom sygnał / fala nośna . Za tym wzmacniaczem jest filtr kwarcowy który dotnie produkty nie pożądane . Fet na wejściu kaskody z prostym układem LC nie obciąża mocno wyjścia modulatora , dodatkowo wzmacniacz nie dostaje składowej m.cz. Być może moje zmagania przydadzą się komuś w praktyce .


Załączone pliki Miniatury
İmage
03-11-2015 23:34
Odwiedź stronę użytkownika Znajdź wszystkie posty użytkownika Odpowiedz cytując ten post
SP2FP Offline
PAWEŁ
***

Liczba postów: 184
Dołączył: 01-11-2009
Post: #27
RE: NE612 jako modulator/demodulator w TRX'ach z przemianą
Ma ktoś pomysł jak przy tym układzie wzbudzić rezonator zegarkowy 32,.. KHza ?
dałem po 100 pf i tez nie rusza
(Ten post był ostatnio modyfikowany: 27-10-2016 21:35 przez SP2FP.)
27-10-2016 21:35
Odwiedź stronę użytkownika Znajdź wszystkie posty użytkownika Odpowiedz cytując ten post
SP2JQR Offline
Henryk
*****

Liczba postów: 1,528
Dołączył: 23-08-2009
Post: #28
RE: NE612 jako modulator/demodulator w TRX'ach z przemianą
zastosuj 1nF albo jeszcze więcej nawet do 10nF.
28-10-2016 19:07
Znajdź wszystkie posty użytkownika Odpowiedz cytując ten post
SP2FP Offline
PAWEŁ
***

Liczba postów: 184
Dołączył: 01-11-2009
Post: #29
RE: NE612 jako modulator/demodulator w TRX'ach z przemianą
Dzięki za odzew . Doszedłem do poj. 4,7nf bez generacji, dodawałem pe-erek 100k z bazy (6) do masy aby wprowadzić tranzystor gen 602 w bardziej liniowy punkt pracy ( w strukturze na bazę poprzez wew 18 kom jest podane zasilanie salaka) . Oczywiście kwarce 10 mhz i podobne działają bez problemu. Podam jeszcze większe pojemności ( chyba że zrobię LC ) bo na stabilności f mi mocno nie zależy.
Jak już jesteśmy przy tym o mieszaczu to ciekawostką jest że generator wew z kwarcem 10 MHz ma amplitudę 2 V pk-pk (6noga), a noty podają aby nie przekraczać 300 mV pk-pk . Chyba gdzieś był wątek czy dokładać zew. rezystor czy nie . Stosując zewnętrzny generator nie ma takiej potrzeby. Przy wewnętrznym gen zmiana napięcia na bazie, być może poprawi parametry układu - przenikania nośnej czystości samego generatora .
28-10-2016 19:53
Odwiedź stronę użytkownika Znajdź wszystkie posty użytkownika Odpowiedz cytując ten post
SQ4AVS Offline
Rafał
*****

Liczba postów: 1,421
Dołączył: 29-01-2010
Post: #30
RE: NE612 jako modulator/demodulator w TRX'ach z przemianą
Najprawdopodobniej nie uda Ci się wzbudzić kwarcu. Problemem jest duża rezystancja szeregowa. Musisz zastosować generator np. z fetem.
28-10-2016 22:58
Odwiedź stronę użytkownika Znajdź wszystkie posty użytkownika Odpowiedz cytując ten post
Odpowiedz 


Skocz do:


Użytkownicy przeglądający ten wątek: 1 gości