Odpowiedz 
 
Ocena wątku:
  • 1 Głosów - 5 Średnio
  • 1
  • 2
  • 3
  • 4
  • 5
Wskaźniki segmentowe na LED
SP9OYA Offline
Władek
*

Liczba postów: 26
Dołączył: 19-07-2009
Post: #1
Taurus-S-meter na LM3914
Koledzy proszę o pomoc.Poszukuję sprawdzonego schematu S-metra i ew.Power-metra który chcę zastosować w budowanym Trx Taurus-80.Posiadam wspomniany układ LM3914 oraz linijkę diodową /bagraf/-10 LED.Może koledzy którzy uruchomili swoje Trx z zastosowaniem powyższych elementów pomogą.Myślę,że zaskarbią sobie wdzięczność też tych którzy z tego skorzystają.
73! Władek
21-07-2009 21:58
Znajdź wszystkie posty użytkownika Odpowiedz cytując ten post
SP2-1604 Offline
Bogusław
*

Liczba postów: 17
Dołączył: 24-06-2009
Post: #2
RE: Taurus-S-meter na LM3914
Witam.
Nie wiem, czy dokładnie o to chodziło, ale znalazłem taki schemat, mam nadzieję że się przyda. Poniżej link do strony.
http://www.py2bbs.qsl.br/s-meter.php
Pozdrawiam, Bogusław sp2-1604
24-07-2009 0:15
Znajdź wszystkie posty użytkownika Odpowiedz cytując ten post
SP2-1604 Offline
Bogusław
*

Liczba postów: 17
Dołączył: 24-06-2009
Post: #3
40 segmentowy S-metr na LED
Witam Serdecznie.

Na stronie N6BG znalazłem ciekawy schemat S-Metra, myślę, że może być fajnym dodatkiem do wszystkich konstrukcji TRX. Można zastosować różnokolorowe segmenty LED, np. segment 1 i 2 w kolorze zielonym, segment 3 - żółty, segment 4 – czerwony. Stopniując w ten sposób poziom sygnału od najniższego S-0 do najwyższego S-60.
Oczywiście, to tylko sugestia.
Link do strony poniżej.
http://www.qsl.net/n6bg/thunt/ledsmtr.html

Pozdrawiam, Bogusław
09-09-2009 16:01
Znajdź wszystkie posty użytkownika Odpowiedz cytując ten post
SP5FCS Offline
Adam
*****

Liczba postów: 1,073
Dołączył: 02-02-2009
Post: #4
RE: Wskaźniki segmentowe na LED
Jakiś czas temu również intensywnie przerabiałem temat wskaźników segmentowych do TRX-a QRP. Mimo sporej ilości projektów i gotowych rozwiązań zawsze im czegoś brakowało. Postanowiłem zbudować uniwersalny wskaźnik segmentowy na diodach LED sterowany mikroprocesorem. Cena mikroprocesora jest porównywalna z kosztem zakupu specjalizowanego układu do sterowania linijką LED a możliwości wielokrotnie większe.

Założenia projektowe:
- linijka 12*LED (2*zielona, 8*żółta,2*czerwona);
- mikroprocesor ATmega8-DIL28 pracujący w wew.generatora RC;
- pomiar napięcia S-metra (0...5)V, S0...S9, S9+10, S9+20
- pomiar mocy nadawania (0...5)V;
- linia wejściowa do kontroli PTT (dla RX-zobrazowanie S-metra, dla TX-moc).

Zaletą zastosowania procesora jest możliwość przeskalowania napięcia pomiarowego na odpowiednią wielkość pomiarową (skala S-metra, moc). Poziomy wejściowe muszą być doprowadzone do zakresu pomiaru przetwornika ADC procesora (max. 5V). Zastosowanie procesora w podstawce pozwala na łatwą wymianę i zmianę funkcji wskaźnika np pomiar napięcia, prądu itd.
Wykonałem prosty prototyp na którym uruchamiam soft. Pierwszy problem to sposób zobrazowania pomiaru, w postaci ciągłej linijki czy pojedynczej diody. W przypadku S-metra czy mocy linijka wydaje się bardziej obrazowa ale przy pomiarze SWR czy napięcia zasilania skłaniam się do wyświetlania wyniku w postaci pojedynczej diody.
Zapraszam do dyskusji i wspólnego modyfikowania projektu. Będę wdzięczny za każdy głos w dyskusji. Jeśli będzie zainteresowanie zamieszczę schemat, płytkę oraz HEX dla procka.


Załączone pliki Miniatury
İmage İmage

73 Adam
09-04-2010 23:05
Znajdź wszystkie posty użytkownika Odpowiedz cytując ten post
QRP73 Offline
Marek
**

Liczba postów: 90
Dołączył: 19-06-2009
Post: #5
RE: Wskaźniki segmentowe na LED
Jeśli dobrze rozumiem smetr będzie miał skalę decybelową a pomiar mocy będzie proporcjonalny do kwadratu napięcia. To dałoby większą dokładność pomiarów.
Fajną opcją jest zmiana wyświetlanej wartości od stanu PTT. Jeśli jest miejsce na program dodałbym jeszcze jeden przełącznik i wyświetlał równiwż SWR.
Taki wskaźnik pozwoliłby zrezygnować z zewnętrznych SWR-miarek których stosowanie w terenie lub na wyjazdach jest zawsze dodatkowym kłopotem.
10-04-2010 9:31
Znajdź wszystkie posty użytkownika Odpowiedz cytując ten post
SP5FCS Offline
Adam
*****

Liczba postów: 1,073
Dołączył: 02-02-2009
Post: #6
RE: Wskaźniki segmentowe na LED
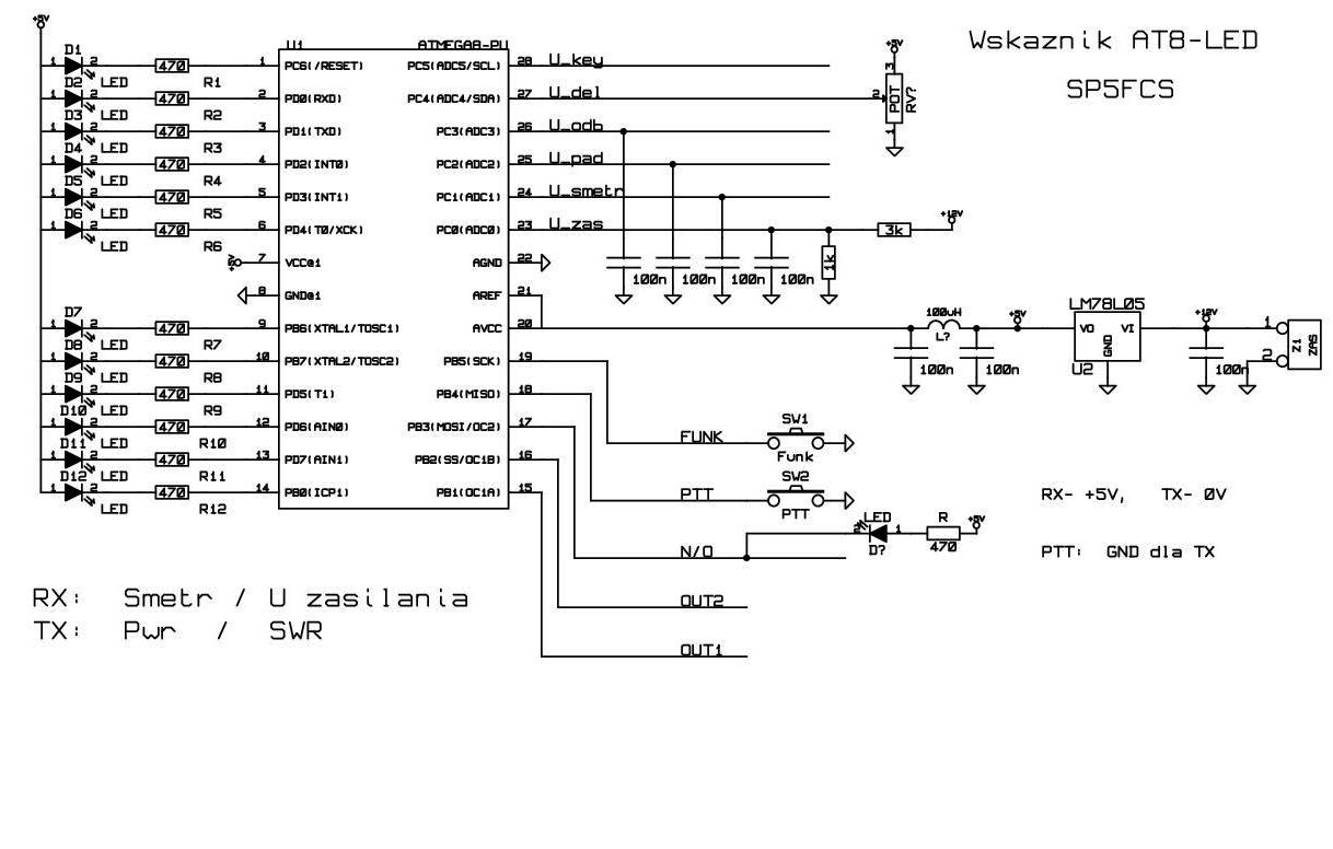
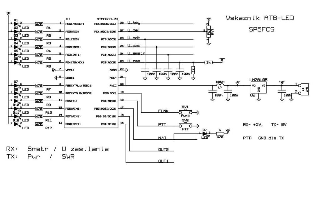
Napięcie do sterowania wskaźnika S-metra pozyskiwane jest najczęściej z układu ARW. W różnych urządzeniach są to różne poziomy. Ze względu na możliwości przetwornika ADC procesora sygnał powinien być znormalizowany do przedziału (0...5)V oraz przeskalowany programowo na powszechnie stosowaną skalę siły sygnału S. Takie rozwiązanie zastosował Waldemar 3Z6AEF w FK2007 (UserManual str. 10). Jeśli autor pozwoli mogę przyjąć to za standard i będzie jednolicie.
Skala: S0, S1, S2, S3, S4, S5, S6, S7, S8, S9, S9+10, S9+20dB
FK2007 UserManual

Konstrukcje mostków pomiarowych najczęściej pozwalają regulować poziom napięcia wyjściowego. Dla max. mocy urządzenia poziom napięcia pomiarowego nie powinien przekraczać 5V. Moc jest obliczana na podstawie kwadratu napięcia gdzie dla 5V mamy pełne wychylenie wskazania na linijce LED.
Oczywiście jeśli mostek pomiarowy ma taką możliwość nie ma problemu z pomiarem poziomu fali odbitej i policzenia SWR-a. Mamy do dyspozycji 6 kanałów analogowych i bardzo dużo wolnego miejsca na program.


Załączone pliki Miniatury
İmage İmage

.lay  AT8_wskaznik.LAY (Rozmiar: 65.12 KB / Pobrań: 1287)
.pdf  AT8_wskaznik.pdf (Rozmiar: 51.98 KB / Pobrań: 1391)
10-04-2010 22:16
Znajdź wszystkie posty użytkownika Odpowiedz cytując ten post
HM_DIPOL Offline
Heniek
***

Liczba postów: 172
Dołączył: 27-04-2010
Post: #7
RE: Wskaźniki segmentowe na LED
Kilka pytań do wskaźnika na LED:
- gdzie szukać wsadu dla ATmega8 ?
- jakie jest przeznaczenie dodatkowych wyjść z procesora, FUN, N/O,...?
- jaki zastosować mostek pomiarowy ?
Pozdrawiam
27-04-2010 17:45
Znajdź wszystkie posty użytkownika Odpowiedz cytując ten post
SP5FCS Offline
Adam
*****

Liczba postów: 1,073
Dołączył: 02-02-2009
Post: #8
RE: Wskaźniki segmentowe na LED
Program sterujący do wskaźnika jest na ukończeniu i będzie dostępny na forum HM. Po ostatnim spotkaniu HM i dyskusji wprowadzam kilka zmian.
Aktualnie będą zobrazowane 4 parametry:
Rx - S-metr lub napięcie zasilania Tx - moc lub SWR

Wejście FUNK służy do przełączania wyświetlanego parametru, zwarcie do masy przełącza wyświetlany parametr zależny od stanu PTT (0-Tx, 1-Rx).
Wyjście N/O można wykorzystać do przełączania nadawanie/odbiór (PTT+ opóźnienie).
Pozostałe wyjścia do zagospodarowania w zależności od potrzeb.
Możemy stosować dowolny mostek pomiarowy dający na wyjściu max. sygnał pomiarowy do 5V.
Linki do mostków w dziale Technika pomiarowa

Płytka od strony wejść ma uniwersalne pola lutownicze do eksperymentowania np z dzielnikami napięć.
Jestem otwarty na wszelkie sugestie i propozycje zmian układowych i oprogramowania.
Pozdrawiam Adam

73 Adam
27-04-2010 22:29
Znajdź wszystkie posty użytkownika Odpowiedz cytując ten post
SP3RNP Offline


Liczba postów: 4
Dołączył: 25-03-2010
Post: #9
RE: Wskaźniki segmentowe na LED
(27-04-2010 22:29)sp5fcs napisał(a):  Rx - S-metr lub napięcie zasilania Tx - moc lub SWR

Witam
Czy to znaczy, że pomiar napiecia zasilania (bardzo przydatny w pracy terenowej) bedzie możliwy tylko podczas odbioru?
Największy spadek napięcia jest przy nadawaniu i czasami przydaje się właśnie wtedy mierzyć to U.
Pozdrawiam
Mikolaj
29-04-2010 12:07
Znajdź wszystkie posty użytkownika Odpowiedz cytując ten post
SP5FCS Offline
Adam
*****

Liczba postów: 1,073
Dołączył: 02-02-2009
Post: #10
RE: Wskaźniki segmentowe na LED
Mikołaj,
trafna uwaga, masz rację, że najbardziej interesujący jest pomiar napięcia podczas nadawania. Procesor może mierzyć napięcie w dowolnym momencie. Ja pisałem o zobrazowaniu pomiaru napięcia podczas odbioru (sam pomiar może być wykonany podczas nadawania).
Ostatecznie procesor mierzy i pokazuje dwa napięcia podczas odbioru i nadawania.

Wersja testowa 0.2:
W pliku AT8_led.zip testowe oprogramowanie do wskaźnika LED.
Uwaga: zmieniony lekko schemat od strony wejść;

Podczas odbioru wskaźnik pokazuje skalę S-metra od S0...S9, S9+10, S9+20dB, po wciśnięciu klawisza FUN pokazuje napięcie zasilania od 9.5V do 15V co 0.5V. Procesor mierzy dwa napięcia U_zas_RX oraz U_zas_TX, jeśli te napięcia różnią się więcej niż 0,5V na wskaźniku zobaczymy dwie świecące diody;

Podczas nadawania wskaźnik pokazuje pomiar mocy, po wciśnięciu klawisza FUN wyświetla SWR (1.0, 1.2,.....2.8, 3.0, 5.0)
S-metr oraz pomiar mocy wyświetlany jest w postaci linijki, pomiar napięcia oraz SWR jako pojedyncza dioda.

Wyjście N/O możemy wykorzystać do przełączania nadawanie/odbiór. Po wykryciu wciśnięcia PTT (zwarcie do masy) na wyjściu N/O pojawia się niski poziom. Do sterowania przekaźnika N/O zalecane jest zastosowanie klucza na tranzystorze. Zwolnienie PTT uruchamia programowy licznik opóźnienia powrotu do stanu wysokiego. Wartość opóźnienia określana jest na podstawie pomiaru napięcia U_del z PR-a (0...2,5sek), około 0,5sek/1V.
Procesor pełni rolę specjalizowanego układu scalonego do obsługi linijki LED z algorytmem obróbki sygnałów pomiarowych.

Procesor ATmega8 pracuje na wewnętrznym gen. RC 8MHz + pin Resetu.
Fuse bits: 0100 -> (CSEL3,2,1,0), 0-> RSTDISBL

W linijce warto zastosować diody LED w osłonkach, unikniemy efektu wzajemnego podświetlania sąsiednich diod. Przy nowoczesnych LED-ach możemy zwiększyć wartość rezystorów szeregowych aby ograniczyć prąd do niezbędnego minimum.


Załączone pliki Miniatury
İmage

.zip  AT8_led.zip (Rozmiar: 99.32 KB / Pobrań: 1208)

73 Adam
29-04-2010 23:06
Znajdź wszystkie posty użytkownika Odpowiedz cytując ten post
Odpowiedz 


Skocz do:


Użytkownicy przeglądający ten wątek: 1 gości