Odpowiedz 
 
Ocena wątku:
  • 4 Głosów - 5 Średnio
  • 1
  • 2
  • 3
  • 4
  • 5
Skrzynka antenowa domowej roboty
SQ4CTK Offline
Grzegorz
***

Liczba postów: 139
Dołączył: 13-07-2009
Post: #21
RE: Skrzynka antenowa domowej roboty
Potwierdzam Robercie ..1/2 ceny wg kalkulatora !
Pozostaje nadal problem drivera - 40$ raczej nie zapłacę Cool
22-07-2009 12:44
Odwiedź stronę użytkownika Znajdź wszystkie posty użytkownika Odpowiedz cytując ten post
SP5FCS Offline
Adam
*****

Liczba postów: 1,073
Dołączył: 02-02-2009
Post: #22
RE: Skrzynka antenowa domowej roboty
Niestety, to klasyczny przykład projektu w którym jeden układ scalony pochłania 50% kosztów urządzenia. Cena A6818 to około 20$ usa, cło, vat, przesyłka, prowizja firmy, bez sensu. Wystarczyło postawić mocniejszy procesor i po sprawie, ale drogie układy też ktoś musi kupować.
Jeśli będzie zainteresowanie tematem proponuję zamiast A6818 postawić cztery układy CD4094 połączone szeregowo + tranzystory do przekaźników. Stosuje takie konwertery do sterowania wyświetlaczy i chodzi to poprawnie. Dla procesora to bez różnicy jaki układ odbiera szeregowe dane. Przy zegarze PIC-a 4MHz nie powinno być kłopotu. Koszt takiego rozwiązania ~ 6zł. Docelowo można przeprojektować druk pod taki rejestr na kilku układach aby nie stosować dodatkowych redukcji.

73 Adam
22-07-2009 14:05
Znajdź wszystkie posty użytkownika Odpowiedz cytując ten post
SQ4CTK Offline
Grzegorz
***

Liczba postów: 139
Dołączył: 13-07-2009
Post: #23
RE: Skrzynka antenowa domowej roboty
Jestem pewien ....teraz wzrośnie zainteresowanie Smile
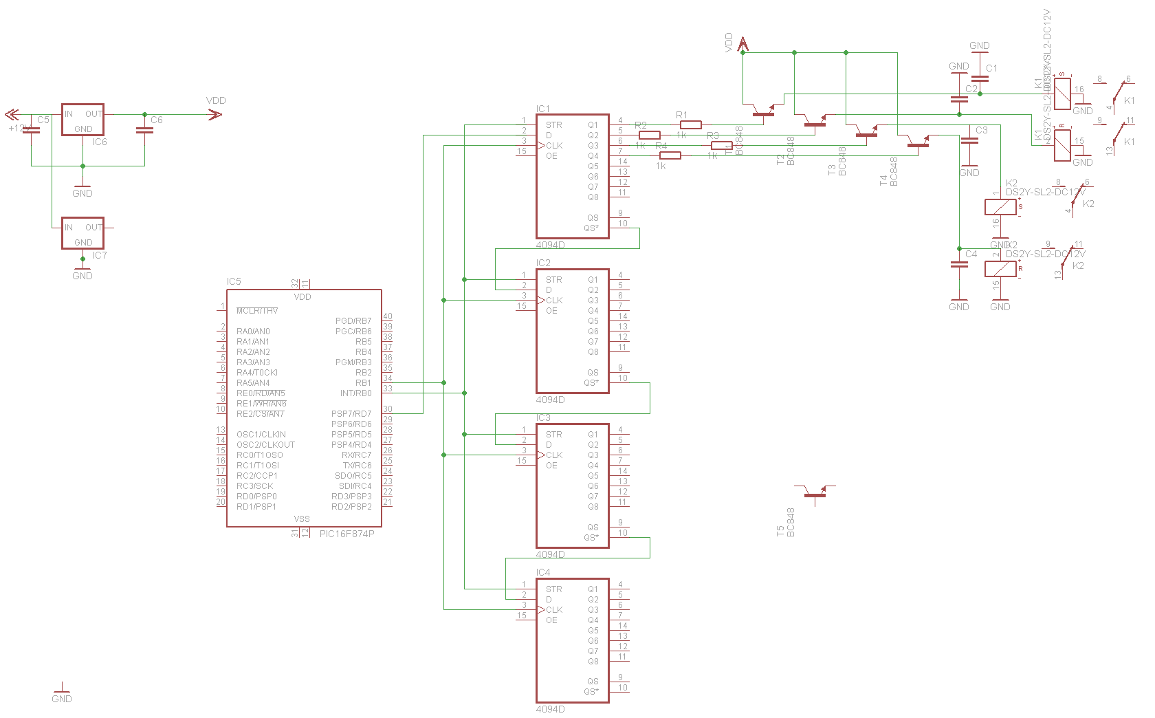
Coś nabazgrałem w Eaglu - czy tak z grubsza wyobrażasz sobie Adamie protezę ?


İmage
22-07-2009 20:28
Odwiedź stronę użytkownika Znajdź wszystkie posty użytkownika Odpowiedz cytując ten post
SP5FCS Offline
Adam
*****

Liczba postów: 1,073
Dołączył: 02-02-2009
Post: #24
RE: Skrzynka antenowa domowej roboty
Grzegorz, jeśli chodzi o rejestr na 4094 to dokładnie tak jak narysowałeś.
Przekaźniki muszą być od +12V do kolektora BC847, emiter na masie. Takie włączenie przekaźnika daje Ci konwersję poziomów (CMOS na +12V) oraz uniwersalność sterowania, niezależnie od napięcia zasilania przekaźników +5V, +12V. Tak jak narysowałeś nie włączysz tranzystora poziomem CMOS. Niestety na płytce przekaźniki powinny mieć wspólne wyprowadzenia cewek na +12V (teraz są na masie) ale i tak musimy zrobić nowy druk.
W zasadzie oryginalny druk też można łatwo przerobić odcinając podłączenia do masy. Po modyfikacji przekaźniki muszą być podłączone tak jak REL_17.

73 Adam
22-07-2009 21:11
Znajdź wszystkie posty użytkownika Odpowiedz cytując ten post
3Z6AEF Offline
Waldek
***

Liczba postów: 237
Dołączył: 27-06-2009
Post: #25
RE: Skrzynka antenowa domowej roboty
Hej,
* zastosowanie tranzystorów jako inwerterów odwraca logikę, może być kłopot z poprawnym sterowaniem bistabilnych przekaźników... Ale źródło programu jest dostępne i w zasadzie można to odwrócić przy transmisji do rejestrów.
* pobór prądu: A6818 pobiera max 10 mA (typowo 5 mA) - nie wiem ile 4 szt. 4094, ale to też CMOSy, więc powinno być dobrze
* wejścia E układów 4094 oczywiście do plusa (ew. przez rezystor)

Waldek
22-07-2009 23:11
Znajdź wszystkie posty użytkownika Odpowiedz cytując ten post
QRP73 Offline
Marek
**

Liczba postów: 90
Dołączył: 19-06-2009
Post: #26
RE: Skrzynka antenowa domowej roboty
Waldek,
nic nie trzeba zmieniać w programie. W oryginale "1" w rejestrze dawała +12V na przekaźnik podłączony do masy, przy tranzystorach "1" zwiera poprzez tranzystor cewkę do masy i też zadziała. Efekt końcowy jest taki sam bo Adam zamienił logikę na przekaźniku (był włączany +12V, teraz masą), dwa razy negator nie zmienia logiki sterowania z procesora. Jeśli ten układ sprawdzi się praktycznie to będziemy mieli fajną zabawę w poprawianie projektu. Ciekawe dlaczego Autor od razu tego tak nie zaprojektował ?
23-07-2009 7:57
Znajdź wszystkie posty użytkownika Odpowiedz cytując ten post
SQ4CTK Offline
Grzegorz
***

Liczba postów: 139
Dołączył: 13-07-2009
Post: #27
RE: Skrzynka antenowa domowej roboty
W celach testowych zastosuje redukcję pod warunkiem, ze uda mi się ja namalować pod Eaglem ;/ Schemat redukcji prawie gotowy ....w załączniku .
Reszta układanki łącznie z routingiem pochłonie więcej czasu na naukę ( 3 raz biorę się za Eagle).
Ze względu na posiadane ULN2003 pokrosuje 8 przekaźników (rel 11-18) natomiast pozostałe za wyjątkiem rel 17 wystarczy wlutować od spodu (lustrzenie ).
Nie liczyłem co prawda poboru prądu "protezy" co wpływa np na przydatność do pracy w terenie z baterii . Wydajność natomiast jest spora ...500mA.
ULN_PDF
...mam już zarys PCB Cool i wstępny kosztorys :
PCB: 15zł
IC 1-8: 1.72zł
G-pin: 0.21zł
R1-4: 0.04zł

Razem : 16.97.
Nie uwzględniam kosztów przesyłki .
.bmp  a_p _robocza_03.bmp (Rozmiar: 1.37 MB / Pobrań: 3279)


Załączone pliki
.pdf  a1_prot.pdf (Rozmiar: 18.78 KB / Pobrań: 1574)
(Ten post był ostatnio modyfikowany: 25-07-2009 14:45 przez SQ4CTK.)
23-07-2009 10:37
Odwiedź stronę użytkownika Znajdź wszystkie posty użytkownika Odpowiedz cytując ten post
QRP73 Offline
Marek
**

Liczba postów: 90
Dołączył: 19-06-2009
Post: #28
RE: Skrzynka antenowa domowej roboty
"Kolesie poczuli interes" - na Allegro pojawiły się układy A6818 w PLCC44 po 99zł. Cena jest nie do przyjęcia, wiem od Kolegi, że jakiś czas temu można było trafić te układy po 40zł. Tym bardziej interesujące jest dopracowanie i sprawdzenie rejestru na 4094.
Kupiłem przekaźniki Omron G6AK-274p, 2 cewki, 2 styki, 12V i czas zabrać się za płytkę, na początek "prasowaną".
Taki pomysł, 4 rejestry postawić na redukcji DIL40 a pola pod traznystory SMD domalować pisakiem przed trawieniem druku, taki prototyp do sprawdzenia.
Byłoby super gdyby ktoś z doświadczeniem w CAD-ach narysował nowy druk.
24-07-2009 18:13
Znajdź wszystkie posty użytkownika Odpowiedz cytując ten post
SP9EZQ Offline
Początkujący
**

Liczba postów: 93
Dołączył: 18-08-2009
Post: #29
RE: Skrzynka antenowa domowej roboty
Witam.
Jestem jednym z tych którzy odważyli sie na wykonanie Atu wg DL5MGD przy wydatnej, nieocenionej pomocy Andrzeja SQ8CBU. Jest całkowicie zmontowana lecz jak to z konstrukcjami amatorskimi, na razie nie działa. Robie pomiary, medytuję lecz na razie nie mogę wyciągnąć wniosków z tej medytacji. Nie jestem elektronikiem, lecz hobbystą tej dziedziny. Liczę na dalszą pomoc Andrzeja który jest jednak bardzo zajęty chyba swoimi sprawami zawodowymi. Jesli będzie zainteresowanie to podam wyniki moich pomiarów.
18-08-2009 19:26
Znajdź wszystkie posty użytkownika Odpowiedz cytując ten post
SQ4CTK Offline
Grzegorz
***

Liczba postów: 139
Dołączył: 13-07-2009
Post: #30
RE: Skrzynka antenowa domowej roboty
(18-08-2009 19:26)sp9ezq napisał(a):  ... Robie pomiary, medytuję lecz na razie nie mogę wyciągnąć wniosków z tej medytacji. Nie jestem elektronikiem, lecz hobbystą tej dziedziny. ...ciach.
Hej
Jakie napięcie w.cz. podajesz przy pomiarach ?
Moja wersja zaczyna poprawnie stroić od 0.3V.Undecided
18-08-2009 23:54
Odwiedź stronę użytkownika Znajdź wszystkie posty użytkownika Odpowiedz cytując ten post
Odpowiedz 


Skocz do:


Użytkownicy przeglądający ten wątek: 5 gości