|
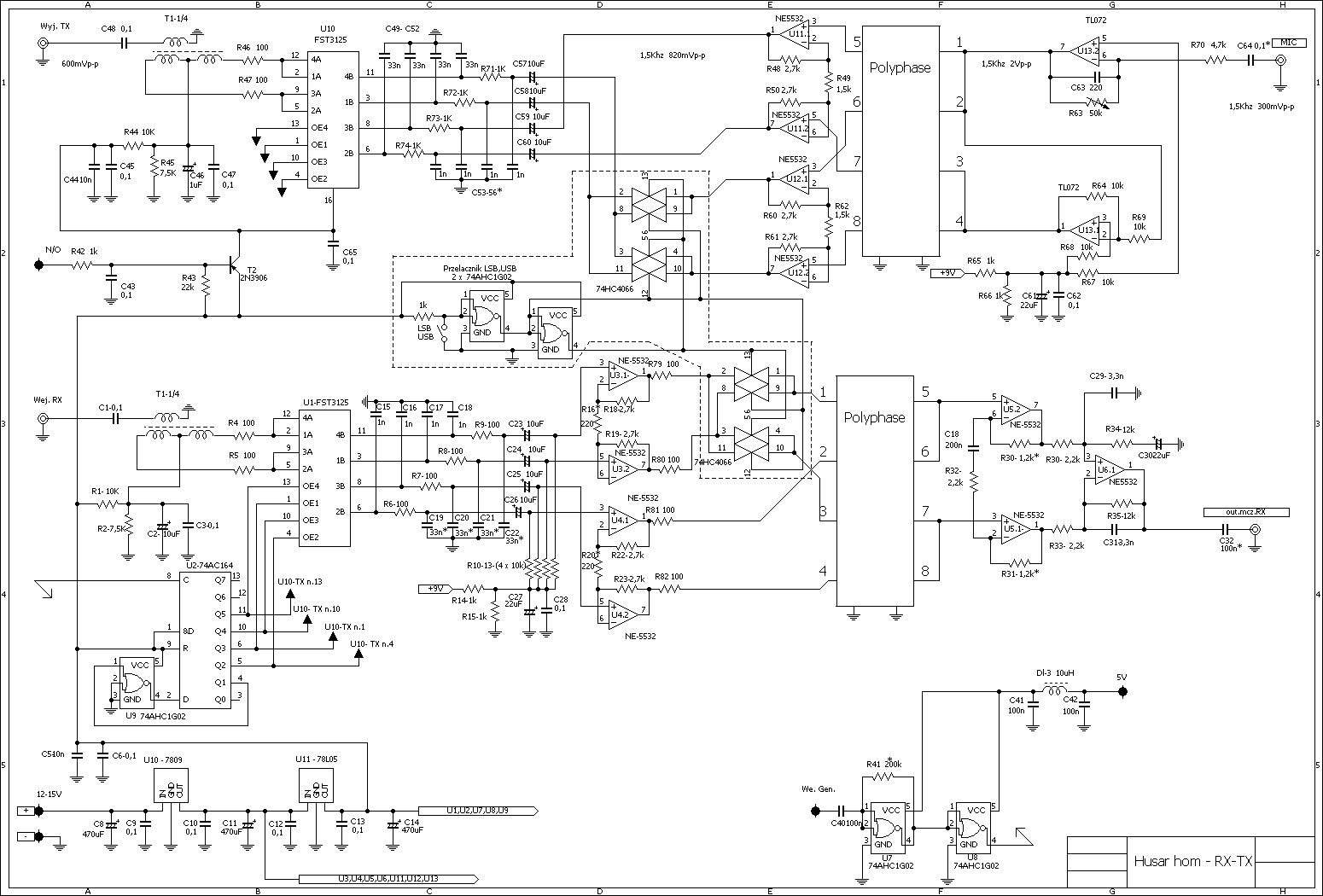
Transceiver HMG 2010 "HUSAR"
|
SP4HKQ
Zdzisław SK! ![]() ![]() ![]() ![]() Liczba postów: 490 Dołączył: 19-08-2009 |
|
||
| 02-06-2011 9:10 |
|
|
« Starszy wątek | Nowszy wątek »
|
Użytkownicy przeglądający ten wątek: 1 gości




