Odpowiedz 
 
Ocena wątku:
  • 1 Głosów - 5 Średnio
  • 1
  • 2
  • 3
  • 4
  • 5
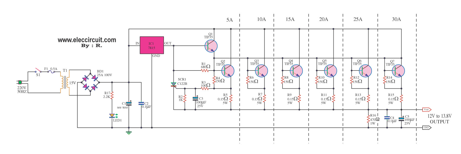
Zasilacz 12v20A z zabezpieczeniem , prosty.
SP4NSJ Offline
Marcin
***

Liczba postów: 104
Dołączył: 22-10-2017
Post: #9
RE: Zasilacz 12v20A z zabezpieczeniem , prosty.
Koledzy, 3 razy składam ten zasilacz i nie dzia ła.. wszystko sprawdzone tranzystory - znalazłem nawet bd355 - diody 1n4007, zenera 13v 0,5w. Napięcie wychodzi takie jak wchodzi, może 0,6v mniejsze. Zasilam z akumulatorów /dla uruchomienia/ 24v. Jak podłącze 12,4v - tyle też wychodzi...
Ten mnie przekonuje.


Załączone pliki Miniatury
İmage
(Ten post był ostatnio modyfikowany: 30-05-2020 2:40 przez SP4NSJ.)
30-05-2020 1:41
Znajdź wszystkie posty użytkownika Odpowiedz cytując ten post
Odpowiedz 


Wiadomości w tym wątku
RE: Zasilacz 12v20A z zabezpieczeniem , prosty. - SP4NSJ - 30-05-2020 1:41

Skocz do:


Użytkownicy przeglądający ten wątek: 2 gości