Odpowiedz 
 
Ocena wątku:
  • 1 Głosów - 5 Średnio
  • 1
  • 2
  • 3
  • 4
  • 5
Zasilacz 12v20A z zabezpieczeniem , prosty.
SP4NSJ Offline
Marcin
***

Liczba postów: 104
Dołączył: 22-10-2017
Post: #1
Zasilacz 12v20A z zabezpieczeniem , prosty.
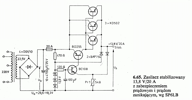
SP6LB podał taki schemat, czy się nadaje do KF? Brakuje oporników na emiterach w końcówce mocy prawda?


Załączone pliki Miniatury
İmage
19-05-2020 15:31
Znajdź wszystkie posty użytkownika Odpowiedz cytując ten post
Odpowiedz 


Wiadomości w tym wątku
Zasilacz 12v20A z zabezpieczeniem , prosty. - SP4NSJ - 19-05-2020 15:31

Skocz do:


Użytkownicy przeglądający ten wątek: 4 gości