|
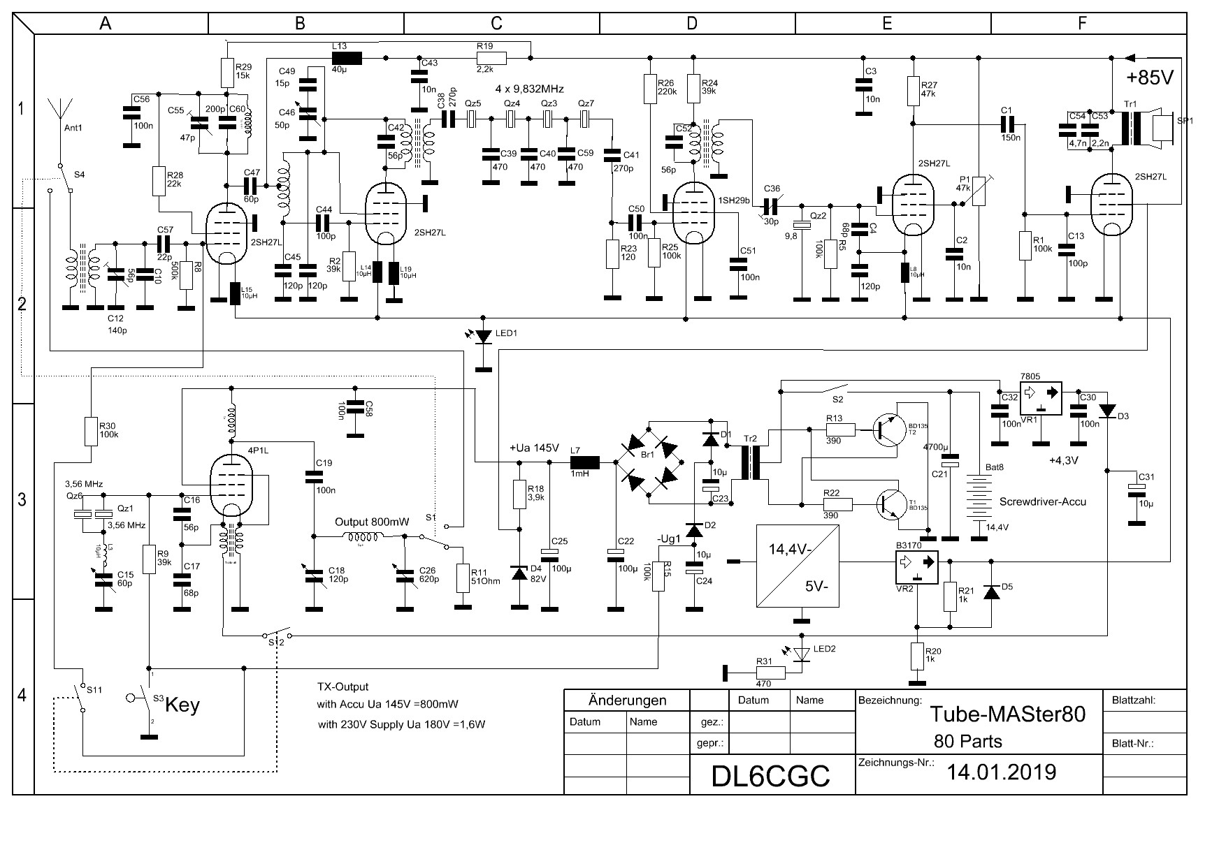
MAS - urządzenia Minimal Art Session
|
SQ9RFC
Jerzy ![]() ![]() ![]() ![]() ![]() Liczba postów: 1,193 Dołączył: 02-07-2010 |
|
||
| 14-05-2020 23:44 |
|
|
« Starszy wątek | Nowszy wątek »
|
Użytkownicy przeglądający ten wątek: 1 gości




