Odpowiedz 
 
Ocena wątku:
  • 1 Głosów - 5 Średnio
  • 1
  • 2
  • 3
  • 4
  • 5
Transceiver Antek
SQ8NZD Offline
Adrian
*****

Liczba postów: 860
Dołączył: 11-02-2011
Post: #70
RE: Transceiver Antek
Witajcie

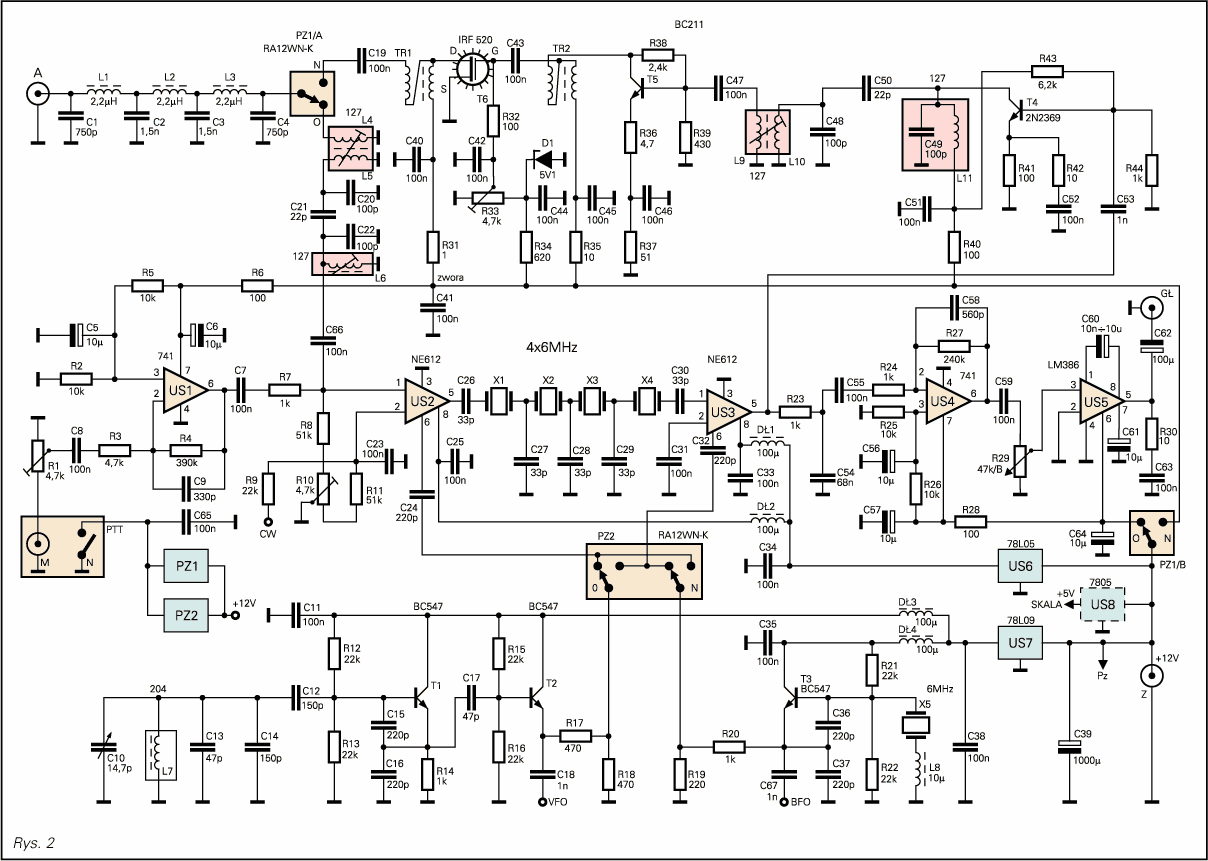
Mam przesterowane audio w Antku. To chyba wina UA741 (US4). Po prostu charczy bardzo głośno.
Jak zmniejszyć wzmocnienie.


Załączone pliki Miniatury
İmage

https://sites.google.com/view/sq8nzd - Moja strona web.
(Ten post był ostatnio modyfikowany: 15-09-2019 17:46 przez SQ8NZD.)
15-09-2019 17:46
Znajdź wszystkie posty użytkownika Odpowiedz cytując ten post
Odpowiedz 


Wiadomości w tym wątku
Transceiver Antek - SQ8NZD - 22-04-2017, 2:39
RE: Transceiver Antek - SPO3O2OL - 22-04-2017, 12:48
RE: Transceiver Antek - SQ8NZD - 22-04-2017, 14:16
RE: Transceiver Antek - SPO3O2OL - 22-04-2017, 14:25
RE: Transceiver Antek - SQ8NZD - 22-04-2017, 14:39
RE: Transceiver Antek - SPO3O2OL - 22-04-2017, 14:56
RE: Transceiver Antek - SQ8NZD - 22-04-2017, 17:16
RE: Transceiver Antek - SQ8NZD - 27-04-2017, 13:33
RE: Transceiver Antek - SP2JQR - 30-04-2017, 11:53
RE: Transceiver Antek - SQ8NZD - 30-04-2017, 15:37
RE: Transceiver Antek - SP9MRN - 01-05-2017, 11:40
RE: Transceiver Antek - SP7EZG - 25-05-2017, 9:35
RE: Transceiver Antek - SP9WAZ - 23-05-2017, 19:29
RE: Transceiver Antek - SPO3O2OL - 24-05-2017, 21:38
RE: Transceiver Antek - SQ9RFC - 25-05-2017, 10:48
RE: Transceiver Antek - SQ1GYQ - 25-05-2017, 13:20
RE: Transceiver Antek - SP4XYD - 25-05-2017, 17:52
RE: Transceiver Antek - SP7EZG - 26-05-2017, 19:16
RE: Transceiver Antek - SP2JQR - 27-05-2017, 9:11
RE: Transceiver Antek - SPO3O2OL - 27-05-2017, 16:06
RE: Transceiver Antek - SP2JQR - 28-05-2017, 10:36
RE: Transceiver Antek - SPO3O2OL - 28-05-2017, 13:24
RE: Transceiver Antek - SP2JQR - 28-05-2017, 14:33
RE: Transceiver Antek - SPO3O2OL - 28-05-2017, 15:21
RE: Transceiver Antek - SP9MRN - 02-06-2017, 11:31
RE: Transceiver Antek - SP2JQR - 28-05-2017, 20:57
RE: Transceiver Antek - SPO3O2OL - 28-05-2017, 21:21
RE: Transceiver Antek - SP7WMX - 30-11-2018, 19:59
RE: Transceiver Antek - SPO3O2OL - 10-07-2017, 15:18
RE: Transceiver Antek - SQ8NZD - 26-11-2018, 13:18
RE: Transceiver Antek - SQ8NZD - 14-01-2019, 5:07
RE: Transceiver Antek - SP7EZG - 14-01-2019, 12:21
RE: Transceiver Antek - SP9FYS - 14-01-2019, 13:21
RE: Transceiver Antek - SQ8NZD - 14-01-2019, 13:43
RE: Transceiver Antek - SP9FYS - 14-01-2019, 18:27
RE: Transceiver Antek - SQ8NZD - 14-01-2019, 19:29
RE: Transceiver Antek - SP9FYS - 14-01-2019, 20:29
RE: Transceiver Antek - SQ8NZD - 15-01-2019, 16:09
RE: Transceiver Antek - SQ8NZD - 26-01-2019, 14:19
RE: Transceiver Antek - SP9FYS - 26-01-2019, 14:28
RE: Transceiver Antek - SQ8NZD - 26-01-2019, 14:40
RE: Transceiver Antek - SQ1D - 26-01-2019, 15:06
RE: Transceiver Antek - SQ8NZD - 26-01-2019, 15:35
RE: Transceiver Antek - SQ1D - 26-01-2019, 15:56
RE: Transceiver Antek - SQ8NZD - 26-01-2019, 16:05
RE: Transceiver Antek - AdamC - 26-01-2019, 18:21
RE: Transceiver Antek - SQ8NZD - 26-01-2019, 18:30
RE: Transceiver Antek - SP5GOA - 26-01-2019, 18:56
RE: Transceiver Antek - SQ8NZD - 26-01-2019, 19:06
RE: Transceiver Antek - SP5GOA - 26-01-2019, 19:37
RE: Transceiver Antek - SQ8NZD - 26-01-2019, 19:49
RE: Transceiver Antek - SP9LVZ - 27-01-2019, 17:45
RE: Transceiver Antek - SQ8NZD - 27-01-2019, 19:04
RE: Transceiver Antek - SPO3O2OL - 02-02-2019, 0:35
RE: Transceiver Antek - SP9LVZ - 27-01-2019, 21:22
RE: Transceiver Antek - SQ9RFC - 28-01-2019, 0:37
RE: Transceiver Antek - SQ8NZD - 02-02-2019, 18:06
RE: Transceiver Antek - SP9FYS - 02-02-2019, 20:45
RE: Transceiver Antek - SQ8NZD - 02-02-2019, 21:34
RE: Transceiver Antek - SPO3O2OL - 02-02-2019, 22:41
RE: Transceiver Antek - SQ8NZD - 02-02-2019, 23:11
RE: Transceiver Antek - SPO3O2OL - 02-02-2019, 23:15
RE: Transceiver Antek - SQ8NZD - 05-02-2019, 18:50
RE: Transceiver Antek - SP9AWP - 05-02-2019, 18:57
RE: Transceiver Antek - SQ8NZD - 05-02-2019, 20:35
RE: Transceiver Antek - SP6IFN - 05-02-2019, 21:12
RE: Transceiver Antek - SP9FYS - 06-02-2019, 22:00
RE: Transceiver Antek - SQ8NZD - 15-09-2019 17:46
RE: Transceiver Antek - SP6FRE - 15-09-2019, 20:23
RE: Transceiver Antek - SQ1D - 16-09-2019, 8:24

Skocz do:


Użytkownicy przeglądający ten wątek: 1 gości