|
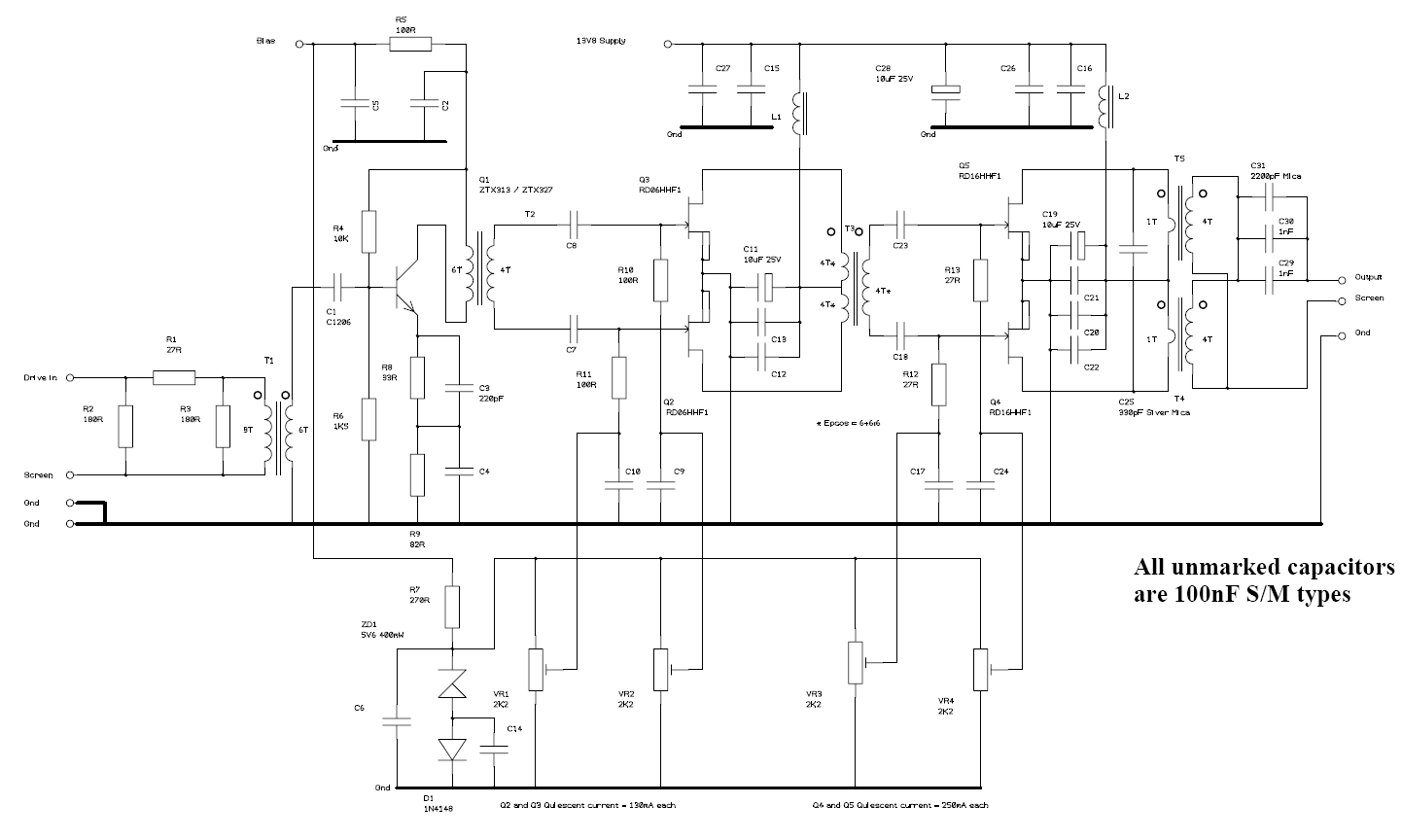
WZMACNIACZE 20W i 150W wg G6ALU
|
SQ9RFC
Jerzy ![]() ![]() ![]() ![]() ![]() Liczba postów: 1,193 Dołączył: 02-07-2010 |
|
||
| 01-08-2018 16:36 |
|
|
« Starszy wątek | Nowszy wątek »
|
Użytkownicy przeglądający ten wątek: 2 gości




