Odpowiedz 
 
Ocena wątku:
  • 9 Głosów - 4.44 Średnio
  • 1
  • 2
  • 3
  • 4
  • 5
Transceiver wg. M0NKA
SP6AUO Offline
Andrzej
*****

Liczba postów: 1,051
Dołączył: 20-09-2009
Post: #798
RE: Transceiver wg. M0NKA
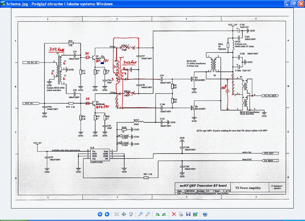
Z tym wyliczeniem Re to jest trochę inaczej przy różnych częstotliwościach.
Wychodzi,że rezystancja emitera to dwie równoległe gałęzie.
zależne od 47//4,7+Xc.
Xc chyba =1/2*pi*f* 47nF a f=28MHz
To przekracza już 50mA i tranzystor BFQ19 zaczyna bulgotać.
Jak zwiększymy prąd do 70mA uzyskamy na 28MHz na wy C99 i C100 około 15V.
Dlatego trzeba dać tranzystory BFG591 i ustalić prądy na 80mA uzyskamy moc wy Tx na 50om 16W.
Ja dorobiłem dopalacz na dwóch Buk452 który z 4-5W daje 50W przy 12V zasilania na 80m.
İmage

Andrzej
(Ten post był ostatnio modyfikowany: 19-07-2017 20:53 przez SP6AUO.)
19-07-2017 20:53
Znajdź wszystkie posty użytkownika Odpowiedz cytując ten post
Odpowiedz 


Wiadomości w tym wątku
Transceiver wg. M0NKA - SQ7GVU - 07-04-2014, 20:41
RE: Transceiver wg. M0NKA - SP4EJT - 08-04-2014, 0:44
RE: Transceiver wg. M0NKA - SP9SNC - 08-04-2014, 13:17
RE: Transceiver wg. M0NKA - SP5FCS - 13-04-2014, 10:09
RE: Transceiver wg. M0NKA - SP6AUO - 27-05-2014, 7:13
RE: Transceiver wg. M0NKA - SQ5IZX - 29-05-2014, 11:54
RE: Transceiver wg. M0NKA - SP6LTP - 01-07-2014, 13:25
RE: Transceiver wg. M0NKA - SP6AUO - 06-06-2014, 14:43
RE: Transceiver wg. M0NKA - SP5TAA - 06-06-2014, 20:39
RE: Transceiver wg. M0NKA - SP6AUO - 07-06-2014, 21:05
RE: Transceiver wg. M0NKA - SQ9MDD - 08-06-2014, 13:23
RE: Transceiver wg. M0NKA - SQ7ACP - 14-06-2014, 6:34
RE: Transceiver wg. M0NKA - SP6AUO - 27-06-2014, 9:48
RE: Transceiver wg. M0NKA - SP6AUO - 01-07-2014, 14:48
RE: Transceiver wg. M0NKA - SP6AUO - 09-07-2014, 22:27
RE: Transceiver wg. M0NKA - SP3OSJ - 15-07-2014, 23:35
RE: Transceiver wg. M0NKA - SP3OSJ - 19-07-2014, 11:20
RE: Transceiver wg. M0NKA - GREG - 19-07-2014, 13:08
RE: Transceiver wg. M0NKA - SP6AUO - 19-07-2014, 16:20
RE: Transceiver wg. M0NKA - SP3OSJ - 19-07-2014, 18:31
RE: Transceiver wg. M0NKA - SP6AUO - 19-07-2014, 19:18
RE: Transceiver wg. M0NKA - SP5FCS - 19-07-2014, 20:27
RE: Transceiver wg. M0NKA - SP6AUO - 19-07-2014, 20:53
RE: Transceiver wg. M0NKA - SP3OSJ - 20-07-2014, 0:45
RE: Transceiver wg. M0NKA - SP3OSJ - 22-07-2014, 12:37
RE: Transceiver wg. M0NKA - GREG - 22-07-2014, 13:33
RE: Transceiver wg. M0NKA - SP6LTP - 22-07-2014, 21:58
RE: Transceiver wg. M0NKA - SP3OSJ - 23-07-2014, 10:38
RE: Transceiver wg. M0NKA - SP6AUO - 22-07-2014, 14:35
RE: Transceiver wg. M0NKA - SP3OSJ - 22-07-2014, 14:36
RE: Transceiver wg. M0NKA - SP6AUO - 22-07-2014, 14:44
RE: Transceiver wg. M0NKA - SP3OSJ - 22-07-2014, 17:41
RE: Transceiver wg. M0NKA - SP6AUO - 22-07-2014, 18:50
RE: Transceiver wg. M0NKA - SP3OSJ - 22-07-2014, 20:14
RE: Transceiver wg. M0NKA - SP6AUO - 22-07-2014, 21:04
RE: Transceiver wg. M0NKA - SP3OSJ - 22-07-2014, 21:05
RE: Transceiver wg. M0NKA - SP6AUO - 22-07-2014, 21:28
RE: Transceiver wg. M0NKA - SP3OSJ - 22-07-2014, 22:03
RE: Transceiver wg. M0NKA - GREG - 23-07-2014, 0:31
RE: Transceiver wg. M0NKA - SP6AUO - 23-07-2014, 4:51
RE: Transceiver wg. M0NKA - GREG - 23-07-2014, 11:00
RE: Transceiver wg. M0NKA - SP3OSJ - 23-07-2014, 11:45
RE: Transceiver wg. M0NKA - SP6AUO - 23-07-2014, 13:40
RE: Transceiver wg. M0NKA - SP3OSJ - 23-07-2014, 14:28
RE: Transceiver wg. M0NKA - GREG - 24-07-2014, 22:12
RE: Transceiver wg. M0NKA - SP2JQR - 25-07-2014, 8:04
RE: Transceiver wg. M0NKA - SQ5KVS - 25-07-2014, 10:13
RE: Transceiver wg. M0NKA - SP3OSJ - 25-07-2014, 14:30
RE: Transceiver wg. M0NKA - SP6AUO - 25-07-2014, 15:13
RE: Transceiver wg. M0NKA - SP2JQR - 25-07-2014, 19:52
RE: Transceiver wg. M0NKA - SP9MRN - 25-07-2014, 20:56
RE: Transceiver wg. M0NKA - SP6AUO - 25-07-2014, 21:39
RE: Transceiver wg. M0NKA - SP2IPT - 25-07-2014, 23:01
RE: Transceiver wg. M0NKA - SP3OSJ - 25-07-2014, 23:24
RE: Transceiver wg. M0NKA - SP6AUO - 26-07-2014, 6:25
RE: Transceiver wg. M0NKA - SQ7GVU - 26-07-2014, 6:49
RE: Transceiver wg. M0NKA - SP6AUO - 26-07-2014, 7:19
RE: Transceiver wg. M0NKA - SP2IPT - 26-07-2014, 8:50
RE: Transceiver wg. M0NKA - SP3OSJ - 26-07-2014, 10:08
RE: Transceiver wg. M0NKA - SP6AUO - 26-07-2014, 11:12
RE: Transceiver wg. M0NKA - SP3OSJ - 26-07-2014, 14:39
RE: Transceiver wg. M0NKA - SP6AUO - 26-07-2014, 14:45
RE: Transceiver wg. M0NKA - GREG - 26-07-2014, 15:08
RE: Transceiver wg. M0NKA - SP6AUO - 26-07-2014, 15:56
RE: Transceiver wg. M0NKA - SP3OSJ - 26-07-2014, 22:21
RE: Transceiver wg. M0NKA - SP6AUO - 27-07-2014, 12:06
RE: Transceiver wg. M0NKA - SP3OSJ - 27-07-2014, 12:57
RE: Transceiver wg. M0NKA - SP6AUO - 27-07-2014, 19:22
RE: Transceiver wg. M0NKA - SP3OSJ - 28-07-2014, 22:15
RE: Transceiver wg. M0NKA - SP6AUO - 29-07-2014, 9:19
RE: Transceiver wg. M0NKA - SP3OSJ - 29-07-2014, 11:58
RE: Transceiver wg. M0NKA - SP6AUO - 29-07-2014, 12:19
RE: Transceiver wg. M0NKA - SP1UJB - 29-07-2014, 14:29
RE: Transceiver wg. M0NKA - SP6LTP - 29-07-2014, 15:03
RE: Transceiver wg. M0NKA - SP6AUO - 29-07-2014, 16:07
RE: Transceiver wg. M0NKA - SP3OSJ - 29-07-2014, 17:23
RE: Transceiver wg. M0NKA - SP5AQT - 29-07-2014, 17:44
RE: Transceiver wg. M0NKA - SP6LTP - 30-07-2014, 6:59
RE: Transceiver wg. M0NKA - SP3OSJ - 30-07-2014, 13:01
RE: Transceiver wg. M0NKA - SP6AUO - 30-07-2014, 16:19
RE: Transceiver wg. M0NKA - SP3OSJ - 30-07-2014, 18:23
RE: Transceiver wg. M0NKA - SP5FCS - 30-07-2014, 19:49
RE: Transceiver wg. M0NKA - SP3OSJ - 30-07-2014, 20:21
RE: Transceiver wg. M0NKA - SP5FCS - 30-07-2014, 20:50
RE: Transceiver wg. M0NKA - SP3OSJ - 30-07-2014, 23:14
RE: Transceiver wg. M0NKA - SP5FCS - 31-07-2014, 17:19
RE: Transceiver wg. M0NKA - SQ5RWU - 30-07-2014, 23:30
RE: Transceiver wg. M0NKA - SP3OSJ - 31-07-2014, 0:15
RE: Transceiver wg. M0NKA - SP6AUO - 31-07-2014, 5:27
RE: Transceiver wg. M0NKA - SP3OSJ - 02-08-2014, 23:41
RE: Transceiver wg. M0NKA - GREG - 07-08-2014, 10:56
RE: Transceiver wg. M0NKA - SP3OSJ - 07-08-2014, 15:28
RE: Transceiver wg. M0NKA - SP6LTP - 07-08-2014, 22:52
RE: Transceiver wg. M0NKA - SP6AUO - 07-08-2014, 22:57
RE: Transceiver wg. M0NKA - SP3OSJ - 08-08-2014, 0:59
RE: Transceiver wg. M0NKA - SP6AUO - 08-08-2014, 4:11
RE: Transceiver wg. M0NKA - SP3OSJ - 08-08-2014, 11:13
RE: Transceiver wg. M0NKA - GREG - 08-08-2014, 12:32
RE: Transceiver wg. M0NKA - SP3OSJ - 10-08-2014, 10:52
RE: Transceiver wg. M0NKA - GREG - 18-08-2014, 17:48
RE: Transceiver wg. M0NKA - SP6LTP - 18-08-2014, 21:15
RE: Transceiver wg. M0NKA - SP3OSJ - 18-08-2014, 22:59
RE: Transceiver wg. M0NKA - GREG - 18-08-2014, 23:03
RE: Transceiver wg. M0NKA - SP6AUO - 20-08-2014, 11:26
RE: Transceiver wg. M0NKA - SP3OSJ - 20-08-2014, 14:21
RE: Transceiver wg. M0NKA - SP6AUO - 20-08-2014, 17:19
RE: Transceiver wg. M0NKA - SP3OSJ - 20-08-2014, 22:25
RE: Transceiver wg. M0NKA - GREG - 20-08-2014, 23:54
RE: Transceiver wg. M0NKA - SP6AUO - 20-08-2014, 23:35
RE: Transceiver wg. M0NKA - SP3OSJ - 21-08-2014, 9:17
RE: Transceiver wg. M0NKA - SP6AUO - 21-08-2014, 9:55
RE: Transceiver wg. M0NKA - SP3OSJ - 21-08-2014, 11:13
RE: Transceiver wg. M0NKA - SP6AUO - 21-08-2014, 12:16
RE: Transceiver wg. M0NKA - SP3OSJ - 22-08-2014, 11:19
RE: Transceiver wg. M0NKA - SP6AUO - 22-08-2014, 12:18
RE: Transceiver wg. M0NKA - SP3OSJ - 22-08-2014, 18:32
RE: Transceiver wg. M0NKA - SP6AUO - 22-08-2014, 19:16
RE: Transceiver wg. M0NKA - SP6LTP - 22-08-2014, 21:18
RE: Transceiver wg. M0NKA - SP5FCS - 22-08-2014, 21:22
RE: Transceiver wg. M0NKA - SP3OSJ - 22-08-2014, 22:01
RE: Transceiver wg. M0NKA - SP2JQR - 23-08-2014, 21:06
RE: Transceiver wg. M0NKA - SP6AUO - 24-08-2014, 9:40
RE: Transceiver wg. M0NKA - SQ8MHI - 24-08-2014, 9:59
RE: Transceiver wg. M0NKA - SP3OSJ - 24-08-2014, 11:59
RE: Transceiver wg. M0NKA - SP6AUO - 24-08-2014, 12:34
RE: Transceiver wg. M0NKA - SP3OSJ - 26-08-2014, 22:59
RE: Transceiver wg. M0NKA - SP6AUO - 27-08-2014, 4:20
RE: Transceiver wg. M0NKA - SP2IPT - 27-08-2014, 7:27
RE: Transceiver wg. M0NKA - SP6AUO - 27-08-2014, 7:56
RE: Transceiver wg. M0NKA - SP3OSJ - 27-08-2014, 9:17
RE: Transceiver wg. M0NKA - SP6AUO - 30-08-2014, 7:33
RE: Transceiver wg. M0NKA - SP9FKP - 30-08-2014, 8:34
RE: Transceiver wg. M0NKA - SP6AUO - 30-08-2014, 18:36
RE: Transceiver wg. M0NKA - SP9FKP - 30-08-2014, 19:09
RE: Transceiver wg. M0NKA - SP6AUO - 30-08-2014, 22:01
RE: Transceiver wg. M0NKA - SP9FKP - 31-08-2014, 8:21
RE: Transceiver wg. M0NKA - SP2IPT - 01-09-2014, 8:47
RE: Transceiver wg. M0NKA - SP3OSJ - 01-09-2014, 11:46
RE: Transceiver wg. M0NKA - SP6AUO - 01-09-2014, 13:42
RE: Transceiver wg. M0NKA - SP9FKP - 01-09-2014, 13:52
RE: Transceiver wg. M0NKA - SP3OSJ - 01-09-2014, 17:42
RE: Transceiver wg. M0NKA - SP6AUO - 01-09-2014, 14:02
RE: Transceiver wg. M0NKA - SP2IPT - 01-09-2014, 14:13
RE: Transceiver wg. M0NKA - SP6AUO - 01-09-2014, 14:21
RE: Transceiver wg. M0NKA - SP9FKP - 01-09-2014, 18:18
RE: Transceiver wg. M0NKA - SP6AUO - 01-09-2014, 20:44
RE: Transceiver wg. M0NKA - SP3OSJ - 01-09-2014, 22:36
RE: Transceiver wg. M0NKA - SP6IFN - 01-09-2014, 23:26
RE: Transceiver wg. M0NKA - SP6AUO - 02-09-2014, 3:33
RE: Transceiver wg. M0NKA - SP3OSJ - 02-09-2014, 9:06
RE: Transceiver wg. M0NKA - SP2IPT - 02-09-2014, 13:36
RE: Transceiver wg. M0NKA - SP3OSJ - 02-09-2014, 23:46
RE: Transceiver wg. M0NKA - SP6AUO - 02-09-2014, 18:03
RE: Transceiver wg. M0NKA - SP9FKP - 02-09-2014, 18:50
RE: Transceiver wg. M0NKA - SP6AUO - 02-09-2014, 20:47
RE: Transceiver wg. M0NKA - SP6AUO - 03-09-2014, 12:19
RE: Transceiver wg. M0NKA - SP3OSJ - 05-09-2014, 13:49
RE: Transceiver wg. M0NKA - SP3OSJ - 08-09-2014, 16:05
RE: Transceiver wg. M0NKA - GREG - 10-09-2014, 21:50
RE: Transceiver wg. M0NKA - SP3OSJ - 11-09-2014, 11:14
RE: Transceiver wg. M0NKA - SQ1GYQ - 11-09-2014, 14:59
RE: Transceiver wg. M0NKA - GREG - 11-09-2014, 15:17
RE: Transceiver wg. M0NKA - SP2IPT - 11-09-2014, 21:22
RE: Transceiver wg. M0NKA - SP3OSJ - 12-09-2014, 1:56
RE: Transceiver wg. M0NKA - SQ1GYQ - 12-09-2014, 9:11
RE: Transceiver wg. M0NKA - SP3OSJ - 12-09-2014, 21:36
RE: Transceiver wg. M0NKA - GREG - 12-09-2014, 23:25
RE: Transceiver wg. M0NKA - SP3OSJ - 13-09-2014, 0:03
RE: Transceiver wg. M0NKA - SP2IPT - 13-09-2014, 10:10
RE: Transceiver wg. M0NKA - SP3OSJ - 13-09-2014, 15:10
RE: Transceiver wg. M0NKA - K2KP - 13-09-2014, 15:44
RE: Transceiver wg. M0NKA - SP3OSJ - 13-09-2014, 21:33
RE: Transceiver wg. M0NKA - SP2IPT - 13-09-2014, 22:43
RE: Transceiver wg. M0NKA - K2KP - 13-09-2014, 23:41
RE: Transceiver wg. M0NKA - GREG - 14-09-2014, 11:38
RE: Transceiver wg. M0NKA - SP3OSJ - 14-09-2014, 19:49
RE: Transceiver wg. M0NKA - GREG - 15-09-2014, 13:01
RE: Transceiver wg. M0NKA - SP6AUO - 15-09-2014, 13:22
RE: Transceiver wg. M0NKA - SP3OSJ - 15-09-2014, 20:29
RE: Transceiver wg. M0NKA - GREG - 16-09-2014, 21:51
RE: Transceiver wg. M0NKA - K2KP - 17-09-2014, 2:22
RE: Transceiver wg. M0NKA - SP6AUO - 17-09-2014, 4:45
RE: Transceiver wg. M0NKA - K2KP - 17-09-2014, 14:49
RE: Transceiver wg. M0NKA - SP6AUO - 17-09-2014, 16:30
RE: Transceiver wg. M0NKA - SP3OSJ - 17-09-2014, 17:15
RE: Transceiver wg. M0NKA - GREG - 17-09-2014, 17:21
RE: Transceiver wg. M0NKA - SP3OSJ - 17-09-2014, 17:32
RE: Transceiver wg. M0NKA - SP6LTP - 17-09-2014, 21:37
RE: Transceiver wg. M0NKA - SP6AUO - 18-09-2014, 5:58
RE: Transceiver wg. M0NKA - SP3OSJ - 18-09-2014, 16:09
RE: Transceiver wg. M0NKA - SP6AUO - 18-09-2014, 17:56
RE: Transceiver wg. M0NKA - GREG - 18-09-2014, 20:22
RE: Transceiver wg. M0NKA - K2KP - 19-09-2014, 0:51
RE: Transceiver wg. M0NKA - DM9IAH - 19-09-2014, 12:20
RE: Transceiver wg. M0NKA - SQ8AQX - 19-09-2014, 15:06
RE: Transceiver wg. M0NKA - DM9IAH - 19-09-2014, 16:12
RE: Transceiver wg. M0NKA - SP6AUO - 19-09-2014, 17:33
RE: Transceiver wg. M0NKA - SP3OSJ - 21-09-2014, 12:56
RE: Transceiver wg. M0NKA - SP6AUO - 21-09-2014, 18:08
RE: Transceiver wg. M0NKA - SP3OSJ - 21-09-2014, 21:09
RE: Transceiver wg. M0NKA - SQ5KVS - 22-09-2014, 12:57
RE: Transceiver wg. M0NKA - SP3OSJ - 23-09-2014, 0:19
RE: Transceiver wg. M0NKA - DM9IAH - 22-09-2014, 8:44
RE: Transceiver wg. M0NKA - SP6AUO - 22-09-2014, 9:41
RE: Transceiver wg. M0NKA - DM9IAH - 22-09-2014, 15:47
RE: Transceiver wg. M0NKA - SQ5KVS - 23-09-2014, 11:25
RE: Transceiver wg. M0NKA - SP6LTP - 23-09-2014, 12:02
RE: Transceiver wg. M0NKA - SQ5KVS - 23-09-2014, 13:03
RE: Transceiver wg. M0NKA - SP5BMP - 23-09-2014, 13:37
RE: Transceiver wg. M0NKA - SP9FKP - 23-09-2014, 13:58
RE: Transceiver wg. M0NKA - SQ5KVS - 23-09-2014, 14:16
RE: Transceiver wg. M0NKA - GREG - 23-09-2014, 15:04
RE: Transceiver wg. M0NKA - SP6AUO - 23-09-2014, 19:40
RE: Transceiver wg. M0NKA - SP3OSJ - 23-09-2014, 21:48
RE: Transceiver wg. M0NKA - SQ5KVS - 24-09-2014, 10:06
RE: Transceiver wg. M0NKA - SP6AUO - 24-09-2014, 11:52
RE: Transceiver wg. M0NKA - SP5BMP - 24-09-2014, 12:08
RE: Transceiver wg. M0NKA - SQ5KVS - 24-09-2014, 12:50
RE: Transceiver wg. M0NKA - SP3OSJ - 24-09-2014, 19:48
RE: Transceiver wg. M0NKA - SP3OSJ - 24-09-2014, 13:01
RE: Transceiver wg. M0NKA - SQ5KVS - 24-09-2014, 13:27
RE: Transceiver wg. M0NKA - GREG - 28-09-2014, 13:05
RE: Transceiver wg. M0NKA - SP6AUO - 28-09-2014, 20:53
RE: Transceiver wg. M0NKA - GREG - 29-09-2014, 13:47
RE: Transceiver wg. M0NKA - SP3OSJ - 28-09-2014, 22:46
RE: Transceiver wg. M0NKA - SP6AUO - 29-09-2014, 15:15
RE: Transceiver wg. M0NKA - GREG - 29-09-2014, 22:41
RE: Transceiver wg. M0NKA - SP3OSJ - 30-09-2014, 0:17
RE: Transceiver wg. M0NKA - SP6AUO - 30-09-2014, 2:10
RE: Transceiver wg. M0NKA - DM9IAH - 30-09-2014, 11:43
RE: Transceiver wg. M0NKA - SP6AUO - 30-09-2014, 12:26
RE: Transceiver wg. M0NKA - DM9IAH - 30-09-2014, 16:13
RE: Transceiver wg. M0NKA - GREG - 30-09-2014, 16:20
RE: Transceiver wg. M0NKA - SP6AUO - 01-10-2014, 14:16
RE: Transceiver wg. M0NKA - DM9IAH - 02-10-2014, 8:55
RE: Transceiver wg. M0NKA - SP6AUO - 02-10-2014, 21:19
RE: Transceiver wg. M0NKA - SP3OSJ - 03-10-2014, 17:26
RE: Transceiver wg. M0NKA - GREG - 03-10-2014, 18:56
RE: Transceiver wg. M0NKA - SP3OSJ - 03-10-2014, 23:46
RE: Transceiver wg. M0NKA - SQ1GYQ - 04-10-2014, 10:59
RE: Transceiver wg. M0NKA - SP3OSJ - 06-10-2014, 10:35
RE: Transceiver wg. M0NKA - GREG - 06-10-2014, 12:47
RE: Transceiver wg. M0NKA - SQ8AQX - 04-10-2014, 16:35
RE: Transceiver wg. M0NKA - SP4LVC - 04-10-2014, 23:06
RE: Transceiver wg. M0NKA - SQ8AQX - 05-10-2014, 12:50
RE: Transceiver wg. M0NKA - K2KP - 06-10-2014, 14:37
RE: Transceiver wg. M0NKA - SP6AUO - 06-10-2014, 17:22
RE: Transceiver wg. M0NKA - K2KP - 06-10-2014, 22:26
RE: Transceiver wg. M0NKA - SP3OSJ - 07-10-2014, 16:10
RE: Transceiver wg. M0NKA - DA_KAR - 07-10-2014, 16:31
RE: Transceiver wg. M0NKA - SP3OSJ - 08-10-2014, 1:04
RE: Transceiver wg. M0NKA - SP6AUO - 08-10-2014, 8:04
RE: Transceiver wg. M0NKA - SQ5KVS - 08-10-2014, 10:00
RE: Transceiver wg. M0NKA - SP6IFN - 08-10-2014, 11:54
RE: Transceiver wg. M0NKA - SP3OSJ - 08-10-2014, 18:00
RE: Transceiver wg. M0NKA - SP6AUO - 08-10-2014, 20:06
RE: Transceiver wg. M0NKA - SP2IPT - 08-10-2014, 20:50
RE: Transceiver wg. M0NKA - SP3OSJ - 08-10-2014, 21:17
RE: Transceiver wg. M0NKA - SP6AUO - 09-10-2014, 4:07
RE: Transceiver wg. M0NKA - SP3OSJ - 11-10-2014, 2:02
RE: Transceiver wg. M0NKA - SP6AUO - 11-10-2014, 8:40
RE: Transceiver wg. M0NKA - SP3OSJ - 13-10-2014, 0:15
RE: Transceiver wg. M0NKA - GREG - 13-10-2014, 17:49
RE: Transceiver wg. M0NKA - SP3OSJ - 13-10-2014, 21:43
RE: Transceiver wg. M0NKA - SP3OSJ - 20-10-2014, 14:28
RE: Transceiver wg. M0NKA - GREG - 20-10-2014, 18:23
RE: Transceiver wg. M0NKA - GREG - 26-10-2014, 3:22
RE: Transceiver wg. M0NKA - SP3OSJ - 21-10-2014, 15:37
RE: Transceiver wg. M0NKA - SP3OSJ - 29-10-2014, 19:22
RE: Transceiver wg. M0NKA - HF7A - 31-10-2014, 20:44
RE: Transceiver wg. M0NKA - SP3OSJ - 31-10-2014, 22:57
RE: Transceiver wg. M0NKA - SP6AUO - 09-11-2014, 11:49
RE: Transceiver wg. M0NKA - SP3OSJ - 14-11-2014, 21:09
RE: Transceiver wg. M0NKA - SP9FKP - 16-11-2014, 21:56
RE: Transceiver wg. M0NKA - SP6AUO - 17-11-2014, 8:15
RE: Transceiver wg. M0NKA - SP3OSJ - 18-11-2014, 13:10
RE: Transceiver wg. M0NKA - SP6AUO - 20-11-2014, 23:37
RE: Transceiver wg. M0NKA - SP6AUO - 23-11-2014, 9:39
RE: Transceiver wg. M0NKA - SP3OSJ - 27-11-2014, 23:15
RE: Transceiver wg. M0NKA - SP3OSJ - 28-11-2014, 18:07
RE: Transceiver wg. M0NKA - YO8TFF - 07-12-2014, 14:47
RE: Transceiver wg. M0NKA - GREG - 07-12-2014, 19:31
RE: Transceiver wg. M0NKA - YO8TFF - 07-12-2014, 21:28
RE: Transceiver wg. M0NKA - SP6AUO - 05-01-2015, 17:08
RE: Transceiver wg. M0NKA - GREG - 08-01-2015, 21:52
RE: Transceiver wg. M0NKA - SP6AUO - 09-01-2015, 14:05
RE: Transceiver wg. M0NKA - SO3ALG - 09-01-2015, 17:50
RE: Transceiver wg. M0NKA - SP6AUO - 09-01-2015, 23:20
RE: Transceiver wg. M0NKA - SP3OSJ - 10-01-2015, 0:33
RE: Transceiver wg. M0NKA - SP6AUO - 26-01-2015, 14:59
RE: Transceiver wg. M0NKA - GREG - 26-01-2015, 15:14
RE: Transceiver wg. M0NKA - SP6AUO - 26-01-2015, 17:05
RE: Transceiver wg. M0NKA - GREG - 26-01-2015, 17:26
RE: Transceiver wg. M0NKA - SP6AUO - 26-01-2015, 21:13
RE: Transceiver wg. M0NKA - SP3OSJ - 28-01-2015, 22:45
RE: Transceiver wg. M0NKA - SP6AUO - 05-02-2015, 1:51
RE: Transceiver wg. M0NKA - SP3OSJ - 06-02-2015, 22:02
RE: Transceiver wg. M0NKA - SP6AUO - 07-02-2015, 10:20
RE: Transceiver wg. M0NKA - SP3OSJ - 07-02-2015, 11:09
RE: Transceiver wg. M0NKA - SP6AUO - 07-02-2015, 18:38
RE: Transceiver wg. M0NKA - SQ4AVS - 07-02-2015, 19:58
RE: Transceiver wg. M0NKA - SP6AUO - 07-02-2015, 22:01
RE: Transceiver wg. M0NKA - SP6AUO - 10-02-2015, 7:14
RE: Transceiver wg. M0NKA - GREG - 10-02-2015, 18:45
RE: Transceiver wg. M0NKA - SP6AUO - 10-02-2015, 23:48
RE: Transceiver wg. M0NKA - SP3OSJ - 11-02-2015, 0:24
RE: Transceiver wg. M0NKA - SP6AUO - 11-02-2015, 7:53
RE: Transceiver wg. M0NKA - SP3OSJ - 11-02-2015, 20:28
RE: Transceiver wg. M0NKA - SP6AUO - 11-02-2015, 22:40
RE: Transceiver wg. M0NKA - SP3OSJ - 13-03-2015, 13:18
RE: Transceiver wg. M0NKA - K2KP - 13-03-2015, 17:26
RE: Transceiver wg. M0NKA - SP7EWL - 15-03-2015, 11:04
RE: Transceiver wg. M0NKA - SP3OSJ - 13-03-2015, 19:39
RE: Transceiver wg. M0NKA - 3Z9N - 26-03-2015, 14:31
RE: Transceiver wg. M0NKA - SP5TAA - 26-03-2015, 16:18
RE: Transceiver wg. M0NKA - SP6AUO - 26-03-2015, 22:02
RE: Transceiver wg. M0NKA - SQ4IOP - 27-03-2015, 0:18
RE: Transceiver wg. M0NKA - SQ1GYQ - 28-03-2015, 17:40
RE: Transceiver wg. M0NKA - SQ4IOP - 28-03-2015, 19:51
RE: Transceiver wg. M0NKA - K2KP - 30-03-2015, 14:24
RE: Transceiver wg. M0NKA - SQ1GYQ - 29-03-2015, 12:43
RE: Transceiver wg. M0NKA - SP4ELF - 29-03-2015, 18:46
RE: Transceiver wg. M0NKA - SP6AUO - 30-03-2015, 17:35
RE: Transceiver wg. M0NKA - SP4XYD - 30-03-2015, 19:43
RE: Transceiver wg. M0NKA - SP6AUO - 31-03-2015, 8:07
RE: Transceiver wg. M0NKA - SP6AUO - 05-04-2015, 14:17
RE: Transceiver wg. M0NKA - GREG - 05-04-2015, 20:43
RE: Transceiver wg. M0NKA - SP6AUO - 05-04-2015, 21:31
RE: Transceiver wg. M0NKA - SP3OSJ - 05-04-2015, 23:24
RE: Transceiver wg. M0NKA - SP3OSJ - 08-04-2015, 20:53
RE: Transceiver wg. M0NKA - SP6AUO - 12-04-2015, 12:56
RE: Transceiver wg. M0NKA - SP3OSJ - 14-04-2015, 12:01
RE: Transceiver wg. M0NKA - SP6AUO - 14-04-2015, 15:01
RE: Transceiver wg. M0NKA - SQ9RZM - 15-04-2015, 20:06
RE: Transceiver wg. M0NKA - SP6AUO - 17-04-2015, 6:00
RE: Transceiver wg. M0NKA - SP4LVC - 19-04-2015, 6:58
RE: Transceiver wg. M0NKA - SP2GNB - 19-04-2015, 12:52
RE: Transceiver wg. M0NKA - SP6AUO - 19-04-2015, 12:56
RE: Transceiver wg. M0NKA - SP2GNB - 19-04-2015, 17:14
RE: Transceiver wg. M0NKA - SP6AUO - 19-04-2015, 21:20
RE: Transceiver wg. M0NKA - SP2GNB - 19-04-2015, 21:39
RE: Transceiver wg. M0NKA - SP6AUO - 21-04-2015, 16:13
RE: Transceiver wg. M0NKA - SP2GNB - 21-04-2015, 21:18
RE: Transceiver wg. M0NKA - SP6AUO - 26-04-2015, 9:03
RE: Transceiver wg. M0NKA - SP3OSJ - 28-04-2015, 11:29
RE: Transceiver wg. M0NKA - SQ4IOP - 30-04-2015, 23:04
RE: Transceiver wg. M0NKA - SP6AUO - 01-05-2015, 5:01
RE: Transceiver wg. M0NKA - SP6IFN - 01-05-2015, 16:23
RE: Transceiver wg. M0NKA - SP6AUO - 01-05-2015, 17:03
RE: Transceiver wg. M0NKA - SP7ROH - 01-05-2015, 17:21
RE: Transceiver wg. M0NKA - SP6AUO - 01-05-2015, 17:50
RE: Transceiver wg. M0NKA - SP6IFN - 01-05-2015, 18:39
RE: Transceiver wg. M0NKA - SQ5RWU - 01-05-2015, 21:09
RE: Transceiver wg. M0NKA - SP6AUO - 01-05-2015, 19:22
RE: Transceiver wg. M0NKA - SP6IFN - 01-05-2015, 20:51
RE: Transceiver wg. M0NKA - SP6IFN - 01-05-2015, 21:24
RE: Transceiver wg. M0NKA - SP6AUO - 01-05-2015, 22:07
RE: Transceiver wg. M0NKA - SP6IFN - 01-05-2015, 22:37
RE: Transceiver wg. M0NKA - SP6AUO - 02-05-2015, 7:53
RE: Transceiver wg. M0NKA - SP5AQT - 02-05-2015, 8:17
RE: Transceiver wg. M0NKA - SP3OSJ - 02-05-2015, 10:54
RE: Transceiver wg. M0NKA - SP1UJB - 02-05-2015, 11:16
RE: Transceiver wg. M0NKA - SP3OSJ - 03-05-2015, 15:58
RE: Transceiver wg. M0NKA - SP6AUO - 03-05-2015, 16:19
RE: Transceiver wg. M0NKA - SP3OSJ - 03-05-2015, 17:12
RE: Transceiver wg. M0NKA - SP6AUO - 03-05-2015, 19:54
RE: Transceiver wg. M0NKA - SQ4IOP - 04-05-2015, 21:50
RE: Transceiver wg. M0NKA - SP6AUO - 05-05-2015, 4:02
RE: Transceiver wg. M0NKA - SQ4IOP - 05-05-2015, 10:40
RE: Transceiver wg. M0NKA - SP9VFD - 08-05-2015, 10:16
RE: Transceiver wg. M0NKA - SP6AUO - 08-05-2015, 11:59
RE: Transceiver wg. M0NKA - SP9VFD - 08-05-2015, 17:16
RE: Transceiver wg. M0NKA - GREG - 08-05-2015, 20:15
RE: Transceiver wg. M0NKA - SP3OSJ - 09-05-2015, 10:44
RE: Transceiver wg. M0NKA - SP9VFD - 09-05-2015, 19:54
RE: Transceiver wg. M0NKA - GREG - 10-05-2015, 11:13
RE: Transceiver wg. M0NKA - SP9VFD - 10-05-2015, 21:28
RE: Transceiver wg. M0NKA - SP3OSJ - 11-05-2015, 8:28
RE: Transceiver wg. M0NKA - SP9VFD - 11-05-2015, 10:43
RE: Transceiver wg. M0NKA - SP3OSJ - 14-05-2015, 21:55
RE: Transceiver wg. M0NKA - SP6AUO - 15-05-2015, 5:33
RE: Transceiver wg. M0NKA - SP9VFD - 15-05-2015, 9:27
RE: Transceiver wg. M0NKA - SP9FKP - 15-05-2015, 11:06
RE: Transceiver wg. M0NKA - SP6AUO - 15-05-2015, 15:19
RE: Transceiver wg. M0NKA - SP3OSJ - 15-05-2015, 20:41
RE: Transceiver wg. M0NKA - SP6AUO - 15-05-2015, 21:47
RE: Transceiver wg. M0NKA - SP3OSJ - 18-05-2015, 18:36
RE: Transceiver wg. M0NKA - SQ5RWU - 19-05-2015, 10:41
RE: Transceiver wg. M0NKA - SP6AUO - 20-05-2015, 17:20
RE: Transceiver wg. M0NKA - SP9TTV - 24-05-2015, 10:48
RE: Transceiver wg. M0NKA - SP6LTP - 24-05-2015, 21:24
RE: Transceiver wg. M0NKA - SP9TTV - 24-05-2015, 22:04
RE: Transceiver wg. M0NKA - SP6LTP - 25-05-2015, 9:28
RE: Transceiver wg. M0NKA - SP3OSJ - 28-05-2015, 20:31
RE: Transceiver wg. M0NKA - SP6AUO - 31-05-2015, 17:45
RE: Transceiver wg. M0NKA - SP3OSJ - 01-06-2015, 21:59
RE: Transceiver wg. M0NKA - SP6AUO - 01-06-2015, 23:30
RE: Transceiver wg. M0NKA - SP2GNB - 25-06-2015, 22:15
RE: Transceiver wg. M0NKA - SP6AUO - 25-06-2015, 22:40
RE: Transceiver wg. M0NKA - SP2GNB - 12-07-2015, 17:51
RE: Transceiver wg. M0NKA - SP6AUO - 12-07-2015, 19:27
RE: Transceiver wg. M0NKA - SP2GNB - 12-07-2015, 21:04
RE: Transceiver wg. M0NKA - SP6AUO - 13-07-2015, 10:52
RE: Transceiver wg. M0NKA - SP2GNB - 13-07-2015, 17:56
RE: Transceiver wg. M0NKA - SQ8AQX - 13-07-2015, 19:59
RE: Transceiver wg. M0NKA - SP2GNB - 13-07-2015, 21:02
RE: Transceiver wg. M0NKA - SP6AUO - 13-07-2015, 20:33
RE: Transceiver wg. M0NKA - SP2GNB - 16-07-2015, 10:42
RE: Transceiver wg. M0NKA - SP2GNB - 05-08-2015, 20:36
RE: Transceiver wg. M0NKA - SP9KN - 14-08-2015, 8:51
RE: Transceiver wg. M0NKA - SP6LUN - 14-08-2015, 12:43
RE: Transceiver wg. M0NKA - SP6AUO - 14-08-2015, 11:16
RE: Transceiver wg. M0NKA - SP9KN - 14-08-2015, 11:29
RE: Transceiver wg. M0NKA - SP9KN - 14-08-2015, 12:53
RE: Transceiver wg. M0NKA - SP4SR - 18-08-2015, 13:34
RE: Transceiver wg. M0NKA - SP2GNB - 22-08-2015, 11:51
RE: Transceiver wg. M0NKA - SP4SR - 22-08-2015, 13:05
RE: Transceiver wg. M0NKA - SP2GNB - 22-08-2015, 13:17
RE: Transceiver wg. M0NKA - SP4SR - 22-08-2015, 13:21
RE: Transceiver wg. M0NKA - SP2GNB - 22-08-2015, 14:31
RE: Transceiver wg. M0NKA - SP4EIB - 22-08-2015, 17:16
RE: Transceiver wg. M0NKA - SP4SR - 22-08-2015, 17:53
RE: Transceiver wg. M0NKA - SP4EIB - 22-08-2015, 18:31
RE: Transceiver wg. M0NKA - SP4SR - 27-08-2015, 22:50
RE: Transceiver wg. M0NKA - SP6AUO - 28-08-2015, 11:05
RE: Transceiver wg. M0NKA - SP4SR - 28-08-2015, 13:15
RE: Transceiver wg. M0NKA - SP9KN - 31-08-2015, 9:55
RE: Transceiver wg. M0NKA - SP4SR - 11-09-2015, 7:07
RE: Transceiver wg. M0NKA - SP9KN - 20-09-2015, 14:48
RE: Transceiver wg. M0NKA - SP9KN - 11-09-2015, 11:37
RE: Transceiver wg. M0NKA - SP4SR - 24-09-2015, 19:22
RE: Transceiver wg. M0NKA - SQ8AQX - 24-09-2015, 21:16
RE: Transceiver wg. M0NKA - SP4SR - 25-09-2015, 19:45
RE: Transceiver wg. M0NKA - SP2GNB - 30-09-2015, 12:10
RE: Transceiver wg. M0NKA - SP4SR - 30-09-2015, 21:56
RE: Transceiver wg. M0NKA - SP2GNB - 30-09-2015, 22:17
RE: Transceiver wg. M0NKA - SP4SR - 01-10-2015, 8:18
RE: Transceiver wg. M0NKA - SP2GNB - 01-10-2015, 8:31
RE: Transceiver wg. M0NKA - SP9KN - 29-11-2015, 19:13
RE: Transceiver wg. M0NKA - SP4SR - 01-10-2015, 17:03
RE: Transceiver wg. M0NKA - SP2GNB - 01-10-2015, 17:30
RE: Transceiver wg. M0NKA - SP6AUO - 01-10-2015, 19:19
RE: Transceiver wg. M0NKA - SQ8AQX - 02-10-2015, 17:44
RE: Transceiver wg. M0NKA - SP4BK - 02-10-2015, 18:19
RE: Transceiver wg. M0NKA - SP4SR - 03-10-2015, 21:39
RE: Transceiver wg. M0NKA - SP3OSJ - 03-10-2015, 22:50
RE: Transceiver wg. M0NKA - SP4SR - 04-10-2015, 11:43
RE: Transceiver wg. M0NKA - SQ8AQX - 05-10-2015, 14:43
RE: Transceiver wg. M0NKA - SP4SR - 08-10-2015, 21:37
RE: Transceiver wg. M0NKA - SP5TAA - 09-10-2015, 0:25
RE: Transceiver wg. M0NKA - SP4SR - 13-10-2015, 10:15
RE: Transceiver wg. M0NKA - SQ8AQX - 13-10-2015, 13:48
RE: Transceiver wg. M0NKA - SP4SR - 13-10-2015, 23:16
RE: Transceiver wg. M0NKA - SQ8AQX - 14-10-2015, 13:09
RE: Transceiver wg. M0NKA - SP9KN - 14-10-2015, 13:12
RE: Transceiver wg. M0NKA - SQ8AQX - 14-10-2015, 13:22
RE: Transceiver wg. M0NKA - SP9KN - 14-10-2015, 13:27
RE: Transceiver wg. M0NKA - SP9KN - 18-10-2015, 7:35
RE: Transceiver wg. M0NKA - SP3OSJ - 19-10-2015, 18:46
RE: Transceiver wg. M0NKA - SQ4IOP - 18-10-2015, 13:36
RE: Transceiver wg. M0NKA - SP4EIB - 18-10-2015, 18:48
RE: Transceiver wg. M0NKA - SP9KN - 18-10-2015, 19:53
RE: Transceiver wg. M0NKA - SP5TAA - 19-10-2015, 0:24
RE: Transceiver wg. M0NKA - SP9KN - 19-10-2015, 21:54
RE: Transceiver wg. M0NKA - SP4EIB - 19-10-2015, 22:59
RE: Transceiver wg. M0NKA - SP3OSJ - 20-10-2015, 0:01
RE: Transceiver wg. M0NKA - SP9KN - 20-10-2015, 6:05
RE: Transceiver wg. M0NKA - SP3OSJ - 20-10-2015, 8:49
RE: Transceiver wg. M0NKA - SP4EIB - 20-10-2015, 15:58
RE: Transceiver wg. M0NKA - SP9KN - 21-10-2015, 19:23
RE: Transceiver wg. M0NKA - SP6AUO - 21-10-2015, 21:05
RE: Transceiver wg. M0NKA - SP9KN - 22-10-2015, 11:12
RE: Transceiver wg. M0NKA - SP6AUO - 22-10-2015, 16:28
RE: Transceiver wg. M0NKA - SP9KN - 22-10-2015, 20:15
RE: Transceiver wg. M0NKA - SP4EIB - 22-10-2015, 21:06
RE: Transceiver wg. M0NKA - SP4EIB - 23-10-2015, 20:50
RE: Transceiver wg. M0NKA - SP3OSJ - 22-10-2015, 21:14
RE: Transceiver wg. M0NKA - SP9KN - 22-10-2015, 21:20
RE: Transceiver wg. M0NKA - SP9KN - 23-10-2015, 21:34
RE: Transceiver wg. M0NKA - SP6AUO - 23-10-2015, 21:46
RE: Transceiver wg. M0NKA - SP9KN - 23-10-2015, 22:12
RE: Transceiver wg. M0NKA - SP4EIB - 23-10-2015, 22:41
RE: Transceiver wg. M0NKA - SP2GNB - 24-10-2015, 19:10
RE: Transceiver wg. M0NKA - SP9KN - 24-10-2015, 22:24
RE: Transceiver wg. M0NKA - SP4EIB - 24-10-2015, 23:00
RE: Transceiver wg. M0NKA - SP9KN - 25-10-2015, 8:43
RE: Transceiver wg. M0NKA - SP4SR - 25-10-2015, 13:55
RE: Transceiver wg. M0NKA - SP9KN - 25-10-2015, 14:00
RE: Transceiver wg. M0NKA - SP4EIB - 25-10-2015, 15:09
RE: Transceiver wg. M0NKA - SP4SR - 25-10-2015, 16:37
RE: Transceiver wg. M0NKA - SP9KN - 25-10-2015, 20:57
RE: Transceiver wg. M0NKA - SP6AUO - 25-10-2015, 21:54
RE: Transceiver wg. M0NKA - SP9KN - 25-10-2015, 22:02
RE: Transceiver wg. M0NKA - SP6AUO - 25-10-2015, 22:17
RE: Transceiver wg. M0NKA - SP4EIB - 25-10-2015, 23:14
RE: Transceiver wg. M0NKA - SP6AUO - 25-10-2015, 23:16
RE: Transceiver wg. M0NKA - SP4EIB - 25-10-2015, 23:17
RE: Transceiver wg. M0NKA - SP9KN - 26-10-2015, 22:22
RE: Transceiver wg. M0NKA - SP4EIB - 27-10-2015, 22:32
RE: Transceiver wg. M0NKA - SP9BSL - 27-10-2015, 12:47
RE: Transceiver wg. M0NKA - SP6AUO - 27-10-2015, 14:18
RE: Transceiver wg. M0NKA - SP9KN - 27-10-2015, 14:25
RE: Transceiver wg. M0NKA - SP9BSL - 27-10-2015, 14:36
RE: Transceiver wg. M0NKA - SQ6RDY - 27-10-2015, 14:58
RE: Transceiver wg. M0NKA - SP9KN - 27-10-2015, 15:12
RE: Transceiver wg. M0NKA - SQ6RDY - 27-10-2015, 15:19
RE: Transceiver wg. M0NKA - SP9KN - 27-10-2015, 15:48
RE: Transceiver wg. M0NKA - SQ6RDY - 27-10-2015, 16:03
RE: Transceiver wg. M0NKA - SP6AUO - 28-10-2015, 5:55
RE: Transceiver wg. M0NKA - SP2GNB - 06-05-2017, 8:19
RE: Transceiver wg. M0NKA - SP5SMK - 06-05-2017, 13:53
RE: Transceiver wg. M0NKA - SP2GNB - 06-05-2017, 15:39
RE: Transceiver wg. M0NKA - SP9KN - 28-10-2015, 6:28
RE: Transceiver wg. M0NKA - SP6AUO - 28-10-2015, 6:53
RE: Transceiver wg. M0NKA - SQ6RDY - 17-11-2015, 13:57
RE: Transceiver wg. M0NKA - SP2GNB - 29-11-2015, 20:02
RE: Transceiver wg. M0NKA - SP9OUR - 30-12-2015, 13:30
RE: Transceiver wg. M0NKA - SP9BSL - 01-01-2016, 19:28
RE: Transceiver wg. M0NKA - SP6AUO - 01-01-2016, 21:26
RE: Transceiver wg. M0NKA - SP9BSL - 01-01-2016, 22:02
RE: Transceiver wg. M0NKA - SP9KN - 07-02-2016, 10:48
RE: Transceiver wg. M0NKA - SP9KN - 18-03-2016, 22:54
RE: Transceiver wg. M0NKA - SP9KN - 02-04-2016, 22:35
RE: Transceiver wg. M0NKA - SP6AUO - 04-04-2016, 14:40
RE: Transceiver wg. M0NKA - SP9KN - 04-04-2016, 14:56
RE: Transceiver wg. M0NKA - SP6AUO - 04-04-2016, 15:14
RE: Transceiver wg. M0NKA - SP9KN - 04-04-2016, 18:30
RE: Transceiver wg. M0NKA - SP6AUO - 04-04-2016, 19:07
RE: Transceiver wg. M0NKA - SP9KN - 04-04-2016, 20:19
RE: Transceiver wg. M0NKA - SP6AUO - 04-04-2016, 21:01
RE: Transceiver wg. M0NKA - SP9KN - 04-04-2016, 21:54
RE: Transceiver wg. M0NKA - SP5SMK - 04-04-2016, 22:53
RE: Transceiver wg. M0NKA - SP9KN - 05-04-2016, 11:58
RE: Transceiver wg. M0NKA - SP5SMK - 05-04-2016, 14:29
RE: Transceiver wg. M0NKA - SP5SMK - 12-04-2016, 0:29
RE: Transceiver wg. M0NKA - SP9KN - 12-04-2016, 9:41
RE: Transceiver wg. M0NKA - SP5SMK - 12-04-2016, 23:00
RE: Transceiver wg. M0NKA - SP0NGE - 17-04-2016, 22:35
RE: Transceiver wg. M0NKA - 2707 - 18-04-2016, 9:12
RE: Transceiver wg. M0NKA - SP6AUO - 18-04-2016, 10:10
RE: Transceiver wg. M0NKA - SP0NGE - 18-04-2016, 14:37
RE: Transceiver wg. M0NKA - SP6AUO - 18-04-2016, 15:42
RE: Transceiver wg. M0NKA - SP0NGE - 27-04-2016, 20:57
RE: Transceiver wg. M0NKA - SP5SMK - 05-05-2016, 1:36
RE: Transceiver wg. M0NKA - 2707 - 19-04-2016, 10:46
RE: Transceiver wg. M0NKA - SP6AUO - 19-04-2016, 13:54
RE: Transceiver wg. M0NKA - 2707 - 22-04-2016, 9:30
RE: Transceiver wg. M0NKA - SP5SMK - 23-04-2016, 2:09
RE: Transceiver wg. M0NKA - GREG - 22-04-2016, 9:33
RE: Transceiver wg. M0NKA - SP6AUO - 22-04-2016, 14:48
RE: Transceiver wg. M0NKA - 2707 - 22-04-2016, 22:31
RE: Transceiver wg. M0NKA - SQ8LUY - 22-04-2016, 17:55
RE: Transceiver wg. M0NKA - SP6AUO - 23-04-2016, 5:27
RE: Transceiver wg. M0NKA - SP3OSJ - 25-04-2016, 1:06
RE: Transceiver wg. M0NKA - 2707 - 25-04-2016, 12:23
RE: Transceiver wg. M0NKA - SP9KN - 25-04-2016, 12:36
RE: Transceiver wg. M0NKA - SP5SMK - 26-04-2016, 0:46
RE: Transceiver wg. M0NKA - 2707 - 26-04-2016, 10:11
RE: Transceiver wg. M0NKA - SP2ONG - 12-05-2016, 18:31
RE: Transceiver wg. M0NKA - SP2ONG - 15-05-2016, 21:18
RE: Transceiver wg. M0NKA - 2707 - 24-05-2016, 21:25
RE: Transceiver wg. M0NKA - SP6AUO - 15-05-2016, 22:51
RE: Transceiver wg. M0NKA - SP2ONG - 16-05-2016, 6:57
RE: Transceiver wg. M0NKA - SP6AUO - 16-05-2016, 8:53
RE: Transceiver wg. M0NKA - SP2ONG - 16-05-2016, 10:05
RE: Transceiver wg. M0NKA - SP9FKP - 16-05-2016, 10:32
RE: Transceiver wg. M0NKA - SP2ONG - 16-05-2016, 11:53
RE: Transceiver wg. M0NKA - SQ8MVY - 16-05-2016, 12:32
RE: Transceiver wg. M0NKA - SP2ONG - 16-05-2016, 13:29
RE: Transceiver wg. M0NKA - SP9FKP - 16-05-2016, 13:48
RE: Transceiver wg. M0NKA - SP5SMK - 16-05-2016, 21:34
RE: Transceiver wg. M0NKA - SP2ONG - 16-05-2016, 21:16
RE: Transceiver wg. M0NKA - SP6AUO - 16-05-2016, 23:41
RE: Transceiver wg. M0NKA - SQ8AQX - 17-05-2016, 20:15
RE: Transceiver wg. M0NKA - SP9FKP - 17-05-2016, 20:41
RE: Transceiver wg. M0NKA - SP4EBI - 17-05-2016, 21:58
RE: Transceiver wg. M0NKA - SP6AUO - 18-05-2016, 5:41
RE: Transceiver wg. M0NKA - SO5HMI - 18-05-2016, 10:14
RE: Transceiver wg. M0NKA - SP5SMK - 18-05-2016, 21:37
RE: Transceiver wg. M0NKA - SP2ONG - 22-05-2016, 13:38
RE: Transceiver wg. M0NKA - SP9MTS - 02-06-2016, 10:40
RE: Transceiver wg. M0NKA - SP6AUO - 03-06-2016, 3:41
RE: Transceiver wg. M0NKA - SP5BMP - 03-06-2016, 7:34
RE: Transceiver wg. M0NKA - SQ5MGA - 07-06-2016, 14:47
RE: Transceiver wg. M0NKA - SQ5MGA - 02-07-2016, 23:06
RE: Transceiver wg. M0NKA - LY2BOK - 04-07-2016, 16:10
RE: Transceiver wg. M0NKA - SO5HMI - 29-07-2016, 15:49
RE: Transceiver wg. M0NKA - SP5SMK - 30-07-2016, 10:30
RE: Transceiver wg. M0NKA - SQ5MGA - 11-08-2016, 22:25
RE: Transceiver wg. M0NKA - SP6AUO - 13-08-2016, 0:20
RE: Transceiver wg. M0NKA - SP5SMK - 13-08-2016, 0:40
RE: Transceiver wg. M0NKA - SP6AUO - 13-08-2016, 2:10
RE: Transceiver wg. M0NKA - SP5SMK - 14-08-2016, 1:28
RE: Transceiver wg. M0NKA - SP6AUO - 14-08-2016, 6:09
RE: Transceiver wg. M0NKA - SP5SMK - 15-08-2016, 0:44
RE: Transceiver wg. M0NKA - SP6AUO - 15-08-2016, 8:39
RE: Transceiver wg. M0NKA - SP5SMK - 15-08-2016, 9:36
RE: Transceiver wg. M0NKA - SP6AUO - 15-08-2016, 13:40
RE: Transceiver wg. M0NKA - SP5SMK - 17-08-2016, 20:23
RE: Transceiver wg. M0NKA - SP6AUO - 17-08-2016, 22:02
RE: Transceiver wg. M0NKA - SP5SMK - 18-08-2016, 2:14
RE: Transceiver wg. M0NKA - SP6AUO - 18-08-2016, 8:29
RE: Transceiver wg. M0NKA - SP5SMK - 18-08-2016, 11:14
RE: Transceiver wg. M0NKA - SP6AUO - 18-08-2016, 17:49
RE: Transceiver wg. M0NKA - SP5SMK - 19-08-2016, 1:52
RE: Transceiver wg. M0NKA - SP6AUO - 19-08-2016, 9:23
RE: Transceiver wg. M0NKA - SP5SMK - 19-08-2016, 9:39
RE: Transceiver wg. M0NKA - SP6AUO - 19-08-2016, 9:52
RE: Transceiver wg. M0NKA - SP5SMK - 19-08-2016, 19:31
RE: Transceiver wg. M0NKA - SP6AUO - 19-08-2016, 20:06
RE: Transceiver wg. M0NKA - SP5SMK - 19-08-2016, 21:20
RE: Transceiver wg. M0NKA - SP6AUO - 19-08-2016, 21:33
RE: Transceiver wg. M0NKA - SP5SMK - 21-08-2016, 0:56
RE: Transceiver wg. M0NKA - SP6AUO - 21-08-2016, 13:01
RE: Transceiver wg. M0NKA - SP5SMK - 21-08-2016, 17:44
RE: Transceiver wg. M0NKA - SP6AUO - 21-08-2016, 21:34
RE: Transceiver wg. M0NKA - SP5SMK - 21-08-2016, 23:05
RE: Transceiver wg. M0NKA - SP6AUO - 22-08-2016, 5:37
RE: Transceiver wg. M0NKA - SP5SMK - 22-08-2016, 7:54
RE: Transceiver wg. M0NKA - SP6AUO - 22-08-2016, 11:27
RE: Transceiver wg. M0NKA - SP6AUO - 24-08-2016, 21:50
RE: Transceiver wg. M0NKA - SP5SMK - 25-08-2016, 0:16
RE: Transceiver wg. M0NKA - 2707 - 25-08-2016, 11:09
RE: Transceiver wg. M0NKA - SP6AUO - 30-08-2016, 14:40
RE: Transceiver wg. M0NKA - SQ8MVY - 30-08-2016, 16:16
RE: Transceiver wg. M0NKA - SP6AUO - 30-08-2016, 19:00
RE: Transceiver wg. M0NKA - SQ8MVY - 30-08-2016, 21:30
RE: Transceiver wg. M0NKA - SP6AUO - 30-08-2016, 22:35
RE: Transceiver wg. M0NKA - SP4EIB - 31-08-2016, 13:44
RE: Transceiver wg. M0NKA - SP3OSJ - 01-09-2016, 11:26
RE: Transceiver wg. M0NKA - SP6AUO - 04-09-2016, 3:08
RE: Transceiver wg. M0NKA - SP5SMK - 04-09-2016, 22:20
RE: Transceiver wg. M0NKA - SP6AUO - 05-09-2016, 7:43
RE: Transceiver wg. M0NKA - SO5HMI - 30-09-2016, 14:50
RE: Transceiver wg. M0NKA - SP5SMK - 30-09-2016, 19:19
RE: Transceiver wg. M0NKA - SO5HMI - 02-10-2016, 0:41
RE: Transceiver wg. M0NKA - SP5SMK - 02-10-2016, 21:47
RE: Transceiver wg. M0NKA - SO5HMI - 03-10-2016, 9:06
RE: Transceiver wg. M0NKA - SP5SMK - 03-10-2016, 13:48
RE: Transceiver wg. M0NKA - SO5HMI - 03-10-2016, 14:00
RE: Transceiver wg. M0NKA - SP5SMK - 03-10-2016, 15:58
RE: Transceiver wg. M0NKA - SO5HMI - 03-10-2016, 17:28
RE: Transceiver wg. M0NKA - SP2ONG - 04-10-2016, 7:48
RE: Transceiver wg. M0NKA - SO5HMI - 12-10-2016, 23:03
RE: Transceiver wg. M0NKA - SP5SMK - 13-10-2016, 2:15
RE: Transceiver wg. M0NKA - SO5HMI - 13-10-2016, 22:52
RE: Transceiver wg. M0NKA - SP8TLH - 16-10-2016, 18:54
RE: Transceiver wg. M0NKA - SP9KN - 18-10-2016, 22:36
RE: Transceiver wg. M0NKA - SP6AUO - 18-10-2016, 23:29
RE: Transceiver wg. M0NKA - SQ4IOP - 19-10-2016, 21:03
RE: Transceiver wg. M0NKA - SP6LUN - 19-10-2016, 21:17
RE: Transceiver wg. M0NKA - SQ4IOP - 19-10-2016, 21:21
RE: Transceiver wg. M0NKA - SP6AUO - 19-10-2016, 21:30
RE: Transceiver wg. M0NKA - SQ4IOP - 19-10-2016, 23:50
RE: Transceiver wg. M0NKA - SP6AUO - 20-10-2016, 7:09
RE: Transceiver wg. M0NKA - SP9FKP - 20-10-2016, 8:08
RE: Transceiver wg. M0NKA - SP6AUO - 20-10-2016, 8:38
RE: Transceiver wg. M0NKA - SP9FKP - 20-10-2016, 8:43
RE: Transceiver wg. M0NKA - SP6AUO - 20-10-2016, 12:57
RE: Transceiver wg. M0NKA - SP9FKP - 20-10-2016, 13:45
RE: Transceiver wg. M0NKA - SO5HMI - 22-10-2016, 12:12
RE: Transceiver wg. M0NKA - SP9KN - 22-10-2016, 13:15
RE: Transceiver wg. M0NKA - SP9KN - 24-10-2016, 23:26
RE: Transceiver wg. M0NKA - SP9FKP - 26-10-2016, 7:21
RE: Transceiver wg. M0NKA - SP9KN - 26-10-2016, 11:07
RE: Transceiver wg. M0NKA - SP9FKP - 26-10-2016, 11:49
RE: Transceiver wg. M0NKA - SP9KN - 26-10-2016, 17:48
RE: Transceiver wg. M0NKA - SP9FKP - 26-10-2016, 18:11
RE: Transceiver wg. M0NKA - SP9KN - 26-10-2016, 21:21
RE: Transceiver wg. M0NKA - SP9FKP - 27-10-2016, 9:11
RE: Transceiver wg. M0NKA - SP6AUO - 27-10-2016, 21:24
RE: Transceiver wg. M0NKA - SP9KN - 27-10-2016, 21:30
RE: Transceiver wg. M0NKA - SP6AUO - 27-10-2016, 21:51
RE: Transceiver wg. M0NKA - SP9KN - 27-10-2016, 22:12
RE: Transceiver wg. M0NKA - SP9FKP - 28-10-2016, 7:41
RE: Transceiver wg. M0NKA - SP9KN - 28-10-2016, 11:05
RE: Transceiver wg. M0NKA - SP5SMK - 29-10-2016, 12:49
RE: Transceiver wg. M0NKA - SP9FKP - 29-10-2016, 11:16
RE: Transceiver wg. M0NKA - SP9KN - 29-10-2016, 14:04
RE: Transceiver wg. M0NKA - SP5SMK - 29-10-2016, 14:18
RE: Transceiver wg. M0NKA - SP9FKP - 29-10-2016, 21:03
RE: Transceiver wg. M0NKA - SP9KN - 29-10-2016, 21:21
RE: Transceiver wg. M0NKA - SP8TLH - 05-11-2016, 21:35
RE: Transceiver wg. M0NKA - SP9KN - 05-11-2016, 21:43
RE: Transceiver wg. M0NKA - SP8TLH - 05-11-2016, 22:23
RE: Transceiver wg. M0NKA - SO5HMI - 20-11-2016, 21:58
RE: Transceiver wg. M0NKA - GREG - 28-12-2016, 18:07
RE: Transceiver wg. M0NKA - SQ9MYQ - 04-01-2017, 19:45
RE: Transceiver wg. M0NKA - GREG - 09-01-2017, 11:29
RE: Transceiver wg. M0NKA - SQ9MYQ - 09-01-2017, 20:03
RE: Transceiver wg. M0NKA - SP2GNB - 22-01-2017, 16:15
RE: Transceiver wg. M0NKA - SP2GNB - 02-02-2017, 23:31
RE: Transceiver wg. M0NKA - SO5HMI - 02-02-2017, 23:39
RE: Transceiver wg. M0NKA - SP2GNB - 03-02-2017, 0:08
RE: Transceiver wg. M0NKA - SP5SMK - 03-02-2017, 3:10
RE: Transceiver wg. M0NKA - SO5HMI - 03-02-2017, 1:06
RE: Transceiver wg. M0NKA - SP2GNB - 03-02-2017, 1:36
RE: Transceiver wg. M0NKA - SP6AUO - 03-02-2017, 9:16
RE: Transceiver wg. M0NKA - SP2GNB - 03-02-2017, 14:55
RE: Transceiver wg. M0NKA - SP2GNB - 07-02-2017, 12:44
RE: Transceiver wg. M0NKA - SP6AUO - 06-02-2017, 17:06
RE: Transceiver wg. M0NKA - SP2GNB - 16-03-2017, 11:47
RE: Transceiver wg. M0NKA - SP5SMK - 18-03-2017, 14:29
RE: Transceiver wg. M0NKA - SP4EBI - 09-04-2017, 11:04
RE: Transceiver wg. M0NKA - SQ8MXL - 09-04-2017, 16:23
RE: Transceiver wg. M0NKA - GREG - 17-04-2017, 16:46
RE: Transceiver wg. M0NKA - SP5SMK - 17-04-2017, 17:39
RE: Transceiver wg. M0NKA - SP6AUO - 17-04-2017, 17:23
RE: Transceiver wg. M0NKA - SP6AUO - 17-04-2017, 20:35
RE: Transceiver wg. M0NKA - GREG - 17-04-2017, 20:39
RE: Transceiver wg. M0NKA - SP6AUO - 18-04-2017, 6:03
RE: Transceiver wg. M0NKA - SP6AUO - 06-05-2017, 16:11
RE: Transceiver wg. M0NKA - SP6AUO - 07-05-2017, 14:26
RE: Transceiver wg. M0NKA - SP2GNB - 07-05-2017, 15:24
RE: Transceiver wg. M0NKA - SP6AUO - 08-05-2017, 11:59
RE: Transceiver wg. M0NKA - SP2GNB - 08-05-2017, 14:10
RE: Transceiver wg. M0NKA - SP6AUO - 08-05-2017, 14:48
RE: Transceiver wg. M0NKA - SP2GNB - 08-05-2017, 16:07
RE: Transceiver wg. M0NKA - SP6AUO - 08-05-2017, 18:01
RE: Transceiver wg. M0NKA - SP2GNB - 08-05-2017, 18:19
RE: Transceiver wg. M0NKA - SP6AUO - 08-05-2017, 18:45
RE: Transceiver wg. M0NKA - SP2GNB - 08-05-2017, 22:11
RE: Transceiver wg. M0NKA - SP6AUO - 09-05-2017, 5:53
RE: Transceiver wg. M0NKA - SP2GNB - 09-05-2017, 18:45
RE: Transceiver wg. M0NKA - SP2GNB - 11-05-2017, 20:28
RE: Transceiver wg. M0NKA - SQ9RNV - 13-05-2017, 8:46
RE: Transceiver wg. M0NKA - SP6AUO - 13-05-2017, 9:42
RE: Transceiver wg. M0NKA - SQ9RNV - 13-05-2017, 10:14
RE: Transceiver wg. M0NKA - SP6AUO - 13-05-2017, 10:24
RE: Transceiver wg. M0NKA - SQ9RNV - 13-05-2017, 10:28
RE: Transceiver wg. M0NKA - SP6AUO - 13-05-2017, 11:00
RE: Transceiver wg. M0NKA - SQ9RNV - 13-05-2017, 12:56
RE: Transceiver wg. M0NKA - GREG - 13-05-2017, 16:22
RE: Transceiver wg. M0NKA - SQ9RNV - 13-05-2017, 11:14
RE: Transceiver wg. M0NKA - MOSFET - 13-05-2017, 12:32
RE: Transceiver wg. M0NKA - SP6AUO - 13-05-2017, 14:26
RE: Transceiver wg. M0NKA - MOSFET - 13-05-2017, 15:55
RE: Transceiver wg. M0NKA - SP6AUO - 13-05-2017, 17:01
RE: Transceiver wg. M0NKA - MOSFET - 13-05-2017, 18:15
RE: Transceiver wg. M0NKA - SO8FM - 13-05-2017, 22:27
RE: Transceiver wg. M0NKA - SQ9RNV - 14-05-2017, 1:31
RE: Transceiver wg. M0NKA - SP6AUO - 14-05-2017, 2:53
RE: Transceiver wg. M0NKA - SQ9RNV - 14-05-2017, 10:24
RE: Transceiver wg. M0NKA - SP6AUO - 14-05-2017, 14:34
RE: Transceiver wg. M0NKA - SQ9RNV - 14-05-2017, 20:49
RE: Transceiver wg. M0NKA - MOSFET - 15-05-2017, 9:41
RE: Transceiver wg. M0NKA - SP5BMP - 15-05-2017, 12:12
RE: Transceiver wg. M0NKA - SQ5KVS - 15-05-2017, 13:27
RE: Transceiver wg. M0NKA - SQ9RNV - 15-05-2017, 18:29
RE: Transceiver wg. M0NKA - SP6AUO - 15-05-2017, 20:33
RE: Transceiver wg. M0NKA - SQ9RNV - 15-05-2017, 20:38
RE: Transceiver wg. M0NKA - SP6AUO - 15-05-2017, 20:48
RE: Transceiver wg. M0NKA - SQ9RNV - 15-05-2017, 21:07
RE: Transceiver wg. M0NKA - SP6AUO - 15-05-2017, 21:11
RE: Transceiver wg. M0NKA - SQ9RNV - 15-05-2017, 21:14
RE: Transceiver wg. M0NKA - SP6AUO - 15-05-2017, 21:19
RE: Transceiver wg. M0NKA - SQ9RNV - 15-05-2017, 21:30
RE: Transceiver wg. M0NKA - SP2GNB - 15-05-2017, 21:30
RE: Transceiver wg. M0NKA - SP6AUO - 15-05-2017, 22:06
RE: Transceiver wg. M0NKA - SQ9RNV - 15-05-2017, 22:28
RE: Transceiver wg. M0NKA - SP6AUO - 16-05-2017, 7:19
RE: Transceiver wg. M0NKA - SQ9RNV - 16-05-2017, 11:31
RE: Transceiver wg. M0NKA - MOSFET - 17-05-2017, 23:04
RE: Transceiver wg. M0NKA - SP2GNB - 21-05-2017, 13:15
RE: Transceiver wg. M0NKA - SO8FM - 22-05-2017, 14:38
RE: Transceiver wg. M0NKA - SP4EBI - 27-05-2017, 10:20
RE: Transceiver wg. M0NKA - SP3OSJ - 27-05-2017, 14:07
RE: Transceiver wg. M0NKA - SO8FM - 28-05-2017, 22:26
RE: Transceiver wg. M0NKA - SP2GNB - 02-06-2017, 9:04
RE: Transceiver wg. M0NKA - SP6AUO - 02-06-2017, 20:27
RE: Transceiver wg. M0NKA - SP2GNB - 02-06-2017, 21:59
RE: Transceiver wg. M0NKA - SP6AUO - 11-06-2017, 18:59
RE: Transceiver wg. M0NKA - SP6AUO - 19-06-2017, 21:06
RE: Transceiver wg. M0NKA - SP2GNB - 19-06-2017, 21:21
RE: Transceiver wg. M0NKA - SP6AUO - 19-06-2017, 21:48
RE: Transceiver wg. M0NKA - SP2GNB - 19-06-2017, 22:04
RE: Transceiver wg. M0NKA - SP6AUO - 19-06-2017, 22:16
RE: Transceiver wg. M0NKA - SP2GNB - 19-06-2017, 22:41
RE: Transceiver wg. M0NKA - SP6AUO - 19-06-2017, 23:03
RE: Transceiver wg. M0NKA - SP2GNB - 19-06-2017, 23:40
RE: Transceiver wg. M0NKA - SP5SMK - 20-06-2017, 2:22
RE: Transceiver wg. M0NKA - SP6AUO - 20-06-2017, 7:08
RE: Transceiver wg. M0NKA - SP2GNB - 20-06-2017, 8:35
RE: Transceiver wg. M0NKA - SP6AUO - 20-06-2017, 9:19
RE: Transceiver wg. M0NKA - SP2GNB - 20-06-2017, 9:46
RE: Transceiver wg. M0NKA - SP6AUO - 20-06-2017, 12:45
RE: Transceiver wg. M0NKA - SP2GNB - 20-06-2017, 14:35
RE: Transceiver wg. M0NKA - SP6AUO - 20-06-2017, 18:15
RE: Transceiver wg. M0NKA - SP2GNB - 20-06-2017, 19:13
RE: Transceiver wg. M0NKA - SP6AUO - 21-06-2017, 9:10
RE: Transceiver wg. M0NKA - SP2GNB - 21-06-2017, 12:05
RE: Transceiver wg. M0NKA - SP6AUO - 21-06-2017, 13:35
RE: Transceiver wg. M0NKA - SP2GNB - 08-07-2017, 10:55
RE: Transceiver wg. M0NKA - SP6AUO - 08-07-2017, 12:00
RE: Transceiver wg. M0NKA - SP2GNB - 12-07-2017, 13:29
RE: Transceiver wg. M0NKA - SP2GNB - 19-07-2017, 19:58
RE: Transceiver wg. M0NKA - SP2GNB - 21-07-2017, 19:56
RE: Transceiver wg. M0NKA - SP6AUO - 19-07-2017 20:53
RE: Transceiver wg. M0NKA - SP2GNB - 19-07-2017, 21:48
RE: Transceiver wg. M0NKA - SP6AUO - 19-07-2017, 22:34
RE: Transceiver wg. M0NKA - SP6AUO - 24-07-2017, 13:05
RE: Transceiver wg. M0NKA - SP2GNB - 24-07-2017, 13:23
RE: Transceiver wg. M0NKA - SP6AUO - 24-07-2017, 13:53
RE: Transceiver wg. M0NKA - SP2GNB - 24-07-2017, 14:06
RE: Transceiver wg. M0NKA - SP6AUO - 24-07-2017, 20:04
RE: Transceiver wg. M0NKA - SP2GNB - 24-07-2017, 20:12
RE: Transceiver wg. M0NKA - SP6AUO - 24-07-2017, 20:57
RE: Transceiver wg. M0NKA - SP2GNB - 28-07-2017, 10:41
RE: Transceiver wg. M0NKA - SP9OUR - 28-07-2017, 13:00
RE: Transceiver wg. M0NKA - SP2GNB - 28-07-2017, 13:41
RE: Transceiver wg. M0NKA - SP6AUO - 28-07-2017, 14:27
RE: Transceiver wg. M0NKA - SP2GNB - 28-07-2017, 18:26
RE: Transceiver wg. M0NKA - SP2GNB - 28-07-2017, 14:58
RE: Transceiver wg. M0NKA - SP6AUO - 28-07-2017, 16:06
RE: Transceiver wg. M0NKA - SP6AUO - 29-07-2017, 6:49
RE: Transceiver wg. M0NKA - SP2GNB - 29-07-2017, 8:35
RE: Transceiver wg. M0NKA - SP6AUO - 07-08-2017, 17:03
RE: Transceiver wg. M0NKA - SP2GNB - 07-08-2017, 22:08
RE: Transceiver wg. M0NKA - SP6AUO - 12-08-2017, 19:54
RE: Transceiver wg. M0NKA - SP2GNB - 12-08-2017, 20:11
RE: Transceiver wg. M0NKA - SP6AUO - 12-08-2017, 22:22
RE: Transceiver wg. M0NKA - SP2GNB - 13-08-2017, 10:43
RE: Transceiver wg. M0NKA - SP6AUO - 13-08-2017, 20:14
RE: Transceiver wg. M0NKA - SP9FKP - 14-08-2017, 7:52
RE: Transceiver wg. M0NKA - SP6AUO - 14-08-2017, 8:52
RE: Transceiver wg. M0NKA - SP2JQR - 14-08-2017, 9:09
RE: Transceiver wg. M0NKA - SP6AUO - 14-08-2017, 9:57
RE: Transceiver wg. M0NKA - SP2GNB - 14-08-2017, 10:32
RE: Transceiver wg. M0NKA - SP2JQR - 14-08-2017, 10:49
RE: Transceiver wg. M0NKA - SP3OSJ - 17-08-2017, 10:09
RE: Transceiver wg. M0NKA - SP6AUO - 17-08-2017, 13:59
RE: Transceiver wg. M0NKA - SP2GNB - 17-08-2017, 15:04
RE: Transceiver wg. M0NKA - SP6AUO - 17-08-2017, 20:13
RE: Transceiver wg. M0NKA - SP9BSL - 19-08-2017, 16:44
RE: Transceiver wg. M0NKA - SP2HSS - 25-08-2017, 19:11
RE: Transceiver wg. M0NKA - SP4EBI - 10-09-2017, 17:00
RE: Transceiver wg. M0NKA - SQ8MVY - 10-09-2017, 19:12
RE: Transceiver wg. M0NKA - SP4EBI - 10-09-2017, 19:49
RE: Transceiver wg. M0NKA - SP9BSL - 11-09-2017, 9:32
RE: Transceiver wg. M0NKA - SP2GNB - 11-09-2017, 10:26
RE: Transceiver wg. M0NKA - SP9BSL - 11-09-2017, 10:51
RE: Transceiver wg. M0NKA - SP4EBI - 11-09-2017, 13:46
RE: Transceiver wg. M0NKA - SP6AUO - 11-09-2017, 16:19
RE: Transceiver wg. M0NKA - SP9BSL - 11-09-2017, 16:41
RE: Transceiver wg. M0NKA - SP6AUO - 11-09-2017, 20:05
RE: Transceiver wg. M0NKA - SP9BSL - 12-09-2017, 0:42
RE: Transceiver wg. M0NKA - SQ4CTK - 12-09-2017, 9:01
RE: Transceiver wg. M0NKA - SP9BSL - 12-09-2017, 9:09
RE: Transceiver wg. M0NKA - SP4EBI - 12-09-2017, 11:09
RE: Transceiver wg. M0NKA - SP9BSL - 12-09-2017, 11:25
RE: Transceiver wg. M0NKA - SP3OSJ - 12-09-2017, 12:57
RE: Transceiver wg. M0NKA - SP4EBI - 12-09-2017, 13:14
RE: Transceiver wg. M0NKA - SP9BSL - 12-09-2017, 13:32
RE: Transceiver wg. M0NKA - SP4EBI - 12-09-2017, 15:00
RE: Transceiver wg. M0NKA - SP9BSL - 12-09-2017, 18:32
RE: Transceiver wg. M0NKA - SP4EBI - 12-09-2017, 18:50
RE: Transceiver wg. M0NKA - SP9BSL - 12-09-2017, 19:31
RE: Transceiver wg. M0NKA - SP4EBI - 12-09-2017, 20:00
RE: Transceiver wg. M0NKA - SP3OSJ - 12-09-2017, 21:15
RE: Transceiver wg. M0NKA - SP9BSL - 12-09-2017, 22:02
RE: Transceiver wg. M0NKA - SP4EBI - 12-09-2017, 22:08
RE: Transceiver wg. M0NKA - SP9BSL - 12-09-2017, 22:11
RE: Transceiver wg. M0NKA - SP4EBI - 12-09-2017, 23:15
RE: Transceiver wg. M0NKA - SQ1GYQ - 12-09-2017, 23:36
RE: Transceiver wg. M0NKA - SP9BSL - 13-09-2017, 7:31
RE: Transceiver wg. M0NKA - SP4EBI - 21-09-2017, 19:04
RE: Transceiver wg. M0NKA - SQ1GYQ - 21-09-2017, 20:53
RE: Transceiver wg. M0NKA - SP4EBI - 21-09-2017, 20:58
RE: Transceiver wg. M0NKA - SP9BSL - 21-09-2017, 23:07
RE: Transceiver wg. M0NKA - SP4EBI - 22-09-2017, 11:20
RE: Transceiver wg. M0NKA - SP9BSL - 22-09-2017, 19:55
RE: Transceiver wg. M0NKA - SP4EBI - 22-09-2017, 21:03
RE: Transceiver wg. M0NKA - SP9BSL - 22-09-2017, 23:07
RE: Transceiver wg. M0NKA - SP9BSL - 28-09-2017, 7:58
RE: Transceiver wg. M0NKA - SP4EBI - 28-09-2017, 11:47
RE: Transceiver wg. M0NKA - SP9BSL - 28-09-2017, 11:58
RE: Transceiver wg. M0NKA - SP3OSJ - 28-09-2017, 13:37
RE: Transceiver wg. M0NKA - SP9BSL - 28-09-2017, 13:49
RE: Transceiver wg. M0NKA - SP3OSJ - 28-09-2017, 17:14
RE: Transceiver wg. M0NKA - SP9BSL - 29-09-2017, 7:33
RE: Transceiver wg. M0NKA - SP9KN - 29-09-2017, 10:08
RE: Transceiver wg. M0NKA - SP9BSL - 29-09-2017, 10:20
RE: Transceiver wg. M0NKA - SP3OSJ - 29-09-2017, 13:10
RE: Transceiver wg. M0NKA - SP9BSL - 29-09-2017, 13:49
RE: Transceiver wg. M0NKA - SP9KN - 29-09-2017, 14:35
RE: Transceiver wg. M0NKA - SP9BSL - 29-09-2017, 14:57
RE: Transceiver wg. M0NKA - SP9FKP - 29-09-2017, 15:17
RE: Transceiver wg. M0NKA - SP3OSJ - 29-09-2017, 15:30
RE: Transceiver wg. M0NKA - SP9BSL - 30-09-2017, 11:00
RE: Transceiver wg. M0NKA - SP3OSJ - 30-09-2017, 12:03
RE: Transceiver wg. M0NKA - SP9BSL - 30-09-2017, 16:56
RE: Transceiver wg. M0NKA - SP3OSJ - 05-10-2017, 11:03
RE: Transceiver wg. M0NKA - SP9BSL - 05-10-2017, 11:20
RE: Transceiver wg. M0NKA - SP4EBI - 05-10-2017, 11:25
RE: Transceiver wg. M0NKA - SP9BSL - 05-10-2017, 11:55
RE: Transceiver wg. M0NKA - SP3OSJ - 05-10-2017, 21:53
RE: Transceiver wg. M0NKA - SP9BSL - 06-10-2017, 7:31
RE: Transceiver wg. M0NKA - SQ5KVS - 06-10-2017, 10:54
RE: Transceiver wg. M0NKA - SP3OSJ - 06-10-2017, 11:43
RE: Transceiver wg. M0NKA - SP9BSL - 06-10-2017, 11:51
RE: Transceiver wg. M0NKA - SP4EBI - 06-10-2017, 12:30
RE: Transceiver wg. M0NKA - SP9BSL - 06-10-2017, 14:13
RE: Transceiver wg. M0NKA - SP4EBI - 06-10-2017, 14:32
RE: Transceiver wg. M0NKA - SP9BSL - 06-10-2017, 14:44
RE: Transceiver wg. M0NKA - SP4EBI - 06-10-2017, 14:57
RE: Transceiver wg. M0NKA - SP9BSL - 06-10-2017, 15:22
RE: Transceiver wg. M0NKA - SP4EBI - 06-10-2017, 15:26
RE: Transceiver wg. M0NKA - SP9FKP - 06-10-2017, 15:41
RE: Transceiver wg. M0NKA - SP9BSL - 06-10-2017, 16:43
RE: Transceiver wg. M0NKA - SP4EBI - 06-10-2017, 17:23
RE: Transceiver wg. M0NKA - SP9BSL - 06-10-2017, 23:56
RE: Transceiver wg. M0NKA - SP4EBI - 07-10-2017, 14:52
RE: Transceiver wg. M0NKA - SP9BSL - 07-10-2017, 15:54
RE: Transceiver wg. M0NKA - SP3OSJ - 08-10-2017, 3:12
RE: Transceiver wg. M0NKA - SP9BSL - 08-10-2017, 8:30
RE: Transceiver wg. M0NKA - SP3OSJ - 08-10-2017, 11:42
RE: Transceiver wg. M0NKA - SP4EBI - 08-10-2017, 12:55
RE: Transceiver wg. M0NKA - SP3OSJ - 08-10-2017, 13:47
RE: Transceiver wg. M0NKA - SP4EBI - 08-10-2017, 14:49
RE: Transceiver wg. M0NKA - SP9BSL - 08-10-2017, 15:04
RE: Transceiver wg. M0NKA - SP3OSJ - 08-10-2017, 15:53
RE: Transceiver wg. M0NKA - SP9BSL - 08-10-2017, 22:29
RE: Transceiver wg. M0NKA - SQ8MVY - 08-10-2017, 23:34
RE: Transceiver wg. M0NKA - SP9BSL - 09-10-2017, 7:31
RE: Transceiver wg. M0NKA - SP4EBI - 10-10-2017, 11:18
RE: Transceiver wg. M0NKA - SP3OSJ - 10-10-2017, 15:46
RE: Transceiver wg. M0NKA - SP9BSL - 10-10-2017, 17:17
RE: Transceiver wg. M0NKA - SP9KN - 10-10-2017, 20:07
RE: Transceiver wg. M0NKA - SP4EBI - 10-10-2017, 20:12
RE: Transceiver wg. M0NKA - SP9KN - 10-10-2017, 20:27
RE: Transceiver wg. M0NKA - SP3OSJ - 11-10-2017, 10:01
RE: Transceiver wg. M0NKA - SQ8MVY - 11-10-2017, 10:27
RE: Transceiver wg. M0NKA - SP3OSJ - 11-10-2017, 10:39
RE: Transceiver wg. M0NKA - SP9BSL - 11-10-2017, 10:45
RE: Transceiver wg. M0NKA - SP3OSJ - 11-10-2017, 11:41
RE: Transceiver wg. M0NKA - SP9BSL - 11-10-2017, 14:09
RE: Transceiver wg. M0NKA - SP4EBI - 12-10-2017, 11:23
RE: Transceiver wg. M0NKA - SP9BSL - 12-10-2017, 11:33
RE: Transceiver wg. M0NKA - SP3OSJ - 12-10-2017, 15:18
RE: Transceiver wg. M0NKA - SP4EBI - 13-10-2017, 0:35
RE: Transceiver wg. M0NKA - SP3OSJ - 13-10-2017, 11:36
RE: Transceiver wg. M0NKA - SP9BSL - 13-10-2017, 11:38
RE: Transceiver wg. M0NKA - SP4EBI - 13-10-2017, 11:52
RE: Transceiver wg. M0NKA - SP9BSL - 13-10-2017, 11:54
RE: Transceiver wg. M0NKA - SP2GNB - 13-10-2017, 12:37
RE: Transceiver wg. M0NKA - SP4EBI - 13-10-2017, 11:54
RE: Transceiver wg. M0NKA - SP9BSL - 13-10-2017, 13:07
RE: Transceiver wg. M0NKA - SP4EBI - 13-10-2017, 13:20
RE: Transceiver wg. M0NKA - SP9BSL - 13-10-2017, 14:01
RE: Transceiver wg. M0NKA - SP3OSJ - 13-10-2017, 14:02
RE: Transceiver wg. M0NKA - SP9BSL - 13-10-2017, 14:07
RE: Transceiver wg. M0NKA - SP4EBI - 13-10-2017, 14:39
RE: Transceiver wg. M0NKA - SP3OSJ - 13-10-2017, 14:48
RE: Transceiver wg. M0NKA - SP4EBI - 13-10-2017, 15:14
RE: Transceiver wg. M0NKA - SP9BSL - 13-10-2017, 19:23
RE: Transceiver wg. M0NKA - SP4EBI - 13-10-2017, 20:23
RE: Transceiver wg. M0NKA - SP9KN - 13-10-2017, 22:33
RE: Transceiver wg. M0NKA - SP3OSJ - 13-10-2017, 22:58
RE: Transceiver wg. M0NKA - SP4EBI - 14-10-2017, 0:41
RE: Transceiver wg. M0NKA - SP3OSJ - 14-10-2017, 1:09
RE: Transceiver wg. M0NKA - SP4EBI - 14-10-2017, 1:19
RE: Transceiver wg. M0NKA - SP3OSJ - 14-10-2017, 4:59
RE: Transceiver wg. M0NKA - SP9BSL - 14-10-2017, 7:45
RE: Transceiver wg. M0NKA - SP3OSJ - 14-10-2017, 12:08
RE: Transceiver wg. M0NKA - SP9BSL - 14-10-2017, 13:50
RE: Transceiver wg. M0NKA - SP3OSJ - 14-10-2017, 15:05
RE: Transceiver wg. M0NKA - SP4EBI - 14-10-2017, 17:16
RE: Transceiver wg. M0NKA - SP9BSL - 14-10-2017, 21:16
RE: Transceiver wg. M0NKA - SP4EBI - 14-10-2017, 21:34
RE: Transceiver wg. M0NKA - SP9BSL - 14-10-2017, 21:56
RE: Transceiver wg. M0NKA - SP4EBI - 14-10-2017, 22:20
RE: Transceiver wg. M0NKA - SP9BSL - 14-10-2017, 22:37
RE: Transceiver wg. M0NKA - SP3OSJ - 14-10-2017, 22:48
RE: Transceiver wg. M0NKA - SP9BSL - 15-10-2017, 0:20
RE: Transceiver wg. M0NKA - SP3OSJ - 15-10-2017, 0:26
RE: Transceiver wg. M0NKA - SP4EBI - 15-10-2017, 0:31
RE: Transceiver wg. M0NKA - SP3OSJ - 15-10-2017, 1:05
RE: Transceiver wg. M0NKA - SP4EBI - 15-10-2017, 1:11
RE: Transceiver wg. M0NKA - SP3OSJ - 15-10-2017, 1:59
RE: Transceiver wg. M0NKA - SP9BSL - 15-10-2017, 8:44
RE: Transceiver wg. M0NKA - SP4EBI - 15-10-2017, 11:20
RE: Transceiver wg. M0NKA - SP3OSJ - 15-10-2017, 13:02
RE: Transceiver wg. M0NKA - SP4EBI - 15-10-2017, 13:30
RE: Transceiver wg. M0NKA - SP3OSJ - 15-10-2017, 13:55
RE: Transceiver wg. M0NKA - SP4EBI - 15-10-2017, 14:02
RE: Transceiver wg. M0NKA - SP3OSJ - 15-10-2017, 16:56
RE: Transceiver wg. M0NKA - SP9KN - 15-10-2017, 20:23
RE: Transceiver wg. M0NKA - SP9BSL - 16-10-2017, 7:27
RE: Transceiver wg. M0NKA - SP9KN - 16-10-2017, 7:34
RE: Transceiver wg. M0NKA - SP9MRN - 16-10-2017, 9:52
RE: Transceiver wg. M0NKA - SP9KN - 16-10-2017, 10:45
RE: Transceiver wg. M0NKA - SP9BSL - 16-10-2017, 10:55
RE: Transceiver wg. M0NKA - SP3OSJ - 16-10-2017, 14:01
RE: Transceiver wg. M0NKA - SP9BSL - 16-10-2017, 14:16
RE: Transceiver wg. M0NKA - SP3OSJ - 16-10-2017, 16:41
RE: Transceiver wg. M0NKA - SP4EBI - 16-10-2017, 18:07
RE: Transceiver wg. M0NKA - SP9BSL - 17-10-2017, 15:10
RE: Transceiver wg. M0NKA - SP4EBI - 17-10-2017, 15:33
RE: Transceiver wg. M0NKA - SP9BSL - 17-10-2017, 16:23
RE: Transceiver wg. M0NKA - SP4EBI - 17-10-2017, 16:44
RE: Transceiver wg. M0NKA - SP9BSL - 17-10-2017, 17:10
RE: Transceiver wg. M0NKA - SP3OSJ - 17-10-2017, 19:33
RE: Transceiver wg. M0NKA - SP4EBI - 17-10-2017, 21:07
RE: Transceiver wg. M0NKA - SP9KN - 19-10-2017, 13:03
RE: Transceiver wg. M0NKA - SP2GNB - 19-10-2017, 14:15
RE: Transceiver wg. M0NKA - SP9KN - 22-10-2017, 10:36
RE: Transceiver wg. M0NKA - SP2GNB - 22-10-2017, 12:23
RE: Transceiver wg. M0NKA - SP3OSJ - 22-10-2017, 15:30
RE: Transceiver wg. M0NKA - SP4EBI - 22-10-2017, 15:53
RE: Transceiver wg. M0NKA - SP9KN - 22-10-2017, 18:08
RE: Transceiver wg. M0NKA - SP4EBI - 22-10-2017, 18:24
RE: Transceiver wg. M0NKA - SP9BSL - 22-10-2017, 23:21
RE: Transceiver wg. M0NKA - SP3OSJ - 23-10-2017, 10:16
RE: Transceiver wg. M0NKA - SP9BSL - 23-10-2017, 10:49
RE: Transceiver wg. M0NKA - SP3OSJ - 23-10-2017, 11:08
RE: Transceiver wg. M0NKA - SP9BSL - 23-10-2017, 11:12
RE: Transceiver wg. M0NKA - SP9BSL - 23-10-2017, 11:46
RE: Transceiver wg. M0NKA - SQ8MVY - 23-10-2017, 11:52
RE: Transceiver wg. M0NKA - SP3OSJ - 23-10-2017, 12:01
RE: Transceiver wg. M0NKA - SP9BSL - 23-10-2017, 12:14
RE: Transceiver wg. M0NKA - SP3OSJ - 23-10-2017, 12:57
RE: Transceiver wg. M0NKA - SP9BSL - 23-10-2017, 13:20
RE: Transceiver wg. M0NKA - SP3OSJ - 23-10-2017, 14:10
RE: Transceiver wg. M0NKA - SP9BSL - 23-10-2017, 14:23
RE: Transceiver wg. M0NKA - SP3OSJ - 23-10-2017, 16:38
RE: Transceiver wg. M0NKA - SP9BSL - 23-10-2017, 16:47
RE: Transceiver wg. M0NKA - SP3OSJ - 23-10-2017, 17:05
RE: Transceiver wg. M0NKA - SP9BSL - 23-10-2017, 17:33
RE: Transceiver wg. M0NKA - SP3OSJ - 23-10-2017, 17:50
RE: Transceiver wg. M0NKA - SP9BSL - 23-10-2017, 18:09
RE: Transceiver wg. M0NKA - SP3OSJ - 23-10-2017, 21:49
RE: Transceiver wg. M0NKA - SP4EBI - 23-10-2017, 21:50
RE: Transceiver wg. M0NKA - SP3OSJ - 23-10-2017, 21:56
RE: Transceiver wg. M0NKA - SP4EBI - 23-10-2017, 22:00
RE: Transceiver wg. M0NKA - SP3OSJ - 23-10-2017, 22:28
RE: Transceiver wg. M0NKA - SP4EBI - 23-10-2017, 22:44
RE: Transceiver wg. M0NKA - SP9BSL - 24-10-2017, 7:54
RE: Transceiver wg. M0NKA - SP3OSJ - 24-10-2017, 13:48
RE: Transceiver wg. M0NKA - M'75 - 24-10-2017, 15:12
RE: Transceiver wg. M0NKA - SP9KN - 24-10-2017, 13:51
RE: Transceiver wg. M0NKA - SP4EBI - 24-10-2017, 14:32
RE: Transceiver wg. M0NKA - SP3OSJ - 24-10-2017, 14:52
RE: Transceiver wg. M0NKA - SP9BSL - 24-10-2017, 15:12
RE: Transceiver wg. M0NKA - SP3OSJ - 24-10-2017, 15:16
RE: Transceiver wg. M0NKA - SP4EBI - 24-10-2017, 15:45
RE: Transceiver wg. M0NKA - SP3OSJ - 24-10-2017, 16:32
RE: Transceiver wg. M0NKA - SP9BSL - 24-10-2017, 16:41
RE: Transceiver wg. M0NKA - SP4EBI - 24-10-2017, 16:42
RE: Transceiver wg. M0NKA - SP3OSJ - 24-10-2017, 17:56
RE: Transceiver wg. M0NKA - SP4EBI - 24-10-2017, 21:15
RE: Transceiver wg. M0NKA - SP3OSJ - 24-10-2017, 21:43
RE: Transceiver wg. M0NKA - SP4EBI - 26-10-2017, 2:00
RE: Transceiver wg. M0NKA - GREG - 26-10-2017, 10:57
RE: Transceiver wg. M0NKA - SP4EBI - 26-10-2017, 13:39
RE: Transceiver wg. M0NKA - SP9KN - 27-10-2017, 17:56
RE: Transceiver wg. M0NKA - SP9BSL - 27-10-2017, 21:18
RE: Transceiver wg. M0NKA - SP9KN - 27-10-2017, 21:27
RE: Transceiver wg. M0NKA - SP9BSL - 27-10-2017, 21:31
RE: Transceiver wg. M0NKA - SP6LUN - 28-10-2017, 10:35
RE: Transceiver wg. M0NKA - SP3OSJ - 28-10-2017, 12:43
RE: Transceiver wg. M0NKA - SP9KN - 28-10-2017, 17:41
RE: Transceiver wg. M0NKA - SP3OSJ - 28-10-2017, 20:46
RE: Transceiver wg. M0NKA - SP5SMK - 28-10-2017, 21:11
RE: Transceiver wg. M0NKA - SP9BSL - 28-10-2017, 21:05
RE: Transceiver wg. M0NKA - SP9KN - 28-10-2017, 21:20
RE: Transceiver wg. M0NKA - SP9BSL - 28-10-2017, 22:02
RE: Transceiver wg. M0NKA - SP9KN - 28-10-2017, 22:17
RE: Transceiver wg. M0NKA - SP2GNB - 29-10-2017, 8:25
RE: Transceiver wg. M0NKA - SP9KN - 29-10-2017, 8:58
RE: Transceiver wg. M0NKA - SP2GNB - 29-10-2017, 9:01
RE: Transceiver wg. M0NKA - SP3OSJ - 30-10-2017, 17:54
RE: Transceiver wg. M0NKA - SP4EBI - 30-10-2017, 19:08
RE: Transceiver wg. M0NKA - SP9BSL - 02-11-2017, 23:11
RE: Transceiver wg. M0NKA - SP4EBI - 03-11-2017, 1:42
RE: Transceiver wg. M0NKA - SP3OSJ - 03-11-2017, 2:27
RE: Transceiver wg. M0NKA - SP9BSL - 03-11-2017, 9:47
RE: Transceiver wg. M0NKA - SP4EBI - 03-11-2017, 9:53
RE: Transceiver wg. M0NKA - SP9BSL - 03-11-2017, 10:11
RE: Transceiver wg. M0NKA - SP4EBI - 03-11-2017, 10:16
RE: Transceiver wg. M0NKA - SP9BSL - 03-11-2017, 10:20
RE: Transceiver wg. M0NKA - SP4EBI - 03-11-2017, 10:42
RE: Transceiver wg. M0NKA - SP3OSJ - 03-11-2017, 17:28
RE: Transceiver wg. M0NKA - SP9BSL - 03-11-2017, 23:54
RE: Transceiver wg. M0NKA - SP4EBI - 04-11-2017, 0:47
RE: Transceiver wg. M0NKA - SP9BSL - 04-11-2017, 8:56
RE: Transceiver wg. M0NKA - SP4EBI - 04-11-2017, 22:23
RE: Transceiver wg. M0NKA - SP9BSL - 05-11-2017, 0:23
RE: Transceiver wg. M0NKA - SP4EBI - 05-11-2017, 0:54
RE: Transceiver wg. M0NKA - SP9BSL - 05-11-2017, 12:23
RE: Transceiver wg. M0NKA - SP4EBI - 05-11-2017, 14:31
RE: Transceiver wg. M0NKA - SP9BSL - 05-11-2017, 21:37
RE: Transceiver wg. M0NKA - SP4EBI - 06-11-2017, 3:00
RE: Transceiver wg. M0NKA - SP9BSL - 06-11-2017, 9:35
RE: Transceiver wg. M0NKA - SP4EBI - 06-11-2017, 12:52
RE: Transceiver wg. M0NKA - SP3OSJ - 06-11-2017, 15:59
RE: Transceiver wg. M0NKA - SP4EBI - 06-11-2017, 16:09
RE: Transceiver wg. M0NKA - SP3OSJ - 06-11-2017, 19:12
RE: Transceiver wg. M0NKA - SP9BSL - 06-11-2017, 21:12
RE: Transceiver wg. M0NKA - SP3OSJ - 06-11-2017, 22:19
RE: Transceiver wg. M0NKA - SP9BSL - 06-11-2017, 22:25
RE: Transceiver wg. M0NKA - SP3OSJ - 06-11-2017, 22:50
RE: Transceiver wg. M0NKA - SP9BSL - 07-11-2017, 13:22
RE: Transceiver wg. M0NKA - SP2GNB - 07-11-2017, 15:13
RE: Transceiver wg. M0NKA - SP9BSL - 07-11-2017, 15:36
RE: Transceiver wg. M0NKA - SP2GNB - 07-11-2017, 16:22
RE: Transceiver wg. M0NKA - SP3OSJ - 07-11-2017, 15:50
RE: Transceiver wg. M0NKA - SP9BSL - 07-11-2017, 16:02
RE: Transceiver wg. M0NKA - SP9BSL - 07-11-2017, 16:26
RE: Transceiver wg. M0NKA - SP4EBI - 10-11-2017, 12:40
RE: Transceiver wg. M0NKA - SP4EBI - 12-11-2017, 19:21
RE: Transceiver wg. M0NKA - SP9BSL - 12-11-2017, 20:58
RE: Transceiver wg. M0NKA - SP4EBI - 12-11-2017, 21:04
RE: Transceiver wg. M0NKA - SP9BSL - 12-11-2017, 21:22
RE: Transceiver wg. M0NKA - SP9BSL - 15-11-2017, 12:29
RE: Transceiver wg. M0NKA - SP3OSJ - 17-11-2017, 16:18
RE: Transceiver wg. M0NKA - SP9BSL - 17-11-2017, 16:53
RE: Transceiver wg. M0NKA - SP4EBI - 17-11-2017, 17:26
RE: Transceiver wg. M0NKA - SP3OSJ - 17-11-2017, 19:52
RE: Transceiver wg. M0NKA - SP9BSL - 17-11-2017, 20:53
RE: Transceiver wg. M0NKA - SP4EBI - 18-11-2017, 14:52
RE: Transceiver wg. M0NKA - SP9BSL - 18-11-2017, 17:23
RE: Transceiver wg. M0NKA - SP4EBI - 18-11-2017, 17:31
RE: Transceiver wg. M0NKA - SP9BSL - 18-11-2017, 17:40
RE: Transceiver wg. M0NKA - SP4EBI - 18-11-2017, 20:05
RE: Transceiver wg. M0NKA - SP3OSJ - 19-11-2017, 0:04
RE: Transceiver wg. M0NKA - SP9BSL - 19-11-2017, 0:41
RE: Transceiver wg. M0NKA - SP4EBI - 19-11-2017, 0:51
RE: Transceiver wg. M0NKA - SP9BSL - 19-11-2017, 0:56
RE: Transceiver wg. M0NKA - SP4EBI - 19-11-2017, 1:01
RE: Transceiver wg. M0NKA - SP9BSL - 19-11-2017, 1:02
RE: Transceiver wg. M0NKA - SP4EBI - 19-11-2017, 1:07
RE: Transceiver wg. M0NKA - SP3OSJ - 19-11-2017, 1:07
RE: Transceiver wg. M0NKA - SP4EBI - 19-11-2017, 1:07
RE: Transceiver wg. M0NKA - SP9BSL - 19-11-2017, 1:32
RE: Transceiver wg. M0NKA - SQ8AQX - 19-11-2017, 23:48
RE: Transceiver wg. M0NKA - SQ8MVY - 19-11-2017, 2:17
RE: Transceiver wg. M0NKA - SP9BSL - 19-11-2017, 9:31
RE: Transceiver wg. M0NKA - SP4EBI - 19-11-2017, 14:32
RE: Transceiver wg. M0NKA - SP9BSL - 19-11-2017, 19:25
RE: Transceiver wg. M0NKA - SP4EBI - 19-11-2017, 20:16
RE: Transceiver wg. M0NKA - SP9BSL - 19-11-2017, 20:44
RE: Transceiver wg. M0NKA - SP3OSJ - 19-11-2017, 22:59
RE: Transceiver wg. M0NKA - SP9BSL - 19-11-2017, 23:01
RE: Transceiver wg. M0NKA - SP4EBI - 19-11-2017, 23:06
RE: Transceiver wg. M0NKA - SP9BSL - 19-11-2017, 23:33
RE: Transceiver wg. M0NKA - SP4EBI - 19-11-2017, 23:48
RE: Transceiver wg. M0NKA - SP9BSL - 19-11-2017, 23:51
RE: Transceiver wg. M0NKA - SP4EBI - 19-11-2017, 23:58
RE: Transceiver wg. M0NKA - SP9BSL - 20-11-2017, 0:29
RE: Transceiver wg. M0NKA - SP4EBI - 20-11-2017, 1:24
RE: Transceiver wg. M0NKA - SP9BSL - 20-11-2017, 12:03
RE: Transceiver wg. M0NKA - SP4EBI - 20-11-2017, 12:13
RE: Transceiver wg. M0NKA - SP9BSL - 20-11-2017, 12:25
RE: Transceiver wg. M0NKA - SP4EBI - 20-11-2017, 12:33
RE: Transceiver wg. M0NKA - SP3OSJ - 20-11-2017, 18:23
RE: Transceiver wg. M0NKA - SP4EBI - 20-11-2017, 18:46
RE: Transceiver wg. M0NKA - SP9BSL - 20-11-2017, 19:10
RE: Transceiver wg. M0NKA - SQ8AQX - 21-11-2017, 22:42
RE: Transceiver wg. M0NKA - SP9BSL - 21-11-2017, 22:55
RE: Transceiver wg. M0NKA - SQ8AQX - 21-11-2017, 23:10
RE: Transceiver wg. M0NKA - SP9BSL - 21-11-2017, 23:12
RE: Transceiver wg. M0NKA - SP4EBI - 23-11-2017, 1:33
RE: Transceiver wg. M0NKA - SP9BSL - 23-11-2017, 11:13
RE: Transceiver wg. M0NKA - SP4EBI - 23-11-2017, 18:08
RE: Transceiver wg. M0NKA - SP9BSL - 23-11-2017, 18:21
RE: Transceiver wg. M0NKA - SP4EBI - 23-11-2017, 23:21
RE: Transceiver wg. M0NKA - SP9BSL - 23-11-2017, 23:25
RE: Transceiver wg. M0NKA - SP4EBI - 23-11-2017, 23:52
RE: Transceiver wg. M0NKA - SP9BSL - 23-11-2017, 23:56
RE: Transceiver wg. M0NKA - SP4EBI - 24-11-2017, 0:00
RE: Transceiver wg. M0NKA - SP9BSL - 24-11-2017, 0:01
RE: Transceiver wg. M0NKA - SP4EBI - 24-11-2017, 0:02
RE: Transceiver wg. M0NKA - SP9BSL - 24-11-2017, 0:15
RE: Transceiver wg. M0NKA - SP4EBI - 24-11-2017, 1:52
RE: Transceiver wg. M0NKA - SP9BSL - 24-11-2017, 11:55
RE: Transceiver wg. M0NKA - SP4EBI - 24-11-2017, 13:04
RE: Transceiver wg. M0NKA - SP9BSL - 24-11-2017, 13:26
RE: Transceiver wg. M0NKA - SP4EBI - 24-11-2017, 14:16
RE: Transceiver wg. M0NKA - SP9BSL - 24-11-2017, 22:20
RE: Transceiver wg. M0NKA - SP4EBI - 25-11-2017, 0:25
RE: Transceiver wg. M0NKA - SP3OSJ - 25-11-2017, 3:00
RE: Transceiver wg. M0NKA - SP4EBI - 25-11-2017, 3:23
RE: Transceiver wg. M0NKA - SP9BSL - 26-11-2017, 1:18
RE: Transceiver wg. M0NKA - SP3OSJ - 26-11-2017, 1:46
RE: Transceiver wg. M0NKA - SQ8MVY - 26-11-2017, 2:05
RE: Transceiver wg. M0NKA - SP4EBI - 26-11-2017, 2:53
RE: Transceiver wg. M0NKA - SP9BSL - 26-11-2017, 8:56
RE: Transceiver wg. M0NKA - SP3OSJ - 26-11-2017, 13:27
RE: Transceiver wg. M0NKA - SP4EBI - 26-11-2017, 13:31
RE: Transceiver wg. M0NKA - SP9BSL - 26-11-2017, 15:32
RE: Transceiver wg. M0NKA - SP5SMK - 26-11-2017, 16:17
RE: Transceiver wg. M0NKA - SP3OSJ - 26-11-2017, 23:30
RE: Transceiver wg. M0NKA - SP9BSL - 26-11-2017, 16:52
RE: Transceiver wg. M0NKA - SP9BSL - 26-11-2017, 23:38
RE: Transceiver wg. M0NKA - SP3OSJ - 27-11-2017, 15:34
RE: Transceiver wg. M0NKA - SP4EBI - 27-11-2017, 22:22
RE: Transceiver wg. M0NKA - SP3OSJ - 28-11-2017, 1:41
RE: Transceiver wg. M0NKA - SP9BSL - 28-11-2017, 8:53
RE: Transceiver wg. M0NKA - SP9SNC - 28-11-2017, 9:16
RE: Transceiver wg. M0NKA - SP9BSL - 28-11-2017, 9:50
RE: Transceiver wg. M0NKA - SP3OSJ - 28-11-2017, 13:04
RE: Transceiver wg. M0NKA - SP9BSL - 28-11-2017, 15:44
RE: Transceiver wg. M0NKA - SP4EBI - 28-11-2017, 13:07
RE: Transceiver wg. M0NKA - SP4EBI - 28-11-2017, 15:49
RE: Transceiver wg. M0NKA - SP3OSJ - 28-11-2017, 18:32
RE: Transceiver wg. M0NKA - SP4EBI - 28-11-2017, 18:39
RE: Transceiver wg. M0NKA - SP3OSJ - 28-11-2017, 18:55
RE: Transceiver wg. M0NKA - SPO3O2OL - 30-11-2017, 1:34
RE: Transceiver wg. M0NKA - SP4EBI - 28-11-2017, 19:18
RE: Transceiver wg. M0NKA - SP9BSL - 29-11-2017, 1:12
RE: Transceiver wg. M0NKA - SP3OSJ - 29-11-2017, 15:35
RE: Transceiver wg. M0NKA - GREG - 30-11-2017, 0:12
RE: Transceiver wg. M0NKA - SP9BSL - 30-11-2017, 1:08
RE: Transceiver wg. M0NKA - SP4EBI - 30-11-2017, 2:23
RE: Transceiver wg. M0NKA - SP9BSL - 30-11-2017, 9:12
RE: Transceiver wg. M0NKA - SP4EBI - 30-11-2017, 13:17
RE: Transceiver wg. M0NKA - SP9BSL - 30-11-2017, 13:22
RE: Transceiver wg. M0NKA - SP4EBI - 30-11-2017, 16:29
RE: Transceiver wg. M0NKA - SP3OSJ - 30-11-2017, 17:30
RE: Transceiver wg. M0NKA - SP9BSL - 30-11-2017, 18:44
RE: Transceiver wg. M0NKA - SP4EBI - 01-12-2017, 1:04
RE: Transceiver wg. M0NKA - SP9BSL - 01-12-2017, 11:15
RE: Transceiver wg. M0NKA - SP4EBI - 01-12-2017, 14:24
RE: Transceiver wg. M0NKA - SP9BSL - 01-12-2017, 19:22
RE: Transceiver wg. M0NKA - SP3OSJ - 01-12-2017, 17:32
RE: Transceiver wg. M0NKA - SQ8AQX - 01-12-2017, 17:51
RE: Transceiver wg. M0NKA - SP4EBI - 01-12-2017, 19:13
RE: Transceiver wg. M0NKA - SP3OSJ - 01-12-2017, 19:26
RE: Transceiver wg. M0NKA - SP9BSL - 01-12-2017, 19:34
RE: Transceiver wg. M0NKA - SP3OSJ - 01-12-2017, 19:39
RE: Transceiver wg. M0NKA - SP9BSL - 01-12-2017, 19:44
RE: Transceiver wg. M0NKA - SP3OSJ - 01-12-2017, 20:11
RE: Transceiver wg. M0NKA - SP4EBI - 01-12-2017, 23:32
RE: Transceiver wg. M0NKA - SP9BSL - 01-12-2017, 23:56
RE: Transceiver wg. M0NKA - SP4EBI - 02-12-2017, 0:34
RE: Transceiver wg. M0NKA - SP9BSL - 02-12-2017, 0:40
RE: Transceiver wg. M0NKA - SP4EBI - 02-12-2017, 1:29
RE: Transceiver wg. M0NKA - SP3OSJ - 02-12-2017, 5:59
RE: Transceiver wg. M0NKA - SP9BSL - 02-12-2017, 9:58
RE: Transceiver wg. M0NKA - SP3OSJ - 02-12-2017, 14:04
RE: Transceiver wg. M0NKA - SP9BSL - 02-12-2017, 16:27
RE: Transceiver wg. M0NKA - SP3OSJ - 02-12-2017, 16:58
RE: Transceiver wg. M0NKA - SP4EBI - 02-12-2017, 17:07
RE: Transceiver wg. M0NKA - SP9BSL - 02-12-2017, 17:17
RE: Transceiver wg. M0NKA - SP4EBI - 02-12-2017, 17:26
RE: Transceiver wg. M0NKA - SP9BSL - 02-12-2017, 17:30
RE: Transceiver wg. M0NKA - SP4EBI - 02-12-2017, 17:33
RE: Transceiver wg. M0NKA - SP9BSL - 02-12-2017, 17:35
RE: Transceiver wg. M0NKA - SP4EBI - 02-12-2017, 17:43
RE: Transceiver wg. M0NKA - SP9BSL - 02-12-2017, 19:50
RE: Transceiver wg. M0NKA - SP3OSJ - 02-12-2017, 19:53
RE: Transceiver wg. M0NKA - SP4EBI - 02-12-2017, 19:59
RE: Transceiver wg. M0NKA - SP4EBI - 02-12-2017, 20:36
RE: Transceiver wg. M0NKA - SP4EBI - 02-12-2017, 20:37
RE: Transceiver wg. M0NKA - SP9BSL - 02-12-2017, 20:49
RE: Transceiver wg. M0NKA - SP4EBI - 02-12-2017, 21:21
RE: Transceiver wg. M0NKA - SP3OSJ - 02-12-2017, 21:50
RE: Transceiver wg. M0NKA - SP4EBI - 02-12-2017, 22:31
RE: Transceiver wg. M0NKA - PAC_AN - 02-12-2017, 22:42
RE: Transceiver wg. M0NKA - SP9BSL - 02-12-2017, 22:47
RE: Transceiver wg. M0NKA - SP3OSJ - 02-12-2017, 22:51
RE: Transceiver wg. M0NKA - SP9BSL - 02-12-2017, 23:23
RE: Transceiver wg. M0NKA - SP3OSJ - 02-12-2017, 23:52
RE: Transceiver wg. M0NKA - SP4EBI - 02-12-2017, 23:59
RE: Transceiver wg. M0NKA - SP9BSL - 03-12-2017, 0:19
RE: Transceiver wg. M0NKA - SP4EBI - 03-12-2017, 0:25
RE: Transceiver wg. M0NKA - SP3OSJ - 03-12-2017, 0:44
RE: Transceiver wg. M0NKA - SP4EBI - 03-12-2017, 20:40
RE: Transceiver wg. M0NKA - SP3OSJ - 04-12-2017, 15:43
RE: Transceiver wg. M0NKA - SP9BSL - 04-12-2017, 15:48
RE: Transceiver wg. M0NKA - SP3OSJ - 04-12-2017, 19:00
RE: Transceiver wg. M0NKA - SP9BSL - 04-12-2017, 19:55
RE: Transceiver wg. M0NKA - SP3OSJ - 04-12-2017, 21:32
RE: Transceiver wg. M0NKA - SP9BSL - 04-12-2017, 21:36
RE: Transceiver wg. M0NKA - SP3OSJ - 04-12-2017, 22:02
RE: Transceiver wg. M0NKA - SP9BSL - 04-12-2017, 22:05
RE: Transceiver wg. M0NKA - SP3OSJ - 04-12-2017, 22:37
RE: Transceiver wg. M0NKA - SP9BSL - 04-12-2017, 22:39
RE: Transceiver wg. M0NKA - SP3OSJ - 04-12-2017, 22:55
RE: Transceiver wg. M0NKA - SP9BSL - 04-12-2017, 23:20
RE: Transceiver wg. M0NKA - SP3OSJ - 04-12-2017, 23:56
RE: Transceiver wg. M0NKA - SP9BSL - 05-12-2017, 7:16
RE: Transceiver wg. M0NKA - SP4EBI - 05-12-2017, 18:26
RE: Transceiver wg. M0NKA - SP9BSL - 05-12-2017, 18:27
RE: Transceiver wg. M0NKA - SP3OSJ - 05-12-2017, 19:23
RE: Transceiver wg. M0NKA - SP4EBI - 05-12-2017, 20:29
RE: Transceiver wg. M0NKA - SP3OSJ - 05-12-2017, 20:49
RE: Transceiver wg. M0NKA - SP4EBI - 05-12-2017, 21:20
RE: Transceiver wg. M0NKA - SP9BSL - 05-12-2017, 21:25
RE: Transceiver wg. M0NKA - SP4EBI - 05-12-2017, 22:09
RE: Transceiver wg. M0NKA - SP9BSL - 05-12-2017, 22:12
RE: Transceiver wg. M0NKA - SP4EBI - 05-12-2017, 22:18
RE: Transceiver wg. M0NKA - SP9BSL - 06-12-2017, 9:31
RE: Transceiver wg. M0NKA - SP9BSL - 22-12-2017, 18:34
RE: Transceiver wg. M0NKA - SP3OSJ - 29-12-2017, 21:45
RE: Transceiver wg. M0NKA - SP9BSL - 29-12-2017, 21:49
RE: Transceiver wg. M0NKA - SP4EBI - 30-12-2017, 19:49
RE: Transceiver wg. M0NKA - SP9BSL - 03-01-2018, 8:47
RE: Transceiver wg. M0NKA - SP9BSL - 07-01-2018, 20:50
RE: Transceiver wg. M0NKA - SP3OSJ - 11-01-2018, 19:24
RE: Transceiver wg. M0NKA - SP3OSJ - 19-01-2018, 22:32
RE: Transceiver wg. M0NKA - SP9BSL - 27-01-2018, 1:31
RE: Transceiver wg. M0NKA - SQ9RNV - 28-01-2018, 18:06
RE: Transceiver wg. M0NKA - SP9BSL - 29-01-2018, 14:38
RE: Transceiver wg. M0NKA - SQ9RNV - 31-01-2018, 23:56
RE: Transceiver wg. M0NKA - SP3OSJ - 30-01-2018, 0:13
RE: Transceiver wg. M0NKA - SP9BSL - 30-01-2018, 0:32
RE: Transceiver wg. M0NKA - SP3OSJ - 30-01-2018, 9:09
RE: Transceiver wg. M0NKA - SP9BSL - 30-01-2018, 9:17
RE: Transceiver wg. M0NKA - SP3OSJ - 30-01-2018, 10:17
RE: Transceiver wg. M0NKA - SP6AUO - 31-01-2018, 8:59
RE: Transceiver wg. M0NKA - SP9BSL - 31-01-2018, 14:29
RE: Transceiver wg. M0NKA - SP6AUO - 31-01-2018, 17:31
RE: Transceiver wg. M0NKA - SP9BSL - 31-01-2018, 17:32
RE: Transceiver wg. M0NKA - SP6AUO - 31-01-2018, 19:00
RE: Transceiver wg. M0NKA - SP9BSL - 01-02-2018, 0:04
RE: Transceiver wg. M0NKA - SQ9RNV - 01-02-2018, 11:19
RE: Transceiver wg. M0NKA - SP9BSL - 01-02-2018, 11:28
RE: Transceiver wg. M0NKA - SP2GNB - 01-02-2018, 11:23
RE: Transceiver wg. M0NKA - SQ9RNV - 01-02-2018, 13:25
RE: Transceiver wg. M0NKA - SP9BSL - 01-02-2018, 23:30
RE: Transceiver wg. M0NKA - SP2GNB - 02-02-2018, 8:57
RE: Transceiver wg. M0NKA - SP9BSL - 02-02-2018, 9:31
RE: Transceiver wg. M0NKA - SP2GNB - 02-02-2018, 20:08
RE: Transceiver wg. M0NKA - SQ8AQX - 02-02-2018, 22:51
RE: Transceiver wg. M0NKA - SP9BSL - 02-02-2018, 23:49
RE: Transceiver wg. M0NKA - SP3OSJ - 11-02-2018, 0:20
RE: Transceiver wg. M0NKA - SP9BSL - 11-02-2018, 9:27
RE: Transceiver wg. M0NKA - SP2GNB - 11-02-2018, 10:46
RE: Transceiver wg. M0NKA - SP9BSL - 11-02-2018, 11:20
RE: Transceiver wg. M0NKA - SP9BSL - 12-02-2018, 0:49
RE: Transceiver wg. M0NKA - SQ8AQX - 15-02-2018, 20:26
RE: Transceiver wg. M0NKA - SP6AUO - 16-02-2018, 6:50
RE: Transceiver wg. M0NKA - SQ8AQX - 16-02-2018, 10:36
RE: Transceiver wg. M0NKA - SP3OSJ - 16-02-2018, 20:27
RE: Transceiver wg. M0NKA - SQ8AQX - 17-02-2018, 22:07
RE: Transceiver wg. M0NKA - SP6AUO - 17-02-2018, 8:34
RE: Transceiver wg. M0NKA - SP9BSL - 17-02-2018, 9:11
RE: Transceiver wg. M0NKA - SP2GNB - 17-02-2018, 16:31
RE: Transceiver wg. M0NKA - SP6AUO - 17-02-2018, 19:08
RE: Transceiver wg. M0NKA - SP2GNB - 17-02-2018, 20:24
RE: Transceiver wg. M0NKA - SP3OSJ - 17-02-2018, 22:17
RE: Transceiver wg. M0NKA - SO8FM - 17-02-2018, 22:47
RE: Transceiver wg. M0NKA - SP9BSL - 17-02-2018, 23:58
RE: Transceiver wg. M0NKA - SO8FM - 18-02-2018, 12:36
RE: Transceiver wg. M0NKA - SQ8AQX - 18-02-2018, 14:36
RE: Transceiver wg. M0NKA - SP3OSJ - 18-02-2018, 1:07
RE: Transceiver wg. M0NKA - SP3OSJ - 18-02-2018, 13:38
RE: Transceiver wg. M0NKA - SP9BSL - 18-02-2018, 14:18
RE: Transceiver wg. M0NKA - SP9BSL - 18-02-2018, 14:42
RE: Transceiver wg. M0NKA - SP6AUO - 18-02-2018, 15:04
RE: Transceiver wg. M0NKA - SP9BSL - 18-02-2018, 15:30
RE: Transceiver wg. M0NKA - SQ8AQX - 18-02-2018, 18:52
RE: Transceiver wg. M0NKA - SP6AUO - 18-02-2018, 15:40
RE: Transceiver wg. M0NKA - SP3OSJ - 18-02-2018, 16:09
RE: Transceiver wg. M0NKA - SP9BSL - 18-02-2018, 18:59
RE: Transceiver wg. M0NKA - SP3OSJ - 18-02-2018, 19:28
RE: Transceiver wg. M0NKA - SQ8AQX - 18-02-2018, 20:01
RE: Transceiver wg. M0NKA - SP9BSL - 18-02-2018, 20:33
RE: Transceiver wg. M0NKA - SQ8AQX - 18-02-2018, 20:45
RE: Transceiver wg. M0NKA - SP9BSL - 18-02-2018, 21:06
RE: Transceiver wg. M0NKA - SQ8AQX - 19-02-2018, 15:28
RE: Transceiver wg. M0NKA - SP6AUO - 18-02-2018, 21:29
RE: Transceiver wg. M0NKA - SP9BSL - 18-02-2018, 22:07
RE: Transceiver wg. M0NKA - SO6R - 18-02-2018, 22:19
RE: Transceiver wg. M0NKA - SP9BSL - 18-02-2018, 22:30
RE: Transceiver wg. M0NKA - SO6R - 18-02-2018, 23:06
RE: Transceiver wg. M0NKA - SP9BSL - 18-02-2018, 23:27
RE: Transceiver wg. M0NKA - SO6R - 19-02-2018, 0:16
RE: Transceiver wg. M0NKA - SP6AUO - 19-02-2018, 0:19
RE: Transceiver wg. M0NKA - SP9BSL - 19-02-2018, 0:28
RE: Transceiver wg. M0NKA - SP6AUO - 19-02-2018, 0:32
RE: Transceiver wg. M0NKA - SP9BSL - 19-02-2018, 0:36
RE: Transceiver wg. M0NKA - SO6R - 19-02-2018, 0:39
RE: Transceiver wg. M0NKA - SP9BSL - 19-02-2018, 21:30
RE: Transceiver wg. M0NKA - SO6R - 20-02-2018, 0:00
RE: Transceiver wg. M0NKA - SP6AUO - 20-02-2018, 2:28
RE: Transceiver wg. M0NKA - SP9BSL - 20-02-2018, 8:52
RE: Transceiver wg. M0NKA - SP6AUO - 20-02-2018, 16:14
RE: Transceiver wg. M0NKA - SP9BSL - 20-02-2018, 17:23
RE: Transceiver wg. M0NKA - SP6AUO - 21-02-2018, 15:23
RE: Transceiver wg. M0NKA - SP9BSL - 23-02-2018, 8:42
RE: Transceiver wg. M0NKA - SP2GNB - 27-02-2018, 12:55
RE: Transceiver wg. M0NKA - SP9BSL - 27-02-2018, 13:46
RE: Transceiver wg. M0NKA - SP2GNB - 27-02-2018, 14:30
RE: Transceiver wg. M0NKA - SP6AUO - 27-02-2018, 17:23
RE: Transceiver wg. M0NKA - SO6R - 27-02-2018, 19:03
RE: Transceiver wg. M0NKA - SP6AUO - 28-02-2018, 7:31
RE: Transceiver wg. M0NKA - SP2GNB - 28-02-2018, 9:30
RE: Transceiver wg. M0NKA - SP6AUO - 28-02-2018, 9:54
RE: Transceiver wg. M0NKA - SO6R - 28-02-2018, 10:18
RE: Transceiver wg. M0NKA - SP2GNB - 28-02-2018, 10:38
RE: Transceiver wg. M0NKA - SP6AUO - 28-02-2018, 10:44
RE: Transceiver wg. M0NKA - SP9BSL - 28-02-2018, 11:18
RE: Transceiver wg. M0NKA - SP2GNB - 28-02-2018, 14:29
RE: Transceiver wg. M0NKA - SP6AUO - 28-02-2018, 13:51
RE: Transceiver wg. M0NKA - SP9BSL - 28-02-2018, 14:47
RE: Transceiver wg. M0NKA - SP6AUO - 28-02-2018, 15:01
RE: Transceiver wg. M0NKA - SP9BSL - 28-02-2018, 15:40
RE: Transceiver wg. M0NKA - SP6AUO - 28-02-2018, 15:58
RE: Transceiver wg. M0NKA - SP3OSJ - 28-02-2018, 16:32
RE: Transceiver wg. M0NKA - SP9BSL - 28-02-2018, 16:39
RE: Transceiver wg. M0NKA - SP6AUO - 28-02-2018, 17:21
RE: Transceiver wg. M0NKA - SP3OSJ - 28-02-2018, 18:22
RE: Transceiver wg. M0NKA - SP2GNB - 28-02-2018, 21:42
RE: Transceiver wg. M0NKA - SP6AUO - 01-03-2018, 8:20
RE: Transceiver wg. M0NKA - SP2GNB - 01-03-2018, 9:00
RE: Transceiver wg. M0NKA - SP6AUO - 01-03-2018, 10:08
RE: Transceiver wg. M0NKA - SP3OSJ - 01-03-2018, 10:55
RE: Transceiver wg. M0NKA - SP6AUO - 01-03-2018, 12:15
RE: Transceiver wg. M0NKA - SQ8AQX - 01-03-2018, 16:30
RE: Transceiver wg. M0NKA - SP6AUO - 03-03-2018, 16:42
RE: Transceiver wg. M0NKA - SP2GNB - 03-03-2018, 23:00
RE: Transceiver wg. M0NKA - SP6AUO - 03-03-2018, 23:43
RE: Transceiver wg. M0NKA - SP2GNB - 04-03-2018, 12:52
RE: Transceiver wg. M0NKA - SP9BSL - 05-03-2018, 15:22
RE: Transceiver wg. M0NKA - SP2GNB - 08-03-2018, 11:49
RE: Transceiver wg. M0NKA - SP9BSL - 08-03-2018, 12:12
RE: Transceiver wg. M0NKA - SP3OSJ - 08-03-2018, 13:32
RE: Transceiver wg. M0NKA - SP9BSL - 08-03-2018, 15:54
RE: Transceiver wg. M0NKA - SP2GNB - 08-03-2018, 16:53
RE: Transceiver wg. M0NKA - SP9KN - 09-03-2018, 11:37
RE: Transceiver wg. M0NKA - SP9BSL - 09-03-2018, 13:09
RE: Transceiver wg. M0NKA - SP3OSJ - 09-03-2018, 16:48
RE: Transceiver wg. M0NKA - SP9BSL - 09-03-2018, 17:00
RE: Transceiver wg. M0NKA - SP3OSJ - 09-03-2018, 18:37
RE: Transceiver wg. M0NKA - SP9BSL - 09-03-2018, 18:46
RE: Transceiver wg. M0NKA - SP3OSJ - 09-03-2018, 20:43
RE: Transceiver wg. M0NKA - SP9BSL - 09-03-2018, 20:50
RE: Transceiver wg. M0NKA - SP3OSJ - 09-03-2018, 21:22
RE: Transceiver wg. M0NKA - SP9BSL - 09-03-2018, 21:44
RE: Transceiver wg. M0NKA - SP3OSJ - 09-03-2018, 23:03
RE: Transceiver wg. M0NKA - SP6AUO - 12-03-2018, 11:25
RE: Transceiver wg. M0NKA - SP9BSL - 12-03-2018, 11:34
RE: Transceiver wg. M0NKA - SP6AUO - 12-03-2018, 15:47
RE: Transceiver wg. M0NKA - SP9BSL - 12-03-2018, 15:56
RE: Transceiver wg. M0NKA - SP2GNB - 12-03-2018, 15:58
RE: Transceiver wg. M0NKA - SP6AUO - 12-03-2018, 16:23
RE: Transceiver wg. M0NKA - SP9BSL - 12-03-2018, 16:35
RE: Transceiver wg. M0NKA - SP6AUO - 12-03-2018, 18:03
RE: Transceiver wg. M0NKA - SP9BSL - 12-03-2018, 20:08
RE: Transceiver wg. M0NKA - SP6AUO - 12-03-2018, 20:30
RE: Transceiver wg. M0NKA - SP9BSL - 12-03-2018, 21:52
RE: Transceiver wg. M0NKA - SP6AUO - 12-03-2018, 22:29
RE: Transceiver wg. M0NKA - SP9LVZ - 14-03-2018, 11:41
RE: Transceiver wg. M0NKA - SP6AUO - 14-03-2018, 14:15
RE: Transceiver wg. M0NKA - SP9BSL - 14-03-2018, 23:42
RE: Transceiver wg. M0NKA - SP3OSJ - 15-03-2018, 9:15
RE: Transceiver wg. M0NKA - SP9BSL - 15-03-2018, 9:25
RE: Transceiver wg. M0NKA - SP6AUO - 19-03-2018, 16:34
RE: Transceiver wg. M0NKA - SP9BSL - 19-03-2018, 17:01
RE: Transceiver wg. M0NKA - SP2GNB - 19-03-2018, 21:47
RE: Transceiver wg. M0NKA - SP9BSL - 19-03-2018, 23:14
RE: Transceiver wg. M0NKA - SP3OSJ - 23-03-2018, 14:06
RE: Transceiver wg. M0NKA - SP2GNB - 23-03-2018, 14:11
RE: Transceiver wg. M0NKA - SP3OSJ - 23-03-2018, 16:16
RE: Transceiver wg. M0NKA - SP9BSL - 23-03-2018, 16:20
RE: Transceiver wg. M0NKA - SP3OSJ - 23-03-2018, 21:39
RE: Transceiver wg. M0NKA - SP9BSL - 24-03-2018, 0:05
RE: Transceiver wg. M0NKA - SP9BSL - 05-04-2018, 12:57
RE: Transceiver wg. M0NKA - SP3OSJ - 18-04-2018, 17:10
RE: Transceiver wg. M0NKA - SP9BSL - 18-04-2018, 17:40
RE: Transceiver wg. M0NKA - SP3OSJ - 18-04-2018, 17:48
RE: Transceiver wg. M0NKA - SP9BSL - 18-04-2018, 23:05
RE: Transceiver wg. M0NKA - SP2GNB - 21-04-2018, 21:46
RE: Transceiver wg. M0NKA - SP9BSL - 23-04-2018, 10:16
RE: Transceiver wg. M0NKA - SP2GNB - 23-04-2018, 10:20
RE: Transceiver wg. M0NKA - SP3OSJ - 22-04-2018, 22:01
RE: Transceiver wg. M0NKA - SP3OSJ - 23-04-2018, 13:35
RE: Transceiver wg. M0NKA - SP6AUO - 02-05-2018, 8:26
RE: Transceiver wg. M0NKA - SP2GNB - 02-05-2018, 9:29
RE: Transceiver wg. M0NKA - SP9BSL - 02-05-2018, 11:16
RE: Transceiver wg. M0NKA - SP6AUO - 02-05-2018, 10:32
RE: Transceiver wg. M0NKA - SP2GNB - 02-05-2018, 12:29
RE: Transceiver wg. M0NKA - SP9BSL - 02-05-2018, 12:53
RE: Transceiver wg. M0NKA - SQ8AQX - 15-06-2018, 23:22
RE: Transceiver wg. M0NKA - SP6AUO - 16-06-2018, 8:22
RE: Transceiver wg. M0NKA - SP9BSL - 16-06-2018, 9:02
RE: Transceiver wg. M0NKA - SP6AUO - 16-06-2018, 16:59
RE: Transceiver wg. M0NKA - SP3OSJ - 16-06-2018, 20:08
RE: Transceiver wg. M0NKA - SP6AUO - 17-06-2018, 9:01
RE: Transceiver wg. M0NKA - SP3OSJ - 17-06-2018, 9:19
RE: Transceiver wg. M0NKA - SP6AUO - 17-06-2018, 10:16
RE: Transceiver wg. M0NKA - SQ8AQX - 18-06-2018, 15:48
RE: Transceiver wg. M0NKA - SP9BSL - 19-06-2018, 10:01
RE: Transceiver wg. M0NKA - SP6AUO - 18-06-2018, 17:54
RE: Transceiver wg. M0NKA - SP3OSJ - 18-06-2018, 19:08
RE: Transceiver wg. M0NKA - SP6AUO - 18-06-2018, 23:45
RE: Transceiver wg. M0NKA - SP3OSJ - 18-06-2018, 23:54
RE: Transceiver wg. M0NKA - SP6AUO - 19-06-2018, 7:50
RE: Transceiver wg. M0NKA - SP6AUO - 26-06-2018, 16:15
RE: Transceiver wg. M0NKA - SP4XYD - 02-07-2018, 20:50
RE: Transceiver wg. M0NKA - SP9BSL - 02-07-2018, 23:21
RE: Transceiver wg. M0NKA - SP6AUO - 03-07-2018, 2:32
RE: Transceiver wg. M0NKA - SP4XYD - 03-07-2018, 17:03
RE: Transceiver wg. M0NKA - SQ8AQX - 03-07-2018, 18:50
RE: Transceiver wg. M0NKA - SP4XYD - 03-07-2018, 19:53
RE: Transceiver wg. M0NKA - SP4XYD - 08-07-2018, 21:07
RE: Transceiver wg. M0NKA - SP9BSL - 09-07-2018, 11:53
RE: Transceiver wg. M0NKA - SP9BSL - 12-07-2018, 10:47
RE: Transceiver wg. M0NKA - SO8FM - 12-07-2018, 18:06
RE: Transceiver wg. M0NKA - SP3OSJ - 12-07-2018, 20:57
RE: Transceiver wg. M0NKA - SP9BSL - 12-07-2018, 21:30
RE: Transceiver wg. M0NKA - SO8FM - 13-07-2018, 20:28
RE: Transceiver wg. M0NKA - SP3OSJ - 13-07-2018, 21:49
RE: Transceiver wg. M0NKA - SP3OSJ - 12-07-2018, 21:59
RE: Transceiver wg. M0NKA - SP9BSL - 12-07-2018, 22:48
RE: Transceiver wg. M0NKA - SP3OSJ - 12-07-2018, 23:59
RE: Transceiver wg. M0NKA - SP9BSL - 13-07-2018, 23:55
RE: Transceiver wg. M0NKA - SP3OSJ - 14-07-2018, 10:30
RE: Transceiver wg. M0NKA - SP4EBI - 16-07-2018, 20:10
RE: Transceiver wg. M0NKA - SP9BSL - 17-07-2018, 0:11
RE: Transceiver wg. M0NKA - SP4EBI - 17-07-2018, 0:16
RE: Transceiver wg. M0NKA - SP9BSL - 17-07-2018, 0:30
RE: Transceiver wg. M0NKA - SP4EBI - 17-07-2018, 11:45
RE: Transceiver wg. M0NKA - GREG - 17-07-2018, 15:51
RE: Transceiver wg. M0NKA - SP2GNB - 17-07-2018, 17:11
RE: Transceiver wg. M0NKA - SP6AUO - 16-08-2018, 11:58
RE: Transceiver wg. M0NKA - SQ8AQX - 16-08-2018, 15:27
RE: Transceiver wg. M0NKA - SP2JQR - 16-08-2018, 15:38
RE: Transceiver wg. M0NKA - SP6AUO - 17-08-2018, 12:49
RE: Transceiver wg. M0NKA - SP6AUO - 23-08-2018, 4:51
RE: Transceiver wg. M0NKA - SP9BSL - 29-08-2018, 21:21
RE: Transceiver wg. M0NKA - SP2GNB - 23-08-2018, 10:04
RE: Transceiver wg. M0NKA - SP9BSL - 23-08-2018, 10:17
RE: Transceiver wg. M0NKA - SP3OSJ - 23-08-2018, 12:11
RE: Transceiver wg. M0NKA - SP2GNB - 23-08-2018, 12:18
RE: Transceiver wg. M0NKA - SP6AUO - 30-08-2018, 2:17
RE: Transceiver wg. M0NKA - SP9BSL - 30-08-2018, 8:19
RE: Transceiver wg. M0NKA - SP3OSJ - 31-08-2018, 18:34
RE: Transceiver wg. M0NKA - SP9BSL - 04-09-2018, 15:44
RE: Transceiver wg. M0NKA - SP3OSJ - 04-11-2018, 13:00
RE: Transceiver wg. M0NKA - SP9BSL - 05-11-2018, 11:07
RE: Transceiver wg. M0NKA - SP3OSJ - 05-11-2018, 14:18
RE: Transceiver wg. M0NKA - SP9BSL - 18-06-2019, 9:52
RE: Transceiver wg. M0NKA - SQ9RZI - 15-05-2020, 10:02
RE: Transceiver wg. M0NKA - SP9BSL - 15-05-2020, 11:08
RE: Transceiver wg. M0NKA - SQ9RZI - 15-05-2020, 14:58
RE: Transceiver wg. M0NKA - SP6AUO - 15-05-2020, 15:00
RE: Transceiver wg. M0NKA - SQ9RZI - 16-05-2020, 16:59
RE: Transceiver wg. M0NKA - SP9BSL - 15-05-2020, 15:20
RE: Transceiver wg. M0NKA - SP6AUO - 17-05-2020, 4:05
RE: Transceiver wg. M0NKA - SP6AUO - 16-08-2020, 7:48
RE: Transceiver wg. M0NKA - SP9BSL - 16-08-2020, 9:58
RE: Transceiver wg. M0NKA - SP6AUO - 16-08-2020, 12:19
RE: Transceiver wg. M0NKA - SP9TKW - 02-09-2020, 11:50
RE: Transceiver wg. M0NKA - SP6AUO - 02-09-2020, 16:39
RE: Transceiver wg. M0NKA - SP9TKW - 03-09-2020, 10:42
RE: Transceiver wg. M0NKA - SP2JQR - 02-09-2020, 16:44
RE: Transceiver wg. M0NKA - SP9BSL - 02-09-2020, 18:03
RE: Transceiver wg. M0NKA - SP6AUO - 02-09-2020, 17:40
RE: Transceiver wg. M0NKA - EC4AGT - 04-09-2020, 22:49
RE: Transceiver wg. M0NKA - SP9BSL - 14-09-2020, 12:11
RE: Transceiver wg. M0NKA - SP9TKW - 06-09-2020, 14:34
RE: Transceiver wg. M0NKA - SP6AUO - 10-09-2020, 6:23
RE: Transceiver wg. M0NKA - SP9BSL - 10-09-2020, 9:10
RE: Transceiver wg. M0NKA - SP9TKW - 10-09-2020, 10:28
RE: Transceiver wg. M0NKA - SP9BSL - 10-09-2020, 11:04
RE: Transceiver wg. M0NKA - SP9TKW - 15-09-2020, 14:38
RE: Transceiver wg. M0NKA - SP6AUO - 10-09-2020, 11:05
RE: Transceiver wg. M0NKA - SP9BSL - 10-09-2020, 11:36
RE: Transceiver wg. M0NKA - SP6AUO - 10-09-2020, 12:05
RE: Transceiver wg. M0NKA - SP9BSL - 10-09-2020, 12:35
RE: Transceiver wg. M0NKA - SP9BSL - 15-09-2020, 22:34
RE: Transceiver wg. M0NKA - SP9TKW - 16-09-2020, 16:03
RE: Transceiver wg. M0NKA - SP2JQR - 17-09-2020, 8:46
RE: Transceiver wg. M0NKA - SP9BSL - 17-09-2020, 11:33
RE: Transceiver wg. M0NKA - SP6AUO - 17-09-2020, 13:19
RE: Transceiver wg. M0NKA - SP9TKW - 18-09-2020, 9:50
RE: Transceiver wg. M0NKA - SP9TKW - 26-09-2020, 16:06
RE: Transceiver wg. M0NKA - SP2JQR - 26-09-2020, 23:02
RE: Transceiver wg. M0NKA - SP9TKW - 28-09-2020, 11:20
RE: Transceiver wg. M0NKA - SP6AUO - 28-09-2020, 14:11
RE: Transceiver wg. M0NKA - SP9TKW - 28-09-2020, 16:01
RE: Transceiver wg. M0NKA - SP6AUO - 28-09-2020, 19:14
RE: Transceiver wg. M0NKA - SP2JQR - 29-09-2020, 8:13
RE: Transceiver wg. M0NKA - SP9TKW - 29-09-2020, 11:57
RE: Transceiver wg. M0NKA - SP9BSL - 29-09-2020, 12:39
RE: Transceiver wg. M0NKA - SP9TKW - 29-09-2020, 14:17
RE: Transceiver wg. M0NKA - SP9BSL - 29-09-2020, 21:53
RE: Transceiver wg. M0NKA - SP9TKW - 30-09-2020, 13:33
RE: Transceiver wg. M0NKA - SP9TKW - 12-10-2020, 10:39
RE: Transceiver wg. M0NKA - SQ6DGB - 22-01-2021, 11:46
RE: Transceiver wg. M0NKA - SP9BSL - 22-01-2021, 12:52
RE: Transceiver wg. M0NKA - SQ8MVY - 22-01-2021, 13:50
RE: Transceiver wg. M0NKA - SQ6DGB - 22-01-2021, 21:00
RE: Transceiver wg. M0NKA - SQ8MVY - 23-01-2021, 2:01
RE: Transceiver wg. M0NKA - SP9BSL - 23-01-2021, 10:58
RE: Transceiver wg. M0NKA - SQ6DGB - 23-01-2021, 12:51
RE: Transceiver wg. M0NKA - SP9BSL - 23-01-2021, 13:14
RE: Transceiver wg. M0NKA - SQ6DGB - 23-01-2021, 20:56
RE: Transceiver wg. M0NKA - SP9BSL - 23-01-2021, 21:09
RE: Transceiver wg. M0NKA - SQ6DGB - 24-01-2021, 11:40
RE: Transceiver wg. M0NKA - SP9TKW - 26-01-2021, 0:09
RE: Transceiver wg. M0NKA - SP9BSL - 26-01-2021, 0:17
RE: Transceiver wg. M0NKA - SP9TKW - 27-01-2021, 0:06
RE: Transceiver wg. M0NKA - SP9BSL - 27-01-2021, 10:03
RE: Transceiver wg. M0NKA - SP9SPV - 30-01-2021, 21:13
RE: Transceiver wg. M0NKA - SP9BSL - 30-01-2021, 22:49
RE: Transceiver wg. M0NKA - SQ8MVY - 31-01-2021, 11:55
RE: Transceiver wg. M0NKA - SP9SPV - 01-02-2021, 18:14
RE: Transceiver wg. M0NKA - GREG - 12-06-2021, 9:33
RE: Transceiver wg. M0NKA - SP9BSL - 12-06-2021, 23:08
RE: Transceiver wg. M0NKA - GREG - 13-06-2021, 16:02
RE: Transceiver wg. M0NKA - SP9BSL - 13-06-2021, 17:01
RE: Transceiver wg. M0NKA - SP9BSL - 09-09-2024, 8:56

Skocz do:


Użytkownicy przeglądający ten wątek: 12 gości