|
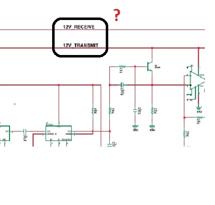
Składamy wzbudnicę SSB G4CLF
|
SP2GNB
Staszek sk ![]() ![]() ![]() ![]() Liczba postów: 451 Dołączył: 14-02-2015 |
|
||
| 15-11-2015 18:58 |
|
|
« Starszy wątek | Nowszy wątek »
|
Użytkownicy przeglądający ten wątek: 1 gości




