Odpowiedz 
 
Ocena wątku:
  • 11 Głosów - 4 Średnio
  • 1
  • 2
  • 3
  • 4
  • 5
Tranciever Тюльпан-DSP
SP6AUO Offline
Andrzej
*****

Liczba postów: 1,051
Dołączył: 20-09-2009
Post: #322
RE: Tranciever Тюльпан-DSP
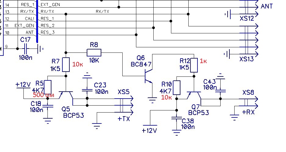
Mam tu problem.Są oba napięcia razem i Tx=12V i Rx=12V.
Czy może Ktoś potwierdzić, że te napięcia nie występują razem tylko na przemian ?
İmage

Andrzej
(Ten post był ostatnio modyfikowany: 19-09-2015 21:46 przez SP6AUO.)
19-09-2015 21:41
Znajdź wszystkie posty użytkownika Odpowiedz cytując ten post
Odpowiedz 


Wiadomości w tym wątku
RE: Tranciever Тюльпан-DSP - SP6AUO - 19-09-2015 21:41
Transceiver Тulip - EA7HOG - 27-06-2016, 19:06

Skocz do:


Użytkownicy przeglądający ten wątek: 8 gości