Odpowiedz 
 
Ocena wątku:
  • 3 Głosów - 5 Średnio
  • 1
  • 2
  • 3
  • 4
  • 5
Synteza SPHM DDS
SP5FCS Offline
Adam
*****

Liczba postów: 1,073
Dołączył: 02-02-2009
Post: #348
RE: Synteza SPHM DDS
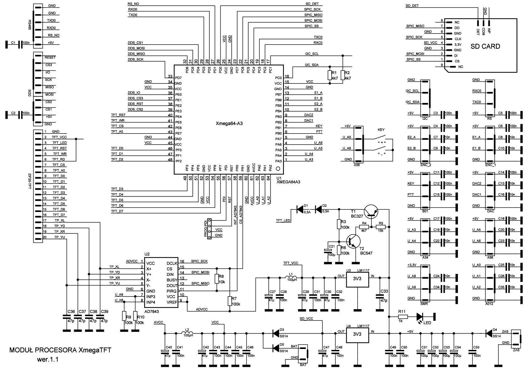
1/ Staszek dziękuję za wykrycie błędu na schemacie. Rzeczywiście na schemacie źle są narysowane podłączenia linii PR0, PR1. Zgodnie z drukiem i programem sterującym linie powinny być zamienione między sobą tak jak na zdjęciu w załączniku. Przepraszam za kłopot kolegów którzy chcieli uruchomić sterownik na innych płytkach Xmega. Poprawiony schemat w załączniku.

2/ Odnośnie CF1/CF2 muszę to sprawdzić na moim sterowniku. Proszę o więcej szczegółów kiedy to występuje.


Załączone pliki Miniatury
İmage İmage

73 Adam
01-04-2015 10:57
Znajdź wszystkie posty użytkownika Odpowiedz cytując ten post
Odpowiedz 


Wiadomości w tym wątku
Synteza SPHM DDS - SP5FCS - 10-08-2011, 22:15
RE: Synteza SPHM DDS - SP5FCS - 12-08-2011, 22:29
RE: Synteza SPHM DDS - SP3SWJ - 13-08-2011, 0:11
RE: Synteza SPHM DDS - SP5FCS - 13-08-2011, 0:39
RE: Synteza SPHM DDS - SP5FCS - 16-08-2011, 13:59
RE: Synteza SPHM DDS - HM_DIPOL - 16-08-2011, 21:09
RE: Synteza SPHM DDS - SP3SWJ - 16-08-2011, 21:56
RE: Synteza SPHM DDS - SQ6ADE - 16-08-2011, 22:29
RE: Synteza SPHM DDS - SP3NYF - 16-08-2011, 23:15
RE: Synteza SPHM DDS - SP3SWJ - 16-08-2011, 23:31
RE: Synteza SPHM DDS - SQ6OXK - 17-08-2011, 6:46
RE: Synteza SPHM DDS - SP5FCS - 17-08-2011, 8:22
RE: Synteza SPHM DDS - SQ6ADE - 17-08-2011, 9:17
RE: Synteza SPHM DDS - SP9MRN - 17-08-2011, 9:22
RE: Synteza SPHM DDS - SP3SWJ - 17-08-2011, 10:42
RE: Synteza SPHM DDS - SP9MRN - 17-08-2011, 13:12
RE: Synteza SPHM DDS - SP3SWJ - 17-08-2011, 12:03
RE: Synteza SPHM DDS - SP3SWJ - 17-08-2011, 15:00
RE: Synteza SPHM DDS - SP5FCS - 17-08-2011, 19:28
RE: Synteza SPHM DDS - 2E0KKJ - 18-08-2011, 19:39
RE: Synteza SPHM DDS - SP3SWJ - 17-08-2011, 19:45
RE: Synteza SPHM DDS - SP5FCS - 18-08-2011, 23:36
RE: Synteza SPHM DDS - SP5FCS - 31-08-2011, 9:58
RE: Synteza SPHM DDS - SP5BMP - 31-08-2011, 12:14
RE: Synteza SPHM DDS - SP5FCS - 31-08-2011, 12:40
RE: Synteza SPHM DDS - SQ6OXK - 02-09-2011, 23:36
RE: Synteza SPHM DDS - SP5FCS - 03-09-2011, 1:19
RE: Synteza SPHM DDS - TG50 - 04-09-2011, 10:14
RE: Synteza SPHM DDS - SP3SWJ - 04-09-2011, 11:05
RE: Synteza SPHM DDS - TG50 - 04-09-2011, 17:32
RE: Synteza SPHM DDS - SP1NV - 04-09-2011, 11:41
RE: Synteza SPHM DDS - SP4HKQ - 04-09-2011, 18:32
RE: Synteza SPHM DDS - SP3SWJ - 04-09-2011, 19:58
RE: Synteza SPHM DDS - SP5FCS - 05-09-2011, 10:38
RE: Synteza SPHM DDS - SQ6OXK - 06-09-2011, 19:19
RE: Synteza SPHM DDS - SP9HVW - 06-09-2011, 22:20
RE: Synteza SPHM DDS - SP3SWJ - 21-04-2012, 17:51
RE: Synteza SPHM DDS - SQ8NVF - 23-04-2012, 11:31
RE: Synteza SPHM DDS - SP9MRN - 23-04-2012, 11:40
RE: Synteza SPHM DDS - SP3SWJ - 23-04-2012, 12:48
RE: Synteza SPHM DDS - SP5FCS - 23-04-2012, 11:20
RE: Synteza SPHM DDS - SP9FKP - 23-04-2012, 11:45
RE: Synteza SPHM DDS - SQ8NVF - 23-04-2012, 12:15
RE: Synteza SPHM DDS - SP5FCS - 23-04-2012, 14:10
RE: Synteza SPHM DDS - SP9FKP - 23-04-2012, 14:24
RE: Synteza SPHM DDS - SQ8NVF - 23-04-2012, 14:34
RE: Synteza SPHM DDS - SP3SWJ - 23-04-2012, 14:37
RE: Synteza SPHM DDS - SP3SWJ - 23-04-2012, 14:28
RE: Synteza SPHM DDS - SP9FKP - 23-04-2012, 14:53
RE: Synteza SPHM DDS - SP3SWJ - 23-04-2012, 15:36
RE: Synteza SPHM DDS - SQ8NVF - 23-04-2012, 15:01
RE: Synteza SPHM DDS - SP9FKP - 23-04-2012, 15:47
RE: Synteza SPHM DDS - SP5FCS - 24-04-2012, 23:22
RE: Synteza SPHM DDS - SP3SWJ - 25-04-2012, 0:05
RE: Synteza SPHM DDS - SP3SWJ - 28-04-2012, 15:07
RE: Synteza SPHM DDS - SP5FCS - 28-04-2012, 21:04
RE: Synteza SPHM DDS - SP5FCS - 02-05-2012, 21:48
RE: Synteza SPHM DDS - SP3SWJ - 03-05-2012, 0:36
RE: Synteza SPHM DDS - SP5FCS - 03-05-2012, 2:17
RE: Synteza SPHM DDS - SP3SWJ - 03-05-2012, 2:36
RE: Synteza SPHM DDS - SP5FCS - 03-05-2012, 13:10
RE: Synteza SPHM DDS - TG50 - 05-05-2012, 18:07
RE: Synteza SPHM DDS - SP5FCS - 05-05-2012, 21:16
RE: Synteza SPHM DDS - TG50 - 06-05-2012, 7:17
RE: Synteza SPHM DDS - SQ4AVS - 06-05-2012, 7:32
RE: Synteza SPHM DDS - TG50 - 06-05-2012, 7:50
RE: Synteza SPHM DDS - SQ4AVS - 06-05-2012, 8:16
RE: Synteza SPHM DDS - SP9FKP - 06-05-2012, 8:45
RE: Synteza SPHM DDS - SQ4AVS - 06-05-2012, 8:51
RE: Synteza SPHM DDS - SP5FCS - 06-05-2012, 19:55
RE: Synteza SPHM DDS - SP3SWJ - 06-05-2012, 20:08
RE: Synteza SPHM DDS - SQ8NVF - 06-05-2012, 21:01
RE: Synteza SPHM DDS - SP3SWJ - 06-05-2012, 21:09
RE: Synteza SPHM DDS - SP9FKP - 07-05-2012, 14:22
RE: Synteza SPHM DDS - SP5FCS - 07-05-2012, 12:08
RE: Synteza SPHM DDS - AMATOR - 07-05-2012, 14:23
RE: Synteza SPHM DDS - SP5FCS - 07-05-2012, 18:18
RE: Synteza SPHM DDS - SP5FCS - 08-05-2012, 9:21
RE: Synteza SPHM DDS - SP5BMP - 08-05-2012, 10:47
RE: Synteza SPHM DDS - SP5FCS - 08-05-2012, 11:28
RE: Synteza SPHM DDS - SP3VZX - 11-05-2012, 16:34
RE: Synteza SPHM DDS - SP5FCS - 11-05-2012, 21:11
RE: Synteza SPHM DDS - SP3SWJ - 12-05-2012, 0:34
RE: Synteza SPHM DDS - SP3VZX - 13-05-2012, 11:58
RE: Synteza SPHM DDS - SP5FCS - 14-05-2012, 22:14
RE: Synteza SPHM DDS - SP3VZX - 15-05-2012, 10:55
RE: Synteza SPHM DDS - SP5FCS - 16-05-2012, 9:03
RE: Synteza SPHM DDS - SP3VZX - 16-05-2012, 20:56
RE: Synteza SPHM DDS - SP5FCS - 20-05-2012, 13:27
RE: Synteza SPHM DDS - SP5FCS - 21-05-2012, 17:14
RE: Synteza SPHM DDS - SQ8NVF - 21-05-2012, 17:53
RE: Synteza SPHM DDS - SP4HKQ - 21-05-2012, 18:28
RE: Synteza SPHM DDS - TG50 - 22-05-2012, 15:24
RE: Synteza SPHM DDS - SP5FCS - 31-05-2012, 1:05
RE: Synteza SPHM DDS - TG50 - 01-06-2012, 18:08
RE: Synteza SPHM DDS - SP5FCS - 03-06-2012, 16:16
RE: Synteza SPHM DDS - SP5FCS - 03-06-2012, 17:31
RE: Synteza SPHM DDS - SP9MRN - 26-06-2012, 15:53
RE: Synteza SPHM DDS - SP5FCS - 01-07-2012, 23:00
RE: Synteza SPHM DDS - SP5FCS - 02-07-2012, 23:11
RE: Synteza SPHM DDS - SP9MRN - 03-07-2012, 15:57
RE: Synteza SPHM DDS - SP5FCS - 04-07-2012, 15:22
RE: Synteza SPHM DDS - SP9MRN - 04-07-2012, 16:20
RE: Synteza SPHM DDS - SP5BMP - 04-07-2012, 17:06
RE: Synteza SPHM DDS - SQ1GYQ - 04-07-2012, 17:20
RE: Synteza SPHM DDS - SP5FCS - 04-07-2012, 21:55
RE: Synteza SPHM DDS - SP9MRN - 04-07-2012, 21:58
RE: Synteza SPHM DDS - SP3RAF - 04-07-2012, 22:24
RE: Synteza SPHM DDS - GREG - 04-07-2012, 22:40
RE: Synteza SPHM DDS - SP3RAF - 04-07-2012, 23:27
RE: Synteza SPHM DDS - SP5FCS - 05-07-2012, 0:25
RE: Synteza SPHM DDS - SP3RAF - 05-07-2012, 1:06
RE: Synteza SPHM DDS - SP9MRN - 05-07-2012, 1:23
RE: Synteza SPHM DDS - SP3RAF - 05-07-2012, 1:31
RE: Synteza SPHM DDS - SP9MRN - 05-07-2012, 9:49
RE: Synteza SPHM DDS - SP3RAF - 05-07-2012, 14:29
RE: Synteza SPHM DDS - SP1UJB - 05-07-2012, 11:56
RE: Synteza SPHM DDS - SP4HKQ - 05-07-2012, 12:12
RE: Synteza SPHM DDS - GREG - 05-07-2012, 14:23
RE: Synteza SPHM DDS - SP5FCS - 05-07-2012, 23:04
RE: Synteza SPHM DDS - SP5BMP - 06-07-2012, 8:06
RE: Synteza SPHM DDS - SP5FCS - 10-07-2012, 15:34
RE: Synteza SPHM DDS - SP3IQ - 10-07-2012, 22:16
RE: Synteza SPHM DDS - SP9MRN - 11-07-2012, 1:13
RE: Synteza SPHM DDS - SP5BMP - 11-07-2012, 8:17
RE: Synteza SPHM DDS - SP5FCS - 11-07-2012, 10:47
RE: Synteza SPHM DDS - SP9MRN - 11-07-2012, 13:53
RE: Synteza SPHM DDS - SP5FCS - 12-07-2012, 10:26
RE: Synteza SPHM DDS - SP9MRN - 12-07-2012, 10:33
RE: Synteza SPHM DDS - SP5FCS - 12-07-2012, 11:19
RE: Synteza SPHM DDS - SP5FCS - 13-07-2012, 0:18
RE: Synteza SPHM DDS - SP5FCS - 13-07-2012, 22:14
RE: Synteza SPHM DDS - SP3NYF - 13-07-2012, 22:26
RE: Synteza SPHM DDS - SP5FCS - 13-07-2012, 22:54
RE: Synteza SPHM DDS - SP5FCS - 14-07-2012, 17:39
RE: Synteza SPHM DDS - TG50 - 15-07-2012, 9:51
RE: Synteza SPHM DDS - SP5FCS - 15-07-2012, 16:11
RE: Synteza SPHM DDS - SP3SWJ - 15-07-2012, 16:38
RE: Synteza SPHM DDS - K2KP - 15-07-2012, 19:14
RE: Synteza SPHM DDS - SQ8AQX - 16-07-2012, 9:50
RE: Synteza SPHM DDS - SP2JQR - 15-07-2012, 19:27
RE: Synteza SPHM DDS - SP3SWJ - 15-07-2012, 20:00
RE: Synteza SPHM DDS - SP2JQR - 15-07-2012, 20:25
RE: Synteza SPHM DDS - SP5FCS - 16-07-2012, 11:04
RE: Synteza SPHM DDS - AMATOR - 16-07-2012, 15:12
RE: Synteza SPHM DDS - SP5FCS - 16-07-2012, 22:47
RE: Synteza SPHM DDS - SP9MRN - 17-07-2012, 10:53
RE: Synteza SPHM DDS - SP5FCS - 17-07-2012, 11:44
RE: Synteza SPHM DDS - TG50 - 17-07-2012, 20:16
RE: Synteza SPHM DDS - SP5FCS - 18-07-2012, 12:04
RE: Synteza SPHM DDS - SQ1GYQ - 18-07-2012, 19:26
RE: Synteza SPHM DDS - SP5FCS - 19-07-2012, 9:45
RE: Synteza SPHM DDS - SP4HKQ - 20-07-2012, 14:36
RE: Synteza SPHM DDS - SP5FCS - 23-07-2012, 14:24
RE: Synteza SPHM DDS - SP5FCS - 23-07-2012, 16:17
RE: Synteza SPHM DDS - SP5FCS - 27-07-2012, 11:00
RE: Synteza SPHM DDS - AMATOR - 28-07-2012, 20:29
RE: Synteza SPHM DDS - SP5FCS - 29-07-2012, 16:26
RE: Synteza SPHM DDS - SP5TAA - 28-07-2012, 20:55
RE: Synteza SPHM DDS - SP5BMP - 29-07-2012, 8:46
RE: Synteza SPHM DDS - AMATOR - 30-07-2012, 11:52
RE: Synteza SPHM DDS - SP5FCS - 30-07-2012, 21:14
RE: Synteza SPHM DDS - SP4HKQ - 01-08-2012, 19:51
RE: Synteza SPHM DDS - TG50 - 01-08-2012, 22:34
RE: Synteza SPHM DDS - SP5FCS - 02-08-2012, 19:05
RE: Synteza SPHM DDS - SP5FCS - 03-08-2012, 16:58
RE: Synteza SPHM DDS - AMATOR - 03-08-2012, 17:32
RE: Synteza SPHM DDS - SP5FCS - 03-08-2012, 22:51
RE: Synteza SPHM DDS - SP5FCS - 05-08-2012, 15:27
RE: Synteza SPHM DDS - AMATOR - 06-08-2012, 19:03
RE: Synteza SPHM DDS - SP5FCS - 06-08-2012, 23:10
RE: Synteza SPHM DDS - SP9FKP - 07-08-2012, 6:52
RE: Synteza SPHM DDS - SP5FCS - 07-08-2012, 10:11
RE: Synteza SPHM DDS - SP5FCS - 07-08-2012, 22:01
RE: Synteza SPHM DDS - SP5FCS - 08-08-2012, 14:59
RE: Synteza SPHM DDS - SP2JQR - 08-08-2012, 19:46
RE: Synteza SPHM DDS - SP5TAA - 08-08-2012, 20:21
RE: Synteza SPHM DDS - TG50 - 09-08-2012, 11:11
RE: Synteza SPHM DDS - SP5FCS - 09-08-2012, 22:48
RE: Synteza SPHM DDS - SP9FKP - 10-08-2012, 6:35
RE: Synteza SPHM DDS - SP5FCS - 12-08-2012, 22:02
RE: Synteza SPHM DDS - TG50 - 13-08-2012, 12:47
RE: Synteza SPHM DDS - SP5BMP - 13-08-2012, 13:21
RE: Synteza SPHM DDS - SP5FCS - 13-08-2012, 18:57
RE: Synteza SPHM DDS - SP5FCS - 14-08-2012, 22:57
RE: Synteza SPHM DDS - AMATOR - 25-08-2012, 23:57
RE: Synteza SPHM DDS - SP5FCS - 26-08-2012, 14:34
RE: Synteza SPHM DDS - SP5BMP - 26-08-2012, 9:28
RE: Synteza SPHM DDS - AMATOR - 27-08-2012, 16:11
RE: Synteza SPHM DDS - SP5FCS - 31-08-2012, 22:38
RE: Synteza SPHM DDS - SP9IZM - 01-09-2012, 21:10
RE: Synteza SPHM DDS - SP5FCS - 08-09-2012, 13:55
RE: Synteza SPHM DDS - SP5FCS - 20-09-2012, 21:19
RE: Synteza SPHM DDS - SP5FCS - 23-09-2012, 12:12
RE: Synteza SPHM DDS - SP5AQT - 28-09-2012, 9:52
RE: Synteza SPHM DDS - SP3IQ - 28-09-2012, 16:25
RE: Synteza SPHM DDS - SP5AQT - 29-09-2012, 15:56
RE: Synteza SPHM DDS - SP2QCA - 30-09-2012, 7:33
RE: Synteza SPHM DDS - SP5AQT - 30-09-2012, 11:27
RE: Synteza SPHM DDS - SP1UJB - 30-09-2012, 12:11
RE: Synteza SPHM DDS - SP3IQ - 13-10-2012, 16:35
RE: Synteza SPHM DDS - SP5FCS - 02-11-2012, 20:57
RE: Synteza SPHM DDS - SP5FCS - 27-02-2013, 18:41
RE: Synteza SPHM DDS - SQ5KHA - 06-03-2013, 21:56
RE: Synteza SPHM DDS - SP5FCS - 06-03-2013, 22:59
RE: Synteza SPHM DDS - SQ5KHA - 07-03-2013, 8:41
RE: Synteza SPHM DDS - SP5FCS - 12-03-2013, 22:36
RE: Synteza SPHM DDS - SP5FCS - 19-03-2013, 15:20
RE: Synteza SPHM DDS - SP5FCS - 22-03-2013, 0:49
RE: Synteza SPHM DDS - SP5FCS - 26-03-2013, 23:49
RE: Synteza SPHM DDS - AMATOR - 27-03-2013, 18:11
RE: Synteza SPHM DDS - SP5FCS - 29-03-2013, 15:40
RE: Synteza SPHM DDS - SP5BMP - 27-03-2013, 19:44
RE: Synteza SPHM DDS - SP5AQT - 01-04-2013, 13:45
RE: Synteza SPHM DDS - SP5FCS - 07-04-2013, 13:53
RE: Synteza SPHM DDS - SP5FCS - 09-04-2013, 14:14
RE: Synteza SPHM DDS - SP3IQ - 09-04-2013, 23:41
RE: Synteza SPHM DDS - SP5FCS - 12-04-2013, 16:05
RE: Synteza SPHM DDS - SP2JQR - 12-04-2013, 17:46
RE: Synteza SPHM DDS - SP5BMP - 12-04-2013, 18:03
RE: Synteza SPHM DDS - SP2JQR - 13-04-2013, 9:49
RE: Synteza SPHM DDS - SP5FCS - 13-04-2013, 10:37
RE: Synteza SPHM DDS - SP5FCS - 29-04-2013, 23:56
RE: Synteza SPHM DDS - SP5FCS - 03-05-2013, 9:42
RE: Synteza SPHM DDS - SP3IQ - 03-05-2013, 12:04
RE: Synteza SPHM DDS - SQ1GYQ - 05-05-2013, 20:48
RE: Synteza SPHM DDS - SP5FCS - 05-05-2013, 22:01
RE: Synteza SPHM DDS - SP3NYF - 10-05-2013, 23:32
RE: Synteza SPHM DDS - SP3IQ - 06-05-2013, 1:03
RE: Synteza SPHM DDS - SQ4AVS - 06-05-2013, 17:53
RE: Synteza SPHM DDS - SP5FCS - 11-05-2013, 18:36
RE: Synteza SPHM DDS - SP9FKP - 11-05-2013, 19:59
RE: Synteza SPHM DDS - SQ4AVS - 11-05-2013, 20:22
RE: Synteza SPHM DDS - SP5FCS - 24-05-2013, 11:04
RE: Synteza SPHM DDS - SP5AQT - 30-05-2013, 15:12
RE: Synteza SPHM DDS - SP3IQ - 30-05-2013, 15:33
RE: Synteza SPHM DDS - SP5BMP - 30-05-2013, 20:12
RE: Synteza SPHM DDS - SP5FCS - 30-05-2013, 22:58
RE: Synteza SPHM DDS - SP3IQ - 31-05-2013, 10:01
RE: Synteza SPHM DDS - SP5FCS - 31-05-2013, 22:13
RE: Synteza SPHM DDS - SP3WXO - 31-05-2013, 23:26
RE: Synteza SPHM DDS - SP5FCS - 02-06-2013, 8:07
RE: Synteza SPHM DDS - SP3IQ - 31-05-2013, 23:38
RE: Synteza SPHM DDS - SP3WXO - 31-05-2013, 23:48
RE: Synteza SPHM DDS - SP5FCS - 11-06-2013, 19:40
RE: Synteza SPHM DDS - SQ5KVS - 12-06-2013, 11:02
RE: Synteza SPHM DDS - SP3IQ - 12-06-2013, 12:33
RE: Synteza SPHM DDS - SP5FCS - 12-06-2013, 17:36
RE: Synteza SPHM DDS - SP9FKP - 15-06-2013, 12:39
RE: Synteza SPHM DDS - SP5FCS - 15-06-2013, 21:38
RE: Synteza SPHM DDS - SP9FKP - 16-06-2013, 7:33
RE: Synteza SPHM DDS - SP5FCS - 22-06-2013, 12:23
RE: Synteza SPHM DDS - SP5FCS - 15-08-2013, 11:42
RE: Synteza SPHM DDS - SP5FCS - 23-08-2013, 21:01
RE: Synteza SPHM DDS - SP4LVC - 24-08-2013, 0:20
RE: Synteza SPHM DDS - SP5CGI - 24-08-2013, 0:34
RE: Synteza SPHM DDS - SP5FCS - 25-08-2013, 10:42
RE: Synteza SPHM DDS - SP5FCS - 17-10-2013, 22:11
RE: Synteza SPHM DDS - K2KP - 18-10-2013, 2:55
RE: Synteza SPHM DDS - SP5FCS - 18-10-2013, 20:00
RE: Synteza SPHM DDS - K2KP - 22-10-2013, 2:20
RE: Synteza SPHM DDS - SP5FCS - 30-12-2013, 12:02
RE: Synteza SPHM DDS - K2KP - 30-12-2013, 21:37
RE: Synteza SPHM DDS - SP5FCS - 02-01-2014, 21:32
RE: Synteza SPHM DDS - SP5FCS - 07-01-2014, 18:44
RE: Synteza SPHM DDS - K2KP - 07-01-2014, 20:07
RE: Synteza SPHM DDS - SP5FCS - 07-01-2014, 21:19
RE: Synteza SPHM DDS - K2KP - 09-01-2014, 18:37
RE: Synteza SPHM DDS - SP5FCS - 14-01-2014, 0:41
RE: Synteza SPHM DDS - SP5FCS - 14-01-2014, 10:11
RE: Synteza SPHM DDS - SP5FCS - 14-01-2014, 22:43
RE: Synteza SPHM DDS - K2KP - 14-01-2014, 23:34
RE: Synteza SPHM DDS - SP5FCS - 15-01-2014, 12:12
RE: Synteza SPHM DDS - SP5FCS - 16-01-2014, 0:59
RE: Synteza SPHM DDS - SP5FCS - 23-02-2014, 21:34
RE: Synteza SPHM DDS - SP3WYP - 25-02-2014, 16:49
RE: Synteza SPHM DDS - SP5FCS - 26-02-2014, 23:24
RE: Synteza SPHM DDS - SP3WYP - 26-02-2014, 23:56
RE: Synteza SPHM DDS - SP3WYP - 07-03-2014, 1:06
RE: Synteza SPHM DDS - SP5FCS - 07-03-2014, 10:41
RE: Synteza SPHM DDS - SP3WYP - 07-03-2014, 15:09
RE: Synteza SPHM DDS - SP5FCS - 08-03-2014, 10:49
RE: Synteza SPHM DDS - SP5FCS - 29-03-2014, 20:03
RE: Synteza SPHM DDS - SP5FCS - 29-03-2014, 21:56
RE: Synteza SPHM DDS - SQ8MVY - 29-03-2014, 22:57
RE: Synteza SPHM DDS - SP4LVC - 30-03-2014, 17:16
RE: Synteza SPHM DDS - SP5FCS - 02-04-2014, 1:15
RE: Synteza SPHM DDS - SP4LVC - 02-04-2014, 9:10
RE: Synteza SPHM DDS - SP5FCS - 04-04-2014, 22:13
RE: Synteza SPHM DDS - SP4LVC - 05-04-2014, 9:44
RE: Synteza SPHM DDS - SP5FCS - 15-04-2014, 21:06
RE: Synteza SPHM DDS - SP5FCS - 24-04-2014, 11:09
RE: Synteza SPHM DDS - SP4LVC - 24-08-2014, 17:32
RE: Synteza SPHM DDS - SP4LVC - 04-09-2014, 9:25
RE: Synteza SPHM DDS - SP4LVC - 06-09-2014, 20:03
RE: Synteza SPHM DDS - SP5FCS - 11-09-2014, 13:59
RE: Synteza SPHM DDS - SP4LVC - 11-09-2014, 23:03
RE: Synteza SPHM DDS - K2KP - 29-09-2014, 22:38
RE: Synteza SPHM DDS - SP5FCS - 29-09-2014, 23:14
RE: Synteza SPHM DDS - K2KP - 30-09-2014, 15:09
RE: Synteza SPHM DDS - SP5FCS - 30-09-2014, 20:52
RE: Synteza SPHM DDS - SP5FCS - 15-01-2015, 0:13
RE: Synteza SPHM DDS - LEX3200 - 13-02-2015, 23:49
RE: Synteza SPHM DDS - SP5FCS - 14-02-2015, 10:00
RE: Synteza SPHM DDS - LEX3200 - 17-02-2015, 22:00
RE: Synteza SPHM DDS - SP5FCS - 17-02-2015, 22:28
RE: Synteza SPHM DDS - LEX3200 - 17-02-2015, 23:52
RE: Synteza SPHM DDS - SP5FCS - 19-02-2015, 10:51
RE: Synteza SPHM DDS - LEX3200 - 19-02-2015, 23:20
RE: Synteza SPHM DDS - SP5FCS - 20-02-2015, 10:17
RE: Synteza SPHM DDS - LEX3200 - 24-02-2015, 20:20
RE: Synteza SPHM DDS - SP5FCS - 24-02-2015, 22:51
RE: Synteza SPHM DDS - LEX3200 - 24-02-2015, 23:57
RE: Synteza SPHM DDS - SP5FCS - 25-02-2015, 9:00
RE: Synteza SPHM DDS - LEX3200 - 25-02-2015, 22:13
RE: Synteza SPHM DDS - SP5FCS - 25-02-2015, 23:20
RE: Synteza SPHM DDS - SP2GNB - 27-02-2015, 15:22
RE: Synteza SPHM DDS - SP5FCS - 27-02-2015, 18:46
RE: Synteza SPHM DDS - SP2GNB - 27-02-2015, 20:26
RE: Synteza SPHM DDS - SP5FCS - 27-02-2015, 22:36
RE: Synteza SPHM DDS - SP2GNB - 03-03-2015, 22:33
RE: Synteza SPHM DDS - SP5FCS - 04-03-2015, 14:29
RE: Synteza SPHM DDS - SP2GNB - 31-03-2015, 22:32
RE: Synteza SPHM DDS - SP2GNB - 27-02-2015, 23:09
RE: Synteza SPHM DDS - LEX3200 - 28-02-2015, 0:15
RE: Synteza SPHM DDS - SP5FCS - 28-02-2015, 11:04
RE: Synteza SPHM DDS - LEX3200 - 28-02-2015, 12:09
RE: Synteza SPHM DDS - SP5FCS - 28-02-2015, 13:27
RE: Synteza SPHM DDS - LEX3200 - 28-02-2015, 15:44
RE: Synteza SPHM DDS - SP2IPT - 01-03-2015, 9:44
RE: Synteza SPHM DDS - SP5FCS - 02-03-2015, 10:15
RE: Synteza SPHM DDS - LEX3200 - 02-03-2015, 23:33
RE: Synteza SPHM DDS - SP5HBT - 05-03-2015, 13:11
RE: Synteza SPHM DDS - SP5FCS - 14-03-2015, 13:32
RE: Synteza SPHM DDS - SP5FCS - 22-03-2015, 17:00
RE: Synteza SPHM DDS - SQ4AVS - 22-03-2015, 23:12
RE: Synteza SPHM DDS - SP5FCS - 23-03-2015, 0:02
RE: Synteza SPHM DDS - SP5FCS - 01-04-2015 10:57
RE: Synteza SPHM DDS - SP2GNB - 01-04-2015, 12:57
RE: Synteza SPHM DDS - SP5FCS - 01-04-2015, 15:02
RE: Synteza SPHM DDS - SP2GNB - 01-04-2015, 18:47
RE: Synteza SPHM DDS - SP5FCS - 01-04-2015, 23:12
RE: Synteza SPHM DDS - SP2GNB - 07-04-2015, 20:59
RE: Synteza SPHM DDS - SP5FCS - 07-04-2015, 21:47
RE: Synteza SPHM DDS - SP2GNB - 07-04-2015, 22:27
RE: Synteza SPHM DDS - SP3F - 08-04-2015, 13:10
RE: Synteza SPHM DDS - SP5BMP - 08-04-2015, 13:34
RE: Synteza SPHM DDS - SP5FCS - 08-04-2015, 13:48
RE: Synteza SPHM DDS - SP2GNB - 08-04-2015, 17:03
RE: Synteza SPHM DDS - SP5FCS - 08-04-2015, 17:41
RE: Synteza SPHM DDS - SP2GNB - 08-04-2015, 17:57
RE: Synteza SPHM DDS - SP5FCS - 08-04-2015, 18:56
RE: Synteza SPHM DDS - SP2GNB - 08-04-2015, 19:52
RE: Synteza SPHM DDS - SP5FCS - 08-04-2015, 19:58
RE: Synteza SPHM DDS - SP3F - 12-04-2015, 11:09
RE: Synteza SPHM DDS - SP2JQR - 12-04-2015, 12:15
RE: Synteza SPHM DDS - SP5FCS - 12-04-2015, 12:15
RE: Synteza SPHM DDS - SP3F - 22-04-2015, 16:32
RE: Synteza SPHM DDS - SP5FCS - 23-04-2015, 13:37
RE: Synteza SPHM DDS - SP2GNB - 12-05-2015, 19:40
RE: Synteza SPHM DDS - SP5FCS - 12-05-2015, 20:26
RE: Synteza SPHM DDS - SP2GNB - 12-05-2015, 20:41
RE: Synteza SPHM DDS - SP5FCS - 12-05-2015, 20:56
RE: Synteza SPHM DDS - SP2GNB - 12-05-2015, 21:32
RE: Synteza SPHM DDS - SP5FCS - 12-05-2015, 22:35
RE: Synteza SPHM DDS - SP2GNB - 12-05-2015, 23:10
RE: Synteza SPHM DDS - SP5FCS - 13-05-2015, 8:17
RE: Synteza SPHM DDS - SP2GNB - 13-05-2015, 16:56
RE: Synteza SPHM DDS - SP5FCS - 13-05-2015, 19:57
RE: Synteza SPHM DDS - SP2GNB - 13-05-2015, 21:19
RE: Synteza SPHM DDS - SP2GNB - 20-05-2015, 10:20
RE: Synteza SPHM DDS - SP5FCS - 20-05-2015, 11:43
RE: Synteza SPHM DDS - SP2GNB - 20-05-2015, 12:46
RE: Synteza SPHM DDS - SQ8MVY - 29-05-2015, 7:45
RE: Synteza SPHM DDS - SP5FCS - 30-05-2015, 23:05
RE: Synteza SPHM DDS - SQ8MVY - 30-05-2015, 23:14
RE: Synteza SPHM DDS - SP5FCS - 31-05-2015, 9:58
RE: Synteza SPHM DDS - SQ8MVY - 31-05-2015, 11:42
RE: Synteza SPHM DDS - SP5FCS - 31-05-2015, 21:30
RE: Synteza SPHM DDS - SQ8MVY - 31-05-2015, 22:00
RE: Synteza SPHM DDS - SP5FCS - 01-06-2015, 11:23
RE: Synteza SPHM DDS - SQ8MVY - 01-06-2015, 12:36
RE: Synteza SPHM DDS - SP5FCS - 01-06-2015, 14:04
RE: Synteza SPHM DDS - SP2GNB - 23-06-2015, 10:55
RE: Synteza SPHM DDS - SP5FCS - 23-06-2015, 12:04
RE: Synteza SPHM DDS - SP2GNB - 23-06-2015, 12:45
RE: Synteza SPHM DDS - SP2GNB - 28-06-2015, 21:28
RE: Synteza SPHM DDS - SP5FCS - 29-06-2015, 0:17
RE: Synteza SPHM DDS - SP2GNB - 29-06-2015, 21:02
RE: Synteza SPHM DDS - SP5FCS - 04-07-2015, 10:46
RE: Synteza SPHM DDS - SP2GNB - 04-07-2015, 11:27
RE: Synteza SPHM DDS - SP5FCS - 04-07-2015, 12:03
RE: Synteza SPHM DDS - SP2GNB - 05-07-2015, 9:01
RE: Synteza SPHM DDS - SP5FCS - 05-07-2015, 11:35
RE: Synteza SPHM DDS - SP2GNB - 05-07-2015, 12:41
RE: Synteza SPHM DDS - SP2GNB - 21-07-2015, 21:47
RE: Synteza SPHM DDS - SP5FCS - 27-07-2015, 23:47
RE: Synteza SPHM DDS - SQ8MVY - 21-07-2015, 23:20
RE: Synteza SPHM DDS - SP2GNB - 22-07-2015, 10:19
RE: Synteza SPHM DDS - SP2GNB - 28-07-2015, 20:48
RE: Synteza SPHM DDS - LEX3200 - 04-10-2015, 22:08
RE: Synteza SPHM DDS - SP5FCS - 05-10-2015, 21:16
RE: Synteza SPHM DDS - SP4LVC - 04-10-2015, 23:10
RE: Synteza SPHM DDS - SQ4AVS - 05-10-2015, 6:28
RE: Synteza SPHM DDS - SP4LVC - 25-10-2015, 10:32
RE: Synteza SPHM DDS - SP5FCS - 26-10-2015, 14:37
RE: Synteza SPHM DDS - SP4LVC - 29-10-2015, 9:48
RE: Synteza SPHM DDS - SQ8MVY - 29-10-2015, 21:44
RE: Synteza SPHM DDS - SP4LVC - 31-10-2015, 0:23
RE: Synteza SPHM DDS - SQ8MVY - 31-10-2015, 9:25
RE: Synteza SPHM DDS - SP4LVC - 31-10-2015, 13:32
RE: Synteza SPHM DDS - SQ5KVS - 31-10-2015, 20:59
RE: Synteza SPHM DDS - SP4LVC - 06-11-2015, 12:21
RE: Synteza SPHM DDS - SQ1GYQ - 06-11-2015, 21:11
RE: Synteza SPHM DDS - SP2IPT - 07-11-2015, 10:21
RE: Synteza SPHM DDS - SQ8MVY - 07-11-2015, 10:42
RE: Synteza SPHM DDS - SP2IPT - 08-11-2015, 21:37
RE: Synteza SPHM DDS - SQ1GYQ - 07-11-2015, 11:30
RE: Synteza SPHM DDS - SP2GNB - 07-11-2015, 18:32
RE: Synteza SPHM DDS - SP4LVC - 07-11-2015, 23:01
RE: Synteza SPHM DDS - SP4LVC - 09-11-2015, 9:19
RE: Synteza SPHM DDS - SQ8MVY - 09-11-2015, 11:11
RE: Synteza SPHM DDS - SP4LVC - 09-11-2015, 11:42
RE: Synteza SPHM DDS - SP5FCS - 09-11-2015, 12:22
RE: Synteza SPHM DDS - SP4LVC - 11-11-2015, 1:36
RE: Synteza SPHM DDS - K2KP - 26-11-2015, 18:09
RE: Synteza SPHM DDS - SP5FCS - 26-11-2015, 22:31
RE: Synteza SPHM DDS - SP2GNB - 26-11-2015, 22:40
RE: Synteza SPHM DDS - K2KP - 27-11-2015, 3:06
RE: Synteza SPHM DDS - SP5CGI - 27-11-2015, 15:06
RE: Synteza SPHM DDS - K2KP - 27-11-2015, 15:26
RE: Synteza SPHM DDS - SP4HKQ - 27-11-2015, 17:28
RE: Synteza SPHM DDS - K2KP - 28-11-2015, 1:46
RE: Synteza SPHM DDS - SP5FCS - 29-11-2015, 23:43
RE: Synteza SPHM DDS - SP2GNB - 09-12-2015, 22:45
RE: Synteza SPHM DDS - SP6RSP - 01-01-2016, 18:07
RE: Synteza SPHM DDS - SQ4AVS - 01-01-2016, 22:03
RE: Synteza SPHM DDS - SP2GNB - 03-02-2016, 21:07
RE: Synteza SPHM DDS - SP5FCS - 28-02-2016, 21:47
RE: Synteza SPHM DDS - SP2SGA - 14-02-2016, 9:59
RE: Synteza SPHM DDS - SP5FCS - 14-02-2016, 10:34
RE: Synteza SPHM DDS - SP2GNB - 28-02-2016, 23:03
RE: Synteza SPHM DDS - SP8GPQ - 27-05-2017, 19:21
RE: Synteza SPHM DDS - SP2FP - 06-07-2018, 21:03
RE: Synteza SPHM DDS - SQ6KBT - 18-10-2018, 19:09
RE: Synteza SPHM DDS - SQ8PEI - 23-03-2020, 15:59
RE: Synteza SPHM DDS - SP4LVC - 13-09-2020, 9:45
RE: Synteza SPHM DDS - SQ8NVF - 10-08-2011, 22:47
RE: Synteza SPHM DDS - SP3SWJ - 11-08-2011, 18:07
RE: Synteza SPHM DDS - SQ8NVF - 11-08-2011, 20:13
RE: Synteza SPHM DDS - SP5FCS - 11-08-2011, 22:17
RE: Synteza SPHM DDS - SP3SWJ - 11-08-2011, 22:18
RE: Synteza SPHM DDS - SQ8NVF - 12-08-2011, 10:20
RE: Synteza SPHM DDS - SP3SWJ - 12-08-2011, 11:47
RE: Synteza SPHM DDS - SQ8NVF - 12-08-2011, 12:23
RE: Synteza SPHM DDS - SP3SWJ - 12-08-2011, 12:44

Skocz do:


Użytkownicy przeglądający ten wątek: 4 gości