|
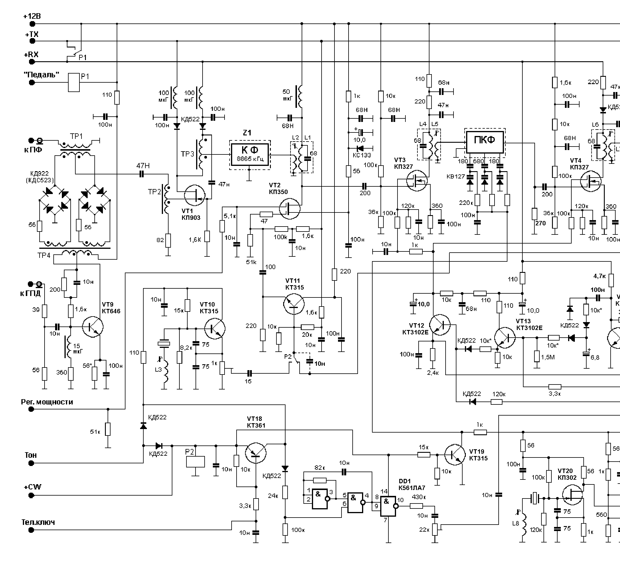
Składamy wzbudnicę SSB G4CLF
|
bolanren
Jerzy SP5RZM ![]() ![]() ![]() ![]() Liczba postów: 434 Dołączył: 10-04-2011 |
|
||
| 19-03-2015 20:54 |
|
|
« Starszy wątek | Nowszy wątek »
|
Użytkownicy przeglądający ten wątek: 5 gości



. Pewnie tak skoro bakterie robią swoje, a tylko nieliczni je oglądają.

