Odpowiedz 
 
Ocena wątku:
  • 6 Głosów - 4 Średnio
  • 1
  • 2
  • 3
  • 4
  • 5
Fork-Heńka... czyli jak sobie poradzić z DDS za pomocą ARDUINO
SQ9MDD Offline
Rysiek
****

Liczba postów: 380
Dołączył: 01-02-2009
Post: #179
RE: Fork-Heńka... czyli jak sobie poradzić z DDS za pomocą ARDUINO
Michał podpowiedz jakie masz arduino i jakim napięciem zasilasz drabinkę. To pomoże zdiagnozować co się dzieje.

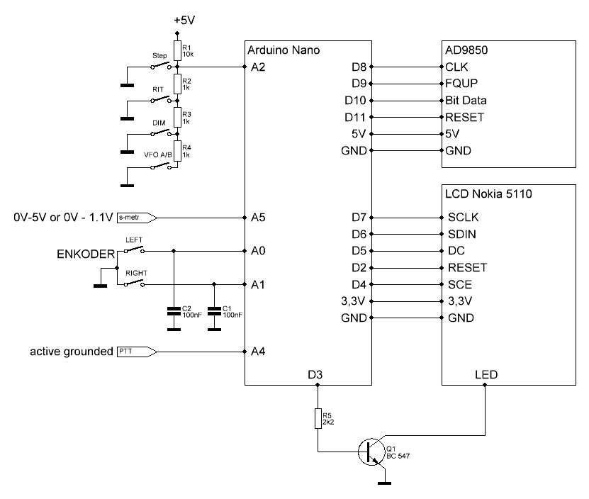
Jeśli nic nie pomyliłem to schemat połączen wygląda tak:

İmage

...przede wszystkim nie zakłócać...
21-11-2014 11:10
Odwiedź stronę użytkownika Znajdź wszystkie posty użytkownika Odpowiedz cytując ten post
Odpowiedz 


Wiadomości w tym wątku
RE: Fork-Heńka... czyli jak sobie poradzić z DDS za pomocą ARDUINO - SQ9MDD - 21-11-2014 11:10

Skocz do:


Użytkownicy przeglądający ten wątek: 4 gości