Odpowiedz 
 
Ocena wątku:
  • 0 Głosów - 0 Średnio
  • 1
  • 2
  • 3
  • 4
  • 5
Mikser na układzie SD8901HD
bolanren Offline
Jerzy SP5RZM
****

Liczba postów: 434
Dołączył: 10-04-2011
Post: #1
Mikser na układzie SD8901HD
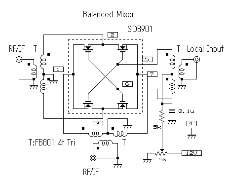
Jako tak zwany new beginner chciałbym zapytać czy któryś z Kolegów popełnił mieszacz oparty na układzie SD8901HD? Czy do tego mieszacza jest sens by zastosować diplekser[/size][/font]? SP5RZM - Jerzy


Załączone pliki Miniatury
İmage
30-07-2014 21:45
Znajdź wszystkie posty użytkownika Odpowiedz cytując ten post
Odpowiedz 


Wiadomości w tym wątku
Mikser na układzie SD8901HD - bolanren - 30-07-2014 21:45

Skocz do:


Użytkownicy przeglądający ten wątek: 2 gości