Odpowiedz 
 
Ocena wątku:
  • 0 Głosów - 0 Średnio
  • 1
  • 2
  • 3
  • 4
  • 5
Generator warsztatowy (nie dds)
mleczarz Offline
Przemek
*

Liczba postów: 24
Dołączył: 22-07-2010
Post: #12
RE: Generator warsztatowy (nie dds)
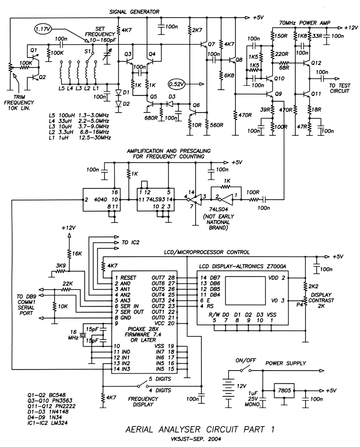
Więc powstała płytka dla tego generatora wg. VK5JST ze schematu jego analizatora antenowego. No i jak zwykle klops bo nie działa to ustrojstwo na stole ale wszystkie tranzystory to BC547 a cewka 2.2uH kondensator 10p. Trochę mi nie pasują do obrazu kondensatory 100n w całym generatorze. Wrzucam schemat na którym się wzorowałem. Dla zainteresowanych wrzucę płytkę w PDF do wyprasowania.
Częstościomierz dołączyłem do wiszącego w powietrzu kondensatora między Q7 a Q8.


Załączone pliki Miniatury
İmage

.pdf  gensphmbottom.pdf (Rozmiar: 10.27 KB / Pobrań: 1313)
.pdf  gensphmelementy.pdf (Rozmiar: 19.17 KB / Pobrań: 1340)
27-07-2014 19:51
Znajdź wszystkie posty użytkownika Odpowiedz cytując ten post
Odpowiedz 


Wiadomości w tym wątku
RE: Generator warsztatowy (nie dds) - mleczarz - 27-07-2014 19:51

Skocz do:


Użytkownicy przeglądający ten wątek: 1 gości