Odpowiedz 
 
Ocena wątku:
  • 0 Głosów - 0 Średnio
  • 1
  • 2
  • 3
  • 4
  • 5
Cyfrowy miernik mocy i SWR
SP4LVC Offline
Bogdan sk
*****

Liczba postów: 761
Dołączył: 10-07-2009
Post: #20
RE: Cyfrowy miernik mocy i SWR
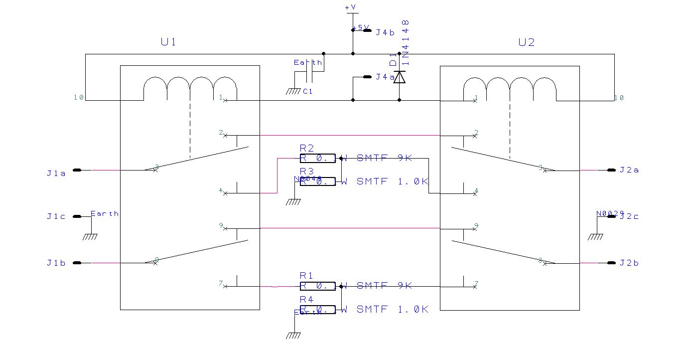
Zgodnie z obietnicą przedstawiam schemat i PCB miernika. Około weekendu dołożę schemat i PCB płytki tłumików rezystancyjnych przełączanych przekaźnikami do pomiaru mocy > 100 W. Przepraszam za formę schematu - mam nadzieję, że będzie do strawienia. Wyszło jak wyszło - nie robię tego na co dzień, ani dla pieniędzy. Jak chcę zrobić bardziej przejrzysty to nie wchodzi mi w całości na ekran. Potem trzeba w kawałkach eksportować do bmp. Pozostało tylko ,,pochylić" się nad zmianą softu, aby dało się pomierzyć większe moce. Sprawa dla znawców jest prosta - po przekroczeniu mocy 100W podmiana danych kalibracyjnych i wyprowadzenie sygnału na bazę tranzystora Q 1 sterującego przekaźnikami płytki tłumika rezystancyjnego 1:10. Ja na razie jestem za cienki w te klocki - tak więc czekam na chętnych do pomocy. Koszt miernika ok. 70 zł (może mniej - zależy co zalega u kolegów w szufladach) włączając w to obudowę - także myślę, że warto rozpropagować. Switch SW 2 jest przewidziany do ręcznej zmiany zakresu maksymalnej mocy pomiaru.
Obiecane materiały płytki tłumika.
Poprawiony schemat z zaznaczonym + zasilania.
[attachment=8380]
Jeszcze raz schemat miernika.


Załączone pliki Miniatury
İmage İmage

.pdf  Arduino PWR - SWR meter PCB.pdf (Rozmiar: 13.15 KB / Pobrań: 1943)
.pdf  PCB tłumiki.pdf (Rozmiar: 9.99 KB / Pobrań: 1673)

Bogdan
(Ten post był ostatnio modyfikowany: 14-03-2014 22:44 przez SP4LVC.)
14-03-2014 2:00
Znajdź wszystkie posty użytkownika Odpowiedz cytując ten post
Odpowiedz 


Wiadomości w tym wątku
Cyfrowy miernik mocy i SWR - SP4LVC - 28-12-2013, 1:01
RE: Cyfrowy miernik mocy i SWR - SP4LVC - 14-03-2014 2:00

Skocz do:


Użytkownicy przeglądający ten wątek: 1 gości