Odpowiedz 
 
Ocena wątku:
  • 10 Głosów - 4.6 Średnio
  • 1
  • 2
  • 3
  • 4
  • 5
HUSAREK - nowa homodyna dla "każdego"
SP5BMP Offline
Janusz
****

Liczba postów: 606
Dołączył: 02-11-2010
Post: #540
RE: HUSAREK - nowa homodyna dla "każdego"
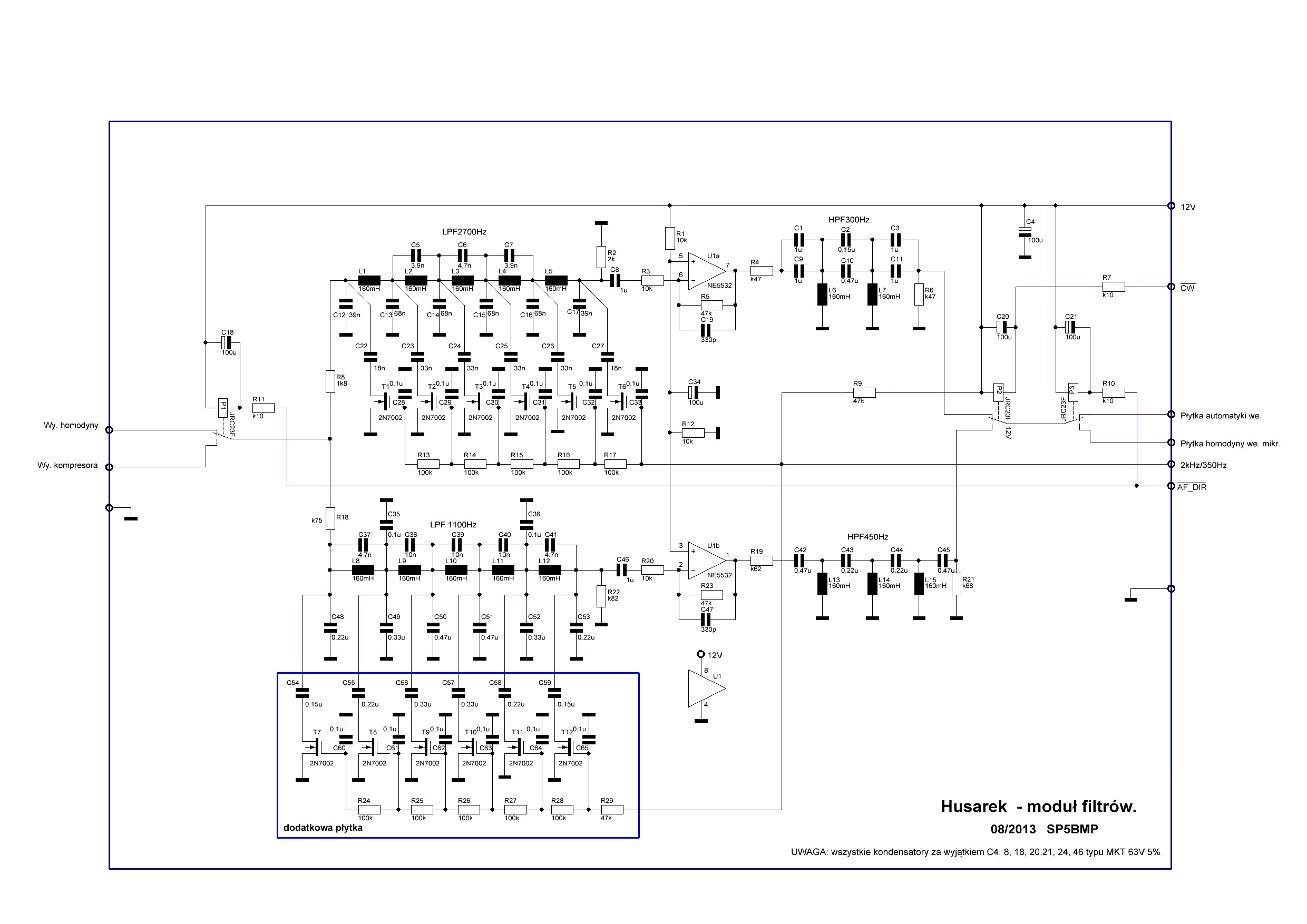
Przedstawiam kolegom propozycję rozbudowy filtru o dodatkową płytkę, za pomocą której można zmieniać szerokość filtru telegraficznego 350 lub 550 Hz. Pozdrawiam, Janusz.


Załączone pliki Miniatury
İmage

.pdf  IMG_3244a.pdf (Rozmiar: 915 KB / Pobrań: 1521)
.lay6  plytka z kluczami.lay6 (Rozmiar: 31.13 KB / Pobrań: 1273)
02-10-2013 13:39
Znajdź wszystkie posty użytkownika Odpowiedz cytując ten post
Odpowiedz 


Wiadomości w tym wątku
RE: HUSAREK - nowa homodyna dla "każdego" - SP5BMP - 02-10-2013 13:39

Skocz do:


Użytkownicy przeglądający ten wątek: 17 gości