Odpowiedz 
 
Ocena wątku:
  • 10 Głosów - 4.6 Średnio
  • 1
  • 2
  • 3
  • 4
  • 5
HUSAREK - nowa homodyna dla "każdego"
SP4HKQ Offline
Zdzisław SK!
****

Liczba postów: 490
Dołączył: 19-08-2009
Post: #289
RE: HUSAREK - nowa homodyna dla "każdego"
Kolejny moduł do HUSARKA sprawdzony i uruchomiony. Są to filtry pasmowe BPF wykonane na kubeczkach Coilcrafta. Płytka integruje filtry na 5 pasm z dwoma tłumikami -6 i -12 db, wzmacniaczem +12db oraz przełącznikiem Rx/Tx (konieczny przy rozdzielonych torach Rx i Tx na płytce homodyny). Schemat filtrów został odrobinę zmodernizowany w stosunku do pierwowzoru PA3AKE. Zastosowanie kubeczków zamiast cewek na kółkach Amidona spowodowało zwiększone tłumienie w paśmie przenoszenia powyżej 3.3 dB. Po poszerzeniu pasm przenoszenia poszczególnych filtrów uzyskałem rzeczywiste tłumienie o wartości nie przekraczającej 2.5 dB. W załączeniu wykresy przenoszenia filtrów wykonane za pomocą NWT, oraz ich projekty wykonane za pomocą RFsima.

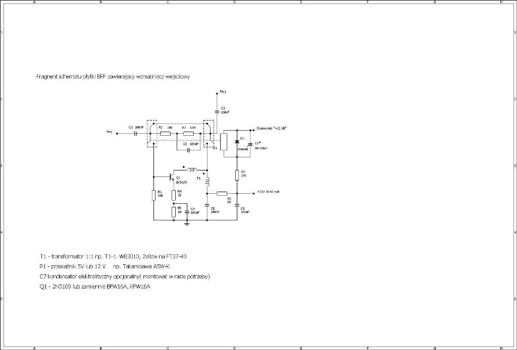
Kolejną przeszkodą był wzmacniacz wykonany na mikrofalowym tranzystorze BFG541 który się wzbudzał. Wszelkie próby wyeliminowania wzbudzenie nie dawały rezultatów. Za namową kolegów z grupy zmieniłem tranzystor Q1 na KFW16A nie zmieniając schematu. Okazało się że był to strzał w "dziesiątkę". Zero wzbudzeń i stabilna praca wzmacniacza. W układzie docelowym zastosowałem 2N5109, choć tranzystory zamienne pracowały z podobnym rezultatem końcowym. W załączeniu schemat.

Tłumiki -6 i -12dB zostały wykonane w układzie Pi.
Wartości rezystorów tłumika -6 dB wynoszą R1 i R3 - 150 Om oraz R2 - 37 Om.
Wartości rezystorów tłumika -12 dB wynoszą R1 i R3 - 84 Om oraz R2 - 93 Om.
Ponieważ takich wartości nie znajdziemy, pola pod rezystory zostały przygotowane jako podwójne do równoległego połączenia po dwa rezystory.

PCB płytki zostało przygotowane w wersji do samodzielnego wykonania "na żelazku". Wszystkie otwory są o średnicy 0.6 mm co ułatwia dokładne wiercenie po wytrawieniu płytki. W załączeniu projekt płytki.


Załączone pliki Miniatury
İmage İmage İmage

.cct  BPF3.5.cct (Rozmiar: 21.33 KB / Pobrań: 1086)
.cct  BPF7.cct (Rozmiar: 19.58 KB / Pobrań: 1003)
.cct  BPF14.cct (Rozmiar: 19.68 KB / Pobrań: 1000)
.cct  BPF21.cct (Rozmiar: 19.47 KB / Pobrań: 965)
.cct  BPF28.cct (Rozmiar: 19.47 KB / Pobrań: 1014)
.pdf  BPF3.5MHz.pdf (Rozmiar: 19.39 KB / Pobrań: 1271)
.pdf  BPF7MHz.pdf (Rozmiar: 19.64 KB / Pobrań: 1092)
.pdf  BPF14_1MHz.pdf (Rozmiar: 20.2 KB / Pobrań: 1038)
.pdf  BPF21.pdf (Rozmiar: 20.47 KB / Pobrań: 1004)
.pdf  BPF28 _CB.pdf (Rozmiar: 19.74 KB / Pobrań: 1068)
.pdf  SWR3,5.pdf (Rozmiar: 18.22 KB / Pobrań: 1189)
.lay  HUSAREK BPF_Coil .LAY (Rozmiar: 161.99 KB / Pobrań: 1204)
09-12-2012 17:38
Znajdź wszystkie posty użytkownika Odpowiedz cytując ten post
Odpowiedz 


Wiadomości w tym wątku
RE: HUSAREK - nowa homodyna dla "każdego" - SP4HKQ - 09-12-2012 17:38

Skocz do:


Użytkownicy przeglądający ten wątek: 19 gości