|
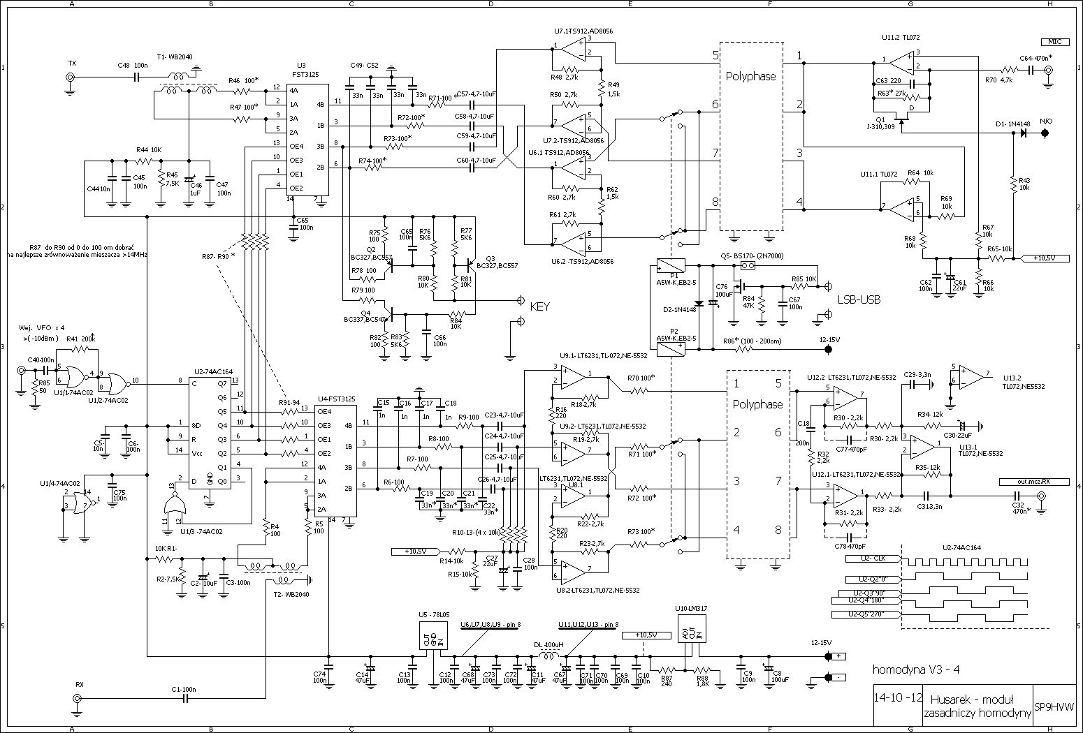
HUSAREK - nowa homodyna dla "każdego"
|
SP9HVW
Józef ![]() ![]() ![]() Liczba postów: 158 Dołączył: 14-06-2010 |
|
||
| 11-10-2012 0:31 |
|
|
« Starszy wątek | Nowszy wątek »
|
Użytkownicy przeglądający ten wątek: 7 gości




