Odpowiedz 
 
Ocena wątku:
  • 10 Głosów - 4.6 Średnio
  • 1
  • 2
  • 3
  • 4
  • 5
HUSAREK - nowa homodyna dla "każdego"
SP4HKQ Offline
Zdzisław SK!
****

Liczba postów: 490
Dołączył: 19-08-2009
Post: #110
RE: HUSAREK - nowa homodyna dla "każdego"
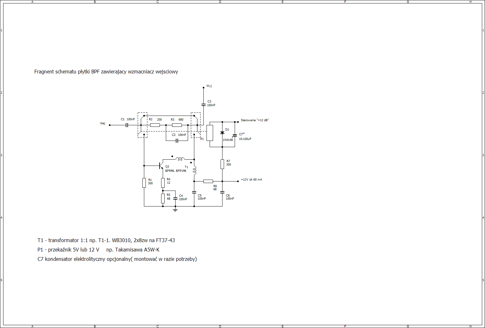
Z braku czasu na narysowanie (w chwili obecnej) pełnego schematu płytki BPF prezentuję jego fragment zawierający wzmacniacz wejściowy. Konstrukcja tego wzmacniacza jest znana od dawna. Opisał ją E. Red w swojej książce, a także zastosowano w K2. Wzmocnienie ustalają oporniki R2 i R4 na poziomie +12 dB. Prąd wzmacniacza wynosi 33-35 mA. Gdy wzmacniacz jest wyłączony, nie pobiera prądu (odłączone sprzężenie zwrotne R2,R3). Projekt PCB pozwala na zastosowanie w obudowie przewlekanej tranzystora BFR96, lub w obudowie SMD BFP196.
Na płytce BPF równolegle do przekaźników zostały zaprojektowane pady kondensatorów elektrolitycznych. Obawiałem się że gdy w trakcie odbioru będziemy załączać wzmacniacz, bądź tłumiki to mogą wystąpić trzaski w głośniku odbiornika homodynowego. Kondensator łagodzi zbocze załączania przekaźnika. Takie rozwiązanie zastosowano na płytce filtru akustycznego i przy przekaźnikach przełaczających LSB/USB na płytce homodyny. Koledzy przekonują, że gdy przekaźnik jest w torze wcz, to takie efekty nie wystąpią. Ale skoro było miejsce, to kondensatory zostały.

Koledzy mieli sokoli wzrok i dostrzegli błąd. Poprawiony schemat.


Załączone pliki Miniatury
İmage
(Ten post był ostatnio modyfikowany: 19-09-2012 7:45 przez SP4HKQ.)
18-09-2012 21:13
Znajdź wszystkie posty użytkownika Odpowiedz cytując ten post
Odpowiedz 


Wiadomości w tym wątku
RE: HUSAREK - nowa homodyna dla "każdego" - SP4HKQ - 18-09-2012 21:13

Skocz do:


Użytkownicy przeglądający ten wątek: 20 gości