Odpowiedz 
 
Ocena wątku:
  • 3 Głosów - 3.67 Średnio
  • 1
  • 2
  • 3
  • 4
  • 5
Transceiver DC01
SP6FRE Offline
Leszek
****

Liczba postów: 737
Dołączył: 20-09-2009
Post: #151
RE: Transceiver DC01
Darku!
Po przemyśleniu i kilku obliczeniach mam już jakieś wnioski. Nie ma potrzeby wstawiania w obwody zasilania indukcyjności 100uH. Taka indukcyjnośc stanowi dla prądu zmiennego oporność Xl=2*pi*f*L co dla częstotliwości 50Hz wynosi około 0.03 oma! czyli tyle ile oporność połączenia lutowanego a więc w praktyce nic. Dławik 100mH ma dla 50Hz oporność ok. 31 omów co w połączeniu z pojemnością filtracyjną 100uF (oporność Xc=1/2/pi/f/C dla 100uF i 50Hz to ok. 32 omy) da spadek składowej zmiennej 50Hz zaledwie o połowę (-6dB). O wiele lepsze rezultaty zapewni użycie opornika 1K co da spadek rzędu 1000/31=ok. 32 razy (ok. 30dB). Nie wszędzie jednak można wstawić opornik 1k w obwód zasilania ze względu na spadki napięcia ale są takie miejsca gdzie jest to możliwe.
Reasumując, w sprawie filtracji zasilania proponuję następujące zmiany:
1. Usunąć wszystkie induktory 100uH z obwodów zasilania
2. Zwiększyć E1 do 100-220uF (ten kondensator może być na napięcie 6V ze wzglkędu na rozmiary)
3. Zwiększyć E2 do 100-220uF z uwagą jak wyżej
4. Połączyć zasilanie (piny 7) U8-11 oraz zasilic je poprzez opornik 220 omów (zamiast np. L11) a Ez3 zwiększyć do 100-220uF/16V
5. Zwiększyć E9 do 100-220uF z uwagą jak w p.1
6. Zwiększyć E10 do 100-220uF z uwagą jak w p.1
7. Zwiększyć E16 i E18 do 100-220uF z uwagą jak w p.1
8. zamiast L19 zastosować opornik 220 omów a Ez11 zwiększyć do 100-220uF/16V
9. Zwiększyć E19 do 100-220uF z uwagą jak w p.1
10. Usunąć L23, Cz23, Ez23 a Ez22 zwiększyć do 220uF/16V
L.J.


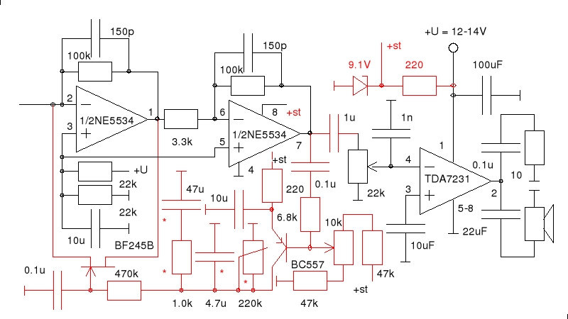
Jeśli chodzi o obwód ARW proponuję wprowadzić pokazane na rysunku zmiany. W szcególności chodzi o stabilizację zasilania zapewniającą stałość napięć odniesienia. Proponuję więc:
1. Zasilanie U13 i U14 z obwodu stabilizacji 9.1V jak na załączonym rysunku co oznacza, że powinieneś piny zasilające układów U13 i U14 dołączyć do punktu +st na rysunku.
2. Wprowadzić zmiany w obwodzie stałej czasowej ARW przez dodanie szeregowego połączenia 1k i 47uF.
3. Nie zapomnij, że R43 powinen być regulowany
4. Proponuję odłączyć końcówkę miernika ARW i dołączyć ją do środka dzielnika oporowego 1k+1k (lub generalnie Rx + Ry o dobieranej oporności w zależności od uzytego miernika) rozpiętego pomiędzy plusem a minusem zasilania U14. To pomoże łatwiej ustawić wskaźnik siły sygnału.
5. Zwiększyć E13 do 100-220uF/6V (to jeszcze w ramach filtracji zasilania)
7. Zamiast dzielnika R57/R58 potencjometr montażowy 47k (co pomoże usunąć z tonu cw stuki w kluczowaniu)
L.J.


Załączone pliki Miniatury
İmage
(Ten post był ostatnio modyfikowany: 23-06-2012 11:34 przez SP6FRE.)
23-06-2012 11:15
Odwiedź stronę użytkownika Znajdź wszystkie posty użytkownika Odpowiedz cytując ten post
Odpowiedz 


Wiadomości w tym wątku
Transceiver DC01 - SP6FRE - 18-01-2010, 22:44
RE: Transceiver DC01 - SP5FCS - 18-01-2010, 23:37
RE: Transceiver DC01 - QRP73 - 19-01-2010, 13:09
RE: Transceiver DC01 - SP6FRE - 19-01-2010, 22:02
RE: Transceiver DC01 - SP2GOW - 20-01-2010, 11:18
RE: Transceiver DC01 - SP6FRE - 20-01-2010, 18:08
RE: Transceiver DC01 - SP2GOW - 20-01-2010, 21:00
RE: Transceiver DC01 - SP3RAF - 20-01-2010, 21:31
RE: Transceiver DC01 - SP2QCA - 21-01-2010, 17:47
RE: Transceiver DC01 - SP6FRE - 22-01-2010, 0:48
RE: Transceiver DC01 - SP2QCA - 22-01-2010, 10:35
RE: Transceiver DC01 - SP6FRE - 26-01-2010, 0:45
RE: Transceiver DC01 - SP9FKP - 31-01-2010, 10:27
RE: Transceiver DC01 - 3Z6AEF - 31-01-2010, 14:14
RE: Transceiver DC01 - SP6FRE - 31-01-2010, 15:37
RE: Transceiver DC01 - 3Z6AEF - 31-01-2010, 19:59
RE: Transceiver DC01 - SP6FRE - 01-02-2010, 19:54
RE: Transceiver DC01 - SP2JQR - 02-02-2010, 0:24
RE: Transceiver DC01 - SP6FRE - 02-02-2010, 14:35
RE: Transceiver DC01 - SP8GVM - 05-02-2010, 16:20
RE: Transceiver DC01 - SP6FRE - 06-02-2010, 22:32
RE: Transceiver DC01 - SP8GVM - 07-02-2010, 8:42
RE: Transceiver DC01 - SP6FRE - 07-02-2010, 14:26
RE: Transceiver DC01 - SP8GVM - 13-02-2010, 16:39
RE: Transceiver DC01 - SP6FRE - 14-02-2010, 19:48
RE: Transceiver DC01 - SP8GVM - 14-02-2010, 21:45
RE: Transceiver DC01 - SP6FRE - 16-02-2010, 14:39
RE: Transceiver DC01 - SP6FRE - 20-02-2010, 23:49
RE: Transceiver DC01 - SP8GVM - 21-02-2010, 9:11
RE: Transceiver DC01 - SP6FRE - 15-03-2010, 22:24
RE: Transceiver DC01 - SP6FRE - 20-03-2010, 16:36
RE: Transceiver DC01 - SP6FRE - 28-03-2010, 21:48
RE: Transceiver DC01 - SP3IQ - 08-11-2011, 17:43
RE: Transceiver DC01 - ORINOCO - 01-01-2011, 19:09
RE: Transceiver DC01 - SP3IQ - 24-02-2012, 0:26
RE: Transceiver DC01 - SP8GVM - 24-02-2012, 22:53
RE: Transceiver DC01 - SP3IQ - 26-02-2012, 7:29
RE: Transceiver DC01 - SP6FRE - 26-02-2012, 21:21
RE: Transceiver DC01 - SP3IQ - 26-02-2012, 22:58
RE: Transceiver DC01 - SP6FRE - 26-02-2012, 23:51
RE: Transceiver DC01 - SP9FKP - 08-03-2012, 20:53
RE: Transceiver DC01 - SP3IQ - 08-03-2012, 23:04
RE: Transceiver DC01 - SP6FRE - 12-03-2012, 22:36
RE: Transceiver DC01 - SQ9RFC - 13-03-2012, 2:35
RE: Transceiver DC01 - SP3IQ - 13-03-2012, 9:08
RE: Transceiver DC01 - SQ9RFC - 13-03-2012, 17:03
RE: Transceiver DC01 - SP3IQ - 13-03-2012, 18:17
RE: Transceiver DC01 - SP6FRE - 15-03-2012, 0:10
RE: Transceiver DC01 - SQ9RFC - 16-03-2012, 4:32
RE: Transceiver DC01 - SP3IQ - 16-03-2012, 22:22
RE: Transceiver DC01 - SQ7GVU - 16-03-2012, 23:19
RE: Transceiver DC01 - SP6FRE - 16-03-2012, 23:34
RE: Transceiver DC01 - SP6FRE - 19-03-2012, 0:09
RE: Transceiver DC01 - SQ9RFC - 19-03-2012, 3:09
RE: Transceiver DC01 - SQ7OVV - 19-03-2012, 19:25
RE: Transceiver DC01 - SP6FRE - 20-03-2012, 0:58
RE: Transceiver DC01 - SQ9RFC - 20-03-2012, 1:44
RE: Transceiver DC01 - SP6FRE - 25-03-2012, 22:48
RE: Transceiver DC01 - SQ9RFC - 25-03-2012, 23:58
RE: Transceiver DC01 - SP6FRE - 26-03-2012, 0:37
RE: Transceiver DC01 - SQ9RFC - 26-03-2012, 2:43
RE: Transceiver DC01 - SP6FRE - 26-03-2012, 10:44
RE: Transceiver DC01 - SP6FRE - 01-04-2012, 22:28
RE: Transceiver DC01 - SQ9RFC - 05-04-2012, 1:38
RE: Transceiver DC01 - SQ8Z - 11-04-2012, 23:43
RE: Transceiver DC01 - SP6FRE - 12-04-2012, 13:01
RE: Transceiver DC01 - SQ9RFC - 12-04-2012, 15:21
RE: Transceiver DC01 - SP6FRE - 16-04-2012, 21:57
RE: Transceiver DC01 - SP3IQ - 31-05-2012, 23:10
RE: Transceiver DC01 - SP6FRE - 01-06-2012, 9:46
RE: Transceiver DC01 - SP9FKP - 01-06-2012, 12:15
RE: Transceiver DC01 - SQ9RFC - 01-06-2012, 11:00
RE: Transceiver DC01 - SP3IQ - 01-06-2012, 14:33
RE: Transceiver DC01 - SP6FRE - 01-06-2012, 15:10
RE: Transceiver DC01 - SP3IQ - 01-06-2012, 15:34
RE: Transceiver DC01 - SP6FRE - 01-06-2012, 15:48
RE: Transceiver DC01 - SQ9RFC - 10-06-2012, 2:28
RE: Transceiver DC01 - SP6FRE - 10-06-2012, 9:42
RE: Transceiver DC01 - SQ9RFC - 10-06-2012, 10:47
RE: Transceiver DC01 - SP6FRE - 10-06-2012, 11:21
RE: Transceiver DC01 - SP3IQ - 10-06-2012, 13:48
RE: Transceiver DC01 - SQ5KHA - 11-06-2012, 8:41
RE: Transceiver DC01 - SQ9RFC - 11-06-2012, 11:58
RE: Transceiver DC01 - SQ5KHA - 11-06-2012, 12:26
RE: Transceiver DC01 - SQ9RFC - 11-06-2012, 13:11
RE: Transceiver DC01 - SQ5KHA - 11-06-2012, 13:17
RE: Transceiver DC01 - SQ9RFC - 11-06-2012, 13:39
RE: Transceiver DC01 - SQ5KHA - 11-06-2012, 16:14
RE: Transceiver DC01 - SP6FRE - 11-06-2012, 13:50
RE: Transceiver DC01 - SQ9RFC - 11-06-2012, 15:50
RE: Transceiver DC01 - SP6FRE - 11-06-2012, 20:47
RE: Transceiver DC01 - SP3IQ - 11-06-2012, 20:58
RE: Transceiver DC01 - SQ5KHA - 11-06-2012, 21:10
RE: Transceiver DC01 - SP3IQ - 11-06-2012, 21:40
RE: Transceiver DC01 - SQ5KHA - 11-06-2012, 21:47
RE: Transceiver DC01 - SP3IQ - 11-06-2012, 21:54
RE: Transceiver DC01 - SQ9RFC - 11-06-2012, 23:50
RE: Transceiver DC01 - SQ5KHA - 12-06-2012, 10:09
RE: Transceiver DC01 - SQ9RFC - 12-06-2012, 10:26
RE: Transceiver DC01 - SP6FRE - 12-06-2012, 10:37
RE: Transceiver DC01 - SQ5KHA - 12-06-2012, 13:46
RE: Transceiver DC01 - SQ9RFC - 12-06-2012, 14:41
RE: Transceiver DC01 - SP3IQ - 12-06-2012, 21:57
RE: Transceiver DC01 - SQ5KHA - 12-06-2012, 23:05
RE: Transceiver DC01 - SP3IQ - 12-06-2012, 23:22
RE: Transceiver DC01 - SQ9RFC - 13-06-2012, 2:29
RE: Transceiver DC01 - SP6FRE - 13-06-2012, 11:04
RE: Transceiver DC01 - SQ9RFC - 13-06-2012, 12:09
RE: Transceiver DC01 - SP6FRE - 13-06-2012, 12:36
RE: Transceiver DC01 - SQ5KHA - 13-06-2012, 14:48
RE: Transceiver DC01 - SQ9RFC - 13-06-2012, 15:07
RE: Transceiver DC01 - SP3RAF - 13-06-2012, 21:44
RE: Transceiver DC01 - SP6FRE - 13-06-2012, 22:54
RE: Transceiver DC01 - SQ9RFC - 14-06-2012, 0:04
RE: Transceiver DC01 - SP6FRE - 14-06-2012, 8:42
RE: Transceiver DC01 - SQ5KHA - 14-06-2012, 9:46
RE: Transceiver DC01 - SP6FRE - 14-06-2012, 10:28
RE: Transceiver DC01 - SQ9RFC - 14-06-2012, 10:39
RE: Transceiver DC01 - SP6FRE - 14-06-2012, 10:56
RE: Transceiver DC01 - SQ9RFC - 14-06-2012, 11:05
RE: Transceiver DC01 - SQ5KHA - 14-06-2012, 17:26
RE: Transceiver DC01 - SP6FRE - 14-06-2012, 21:06
RE: Transceiver DC01 - SQ5KHA - 14-06-2012, 21:23
RE: Transceiver DC01 - SQ9RFC - 15-06-2012, 0:14
RE: Transceiver DC01 - SP6FRE - 15-06-2012, 9:03
RE: Transceiver DC01 - SQ5KHA - 15-06-2012, 10:27
RE: Transceiver DC01 - SQ9RFC - 15-06-2012, 12:52
RE: Transceiver DC01 - SQ5KHA - 15-06-2012, 18:38
RE: Transceiver DC01 - SQ9RFC - 15-06-2012, 19:08
RE: Transceiver DC01 - SQ5KHA - 15-06-2012, 19:56
RE: Transceiver DC01 - SQ9RFC - 15-06-2012, 20:15
RE: Transceiver DC01 - SQ5KHA - 15-06-2012, 22:56
RE: Transceiver DC01 - SQ9RFC - 15-06-2012, 23:41
RE: Transceiver DC01 - SQ5KHA - 16-06-2012, 8:15
RE: Transceiver DC01 - SQ9RFC - 16-06-2012, 10:06
RE: Transceiver DC01 - SP6FRE - 16-06-2012, 17:32
RE: Transceiver DC01 - SQ5KHA - 16-06-2012, 19:26
RE: Transceiver DC01 - SQ9RFC - 18-06-2012, 1:33
RE: Transceiver DC01 - SQ5KHA - 18-06-2012, 10:19
RE: Transceiver DC01 - SP6FRE - 19-06-2012, 14:38
RE: Transceiver DC01 - SQ9RFC - 19-06-2012, 15:09
RE: Transceiver DC01 - SP3IQ - 19-06-2012, 18:24
RE: Transceiver DC01 - SQ5KHA - 19-06-2012, 21:14
RE: Transceiver DC01 - SQ9RFC - 22-06-2012, 2:07
RE: Transceiver DC01 - SP6FRE - 22-06-2012, 8:56
RE: Transceiver DC01 - SQ9RFC - 22-06-2012, 11:38
RE: Transceiver DC01 - SP6FRE - 22-06-2012, 12:20
RE: Transceiver DC01 - SQ5KHA - 22-06-2012, 18:20
RE: Transceiver DC01 - SQ9RFC - 23-06-2012, 1:11
RE: Transceiver DC01 - SQ5KHA - 23-06-2012, 6:43
RE: Transceiver DC01 - SP6FRE - 23-06-2012 11:15
RE: Transceiver DC01 - SQ5KHA - 24-06-2012, 16:10
RE: Transceiver DC01 - SP6FRE - 24-06-2012, 19:48
RE: Transceiver DC01 - SQ5KHA - 24-06-2012, 20:12
RE: Transceiver DC01 - SQ9RFC - 26-06-2012, 16:03
RE: Transceiver DC01 - SQ5KHA - 26-06-2012, 16:59
RE: Transceiver DC01 - SQ9RFC - 26-06-2012, 22:36
RE: Transceiver DC01 - SQ5KHA - 27-06-2012, 9:09
RE: Transceiver DC01 - SQ9RFC - 27-06-2012, 10:18
RE: Transceiver DC01 - SQ5KHA - 27-06-2012, 10:26
RE: Transceiver DC01 - SP6FRE - 27-06-2012, 10:40
RE: Transceiver DC01 - SQ9RFC - 27-06-2012, 11:56
RE: Transceiver DC01 - SQ5KHA - 27-06-2012, 13:08
RE: Transceiver DC01 - SP6FRE - 27-06-2012, 13:34
RE: Transceiver DC01 - SQ5KHA - 27-06-2012, 14:01
RE: Transceiver DC01 - SQ9RFC - 27-06-2012, 14:37
RE: Transceiver DC01 - SP6FRE - 27-06-2012, 15:00
RE: Transceiver DC01 - SQ5KHA - 28-06-2012, 10:09
RE: Transceiver DC01 - SP6FRE - 28-06-2012, 10:46
RE: Transceiver DC01 - SQ5KHA - 28-06-2012, 13:21
RE: Transceiver DC01 - SP6FRE - 28-06-2012, 15:53
RE: Transceiver DC01 - SQ5KHA - 28-06-2012, 16:59
RE: Transceiver DC01 - SQ9RFC - 28-06-2012, 23:34
RE: Transceiver DC01 - SQ5KHA - 29-06-2012, 22:46
RE: Transceiver DC01 - SP2QCA - 10-07-2012, 8:16
RE: Transceiver DC01 - SQ5KHA - 10-07-2012, 9:09
RE: Transceiver DC01 - SP2QCA - 10-07-2012, 17:11
RE: Transceiver DC01 - SQ5KHA - 10-07-2012, 18:12
RE: Transceiver DC01 - SQ9RFC - 18-07-2012, 12:41
RE: Transceiver DC01 - SP6FRE - 18-07-2012, 23:10
RE: Transceiver DC01 - SQ9RFC - 18-07-2012, 23:20
RE: Transceiver DC01 - SP6FRE - 18-07-2012, 23:31
RE: Transceiver DC01 - SQ9RFC - 19-07-2012, 0:16
RE: Transceiver DC01 - SQ5KHA - 28-07-2012, 12:55
RE: Transceiver DC01 - SP6FRE - 29-07-2012, 22:55
RE: Transceiver DC01 - SQ9RFC - 29-07-2012, 23:32
RE: Transceiver DC01 - SQ5KHA - 30-07-2012, 12:09
RE: Transceiver DC01 - SP6FRE - 30-07-2012, 13:30
RE: Transceiver DC01 - SQ5KHA - 30-07-2012, 13:41
RE: Transceiver DC01 - SP6FRE - 30-07-2012, 13:53
RE: Transceiver DC01 - SQ9RFC - 30-07-2012, 14:21
RE: Transceiver DC01 - SQ5KHA - 31-07-2012, 10:01
RE: Transceiver DC01 - SP6FRE - 31-07-2012, 18:25
RE: Transceiver DC01 - SQ5KHA - 01-08-2012, 10:56
RE: Transceiver DC01 - SP5BMP - 01-08-2012, 11:05
RE: Transceiver DC01 - SQ5KHA - 01-08-2012, 11:11
RE: Transceiver DC01 - SP5BMP - 01-08-2012, 12:40
RE: Transceiver DC01 - SQ5KHA - 01-08-2012, 13:11
RE: Transceiver DC01 - SP6FRE - 01-08-2012, 21:11
RE: Transceiver DC01 - SQ5KHA - 02-08-2012, 8:08
RE: Transceiver DC01 - SP6FRE - 02-08-2012, 21:46
RE: Transceiver DC01 - SQ5KHA - 07-08-2012, 17:06
RE: Transceiver DC01 - SQ5KHA - 03-08-2012, 8:01
RE: Transceiver DC01 - SQ9RFC - 07-08-2012, 13:35
RE: Transceiver DC01 - SP2QCA - 08-08-2012, 7:58
RE: Transceiver DC01 - SP6FRE - 07-08-2012, 23:45
RE: Transceiver DC01 - SQ9RFC - 08-08-2012, 1:15
RE: Transceiver DC01 - SQ9RFC - 29-09-2012, 10:53
RE: Transceiver DC01 - SQ9RFC - 16-01-2013, 13:19
RE: Transceiver DC01 - SP6FRE - 18-01-2013, 18:48
RE: Transceiver DC01 - SQ9RFC - 18-01-2013, 20:35
RE: Transceiver DC01 - SQ9RFC - 24-01-2013, 10:49
RE: Transceiver DC01 - SP6FRE - 24-01-2013, 13:15
RE: Transceiver DC01 - SQ9RFC - 24-01-2013, 14:21
RE: Transceiver DC01/DC02 - SP6FRE - 23-04-2025, 13:43
RE: Transceiver DC01 - SP6FRE - 25-04-2025, 19:36
RE: Transceiver DC01 - SP6FRE - 28-04-2025, 9:27
RE: Transceiver DC01 - SP9FKP - 28-04-2025, 10:52
RE: Transceiver DC01 - SP6FRE - 28-04-2025, 21:56
RE: Transceiver DC01 - SP6FRE - 05-05-2025, 22:02
RE: Transceiver DC01 - SP6FRE - 17-05-2025, 21:23
RE: Transceiver DC01 - SP6LUN - 18-05-2025, 9:30
RE: Transceiver DC01 - SP9RQA - 18-05-2025, 18:02
RE: Transceiver DC01 - AdamC - 18-05-2025, 21:15
RE: Transceiver DC01 - SP9RQA - 19-05-2025, 6:59
RE: Transceiver DC01 - SP6FRE - 19-05-2025, 22:02

Skocz do:


Użytkownicy przeglądający ten wątek: 3 gości