Odpowiedz 
 
Ocena wątku:
  • 13 Głosów - 4.62 Średnio
  • 1
  • 2
  • 3
  • 4
  • 5
Transceiver HMG 2010 "HUSAR"
HM_DIPOL Offline
Heniek
***

Liczba postów: 172
Dołączył: 27-04-2010
Post: #41
RE: Transceiver HMG 2010 "HUSAR"
Ja, tradycyjnie pozwolę nie zgodzić się ze zdaniem kolegów.
Uważam, że HUSARA może złożyć każdy kto umie czytać, zadawać pytania, lutować elementy i wykonywać najprostsze pomiary. Reszty możemy się nauczyć w trakcie budowy, w końcu wszyscy jesteśmy amatorami (kilka wyjątków), którzy wszystkiego najczęściej nauczyli się sami lub z pomocą starszych kolegów. Teraz może być podobnie, trzeba tylko trochę silnej woli i kilku doświadczonych kolegów do pomocy. Dawniej niezbędny był klub i starsi koledzy, dziś taką rolę spełnia forum.

Mój znajomy prawnik jak zaczynał składać K2 nie odróżniał rezystora od kondensatora. Przez pierwszy miesiąc uczył się lutować, czytał i zadawał pytania, bez końca, czasem miałem go dość. Miał jedną prostą zasadę "jeśli czegoś nie był pewny to tego nie robił". Składał to radio rok i zadziałało. Osiągnął sukces bo radio ma doskonałą instrukcję składania, bo bardzo chciał mieć K2 złożone własnoręcznie, bo chciał się czegoś nauczyć i miał odwagę zadawać najprostsze pytania.

Dla kogo jest to radio?
Dla każdego komu ta konstrukcja się podoba i chciałby ją mieć, dla każdego kto ma tyle wolnego czasu i determinacji aby to radio poprawnie polutować, dla każdego kto będzie chciał pytać i zdobywać podczas budowy nowe doświadczenia. Jeśli nawet pojawi się poważny problem z uruchomieniem to zawsze możemy wybrać się z wizytą do starszego kolegi o większym doświadczeniu oraz wyposażeniu warsztatowym, taką mam nadzieję.
24-02-2011 10:43
Znajdź wszystkie posty użytkownika Odpowiedz cytując ten post
SQ6OXK Offline
Paweł
****

Liczba postów: 317
Dołączył: 23-06-2010
Post: #42
RE: Transceiver HMG 2010 "HUSAR"
Witam,

Bardzo ambitny plan i cieszę się że bedzie to polski pomysł.

Bardzo chętnie przyłacze się do testów i prób.

Co do propozycji, mam propozycję na dość innowacyjny dodatek-opcję-moduł do radia. Coraz szersze grono interesuje się emisjami cyfrowymi, spotyka się coraz wieceje stacji DX-owych i organizowane są zawody. Niestety producenci fabrycznych radi nie za bardzo umieszczają w swoich konstrukcjach elementy układów cyfrowych. O ile RTTY jeszcze występuje i można skorzystać to bardziej nowe emisję są już kłopotem.
Chciałbym zaproponować własnie taki moduł oparty na układzie karty dzwiękowej USB oraz jedną dwoma konweterami USB-RS232, które umożliwiałby sterowanie PTT lub kluczowaniem CW plus komunikacja z radiem (coś na wzór CAT-a)

--= SWL SP6-01-396 =--
24-02-2011 18:59
Znajdź wszystkie posty użytkownika Odpowiedz cytując ten post
SP5FCS Offline
Adam
*****

Liczba postów: 1,073
Dołączył: 02-02-2009
Post: #43
RE: Transceiver HMG 2010 "HUSAR"
(24-02-2011 10:43)hm_dipol napisał(a):  .... Osiągnął sukces bo radio ma doskonałą instrukcję składania, bo bardzo chciał mieć K2 złożone własnoręcznie, bo chciał się czegoś nauczyć i miał odwagę zadawać najprostsze pytania. ....

Widzimy, że warunków do spełnienia dla jednej osoby jest wiele. Moje uwagi dotyczą kolegów chcących budować radio samodzielnie. Możliwość skorzystania z pomocy doświadczonego kolegi, jego bazy pomiarowej zdecydowanie zmienia sytuację i zwiększa szanse na ukończenie urządzenia. Być może Husar będzie budowany w małych, lokalnych grupach w których będzie mała specjalizacja w budowie poszczególnych elementów radia (moduły radiowe, procesory, mechanika, testy). W takich grupach nawet początkujący radioamator ma bardzo duże szanse ukończenia Husara.

Pawle, każdy pomysł na etapie projektu jest cenny ale cenniejsza byłaby jego realizacja. Zapraszamy do zgłaszania kolejnych pomysłów ale również do eksperymentowania i zgłaszania konkretnych rozwiązań układowych. To jest projekt, radio będzie takie jak je sami zaprojektujemy.

Na zdjęciach mój moduł homodyny Husara gotowy do pierwszych testów.


Załączone pliki Miniatury
İmage İmage

73 Adam
24-02-2011 21:33
Znajdź wszystkie posty użytkownika Odpowiedz cytując ten post
SQ4RNF Offline
Łukasz
***

Liczba postów: 213
Dołączył: 19-04-2010
Post: #44
RE: Transceiver HMG 2010 "HUSAR"
Ja się akurat bardzo cieszę z powstawania tego projektu. To, że jest na zaawansowanym poziomie, to tylko jego zaleta. W trakcie budowy możemy podwyższyć sobie poziom wiedzy i umiejętności (to jest najważniejsze!) szczególnie, że nadobne grono konstruktorów deklaruje opisy działania poszczególnych bloków i chęć pomocy w razie problemu przy uruchamianiu. Dla zupełnie początkujących mamy w SP kilka prostych, "ćwiczebnych" projektów HM.

Przy okazji pozwolę sobie zacytować Kolegę Zdzisława:

(15-02-2011 9:45)SP4HKQ napisał(a):  Myślę, że będą tacy co powiedzą "szklane domy". Ale jeśli tego nie zrobimy nie połączymy sił to za kilka lat nie będzie "polskich konstruktorów.

To zdanie wyjaśnia wszystko... Smile

Z pozdrowieniami,
Łukasz SQ4RNF
25-02-2011 0:39
Znajdź wszystkie posty użytkownika Odpowiedz cytując ten post
SP4HKQ Offline
Zdzisław SK!
****

Liczba postów: 490
Dołączył: 19-08-2009
Post: #45
RE: Transceiver HMG 2010 "HUSAR"
Mieszacz.
W projekcie HUSAR rozważaliśmy zastosowanie mieszaczy typu H i typowego, podwójnie zrównoważonego. Zaletą mieszacza typu H jest odporność na duże sygnały. IP3 możemy uzyskać ponad 40 dBm, ale prawidłowe zrównoważenie bez przyrządów jest trudne i pracochłonne. Można pójść na żywioł, zmontować i będzie działać jak wyjdzie.
Typowy mieszacz diodowy podwójnie zrównoważony posiada IP3 od 13 dBm do ponad 30 dBm. Zależy to od parametrów zastosowanych diod. Drugą zaletą jest jego podwójne zrównoważenie, a wiec brak w sygnale 2 harmonicznej (została wytłumiona przez mieszacz). Zastąpienie diod kluczami tranzystorowymi poprawia parametry mieszacza. Można uzyskać IP3 mieszacza ok. 35 dBm. Takie rozwiązanie zastosowano w K3 i my zaadaptowaliśmy tę konstrukcję do HUSARA. Jako klucze można zastosować FST3257, CBT3257, SN74CBT3257, ADG774, MAX4674. Jest to ta sama konstrukcja US ale parametrami to one się różnią. Najlepiej aby wybrany przez nas scalak miał najmniejszą oporność po załączeniu, najmniejsze pojemności na wejściu i wyjściu tranzystora kluczującego i możliwie najkrótszy czas załączania i wyłączania tego tranzystora. (ukłon w kierunku Rafała SQ4AVS który zwrócił na to moją uwagę.) Pożądane parametry to oporność 2-6 Om, pojemność 4-10 pF i czasy propagacji 4-20 ns. Praktycznie każdy scalak z wymienionych można zastosować w mieszaczu, za wyjątkiem MAX4674 który ma dużą pojemność wejściową = 30 pF ( do 21MHz będzie ok.). Aby zmniejszyć oporność można zastosować równoległe łączenie kluczy, ale to znowu podwaja pojemności, coś za coś.
W naszym projekcie zastosowaliśmy równoległe połączenie kluczy, co na etapie prób wyeliminowało klucze Analoga i Maxima. Sumaryczna pojemność załączonych kluczy ponad 60 pF zwiększa tłumienie mieszacza o 3 dB na 28 MHz.( gdyby Analoga zastosować w układzie z pojedynczymi tranzystorami będzie OK.) W załączeniu wykres z NWT mieszacza na kluczach Analoga, symulacja układu mieszacza za pomocą RFsima.

Zastosowanie kluczy ma w stosunku do diod ( < 2ns) wadę, klucze są wolniejsze. 20 ns to impuls o częstotliwości ok. 50 MHz, a 4 ns to już 250 MHz. (Takie proste tłumaczenie bez wdawania się w wywody akademickie) A wiec załączające się klucze generują dodatkowo zakłócenia w zakresie ponad 50 MHz. Impulsy te tłumią filtry LPF na wejściu i wyjściu mieszacza składające się z C 4.7pF indukcyjności L 680 nH i części pojemności wejścia/ wyjścia klucza. „Konsumpcja” tej pojemności przez filtr poprawia odpowiedz częstotliwościową mieszacza. W załączeniu wykres z NWT toru mieszacza na FST3257 z filtrem.
İmage

Transformatory do mieszacza można oczywiście kupić fabryczne (koszt ok. 10zł szt.), można też wykonać we własnym zakresie nawijając 8-10 zw. trzema skręconymi drutami w emalii fi 0.25 mm na rdzeniu FT37-43 (koszt 1.5zł szt.). Zestrojenie mieszacza jest proste. Uruchamiamy go w trybie nadawania i na wyjściu mieszacza (bez BPF) podłączamy przez tłumiki odbiornik lub analizator widma. PR-kiem regulujemy poziom tłumienia produktów przemiany z parzystymi wielokrotnościami częstotliwości heterodyny. Dużo na temat tego mieszacza może powiedzieć Rafał SQ4AVS bo wcześniej już się zajmował tym tematem.


Załączone pliki
.pdf  Mieszacz na ADG774.pdf (Rozmiar: 15.7 KB / Pobrań: 2540)
.cct  Mieszacz symulacja.cct (Rozmiar: 32.29 KB / Pobrań: 1913)
.pdf  Mieszacz na FST3257 z LPF.pdf (Rozmiar: 15.53 KB / Pobrań: 2508)
(Ten post był ostatnio modyfikowany: 25-02-2011 10:49 przez SP4HKQ.)
25-02-2011 9:52
Znajdź wszystkie posty użytkownika Odpowiedz cytując ten post
SP4HKQ Offline
Zdzisław SK!
****

Liczba postów: 490
Dołączył: 19-08-2009
Post: #46
RE: Transceiver HMG 2010 "HUSAR"
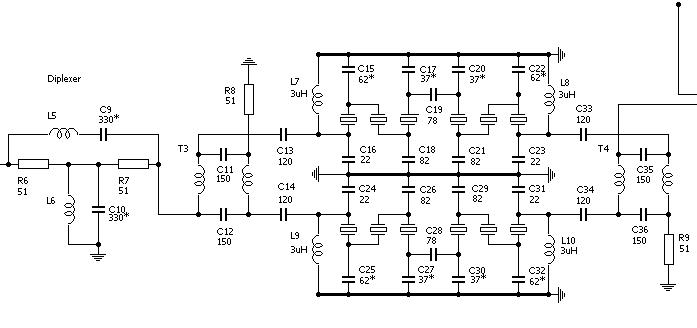
Diplekser
Stopień obciążający wyjście mieszacza opornością 50 Om w szerokim zakresie częstotliwości . Na wyjściu mieszacza oprócz częstotliwości pośredniej, występują także inne częstotliwości będące wynikiem mieszania sygnału heterodyny i jej wielokrotności z sygnałem wejściowym. Brak układu dipleksera powoduje odbicie sygnału od następnego stopnia i jego powrót do mieszacza. Skutkuje to kolejnymi produktami mieszania, oraz spadkiem odporności na duże sygnały, a wiec zmniejszeniem się IP3 odbiornika. Dopasowanie można zrealizować za pomocą: tłumika, szerokopasmowego wzmacniacza, lub właśnie dipleksera. W projekcie HUSAR został zastosowany diplekser, który wnosi minimalne tłumienie skutecznie dopasowując oporność nawet w zakresie do 100 MHz.
İmage

Diplekser składa się z dwóch obwodów rezonansowych L5-C9 i L6-C10. Obwód szeregowy L5-C9 przekazuje sygnał o częstotliwości pośredniej z wejścia na wyjście dipleksera. Natomiast obwód równoległy L6-C10 stanowi trap który zwiera sygnały o częstotliwości innej niż pośrednia do masy przez oporniki 50 Om, jednocześnie dla sygnałów o częstotliwości pośredniej stanowi przerwę.

W załączeniu wyniki pomiarów dipleksera za pomocą NWT.
Dip1 pomiar obwodu L6-C10 zamontowane oporniki 50 Om brak obwodu L5-C9(sonda liniowa).
Dip2 pomiar zmontowanego dipleksera (sonda liniowa).
Dip3 to samo co Dip2 tylko pomiar sondą logarytmiczną.
Plik z wzorami do obliczeń. Symulacja.
Artykuł opisujący wejście odbiornika w którym zastosowano diplekser, pokazanie jego wpływu na parametry odbiornika.


Załączone pliki
.pdf  Dip1.pdf (Rozmiar: 18.11 KB / Pobrań: 2213)
.pdf  Dip2.pdf (Rozmiar: 19.44 KB / Pobrań: 1626)
.pdf  Dip3.pdf (Rozmiar: 15.88 KB / Pobrań: 1706)
.pdf  Wzory.pdf (Rozmiar: 295.99 KB / Pobrań: 1901)
.cct  Diplexer.cct (Rozmiar: 16.95 KB / Pobrań: 1730)
.pdf  HF_Eingangsteil.pdf (Rozmiar: 1.48 MB / Pobrań: 3654)
(Ten post był ostatnio modyfikowany: 02-03-2011 11:35 przez SP4HKQ.)
27-02-2011 20:42
Znajdź wszystkie posty użytkownika Odpowiedz cytując ten post
SP4HKQ Offline
Zdzisław SK!
****

Liczba postów: 490
Dołączył: 19-08-2009
Post: #47
RE: Transceiver HMG 2010 "HUSAR"
Roofing filtr
Kolejny stopień realizujący, wraz diplekserem, prawidłowe obciążenie wyjścia mieszacza opornością 50 Om. Jego nazwa sugeruje, że jest to filtr dachowy – osłaniający. Po raz pierwszy został użyty w odbiorniku Telefunken E1700. Nie należy go mylić z pojedynczym, wąskim filtrem bezpośrednio po mieszaczu w urządzeniach z pierwszą pośrednią powyżej 40 MHz. Działanie roofing filtra polega na eliminacji częstotliwości zbliżonych do częstotliwości pośredniej, ale nie znajdujących się w paśmie przenoszenia filtru kwarcowego i które nie zostały odfiltrowane przez diplekser.

İmage
Sygnał z dipleksera jest rozdzielany przez rozdzielacz fazowy na dwa tory, przesunięte w fazie względem sygnału wejściowego o +45 stopni i -45 stopni ze stratą ok. 3 dB. W obu torach znajdują się jednakowe drabinkowe filtry kwarcowe, dopasowane układem LC do 50 Om. Podstawą prawidłowego działania jest ich jednakowe przesuniecie fazowe. Za filtrami znajduje się sumator fazowy sumujący sygnał z obu torów. Sygnał znajdujący się w kanale filtru w procesie sumowania podnosi się o 3 dB, a sygnały z poza kanału częściowo się znoszą (różne przesunięcia fazowe) lub odkładają na oporności 50 Om sumatora. Roofing filtr prawidłowo pracuje, gdy dla częstotliwości pośredniej jego wyjście jest obciążone opornością 50 Om.
W projekcie HUSAR roofing filtr pełni też rolę filtru zasadniczego, wspomagającego prace homodyny. Okupione to jest wysiłkiem na wybranie „jednakowych” 12 kwarców i zestrojenie filtrów, aby ich charakterystyki pokrywały się (miały jednakowe przesuniecie fazowe).

Wykresy z NWT filtrów drabinkowych roofing filtru, różnice miedzy zielonym a czerwonym pomiarem wynikają z różnic sond.


Załączone pliki
.pdf  Filtr 8.867 jeden kanał.pdf (Rozmiar: 18.36 KB / Pobrań: 2268)
.pdf  Filtry 8.867 dwa kanały.pdf (Rozmiar: 18.2 KB / Pobrań: 1963)
02-03-2011 22:44
Znajdź wszystkie posty użytkownika Odpowiedz cytując ten post
SP9FYS Offline
Zaawansowany użytkownik
****

Liczba postów: 305
Dołączył: 12-12-2009
Post: #48
RE: Transceiver HMG 2010 "HUSAR"
Witam;
mam drobną uwagę co do schematu dipleksera i jego symulacji w RF-Sim.
Wydaje mi się, że wartości elementów L-C w gałęziach nie są optymalne.
Jeżeli skorzystamy z załączonych wzorów, to uzyskamy wartości inne niż użyte w modelu. Nie przeliczałem gałęzi równoległej; ale na oko widać, że gałąź szeregowa powinna mieć inne wartości L-C, założywszy dobroć tego obwodu w zalecanym zakresie Q=1-10
Pozdr.
05-03-2011 14:28
Znajdź wszystkie posty użytkownika Odpowiedz cytując ten post
SP4HKQ Offline
Zdzisław SK!
****

Liczba postów: 490
Dołączył: 19-08-2009
Post: #49
RE: Transceiver HMG 2010 "HUSAR"
Witam.
Z wzorków wychodzi przy Q=1, L=0.9uH, a C=360pF wiec różnica żadna. Jesli w RF Sim dla konkretnych wartości wykres kołowy wychodzi w postaci punktu tz. że są one prawidłowe. Zakładamy Q=1 bo po diplekserze stoi wąskopasmowy roofing.
05-03-2011 15:34
Znajdź wszystkie posty użytkownika Odpowiedz cytując ten post
SP2JQR Offline
Henryk
*****

Liczba postów: 1,528
Dołączył: 23-08-2009
Post: #50
RE: Transceiver HMG 2010 "HUSAR"
Pomijając szczegóły obliczeniowe, pragnę dodać od siebie kilka uwag odnośnie wykonania, uruchamiania i pomiarów układów diplekserów opartych o rezonansowy rozdział częstotliwości oraz rozdział w układzie mostkowym hybrydowo - filtrowym.

Układy diplekserów rezonansowych nie potrafią zrobić dobrego dopasowania w wąskim paśmie w zakresie kilku kiloherców w okolicy pasma przenoszenia filtrów kwarcowych. Aby tego dokonać dobroć użytych cewek musiałaby być zbliżona do dobroci kwarców i wynosić kilka tysięcy. Dlatego działanie diplekserów tego typu zrealizowanych na realnie możliwych do uzyskania obwodach zaczyna się dopiero od około 1 MHz do 1,5MHz. Takie układy służą do dopasowania odległych produktów mieszania, aby mieszacz nie przesterowywał się bardzo silnymi sygnałami z poza pasma odbieranego zarówno od nadajników amatorskich z innych pasm, ale przede wszystkim od nadajników radiofonicznych o mocach rzędu megawatów.
Niewielkie różnice w wartościach elementów w takim przypadku nie będą miały istotnego znaczącego wpływu na działanie tych układów. Z tego powodu układ można śmiało wykonać z wcześniej sprawdzonych sprawnych elementów. Tolerancja 10% w tym przypadku będzie zupełnie wystarczająca. Zauważmy, że realna dobroć cewek na pierścieniach zawiera się w granicach 120 - 180 co w przeliczeniu na 3 decybelową szerokość pasma daje od 50kHz do 75kHz szerokości pasma.
Nasz filtr w diplekserze musi tłumić znacznie więcej, co najmniej 20dB, z tąd rzeczywista realna szerokość pasma jego działania zaczyna się dopiero od około 1MHz.
Śmiało więc koledzy róbcie tę część układu bez sztucznych komplikacji i problemów. Po zrobieniu warto sprawdzić działanie tej części schematu za pomocą analizatorów NWT dowolnej maści.
Należy wykonać pomiar pasma przenoszenia oraz pomiar dopasowania stosując mostek odbiciowy. Badany diplekser należy obciążyć rezystorem 50 omów przy pomiarze dopasowania. Przy pomiarze pasma obciążeniem będzie sonda pomiarowa, która powinna (!!!) meć dokładnie 50 omów.

Taki rezonansowy układ dipleksera nie jest wystarczający do zapewnienia dobrego obciążenia mieszacza dla częstotliwości będących w pobliżu pasma przenoszenia filtru kwarcowego. Filtr kwarcowy ma pasmo około 3kHz i tylko dla tego wąskiego pasma ma dobre dopasowanie ( zakładam, że jest dobrze zrobiony). Już na granicy pasma przenoszenia nasępuje skok impedancji i praktycvznie całkowite odbicie produktów mieszania dla częstotliwości z poza pasma przenoszenia filtru kwarcowego, a więc w szczególnie wrażliwym miejscu dla odbiornika, a mianowicie na sąsiednim kanale odbiorczym, z tąd też klasyczne odbiorniki mają bardzo duże problemy z selekcją sygnałów sąsiedniokanałowych, pomimo stosowania dobrych filtrów kwarcowych.
Jest kilka sposobów poradzenia sobie z tymi problemami. Najprostszym jest zastosowanie szerokopasmowego wzmacniacza obciążającego mieszacz. Dobre rezultaty w prosty sposób uzyskuje się na tranzystorach typu bMOSFET i FET np. BF981, J310, 2SK125, KP903 i podobnych.
Warunkiem dobrego działania takiego wzmacniacza jest jego dobre dopasowanie w zakresie częstotliwości odbieranych oraz lustrzanych. Czyli dla naszych standardowych częstotliwości p.cz. daje to co najmniej 70 MHz - w tak szerokim zakresie musi być zapewnione prawidłowe obciążenie mieszacza.
Aby polepszyć parametry wzmacniaczy obciążających mieszacz stosuje się ostatnio równoległe łączenie wielu tranzystorów. O zaletach takich rozwiązań już pisałem w swoich postach ( w temacie o SP5W). Takie rozwiązanie zastosowano też w CDG2000. Stosuje się przy tej okazji sprzężenia zwrotne, które mają za zadanie ustawić dopasowanie tak aby znalazło się w optymalnym dla szumów zakresie. Sprzężenie też podwyższa odporność wzmacniacza na przesterowanien i intermodulację.

Ci którzy wykonali takie wzmacniacze i pomierzyli je za pomocą NWT przekonali się, że szerokopasmowe dokładne dopasowanie nie do końca jest możliwe do uzyskania, ponieważ taki wzmacniacz nie ma idealnej separacji wejścia od wyjścia.
Jeśli dopasujemy dobrze w szerokim paśmie, to w paśmie filtru będzie trochę gorzej, jeśli dopasujemy w paśmie przenoszenia filtru kwarcowego ( tak ja robiłem) to poza pasmem też było prawie dobrze ale SWR wynosił już około 1,5 do 2,0. W urządzenioach średniej klasy jest to bardzo dobry wynik i można na tym poprzestać. W CDG 2000 za wzmacniacvzem szerokopasmowym aby polepszyć te parametry zastosowano dodatkowo niewielki tłumik. Nie jest to jeszcze jednak całkowicie wystarczające w urządzeniu najwyższej klasy.
Specjaliści od profesjonalnej aparatury odbiorczej już bardzo dawno temu znaleźli lepsze rozwiązanie.
Rozwiązania takie już od kilkudziesięciu lat są stosowane w profesjonalnych centrach nadawczych UKF i TV do sumowania mocy nadajników, aby mogły pracować na wspólną antenę.
Urządzenia sumujące moc nadajników UKF noszą nazwę Radiowych Zwrotnic Mostkowych ( w skrócie RZM), a urządzenia sumujące moc wizji i moc nadajnika fonii w nadajniku telewizyjnym po prostu nazywa się diplekserem ( nie mylić z wcześniej opisanym diplekserem rezonansowym).
Działanie zwrotnic mostkowych stosowanych w radiofonii UKF i TV jest identyczne jak naszego układu z dwoma filtrami kwarcowymi. Zasadnicz różnica polega na zastosowaniu na zakresie UKF w układzie mostka typowych sprzęgaczy kierunkowych z ćwierćfalowymi liniami długimi. Na zakresach fal krótkich sprzęgacze są możliwe do zrobienia, ale miałyby zbyt duże wymiary. Z tego powodu wykonuje się specjalne hybrydyn z zastosowaniem elementów o parametrach skupionych, czyli kondensatorów, cewek i transformatorów wykonanych jako linie długie ze sprzężeniem 1:1.
Typowy ćwierćfalowy sprzęgacz kierunkowy ma cztery wrota (wejścia i wyjścia razem wzięte). Do jednego z wejść doprowadzamy sygnał. Ten sygnał jeśli obciążymy pozostałe wyjścia rezystorami 50 omów pojawi się tylko na dwóch wyjściach, a na jednym z nich nie. W realnej rzeczywistości na tym jednym wyjścu będzie tłumiony o około 30 -40dB.
Ponieważ linia sprzęgacza ma długość ćwierć fali to na jednym z wyjść przesunięcie fazy wynosi zero, a na drugim 90 stopni.
Nasz doprowadzony do wejścia sygnał, będzie miał równo podzieloną na dwa moc, czyli sygnał na każdym wyjściu będzie mniejszy od wejściowego o 3dB. May więc układ, który idealnie równo dzieli moc na dwie połowy dając jednocześnie między sygnałami wyjściowymi przesunięcie fazy 90 stopni.
Układ jest na tyle ciekawy, że każde niedopasowanie wyjść powoduje, że moc jest przenoszona na to trzecie wyjście, na którym w normalnym stanie pracy nie powinna się wydzielić żadna moc. Tak więc od strony wejścia nasze źródło sygnału jest zawsze idealnie dopasowane. Jeśli obciążenie nie jest prawidłowe to moc wydzieli się na rezystorze obciążającvym nasze niewykorzystane wyjście. Jeśli np. jedno z obciążeń dostanie całkowitego zwarcia lub przerwy, to moc dostarczana podzieli się równo po połowie, tym razem między dodatkowym rezystorem a pracującym prawidłowo wyjściem. Jeśli takiego sprzęgacza użyjemy do sterowania wzmacniacza mocy a potem do zsumowania wzmocnionej mocy to na wyjściu takiego układu pojawi się tylko ćwierć mocy wyjściowej (chyba wiadomo dlaczego w tym przypadku...)
To jeszcze jedno ciekawe zastosowanie sprzęgacza - dzięki niemu unikamy lawinowych uszkodzeń we wzmacniaczach mocy na wielu tranzystorach.
Nasz hybryd zastosowany przed filtrami kwarcowymi ma identyczne działanie. Zasadnicza różnica to symetryczne przesunięcie fazy z różnicą +45 stopni i -45 stopni. Różnica przesunięcia fazy między wyjściami jest jednak dokładnie ta sama i wynosi również 90 stopni.

Moc z mieszacza jest podana na wejście. Na filtrach kwarcowych dostajemy dwa sygnały przesunięte w fazie względem siebie o 90 stopni, a moc odbita jeśli się pojawia to wydziela się na rezystorze 50 omów. W ten sposób źródło sygnału widzi zawsze idealne obciążenie i problem niedopasowania mieszacza poza pasmem przenoszenia filtru kwarcowego został w chytry sposób rozwiązany
Tyle na teraz, cdn.
06-03-2011 13:36
Znajdź wszystkie posty użytkownika Odpowiedz cytując ten post
Odpowiedz 


Skocz do:


Użytkownicy przeglądający ten wątek: 5 gości