Odpowiedz 
 
Ocena wątku:
  • 15 Głosów - 4.07 Średnio
  • 1
  • 2
  • 3
  • 4
  • 5
Piligrim
SQ4AVS Offline
Rafał
*****

Liczba postów: 1,421
Dołączył: 29-01-2010
Post: #241
RE: Piligrim
Przeróbka dobra co widać na rysunkach 1 i 2 (1 do 1MHz , 2 od 1 do 30MHz) swr lepiej już znacznie. Rysunek 3 z opornikiem 300 om ze środka podanego zakresu przez Henryka 300 om zmiana niewielka. Ciągle jednak gorzej niż trafo o dobrej przekładni (tak jak pokazałem wcześniej). To wszystko potwierdza, że trafo nie może mieć przekładni 1 do 4. Na m.cz. oczywiście nie dopasowane. Układ ma większe tłumienie wstęgi bocznej gdy trafo jest idealnie symetryczne przez co układ podnoszący impedancję (oryginalnie stosowany) ma przewagę nad modyfikacją pokazaną przez Romana. Ten rezonans to wynika z indukcyjności pasożytniczej kondesatora i może być w różnych miejscach. Ja u siebie pracuję nad odbiornikiem z próbkowaniem przez pół okresu i dopasowaniem w całym zakresie łacznie z m.cz. (tego nie ma piligrim), odbiornik działa nnawet bardzo ładnie na moich ulubionych opa1632, rl poniżej 30dB w całym zakresie od dc do 30MHz. Ja do tego doszedłem, że przekładnia jest źle dobrana po pomiarach, wyliczenia były drugie i tylko to potwierdziły. Korzystajmy z symulacji bo to naprawdę potężna narzędzie i jest szybsze niż lutowanie szczególnie gdy korzysta się z optymalizerów.
Na rysunku 4 opornik poprzeczny 300 0m i zmiana 33 na 39 om. Jest lepiej na m.cz. oczywiście nadal nie dopasowane (wada sposobu włączenia wzmacniaczy operacyjnych). Wedłóg mnie z trafem podnoszącym i tak będzie lepiej ze względu na symetrię układu ale oczywiście nie z przekładnią 1 do 4.
Na osi x skala w hercach zapis 1e6 oznacza więc 1MHz a na y w dB.


Załączone pliki Miniatury
İmage İmage İmage İmage
(Ten post był ostatnio modyfikowany: 29-12-2010 15:27 przez SQ4AVS.)
29-12-2010 13:07
Odwiedź stronę użytkownika Znajdź wszystkie posty użytkownika Odpowiedz cytując ten post
SP2JQR Offline
Henryk
*****

Liczba postów: 1,528
Dołączył: 23-08-2009
Post: #242
RE: Piligrim
Do wyników pomiarów trzeba jeszcze dołożyć pomiary prążków.
W sprzęgaczu Wilkinsona wartość rezystora jest równa podwójnej impedancji przyłączonych linii. Podałem przedział, bo nie wiem jaka tak naprawdę jest ta impedancja. Jeśli jest to 100 omów to rezystor powinien wynosić 200 jeśli 200 to 400 omów. W normalnym stanie pracy rezystor ten nie jest widoczny. Korzystają z niego poszczególne niedopasowane obciążenia w rozgałęzionym układzie.
Chciałbym ujrzeć pomiary prążków z rezystorem i bez, może ktoś to zrobi?
29-12-2010 17:11
Znajdź wszystkie posty użytkownika Odpowiedz cytując ten post
RTVKRIS Offline
Nowicjusz
*

Liczba postów: 20
Dołączył: 30-09-2010
Post: #243
RE: Piligrim
ja w swoim piligrimie założyłem trafko 1:4 wg projektu z rosyjskiej strony forum i radio chodzi jak pisalem wczesniej rewelka,,oczywiscie nie mowie tu teraz o pomiarach tylko o uszach hi,,ale sprobuje wziac to pod uwage co napisal wczesniej kolega Rafał
pozdrawiam
(Ten post był ostatnio modyfikowany: 29-12-2010 21:28 przez RTVKRIS.)
29-12-2010 21:27
Znajdź wszystkie posty użytkownika Odpowiedz cytując ten post
HM_DIPOL Offline
Heniek
***

Liczba postów: 172
Dołączył: 27-04-2010
Post: #244
RE: Piligrim
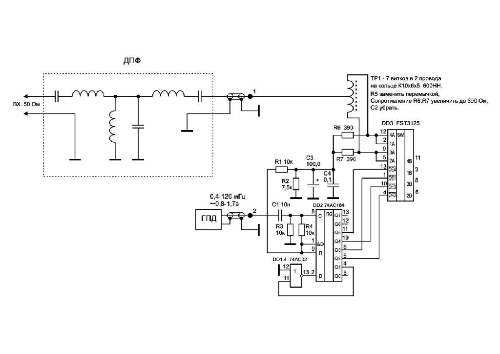
Rafał, jeśli dobrze to zrozumiałem Twoje symulacje dotyczą pierwszej wersji wejścia Piligrima z dwoma rezystorami 220 om bez trafa. W wersji w trafem nie ma tych rezystorów, jest trafo i jeden szeregowy rezystor. Możesz zrobić symulację dla takiej konfiguracji wejścia (schemat z postu kol. Romana) i sprawdzić swr.

Była też wersja pośrednia z trafem i symetrycznymi rezystorami 390 om.


Załączone pliki Miniatury
İmage
(Ten post był ostatnio modyfikowany: 29-12-2010 23:28 przez HM_DIPOL.)
29-12-2010 22:59
Znajdź wszystkie posty użytkownika Odpowiedz cytując ten post
SQ4AVS Offline
Rafał
*****

Liczba postów: 1,421
Dołączył: 29-01-2010
Post: #245
RE: Piligrim
Henryku wersja przerobiona pokazana przez Romana to post 247 i rysunki 1,2. Według mnie jest lepiej z odpowiednim trafem (lepsza symetria układu, nie ma błędu fazy wnoszonego przez uzwojenia przeciwsobne transformatora i to jest post 244 rysunek 4, z oryginalnym trafem rysunek 2 Było na poprzeniej stronie. Wersja z trafem lepiej jest też moim zdaniem dopasowana. Wersja z opornikami 200- 220 om zawsze musiała mieć trafo tylko była źle jego przekładnia policzona. Ja podałem dla dobrej przekładni. Potwierdzaja to podana przeróbka. Według mnie nie było wersji bez trafa, znana mi jest wersja bez trafa na schemacie ale w opisie była o nim informacja.
(Ten post był ostatnio modyfikowany: 29-12-2010 23:28 przez SQ4AVS.)
29-12-2010 23:15
Odwiedź stronę użytkownika Znajdź wszystkie posty użytkownika Odpowiedz cytując ten post
SP9FKP Offline
Piotr
*****

Liczba postów: 1,287
Dołączył: 28-06-2009
Post: #246
RE: Piligrim
Trochę się zamieszało pojęciowo. O dopasowaniu możemy mówić w przypadku klasycznego mieszacza, gdy sygnał z wrót wejściowych przemnożony przez sygnał heterodyny zawsze trafia do wrót wyjściowych a więc w całości powinien zostać pochłonięty w obciążeniu wyjścia. Każde niedopasowanie powoduje, że resztka niepochłoniętej energii podlega wtórnemu przekształceniu i generuje kolejne kombinacje. W przypadku detektora próbkującego możemy mówić o impedancji "widzianej" od strony wejścia i "pożądanej" od strony wyjścia. Dokument patentowy dość dobrze to wyjaśnia. Sygnał heterodyny teoretycznie nie wymaga żadnego dopasowania. Ponieważ impedancja "widziana" od strony wejścia zmienia się w bardzo szerokich granicach na częstotliwości pracy (charakterystyka dzwonowa) to nie można mówić o "impedancji charakterystycznej".
Rozdzielacz Wilkinsona ma zero przesunięcia fazowego miedzy wrotami, dlatego praktycznie zawsze dobrze służy do rozdziału/sumowania sygnałów. Główna idea zastosowania go między detektorami I/Q w dwutaktowym układzie polega na zablokowaniu przepływu prądów wyrównujących w momencie gdy oba kanały są jednocześnie załączone oraz korzystnego wpływu indukcyjności własnej na ograniczenie "udarów" prądowych w momencie załączania kluczy.
30-12-2010 0:15
Znajdź wszystkie posty użytkownika Odpowiedz cytując ten post
SQ4AVS Offline
Rafał
*****

Liczba postów: 1,421
Dołączył: 29-01-2010
Post: #247
RE: Piligrim
Oczywiście masz racje Piotrze cały czas mówiłem o impedancji jako powinien widzieć układ od strony wejścia (wyjścia). Zastosowałem skrót myślowy ale chyba dla wielu osób bardziej zrozumiały. Czy rezystancja widziana od strony m.cz. i w.cz. ma wpływ według mnie ma ale ciekawy jestem Twego zdania (podesłałem Ci tekst na priva po angielsku, nie chciałem zaśmiecać nim forum). Heterodyną się nie zajmujemy to jasne. Co do dzielnika mocy wydaję mi się, że każdy tego typu układ nie jest elementem idealnym i wprowadza choćby błąd amplitudy i fazy a tym samym psuję symetrię układu (rozrównoważa go).
(Ten post był ostatnio modyfikowany: 30-12-2010 1:50 przez SQ4AVS.)
30-12-2010 1:43
Odwiedź stronę użytkownika Znajdź wszystkie posty użytkownika Odpowiedz cytując ten post
HM_DIPOL Offline
Heniek
***

Liczba postów: 172
Dołączył: 27-04-2010
Post: #248
RE: Piligrim
Po długiej dyskusji przydałyby się konkretne wnioski dla budujących to urządzenie.
Jak Waszym zdaniem powinno być wykonane optymalne wejście Piligrima (schemat) ?
30-12-2010 10:16
Znajdź wszystkie posty użytkownika Odpowiedz cytując ten post
SP2JQR Offline
Henryk
*****

Liczba postów: 1,528
Dołączył: 23-08-2009
Post: #249
RE: Piligrim
Cześć
Przyglądając się ostatnim postom tego wątku, mam wrażenie, że dyskusja, mówiąc językiem mikroprocesorowców idzie w krzaki.
Muszę w tym momencie tupnąć nogą!!!

Problem dokładnego dopasowania wejścia jest moim zdaniem mało istotny dla przeciętnego budowniczego Piligima. Co się zmieni, po wykonaniu tych przeróbek? Czułość wzrośnie o 0,05uV? Prążki pasożytnicze spadną o 3dB? Kto to pomierzył i może się konkretnie wypowiedzieć? Przecież przeciętny budowniczy nawet tego nie zauważy, tym bardziej, że nie będzie miał tego czym pomierzyć.

Nadal, gdy minie pierwszy zachwyt wspaniałym audio z odbiornika tego radia będzie miał kompletnie zniekształcony i przesterowany odbiór lokalnej stacji z tego samego osiedla, nadal odczuje brak czułości w paśmie 28MHz. To będą bardzo zauważalne braki widoczne bez żadnych przyrządów pomiarowych.
W układzie ARW tego TRXa brakuje co najmniej 40dB zakresu regulacji, co ogranicza dynamikę odbioru od góry i uniemożliwia prawidłowe wskazania S-metra. Jednocześnie od dołu dynamikę ogranicza zbyt mała czułość tego radia.
To są główne grube niedoróbki tego radia widoczne okomierzem (na S-metrze, któtrego nie można prawidłowo wykalibrować już dla poziomu S-9+30dB, nie wspominając o większych poziomach) i uchometrem przeciętnego budowniczego. Bez dodatkowego wzmacniacza W.cz. również wskazanie S-metra S-1 i S-2 nic nie jest warte.
Proponowany już wcześniej dodatkowy wzmacniacz w.cz. na płytce filtrów moim skromnym zdaniem nie rozwiązuje dobrze tego problemu.

Proponuję skupić się nad konstrukcją prawdziwego wzmacniacza w.cz. rozwiązującego problem dynamiki zarówno od dołu jak i od góry. Wzmacniacz ten powinno się tak zaprojektować, aby przy zachowaniu wysokiej dynamiki był objęty jednocześnie pętlą ARW dającą brakujący zakres regulacji około 40dB. Jednocześnie powinna istnieć dodatkowa szerokopasmowa pętla ARW, bardzo szybka, która wypełniałaby dwie dodatkowe funkcje: regulacja szerokopasmowa w przypadku gdy na sąsiednich kanałach pracuje lokalna stacja oraz wycinanie krótkich impulsów zakłócających.

To są prawdziwe zadania dla prawdziwych konstruktorów. Prawdopodobnie nie znajdziecie takiego wzmacniacza w internecie. Trzeba go wymyśleć.
Prace naukowe co misie take jak ja lubią najbardziej, zostawmy na koniec, na deser gdy już będzie postawione i, ale jeszcze bez kropki. Nie dyskutujmy nad kropką, gdy nie ma litery!!!

Pozdrawiam Noworocznie wszystkich zajadłych budowniczych Piligrima jak też naukowców...
30-12-2010 11:24
Znajdź wszystkie posty użytkownika Odpowiedz cytując ten post
SP9FKP Offline
Piotr
*****

Liczba postów: 1,287
Dołączył: 28-06-2009
Post: #250
RE: Piligrim
Aby dłużej nie wystawiać na próbę cierpliwości obu Henryków i zakończyć teoretyczne dywagacje, przeczytałem ponownie (bagatela - kilkaset postów) dyskusję na Krasnodarze i jej efekt w postaci artykułu wyjasniającego fizyczne zależności pracy mieszacza synchronicznego i podajacego gotowe recepty na poprawienie parametrów wejściowych homodyn.
30-12-2010 15:08
Znajdź wszystkie posty użytkownika Odpowiedz cytując ten post
Odpowiedz 


Skocz do:


Użytkownicy przeglądający ten wątek: 4 gości