Odpowiedz 
 
Ocena wątku:
  • 1 Głosów - 4 Średnio
  • 1
  • 2
  • 3
  • 4
  • 5
Transceiver lampowy CW wg. G3PNI
SP5RF Offline
Robert
****

Liczba postów: 343
Dołączył: 13-03-2010
Post: #11
RE: Transceiver lampowy CW wg. G3PNI
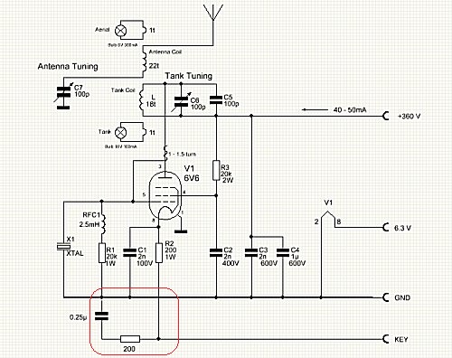
Znalazłem taką modyfikację nadajnika Paraset kształtującą front i zakończenie znaku. (rys.)

Dziękuję, wiem już o wiele więcej.

73!


Załączone pliki Miniatury
İmage

Shy SP5RF
30-10-2010 16:29
Znajdź wszystkie posty użytkownika Odpowiedz cytując ten post
SP2JQR Offline
Henryk
*****

Liczba postów: 1,528
Dołączył: 23-08-2009
Post: #12
RE: Transceiver lampowy CW wg. G3PNI
Cześć
Kiedyś dopasowywałem wysoko-omowe obciążenie do mieszacza diodowego pierścieniowego i okazało się, że najlepsze i najprostsze dopasowanie robi się za pomocą filtru PI. Niestety wartości elementów już nie pamiętam - jedynie to, że od strony mosfeta miałem trymer.
W CDG-2000 zastosowali jeszcze od strony mieszacza tłumik, aby dodatkowo plolepszyć dopasowanie (tam nie ma tak wysokich omów)
Moim zdaniem taki dwudiodowy mieszacz będzie działał w tym układzie bardzo dobrze i nie jestem przekonany, że będzie widać wyraźną różnicę, ale trzeba wypróbować, aby się o tym przekonać
pzdr
30-10-2010 18:51
Znajdź wszystkie posty użytkownika Odpowiedz cytując ten post
SP9FKP Offline
Piotr
*****

Liczba postów: 1,287
Dołączył: 28-06-2009
Post: #13
RE: Transceiver lampowy CW wg. G3PNI
Widzisz, wspaniałości elektroniki podobnie jak w poezji (jadę po bandzie) polegają na
niedopowiedzeniach (nie mogę uwierzyć, że to napisałem).
Każdy, kto choć raz własnoręcznie zbudował choćby najprostszy układ wie o czym piszę dlatego buduj, sprawdzaj, radź się i weryfikuj !
(Ten post był ostatnio modyfikowany: 30-10-2010 23:15 przez SP9FKP.)
30-10-2010 23:06
Znajdź wszystkie posty użytkownika Odpowiedz cytując ten post
SP5RF Offline
Robert
****

Liczba postów: 343
Dołączył: 13-03-2010
Post: #14
RE: Transceiver lampowy CW wg. G3PNI
Uruchomiłem generator. Lampy o jednak lampy. Piękny sygnał, stabilny. Nim zrobię płytkę drukowaną muszę dobrać elementy. To znaczy _konkretne_ kondensatory, cewkę, oporniki, lampę.

Pół zwoju w te i mam 3,682 - 3,7912 pół zwoju w tamtą i mam 3,5534 - 3,689. Uffffff... Zależy mi na to żeby w zakresie kondensatora było 3,500 - 3,700 Uniknę skali - będzie prościej Smile


Załączone pliki Miniatury
İmage

Shy SP5RF
02-11-2010 2:35
Znajdź wszystkie posty użytkownika Odpowiedz cytując ten post
SQ9RZI Offline
Zaawansowany użytkownik
****

Liczba postów: 403
Dołączył: 19-03-2010
Post: #15
RE: Transceiver lampowy CW wg. G3PNI
Hmm... W temacie poświęconym homodynie SP5QU zamieściłeś zdjęcia dwóch płytek, na których kiedyś zmontowałeś egzemplarze G3PNI. Dysponujesz może jakimiś projektami tego PCB?
18-12-2010 21:49
Znajdź wszystkie posty użytkownika Odpowiedz cytując ten post
SP5RF Offline
Robert
****

Liczba postów: 343
Dołączył: 13-03-2010
Post: #16
RE: Transceiver lampowy CW wg. G3PNI
Nie, one są elementarnie proste i tam jest dosłownie kilka elementów. Teraz myślę że lepiej ten akurat projekt zrobić bez płytki.....

Ale mogę zrobić dokładniejsze zdjęcia..

Pozdr!
F.

Shy SP5RF
18-12-2010 21:58
Znajdź wszystkie posty użytkownika Odpowiedz cytując ten post
SQ9RZI Offline
Zaawansowany użytkownik
****

Liczba postów: 403
Dołączył: 19-03-2010
Post: #17
RE: Transceiver lampowy CW wg. G3PNI
Byłbym wdzięczny, szczególnie za jakieś pokazujące płytkę pd strony ścieżek. Wink
19-12-2010 16:34
Znajdź wszystkie posty użytkownika Odpowiedz cytując ten post
SP5RF Offline
Robert
****

Liczba postów: 343
Dołączył: 13-03-2010
Post: #18
RE: Transceiver lampowy CW wg. G3PNI
Proszę Smile


Załączone pliki Miniatury
İmage İmage

Shy SP5RF
21-12-2010 21:38
Znajdź wszystkie posty użytkownika Odpowiedz cytując ten post
SQ9RFC Offline
Jerzy
*****

Liczba postów: 1,193
Dołączył: 02-07-2010
Post: #19
RE: Transceiver lampowy CW wg. G3PNI
A nie lepiej robić te lampiaki tak jak się je robiło w tamtych czasach - czyli normalnie na pająka. Kawałek blachy w kształcie C - kila dziur na lampy, cewki i zmienne kondensatory, a reszta od spodu. Kilka razy szybciej niż babranie się w płytki.
22-12-2010 1:24
Znajdź wszystkie posty użytkownika Odpowiedz cytując ten post
SP5RF Offline
Robert
****

Liczba postów: 343
Dołączył: 13-03-2010
Post: #20
RE: Transceiver lampowy CW wg. G3PNI
No lepiej, ja tak zwykle robię. Teraz dla przykładu robię Paraseta, którym się pewnie niebawem pochwalę. Akurat tę płytkę zrobiłem dawno już.

Z tym, że jeśli robisz jakiś moduł , na przykład filtr CW to czasem wygodniej jest go zrobić na osobnej "mini płytce" i później wpiąć celem sprawdzenia, nawet do pająka...

Mam teraz taki pomysł - robienia modułów i montowania ich pomiędzy kątownikami....
Pozdrawiam!

Shy SP5RF
22-12-2010 20:09
Znajdź wszystkie posty użytkownika Odpowiedz cytując ten post
Odpowiedz 


Skocz do:


Użytkownicy przeglądający ten wątek: 1 gości