|
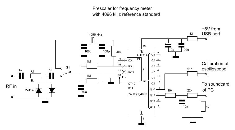
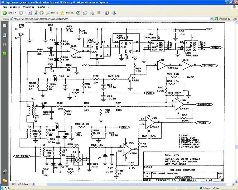
Automatyczna skrzynka - klon SG-230
|
SO5WI
Nowicjusz ![]() Liczba postów: 12 Dołączył: 22-05-2014 |
|
||
| 22-10-2023 21:51 |
|
SP6LUN
Andrzej ![]() ![]() ![]() ![]() Liczba postów: 259 Dołączył: 01-09-2014 |
|
||
| 23-10-2023 14:01 |
|
SO5WI
Nowicjusz ![]() Liczba postów: 12 Dołączył: 22-05-2014 |
|
||
| 24-10-2023 10:51 |
|
SP6LUN
Andrzej ![]() ![]() ![]() ![]() Liczba postów: 259 Dołączył: 01-09-2014 |
|
||
| 24-10-2023 13:05 |
|
SO5WI
Nowicjusz ![]() Liczba postów: 12 Dołączył: 22-05-2014 |
|
||
| 24-10-2023 14:59 |
|
SQ5KVS
Karol ![]() ![]() ![]() ![]() ![]() Liczba postów: 1,013 Dołączył: 26-09-2012 |
|
||
| 24-10-2023 15:24 |
|
SP9FKP
Piotr ![]() ![]() ![]() ![]() ![]() Liczba postów: 1,287 Dołączył: 28-06-2009 |
|
||
| 24-10-2023 15:37 |
|
SQ5KVS
Karol ![]() ![]() ![]() ![]() ![]() Liczba postów: 1,013 Dołączył: 26-09-2012 |
|
||
| 24-10-2023 16:42 |
|
SO5WI
Nowicjusz ![]() Liczba postów: 12 Dołączył: 22-05-2014 |
|
||
| 24-10-2023 19:03 |
|
SP3SWJ
Jarek ![]() ![]() ![]() ![]() Liczba postów: 657 Dołączył: 20-03-2010 |
|
||
| 18-01-2025 20:14 |
|
|
« Starszy wątek | Nowszy wątek »
|
Użytkownicy przeglądający ten wątek: 1 gości





