Odpowiedz 
 
Ocena wątku:
  • 23 Głosów - 4.26 Średnio
  • 1
  • 2
  • 3
  • 4
  • 5
HUSAREK DSP
SP5BMP Offline
Janusz
****

Liczba postów: 606
Dołączył: 02-11-2010
Post: #1461
RE: HUSAREK DSP
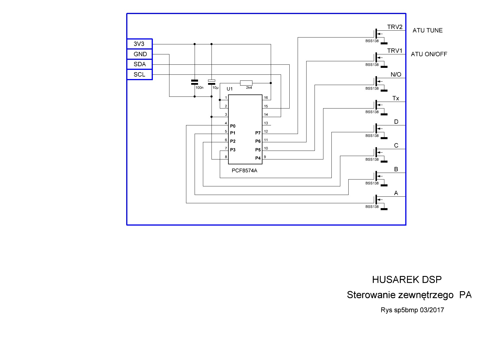
Jak napisałem w poście 1458 istnieje możliwość prostego sterowania skrzynką antenową N7DCC. W tym celu wykorzystujemy moduł z PCF8574A, który może sterować transwertery, zewnętrzne PA, jak i skrzynkę antenową. Wykorzystane są dwa sygnały TUNE i ON/OFF. Sygnał TUNE doprowadzamy do przycisku TUNE w ATU. Sygnałem ON/OFF sterujemy zasilanie tunera. Po wyłączeniu przechodzi ona w tryb BYPASS. Z tunera wyprowadzamy sygnał Tx i wprowadzamy go na zamontowany dodatkowy tranzystor T2 w płytce adaptera (uwidoczniony na schemacie adaptera). Tranzystor ten po otrzymaniu sygnały z ATU przełącza Husarka na nadawanie , zmniejsza moc do wartości ustawionej w setupie za pomocą TX/Vtun i utrzymuje ten stan do czasu kiedy skrzynka zestroi i wyłączy sygnał Tx (RA7). Strojenie uruchamiamy ręcznie za pomocą przycisku TUNE w Husarku, jak i może ono zostać uruchomione przez skrzynkę po przekroczeniu zadanego progu WFS. Ze skrzynki możemy pobrać sygnał z mostka pomiarowego WFS i wprowadzić go do wyświetlania przez Husarka. Sygnał ten należy doprowadzić poprzez dzielnik. Max. Napięcie dopuszczalne to 3,3V. Przetworniki w skrzynce pracują przy napięciu do 5V.


Załączone pliki Miniatury
İmage İmage

.lay6  sterowanie PA 1,0.lay6 (Rozmiar: 39.41 KB / Pobrań: 691)
(Ten post był ostatnio modyfikowany: 09-05-2020 20:29 przez SP5BMP.)
26-03-2020 10:03
Znajdź wszystkie posty użytkownika Odpowiedz cytując ten post
SP8GPQ Offline
Tadek
****

Liczba postów: 353
Dołączył: 26-01-2013
Post: #1462
RE: HUSAREK DSP
Dziękuję za szybką odpowiedź Janusz.
26-03-2020 10:17
Znajdź wszystkie posty użytkownika Odpowiedz cytując ten post
SP4LVC Offline
Bogdan sk
*****

Liczba postów: 761
Dołączył: 10-07-2009
Post: #1463
RE: HUSAREK DSP
Januszu, czy płytka adaptera v.8 była gdzieś w produkcji, aby można było kupić, czy prasujemy sami? Chyba żeby do wersji v. 5 płytki scalaka operacyjnego jakoś ,,na piechotę" dolutować.

Bogdan
(Ten post był ostatnio modyfikowany: 26-03-2020 22:50 przez SP4LVC.)
26-03-2020 22:13
Znajdź wszystkie posty użytkownika Odpowiedz cytując ten post
SQ2RH Offline
Początkujący
**

Liczba postów: 77
Dołączył: 03-05-2010
Post: #1464
RE: HUSAREK DSP
Witam,
To ja od razu proponuję dodać do płytki Adaptera v8 gniazda i zasilanie dla modułu CAT, zerbrać zamówienie od ludzi i pościć do produkcji.
Po co potem kombinować i dolutowywać jakieś kabelki dla modułu CAT, niech to będzie od razu w pakiecie.
26-03-2020 22:45
Odwiedź stronę użytkownika Znajdź wszystkie posty użytkownika Odpowiedz cytując ten post
SP5BMP Offline
Janusz
****

Liczba postów: 606
Dołączył: 02-11-2010
Post: #1465
RE: HUSAREK DSP
Witam kolegów,
Bogdanie, wzmacniacz operacyjny na płytce adaptera nie jest niezbędny. Służy on wraz z diodami do zabezpieczenia wejścia procesora na Discovery. Tranzystor oznaczony jako T2 można dobudować do poprzedniej wersji adaptera. Może być tak jak na zamieszczonym wyżej schemacie, lub można zastosować tranzystor DTC aby doprowadzić sygnał z ATU do wejścia A3. Zamieszczona dokładnie ta wersja adaptera nie była jeszcze zlecana do produkcji. Poprzednia wersja miała już separujące wzmacniacze. Tu na Forum zostanie opublikowany LAY V8, aby koledzy mogli go wykorzystać i powielać. Romku musisz sprecyzować swoją propozycję. Na płytce adaptera jest ADUM w celu separacji wyjścia do TRXa. Interfejs z FT232 może być zamocowany na kablu. Jest on niewielkich rozmiarów. Transceiver wtedy nie ma galwanicznego połączenia z komputerem.
27-03-2020 10:43
Znajdź wszystkie posty użytkownika Odpowiedz cytując ten post
HMAMATOR Offline
SQ9IZA
**

Liczba postów: 89
Dołączył: 20-05-2015
Post: #1466
RE: HUSAREK DSP
Witam!
Mam pytanie, jak można zaktualizować do najnowszej wersji oprogramowanie mając wer.17042018_D zakupioną z modułem Disco?
Dziękuję z góry za odpowiedź.

Ryszard 73
27-03-2020 13:27
Znajdź wszystkie posty użytkownika Odpowiedz cytując ten post
SP5BMP Offline
Janusz
****

Liczba postów: 606
Dołączył: 02-11-2010
Post: #1467
RE: HUSAREK DSP
Ryszardzie, moduł Disco z programem kupiłeś zapewnie w DW Radio. W sprawie nowej wersji oprogramowania proponuję skontaktować się z jego autorem.
27-03-2020 15:13
Znajdź wszystkie posty użytkownika Odpowiedz cytując ten post
SP5CGI Offline
Maciek
***

Liczba postów: 200
Dołączył: 31-05-2011
Post: #1468
RE: HUSAREK DSP
Aby informacja z postu 1461 była pełna, wstawiam leyaut PCB ADAPTERA V8.


Załączone pliki
.lay6  V8..lay6 (Rozmiar: 135.78 KB / Pobrań: 824)
(Ten post był ostatnio modyfikowany: 27-03-2020 22:04 przez SP5CGI.)
27-03-2020 21:03
Znajdź wszystkie posty użytkownika Odpowiedz cytując ten post
SQ2RH Offline
Początkujący
**

Liczba postów: 77
Dołączył: 03-05-2010
Post: #1469
RE: HUSAREK DSP
Witam,
Czy ktoś z husarkowiczów planuje jutro pracować na HusarkuDSP w SP DXContest ?
Ja się szykuję, wszystko skonfigurowane i gotowe do pracy.
73
Roman

İmage
(Ten post był ostatnio modyfikowany: 08-04-2020 21:53 przez SQ2RH.)
03-04-2020 21:17
Odwiedź stronę użytkownika Znajdź wszystkie posty użytkownika Odpowiedz cytując ten post
SQ2RH Offline
Początkujący
**

Liczba postów: 77
Dołączył: 03-05-2010
Post: #1470
RE: HUSAREK DSP
Po zawodach SP DX Contest z Husarkiem DSP.

Z tego co mi wiadomo, oprócz mnie na Husarku DSP w tych zawodach pracował jeszcze Janusz SP5BMP, czy ktoś jeszcze ?
Ja pracowałem w kategorii QRP, Husarek DSP + antena GP7dx + na 80m dipol. Nie było łatwo, małe moce, szczególnie stacje QRP często w zawodach są pomijane bo szkoda czasu na łowienie stacji z szumów, mimo to udało mi się zaliczyć 204 QSOs: CW: 200; SSB: 4.
80m: 9; 40m: 101; 20m: 94. AF: 1 QSO; AS: 20 QSOs; EU: 147 QSOs; NA: 35 QSO; OC: 1 QSO

Generalnie pozytywnie oceniam udział w tych zawodach, testując Husarka DSP doszedłem do wniosku, że trzeb zaproponować małe zmiany, w tej sprawie już napisałem do autorów projektu:
1. Kolor paska szerokości filtru zmieniłbym na coś innego niż obecny zielony, zaproponowałem lekko bursztynowy lub coś innego, żeby nie biło po oczach, dlaczego ? Podczas zmiany szerokości filtru na 200Hz a szczególnie przy 100Hz ten pionowy pasek prawie nie odróżnia się od pionowych pasków siatki ekranu.

2. Do odtwarzanych sygnałów audio (banki 1-8) dodałbym dodatkowy parametr stałej czasowej w sekundach (od 1 do 60), żeby raz kliknięty bank pamięci audio powtarzał się w automacie z przerwą na odbiór, który będzie trwał przez ten określony czas, oczywiście każde naciśnięcie PTT spowoduje przerwanie tej procedury. Obecnie trzeba nieustannie klikać dany nr baku audio co jest bardzo uciążliwe, szczególnie pracując w zawodach.

Jestem dobrej myśli, że nie tylko te propozycje ale również wykryte błędy w obecnej wersji softu zostaną szybko dodane i poprawione, czego wszystkim i sobie życzę.
73 Roman
08-04-2020 22:19
Odwiedź stronę użytkownika Znajdź wszystkie posty użytkownika Odpowiedz cytując ten post
Odpowiedz 


Skocz do:


Użytkownicy przeglądający ten wątek: 6 gości