Odpowiedz 
 
Ocena wątku:
  • 0 Głosów - 0 Średnio
  • 1
  • 2
  • 3
  • 4
  • 5
Direct Conversion Receiver Polyakova prezentowany w Burzeninie 2019
SQ8GUO Offline
Waldek
**

Liczba postów: 86
Dołączył: 15-06-2011
Post: #11
RE: Direct Conversion Receiver Polyakova prezentowany w Burzeninie 2019
Jurek
tak troche z innej beczki... . Czy dobrze pamietam, ze kondensatory (wszystkie czy tylko w heterodynie?) powinne byc NP0, tudziez styrofleksy czy mika?
Rozumie, ze wartosci rezystorow nie sa krytyczne - punkty pracy tranzystorow i tak beda ustalane pod konkretny zakupiony egzemplarz?

Poniewaz wrzucam schemat RX-a Polyakova do softu coby jakies PCB z tego wyszlo, to pytanie teoretyczne - jaki jest zysk z technologii SMD w stosunku do przewlekancow?
Cze element SMD lepiej dziala od zwyklego? Czy to tylko mniejsze gabaryty? Na wyzszych frekwencjach krotkie polaczenia ze sciezkami sa na plus dla SMD, ale zastanawiam sie czy do okolo 20MHz sa z tej technologii jakiekolwiek korzysci poza rozmiarem plytki?
11-09-2019 16:13
Znajdź wszystkie posty użytkownika Odpowiedz cytując ten post
SQ5KVS Offline
Karol
*****

Liczba postów: 1,013
Dołączył: 26-09-2012
Post: #12
RE: Direct Conversion Receiver Polyakova prezentowany w Burzeninie 2019
Jeśli filtrujesz zasilanie, mogą być ceramiczne (10n, 100n itp). Jeśli jest to VFO gdzie ważna jest dobroć i stabilność temperaturowa to NP0 (inaczej C0G), styrofleksy/mika. Jeśli to
sygnały audio a zwłaszcza tam gdzie są małe sygnały / wysokie wzmocnienie to zdecydowanie NIE ceramiki bo te mają same wady - zmiana pojemności po wlutowaniu i strasznie wkurzający efekt mikrofonowania (będzie słychać każde stuknięcie w stół).
Wartości rezystorów zapewne nie są krytyczne ale jeśli wierzyć intuicji to poza przypadkami najwyższej konieczności większość stosuje wartości z szeregu E12 a więc tego wszędzie dostępnego.
O ile nie chcesz mieć mikro małej płytki to lepiej przewlekańce, choćby dlatego że łatwiej przytknąć miernik/sonde itp Smile

Nie rozumiem - nie robię. Chyba że robię żeby zrozumieć.
11-09-2019 18:27
Znajdź wszystkie posty użytkownika Odpowiedz cytując ten post
SP9FKP Offline
Piotr
*****

Liczba postów: 1,287
Dołączył: 28-06-2009
Post: #13
RE: Direct Conversion Receiver Polyakova prezentowany w Burzeninie 2019
(10-09-2019 23:08)SP6FRE napisał(a):  Pozwolę sobie na lekką polemikę z Jurkiem w sprawie obwodów wejściowych.
Myślę, że to ja jestem adresatem uwag Leszka odnośnie obwodów wejściowych to (bez wdawania się polemikę) pozwolę sobie na uzupełnienie mojego wcześniejszego wpisu. Pisząc, że stosowanie bardziej wyrafinowanych (czytaj bardziej selektywnych) obwodów wejściowych nic nie wniesie poza problemami z ich prawidłowym zestrojeniem, zwłaszcza dla mało doświadczonego budowniczego, chciałem podkreślić genialność pomysłu RA3AAE i realne własności tego typu detektora. W odróżnieniu od przywołanej konstrukcji 3 pasmowego odbiornika, zasada pracy i uzyskane rezultaty są zdecydowanie odmienne od oryginału. Zainteresowanym polecam lekturę popularnej książki Poljakowa Приемники прямого преобразования для любительской связи wyjaśniającej pryncypia układu. Jurek wprowadził istotne modyfikacje do oryginalnego schematu moim zdaniem niezbyt trafione dlatego zachęcam do samodzielnych eksperymentów celem przekonania się co do zasadność takich czy innych twierdzeń. To najlepsza droga do zrozumienia zasady działania i wpływu poszczególnych rozwiązań na ostateczny efekt.
Dodam, że układ detektora próbkującego powstał w czasach gdy o szybkich kluczach analogowych jeszcze nikomu się nie śniło i o ile wiem, do dziś nie został przez Autora opatentowany a on sam jest bardzo cenionym profesorem politechniki.
Zatem Koledzy, do dzieła! Budujcie, badajcie i dzielcie się wynikami. Zachęcam gorąco.

Praktykujący teoretyk
11-09-2019 20:04
Znajdź wszystkie posty użytkownika Odpowiedz cytując ten post
SQ8GUO Offline
Waldek
**

Liczba postów: 86
Dołączył: 15-06-2011
Post: #14
RE: Direct Conversion Receiver Polyakova prezentowany w Burzeninie 2019
(11-09-2019 18:27)SQ5KVS napisał(a):  Jeśli filtrujesz zasilanie, mogą być ceramiczne (10n, 100n itp). Jeśli jest to VFO gdzie ważna jest dobroć i stabilność temperaturowa to NP0 (inaczej C0G), styrofleksy/mika.
dzieki Karol za szybka podpowiedz. Tak myslalem jesli chodzi o VFO itp, natomiast cenne info jesli chodzi o ceramiki w m.cz.! Postaram sie ich unikac. Ew. tantale zamiast elektrolitow w okolicach m.cz.? Nie wiem nawet czy sa elektrolity NP0??? Jesli tak, to szkoda kupowac roznych. Lepiej worek NP0 i gra.


Piotr
jak najbardziej sie z tym co powiedziales zgadzam:
Cytat: zachęcam do samodzielnych eksperymentów celem przekonania się co do zasadność takich czy innych twierdzeń. To najlepsza droga do zrozumienia zasady działania i wpływu poszczególnych rozwiązań na ostateczny efekt.
Ja tutaj sobie narazie tylko teoretyzuje - prace mechaniczne musza zaczekac - ale wszelkie pomysly ktore mi sie nasuwaja podczas czytania Waszych uwag czy tez obecnej ksiazki i innych blogow, chce tutaj zamieszczac, tak zeby bylo wlasnie co testowac. A modulowa budowa tego RX-a wg. pomyslu Jurka, to mega-przyjazna platforma do wlasnie takich "wybrykow".

Wiec kolejny "pomysl" to tez odnosi sie do ogolnie rozumianego filtrowania (a wiec obwody)... . Czytalem wlasnie ze obwody moga albo byc selektywne na wejsciu albo moga byc rozdzielane poszczegolnymi stopniami wzmacniajacymi, mieszajacymi itp itd. np. filtr gornoprzepustowy=>wzmacniacz sygnalu=>filtr dolnoprzepustowy=>kolejny stopien itp itd. Jeszcze dokladnie nie wiem czy filtr dolnoprzepustowy to rownoznaczne z LPF (low pass filter) a gornoprzepustowy to (band pass filter?). 20 lat nie w temacie wiec musze zadawac najprotsze pytania, coby nie bylo nieporozumien pozniej.
Ale o co chodzi...
Mysle coby wyprobowac puscic sygnal wejsciowy z anteny rownolegle poprzez te dwa filtry, tak zeby za jednym razem wyciac niepozadane sygnaly i od gory i od dolu a zostawic interesujacy mnie srodek np. 100kHz dla wybranego pasma CW, a potem obrobka m.cz. (filtr m.cz. CW o szerokosci 300-500Hz). Teraz pytanie do Was - czy gdzies ktos to wyprobowal? Jakie sa tego potencjalne skutki uboczne? Napewno amplituda sygnalow bardzo mocno spadnie przechodzac dwutorowo przez oba filtry jednoczesnie - a moze nie spadnie, skoro ten sam sygnal o np. amplitudzie 20dB pojdzie rownolegle na oddzielne tory (filtry) i po przejsciu przez nie znow zostanie "polaczony" (zmieszany?) w tym samym miejscu. No i tu problem - skad bede wiedzial ze oba odfiltrowane sygnaly pojawia sie na wyjsciu tych filtrow dokladnie w tym samym momencie, coby jakiegos efektu dopplera nie bylo albo jeszcze innych dziwnych historii (np. czy sygnal o f=7.022MHz tak rozdzielony na koncu mi sie nie zsumuje?). Chyba zahaczam tu o fantastyke naukowaSmile ale poki wiedzy praktycznie brak, myslenie "out of the box" moze okazac w pewnym momencie malym przelomem. niekoniecznie moimSmile
z gory dzieki za wziecie powaznie tych pytan wzejSmile
pozdrawiam wszystkich, ktorzy dokladaja tutaj cos od siebie.
(Ten post był ostatnio modyfikowany: 27-09-2019 0:25 przez SQ8GUO.)
11-09-2019 20:56
Znajdź wszystkie posty użytkownika Odpowiedz cytując ten post
SQ9RFC Offline
Jerzy
*****

Liczba postów: 1,193
Dołączył: 02-07-2010
Post: #15
RE: Direct Conversion Receiver Polyakova prezentowany w Burzeninie 2019
Będę pisał powoli bo oczy mi troszkę łzawią :-) Takiego zakręconego gościa to tu jeszcze nie było.
Chcesz rozdzielić sygnał w.cz z anteny, przepuścić oba tory przez filtry... jeden dolnoprzepustowy, a drugi górnoprzepustowy. Tak zaprojektować filtry aby pozostało 100kHz, a potem to połączyć / zsumować ...
Ja bym proponował nie rozdzielać, tylko najpierw przepuścić przez filtr dolnoprzepustowy, a to co wyjdzie przepuścić przez górnoprzepustowy... tak się robi. Dalej mi łzy leca ... całkiem pozytywne łzy :-) i micha mi się cieszy od ucha do ucha. Może uda mi się filmik zrobić z eksperymentem. Do modułowca mam taki fajny modulik do którego na górze można podpiąć 2 moduły jednocześnie i jednym cichym przyciskiem przełączać: 2 obwodowy BPF na 1 obwodowy i odwrotnie - wtedy słychać różnicę, można zamiast jednego modułu dać zworkę i wtedy słychać jak działa radyjko z filtrem dowolnym i bez. Z doświadczenia powiem, że w tej konkretnej konstrukcji, raczej chodzi o dopasowanie mało impedancyjniej anteny do raczej wysoko impedancyjnego wzmacniacza w.cz. Filtr jest przy okazji.
Już takie eksperymenty robiłem. Jeśli akurat rumuński nadajnik AM nie pracuje, to nie ma różnicy. Gdy pracuje to dopasowującym filtrem i tłumikiem jesteśmy w stanie gadającego Chińczyka się pozbyć.

73 JERZY SQ9RFC
12-09-2019 1:12
Znajdź wszystkie posty użytkownika Odpowiedz cytując ten post
SP6FRE Offline
Leszek
****

Liczba postów: 737
Dołączył: 20-09-2009
Post: #16
RE: Direct Conversion Receiver Polyakova prezentowany w Burzeninie 2019
Witam!

Zapowiada się na ciekawą i długą dyskusję więc może SP8GUO przypomnisz imię, będzie łatwiej się do Ciebie zwracać ;-)

Najogólniej filtry mozna podzielić na dolnoprzepustowe (Low Pass Filter), górnoprzepustowe (Up Pass Filter) i pasmowe (Band Pass Filter).
Filtr BPF powstaje przez połączenie LPF i UPF i z reguły nie ma potrzeby rozdzielania ich miejsca w torze sygnałowym. Jednym z typów filtra BPF jest filtr z dwoma obwodami rezonansowymi, sprzężonymi zwykle pojemnościowo i nastrojonymi na zbliżone, ale nieco różne częstotliwości. W ten sposób uzyskuje się małe tłumienie w założonym paśmie i stosunkowo duże poza pasmem przenoszenia.

Wracając do odbiornika DC, który chciałbyś zrobić, to możesz uzyć pojedyńczego obwodu rezonansowego nastrojonego na jedną częstotliwość (zwykle w środku interesującego pasma) lub właśnie filtra pasmowego działającego równie skutecznie w całym interesującym Cię zakresie.

Sugerowałem Ci użycie na wejściu odbiornika właśnie pojedyńczego obwodu rezonansowego z cewką o dużej dobroci i kondensatorem zmiennym dla lepszego dostrojenia na wybranej częstotliwości. Ale na początek możesz użyć obwodu nastrojonego na jedną częstotliwość (środkową) i sprawdzić czy konieczne jest dostrojanie na końcach interesującego zakresu pracy. Taki pojedynczy obwód rezonansowy można porównać do filtra BPF o dość wąskim paśmie (od kilku ale nawet do kilkuset kHz) i dla prostego odbiornika DC powinno to wystarczyć.

Na razie mówiłem o częstotliwościach radiowych ale podobne rozważania można zastosować do częstotliwości akustycznych.
Usunięcie z sygnału audio zarówno najniższych jak i najwyższych częstotliwości często poprawia skuteczność odbioru.
I podobnie jak dla w.cz. znaleźć mozna tu filtry LPF, UPF i BPF. Jednak w tym zakresie częstotliwości mozna zrezygnować z indukcyjności (które muszą mieć relatywnie duże wartości) bo dzięki elementom aktywnym (tranzystory, układy scalone) można filtry LFP, UPF i BPF wykonać z użyciem dodatkowo wyłącznie kondensatorów i rezystorów. Istnieje kilka podstawowych typów układów dla każdego sposobu filtrowania a odpowiednie częstotliwości pracy uzyskuje się przez dobór elementów RC.

Czy masz już pomysł jaki odbiornik zrobisz na początek?
Sądzę, że ten z rysunku jest nalepszym kandydatem. Jak zgromadzisz wszystkie elementy to zmontujesz go na płytce montażowej lub "na pająka" w jeden wieczór.
Sadzę, ze wtedy nasza rozmowa pozwoli Ci połączyć teorię (wszakże potrzebną) z praktyką (absolutnie niezbędną).

L.J.


Załączone pliki Miniatury
İmage
(Ten post był ostatnio modyfikowany: 12-09-2019 9:30 przez SP6FRE.)
12-09-2019 9:30
Odwiedź stronę użytkownika Znajdź wszystkie posty użytkownika Odpowiedz cytując ten post
SQ9RFC Offline
Jerzy
*****

Liczba postów: 1,193
Dołączył: 02-07-2010
Post: #17
RE: Direct Conversion Receiver Polyakova prezentowany w Burzeninie 2019
Aby radio cieszyło trzeba dorobić nadajnik. Tutaj jest kłopot bo generator pracuje na połowie częstotliwości nadajnika i trzeba zastosować sztuczkę z wykorzystaniem harmonicznej. Polyakov w swoich konstrukcjach opublikował kilka takich rozwiązań.
Tak sobie pomyślałem, że zaprojektuję dla kolegi PCB i zrobię w Chinach, ale to nie jest dobre rozwiązanie, to jest pójście na łatwiznę. Trzeba będzie się nauczyć projektować płytkę, potem ją wyprasować, pociąć, powiercić, uruchomić i obudować. Obsadzenie elementami Chińskiej płytki niczego nie nauczy.

73 JERZY SQ9RFC
12-09-2019 10:19
Znajdź wszystkie posty użytkownika Odpowiedz cytując ten post
SQ8GUO Offline
Waldek
**

Liczba postów: 86
Dołączył: 15-06-2011
Post: #18
RE: Direct Conversion Receiver Polyakova prezentowany w Burzeninie 2019
hehehe, skoro widze odpowiedzi to znaczy ze niepouciekaliscieSmile
dzieki wielkie za odpowiedzi. Swoj profil poprawilem, wiec IMIE juz widac.

ciesze sie ze rozbawilem Jurka. Dzieki odpowiedzi Leszka nawet zaczynam rozumiec dlaczego. Chociaz dalej nie wiem dlaczego nie mialbym przepuscic sygnalu przez LPF i UPF dwoma torami rownoczesnie? Lub prosciej uzyc BPF, ktory jak tlumaczy Leszek, jest skombinacja ich obu. Czy rozbicie na LPF, wzmacniacz, UPF mialoby byc lepsze od uzycia BPF+wzmacniacz? Czyzby zwiekszala sie szansa na eliminacje stacji broadcastingowych wchodzacych wglab ukladu?

Choc uklad prosty i mozna go zmontowac w jeden wieczor, to koncepcje sie mnoza - nie ma lekko i nie ma sie co ograniczac. Tak, jeden z pomyslow na to radio, to szybki montaz, strojenie kondensatorem powietrznym, coby posluchac jak to "gada". Natomiast juz stricte do nauki, to budowa modulowa, coby uprawiac "kombinatoryke stosowana" na calego.


Plytka RX-a powili sie tworzy w CircuitMaker. "Na pajaka" to udaloby mi sie w jeden wieczor go pomontowac bo jesli nie patrzac na NP0, to w zasadzie wszystkie czesci mam na taki odbiornik "testowy", zanim zaczne bawic sie w moduly. Styrofleksy znajde do heterodyny. Jedynie potrzebuje jeszcze garsc info coby myslec o konstrukcji...
Pytania:
  1. 1
Jakiej pojemnosci dac kondensator powietrzny? Ile piko? 50, 160, 360, 500? Na schemacie nie ma takiej informacji.

  1. 2
Takze jak ta cewke nawinac na np. 3565kHz? - Albo zeby nie bylo zbyt latwo, podajcie info jakim programem moge zasymulowac/zbudowac taka cewke? Mysle coby ja zrobic na duzym karakasie np. PCV 25mm lub wieksza (potem rozne rozmiary dadza mi wiedze co ze soba wielkosc takiej cewki niesie - wieksza dobroc, a wiec wieksza czulosc i wiecej... szumow??).

  1. 3
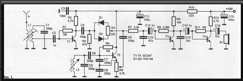
Jakie diody do tego mieszacza?? (1n4148, czy tez cos lepszego, BAP795 (germanowe zdaje sie)).

Leszek mi sporo pojasnil, apropos obwodow wejsciowych i nie tylko. M.CZ. narazie sobie zostawiam, dopoki nie sprawdze kilku rodzajow obwodow w roznych konfiguracjach, tak zeby docelowo cos wybrac. Nad filtrami m.cz. chce sie pochylic bardzo mocno no i sprobowac zaprojektowac jakis swoj pierwszy wzmacniacz m.cz. (albo "zerznac" np. z TRX Scorpion na LM380 zdaje sie). To nie jest projekt na 2 zimowe weekendy. Braki wiedzy i praktyki nie da sie uzupelnic w miesiac czy dwa. Tu mowimy o dlugich miesiacach, zakladajac ze bedzie na to czas.

  1. 4
Ostatnie pytanie - mam karkas, mam drut DNE fi0.35, fi0.6 itp, wiem ile zwojow, bo program wyliczyl, wiem jaki kondensator mi tu bedzie potrzebny coby sie odstrajac od 3565kHz, ale nie wiem jak mialbym pomierzyc sobie taki obwod na NWT500 czy na Maxie - mam oba - i co z tego? Jakies podpowiedzi, linki gdzie moge doczytac jak to sie robi? NWT czy MAX maja 50Om na obu wyjsciach, ale czy moje obwody beda mialy tez 50Om cobym je mogl bezposrednio podlaczyc do urz.pomiarowego i widziec gdzie ten rezonans jest? Metodyka pomiarow (kolejna przepasc).

Jurek,
Gotowym nadajnikiem CW pewnie bys mnie rozleniwilSmile Mysle o nadajniku CW, chocby najprostszym i przelaczanym zwyklym przelacznikiem, dopoki nie wymysle przelaczania przekaznikami czy moze tranzystorami (zdaje sie ze tez mozna). Wiec moze rozpracuje najpierw czesc odbiorcza - jak sprzet bedzie mi hulal lepiej jak u ciebie na biurku, to dopiero zaczniemy z TX-em?Smile

ok, to na tyle tragi-komedii ode mnie. pozdrawiam serdecznie Kolegow!
(Ten post był ostatnio modyfikowany: 27-09-2019 0:36 przez SQ8GUO.)
12-09-2019 17:45
Znajdź wszystkie posty użytkownika Odpowiedz cytując ten post
SP9MRN Offline
MAc
*****

Liczba postów: 822
Dołączył: 29-08-2009
Post: #19
RE: Direct Conversion Receiver Polyakova prezentowany w Burzeninie 2019
Jeżeli dobrze zrozumiałem pytania:

1.0
przepuszczając odrębnie równoległymi torami LPF i HPF a następnie sumując sygnały dostaniesz dokładnie to co na wejściu - z ewentualnym dołkiem wynikającym z niedokładności - w najbardziej interesującym miejscu. To rozwiązanie pomijamy.
Przepuszczając szeregowo dostaniesz po prostu BPF.
Wkładając pomiędzy szeregowe HPF i LPF wzmacniacz złamiesz podstawową zasadę - "najpierw filtruj, potem wzmacniaj" (no bo wzmocnisz przed drugim filtrem)
Oczywiście można dopuścić wzmacniacz w.cz przed filtrem, ale powinien być wyjątkiem - a najlepiej odłączalnym. Tu, pomiędzy filtrami to nie bardzo się uda, bo się w impedancjach namiesza...
Zasada maksymalnej filtracji jak najbliżej wejścia może oczywiście być łamana (po to się bawimy i o takim przypadku pisali Leszek i Piotr mówiąc o ŚWIADOMYM uproszczeniu filtru wejściowego) - ale musi być łamana wyłącznie w konsekwencji analizy...
No i (moim zdaniem) łatwiej zapanować nad filtrem pasmowym niż na pozór dwoma odrębnymi bytami, które w rzeczywistości na siebie wpływają.

1.1, 1.2, 1.4
*Link Piotra FKP do książki Polakowa, strona 22 - zabawa z filtrami.

Generalnie to nie ma większego znaczenia, bo impedancja filtru nas tutaj nie trzyma za bardzo. to takie podejście (trochę) jak w lampowych urządzeniach - zrobić dosyć dużą (wymiarowo) cewkę, kondensator wybrać kilkaset piko stałego , do niego równolegle dobrać zmienny tak, żeby przestrajanie było racjonalne i logiczne i tyle. Albo skrócić zmienny szeregową pojemnością. Mamy zapas wynikający z impedancji wejściowej wzmacniacza. Jeszcze prościej by było jakby to był fet.

Upraszczając - liczysz równoległy obwód LC na określoną częstotliwość(3,5 z drobnymi). Dostajesz milion wyników w postaci par L+C rozwiązujących równanie.
wybierasz jakąś racjonalną (czyli nadającą się do nawinięcia i jednocześnie posługującą się sensowną pojemnością). oczywiście duża cewka znaczy - lepsza cewka.
Rozmiar ma znaczenie.
Wykonujesz.
mierzysz. (np GDO)
Możesz wpiąć filtr w pętlę MAXa i nie przejmować się impedancją - rezonans pojedynczego obwodu będzie dosyć jednoznaczny i niezależny od dopasowania (czy raczej niedopasowania)
***(offtop) - w przypadku bardziej złożonych filtrów i filtrów kwarcowych można stosować dopasowanie bierne, z wyskalowanego potencjometru stereo (jeden szeregowo z jednym portem a drugi równolegle z drugim). Kręci się potencjometrami na "najładniejszy" kształt i z tego wnioskuje się rzeczywistą impedancję filtru. W tym przypadku nie jest to konieczne.

Na temat diod w mieszaczu Polakowa się nie wypowiadam, bo nie badałem. Działa zarówno z diodami germanowymi jak i ze zwykłymi krzemowymi jak i schottky. Ktoś wspominał, że zrobił na prostowniczych 1n4007 (a raczej na ich polskich odpowiednikach (skleroza, zapomniałem symbolu chociaż używałem ich przez pół życia))

MAc
mrn

Przepraszam za uproszczenia i kolokwiailizmy. Na detale przyjdzie czas. Wygląda na to, że lekcje z podstaw są KONIECZNE i będę to miał na uwadze. Może nawet trzeba zrobić stronkę z pytaniami...

**W załączniku schemat Polakova, warto zauważyć brak wzmocnienia przed mieszaczem (to dobrze ;-) ) - ale za to jest dopasowanie do mieszacza zrobione odczepem - cewka ma 14 zwojów z odczepem na 4 zwoju od dołu.

*** była kiedyś taka sztuczka z odłączaniem jednej diody mieszacza, mieszaniu tylko na jednej - ze stratami, ale można było mieć prawie za darmo odbiornik dwupasmowy.


Załączone pliki Miniatury
İmage
(Ten post był ostatnio modyfikowany: 12-09-2019 22:09 przez SP9MRN.)
12-09-2019 22:09
Odwiedź stronę użytkownika Znajdź wszystkie posty użytkownika Odpowiedz cytując ten post
SQ9RFC Offline
Jerzy
*****

Liczba postów: 1,193
Dołączył: 02-07-2010
Post: #20
RE: Direct Conversion Receiver Polyakova prezentowany w Burzeninie 2019
Przerobiłem ten bez wzmacniacza. Nadaje się na uliany i galiny. Dla nas za mało czuły. Ale działa jeśli dodamy jeden tranzystor w m.cz.

73 JERZY SQ9RFC
13-09-2019 0:16
Znajdź wszystkie posty użytkownika Odpowiedz cytując ten post
Odpowiedz 


Skocz do:


Użytkownicy przeglądający ten wątek: 2 gości