Odpowiedz 
 
Ocena wątku:
  • 23 Głosów - 4.26 Średnio
  • 1
  • 2
  • 3
  • 4
  • 5
HUSAREK DSP
SP5MNO Offline
Piotr
*

Liczba postów: 33
Dołączył: 15-01-2011
Post: #1301
RE: HUSAREK DSP
Pokazały się ostatnio na znanym portalu akcyjnym, wyglądają na oryginały ale głowy nie dam.
06-03-2019 11:34
Znajdź wszystkie posty użytkownika Odpowiedz cytując ten post
SQ2NIH Offline
Bartek
*

Liczba postów: 42
Dołączył: 02-01-2018
Post: #1302
RE: HUSAREK DSP
Zwroce sie do Tadeusza bo ma ten sam typ tranzystorow, tak jak wspomnialem wczsniej zamienione jest zrodlo z drenem. Ale sprawdzilem je dalej i stwierdzilem ze cos tam wzmacniaja tzn:

Warunki i wynik:
Ud=7V, Ispocz=0,2 A, f=1,8MHz, Upp_bramki=0,3V a Upp_drenu=11,9V (czyli powyzej 30dB) nie jest zle. Uzas niskie i prad spoczynkowy bo tranzystor przylutowany od strony elementow i bez radiatora.
Dalej nie sprawdzalem bo nie mam zamiaru kombinowac z izolowaniem i odwracaniem nog przy fabrycznych PCB.

Przepraszam odpisuje na szybko z telefonu.
06-03-2019 21:54
Znajdź wszystkie posty użytkownika Odpowiedz cytując ten post
SP4LVC Offline
Bogdan sk
*****

Liczba postów: 761
Dołączył: 10-07-2009
Post: #1303
RE: HUSAREK DSP
Bartek na tych częstotliwościach to nawet tranzystory m.cz. jeszcze chodzą.

Bogdan
06-03-2019 22:52
Znajdź wszystkie posty użytkownika Odpowiedz cytując ten post
SQ2NIH Offline
Bartek
*

Liczba postów: 42
Dołączył: 02-01-2018
Post: #1304
RE: HUSAREK DSP
Cześć Bogdan, nie chce ciągnąć dalej tematu ale sprawdziłem dla f=35MHz i uzyskałem 16dB, oczywiście przy wcześniejszych warunkach zasilania. Także chyba nie jest tak źle. Gdzieś tam kiedyś się je wykorzysta. Kolejne już w drodze Smile
07-03-2019 14:57
Znajdź wszystkie posty użytkownika Odpowiedz cytując ten post
SP8GPQ Offline
Tadek
****

Liczba postów: 353
Dołączył: 26-01-2013
Post: #1305
RE: HUSAREK DSP
[quote='SQ2NIH' pid='40329' dateline='1551902078']
Zwroce sie do Tadeusza bo ma ten sam typ tranzystorow, tak jak wspomnialem wczsniej zamienione jest zrodlo z drenem. Ale sprawdzilem je dalej i stwierdzilem ze cos tam wzmacniaja tzn:

Warunki i wynik:
Ud=7V, Ispocz=0,2 A, f=1,8MHz, Upp_bramki=0,3V a Upp_drenu=11,9V (czyli powyzej 30dB) nie jest zle. Uzas niskie i prad spoczynkowy bo tranzystor przylutowany od strony elementow i bez radiatora.
Dalej nie sprawdzalem bo nie mam zamiaru kombinowac z izolowaniem i odwracaniem nog przy fabrycznych PCB.

Przepraszam odpisuje na szybko z telefonu.

Tranzystory IRF510 mają takie wyprowadzenia .
07-03-2019 15:38
Znajdź wszystkie posty użytkownika Odpowiedz cytując ten post
SP5MI Offline
Nowicjusz
*

Liczba postów: 29
Dołączył: 14-10-2018
Post: #1306
RE: HUSAREK DSP
No to ja też potwierdzam. Miałem takie same cyrki na tranzystorach z firmy z Poznania. Nie wpadłem na to że wyprowadzenia mogą być zamienione. Zamówiłem inne.

(06-03-2019 11:34)SP5MNO napisał(a):  Pokazały się ostatnio na znanym portalu akcyjnym, wyglądają na oryginały ale głowy nie dam.

Chodzi o te za 18pln? Czy te za 60?

Grzegorz
(Ten post był ostatnio modyfikowany: 07-03-2019 23:16 przez SP5MI.)
07-03-2019 23:16
Znajdź wszystkie posty użytkownika Odpowiedz cytując ten post
SQ2NIH Offline
Bartek
*

Liczba postów: 42
Dołączył: 02-01-2018
Post: #1307
RE: HUSAREK DSP
W związku z oczekiwaniem na nowe RD16HHF1, w ramach odpoczynku zamieszczam kilka fotek z budowy Husarka DSP, co prawda z braku czasu tempo niewielkie, ale zawsze do przodu Smile


Załączone pliki Miniatury
İmage İmage İmage İmage İmage İmage İmage
(Ten post był ostatnio modyfikowany: 09-03-2019 0:28 przez SQ2NIH.)
09-03-2019 0:22
Znajdź wszystkie posty użytkownika Odpowiedz cytując ten post
SP3JDZ Offline
Początkujący
**

Liczba postów: 94
Dołączył: 15-03-2014
Post: #1308
RE: HUSAREK DSP
Piękny montaż Bartku! Aż miło popatrzeć :-).

Gdzie można kupić taki radiator do PA pasujący na tylną płytę?

pozdrawiam
Witek.

http://witec.pl
09-03-2019 11:31
Odwiedź stronę użytkownika Znajdź wszystkie posty użytkownika Odpowiedz cytując ten post
SQ2NIH Offline
Bartek
*

Liczba postów: 42
Dołączył: 02-01-2018
Post: #1309
RE: HUSAREK DSP
Cześć Witek, do piękności do jeszcze daleko, a później wcale Smile.
Radiator kupiłem tu: https://www.piekarz.pl/pl/?q=21158, ale tez wcześniej, miejsce zakupu podawał Bogdan SP4LVC, a jesli by nie było to tu: https://allegro.pl/oferta/radiator-p3698...6567737998

Pzdr.
Panowie, gdzie nabywaliście 20nF lub 10 nF SMD, C0G, NP0, U=>100V do PA ?
W najgorszym przypadku można to osiągnąć przez połączenie szeregowo-równoległe 8 szt. (10nF) na 50 V (dla jednogo sprzężenia) ?
(Ten post był ostatnio modyfikowany: 12-03-2019 22:39 przez SQ2NIH.)
09-03-2019 13:57
Znajdź wszystkie posty użytkownika Odpowiedz cytując ten post
SP9HVW Offline
Józef
***

Liczba postów: 158
Dołączył: 14-06-2010
Post: #1310
RE: HUSAREK DSP
Witam.
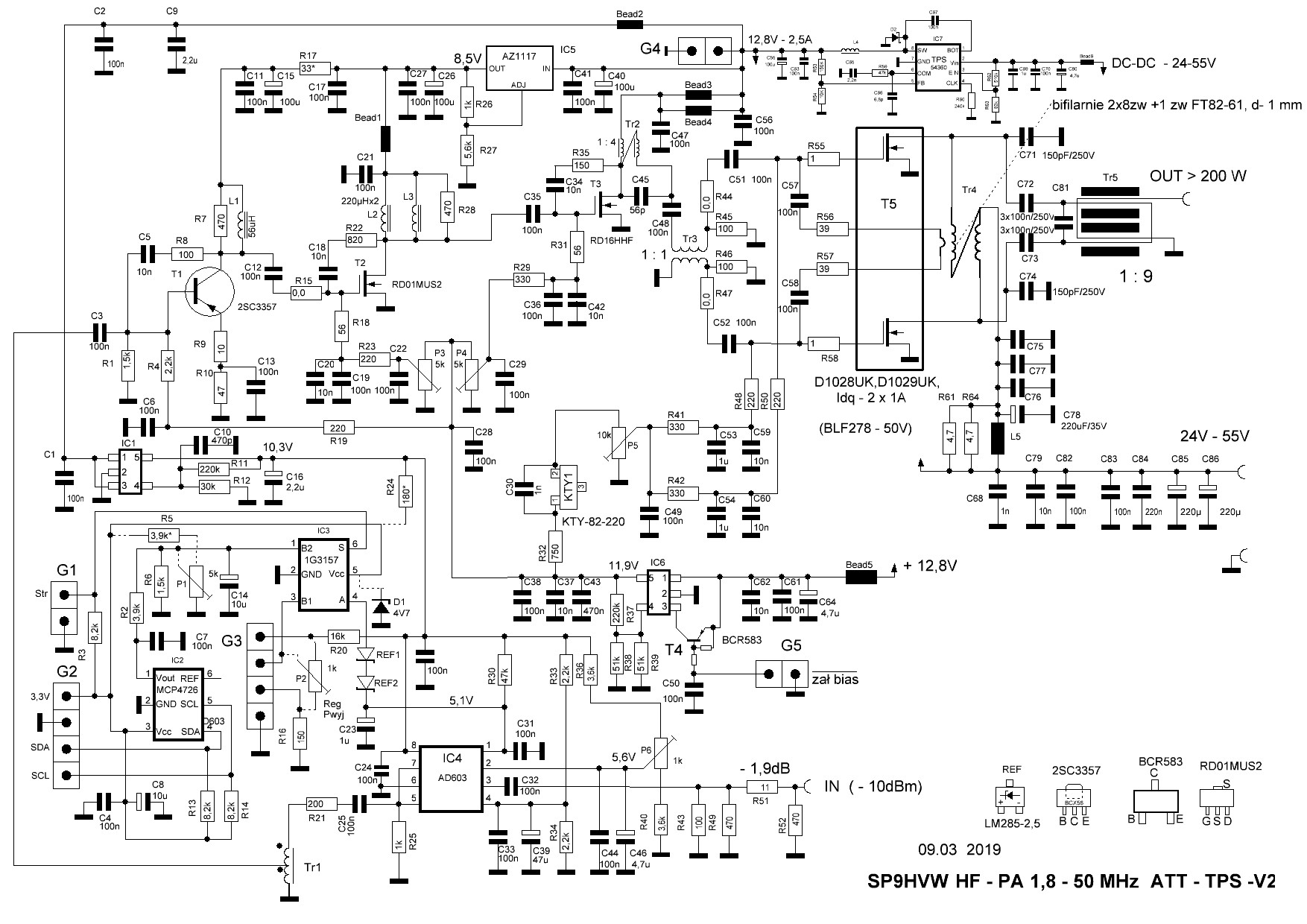
Zrobiłem PA - o mocy 200W na podwójnych mosfetach ( zasilanie PA od 24 -55V).Zastosowałem przetwornicę na układzie TPS54360 ( w obudowie soic 8p) - f przetwornicy 400kHz. Na wejściu zastosowałem układ regulacji opracowany przez kolegów SP5BMP,SP5BEF,SP5CGI - ( bardzo dobre parametry ATT - podziękowania dla kolegów za bardzo dobry pomysł) - można moc wyjściową regulować od 2 - do 200W z przetwornika MCP4276 ( taki jest w DSP - Husarek) lub regulować z pomocą potencjometra analogowo. Można wykorzystać wtedy tylko przełącznik 1G3157 który pracując z tunerem - moc przy strojeniu przełączyć do mocy ustalonej PRkiem P1. Wzmacniacz sprawdziłem zasilając napięciem 28V - tranzystor D1028.Wymiary PCB 147 x 97mm - PCB- 1,2mm dwustronne - elementy od strony TOP - a strona bottom jest masą, PCB przykręcamy do płyty miedzianej i dając podkładkę z kerafoli na radiator aluminiowy. Myślę że PCB można wykorzystać przy próbach z innymi podwójnymi tranzystorami. Zdjęcia PCB z zmontowanym PA - oraz parametry przetwornicy wygenerowane programem WEBesign ( które potwierdzam w praktyce po zmontowaniu) - będę zamawiał PCB - oraz mam niektóre elementy, zainteresowanych proszę na PW
pozdrawiam


Załączone pliki Miniatury
İmage İmage İmage İmage İmage İmage İmage İmage İmage

.pdf  WBDesign4.pdf (Rozmiar: 991.99 KB / Pobrań: 846)
.pdf  HF- PA - 200 spis elementów.pdf (Rozmiar: 47.88 KB / Pobrań: 743)
(Ten post był ostatnio modyfikowany: 24-04-2019 19:12 przez SP9HVW.)
09-03-2019 15:37
Znajdź wszystkie posty użytkownika Odpowiedz cytując ten post
Odpowiedz 


Skocz do:


Użytkownicy przeglądający ten wątek: 6 gości