Odpowiedz 
 
Ocena wątku:
  • 23 Głosów - 4.26 Średnio
  • 1
  • 2
  • 3
  • 4
  • 5
HUSAREK DSP
SP4LVC Offline
Bogdan sk
*****

Liczba postów: 761
Dołączył: 10-07-2009
Post: #1181
RE: HUSAREK DSP
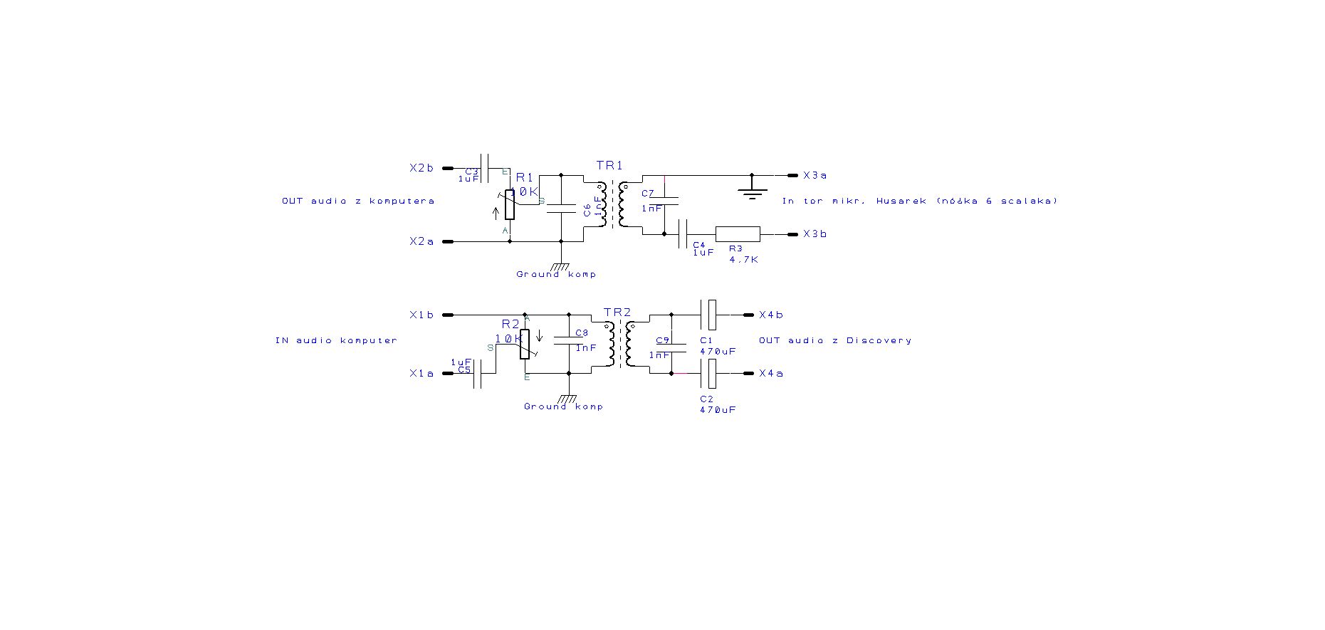
Mój egzemplarz już w docelowej obudowie. Załączam również zdjęcia radiatora - mogą się przydać dla kolegów składających radio. Jeszcze jedna uwaga związana z płytką emisji cyfrowych. Wyjście sygnału z płytki idącego na wejście toru mikrofonowego trzeba podłączyć przez szeregowy rezystor 4,7 k. Zrobiłem to na płytce - odlutowałem kondensator SMD i postawiłem go pionowo, a obok rezystor 4,7 k. Trzeba to zrobić, ponieważ bez tego rezystora wejście toru mikrofonowego bocznikuje się przez kondensator małą opornością uzwojenia transformatora separującego.


Załączone pliki Miniatury
İmage İmage İmage İmage İmage

Bogdan
(Ten post był ostatnio modyfikowany: 02-08-2018 12:21 przez SP4LVC.)
02-08-2018 9:10
Znajdź wszystkie posty użytkownika Odpowiedz cytując ten post
GREG Offline
Zaawansowany użytkownik
****

Liczba postów: 316
Dołączył: 18-11-2010
Post: #1182
RE: HUSAREK DSP
Gratulacje Bogdanie !.
Husarek skończony i co będziesz dalej robił wieczorami Smile

P.S.
Czy uzbierała sie ekipa do kolejnego zestawu obudów?
02-08-2018 9:30
Znajdź wszystkie posty użytkownika Odpowiedz cytując ten post
SP4LVC Offline
Bogdan sk
*****

Liczba postów: 761
Dołączył: 10-07-2009
Post: #1183
RE: HUSAREK DSP
Spokojnie. Projektuje się wzmacniacz 150-200 W w podobnym pudełku ze stosownymi LPF i automatycznym ich przełączaniem. LPF-y mam już zaprojektowane. Ugrzęzłem trochę na płytce PA, a właściwie na zabezpieczeniach wzmacniacza od zbyt dużego poziomu mocy wejściowej i SWR od strony wyjścia. Powoli poradzimy. Na brak zajęć nie narzekam - czeka jeszcze do montażu na dachu rotor AZ-EL i zestaw anten X-Cross Yagi do łączności sat. Nie mam zdrowia, aby w takie temperatury ganiać po dachu (zresztą chyba nikt by nie miał). Póki co ,,strzykło" coś w krzyżu w poniedziałek rano i siedzę na zwolnieniu i na tabletkach, zmieniając co 15 minut pozycję.
W temacie obudów to mam już w zasadzie komplet chętnych na następną partię, ale kilku kolegów rzuciło akces i poza znakiem nie mam nic - a prosiłem o adresy mailowe, adresy do wysyłki i telefony. Nie będę wymieniał znaków, ale proszę o uzupełnienie informacji - jeżeli naprawdę Wam zależy. Jeżeli nie to czekam 2 dni i tych niezdecydowanych usuwam z listy, bo blokują miejsce innym.
GREG jak Twoje BPF-y. Ogarnąłeś?

Bogdan
(Ten post był ostatnio modyfikowany: 02-08-2018 10:53 przez SP4LVC.)
02-08-2018 10:51
Znajdź wszystkie posty użytkownika Odpowiedz cytując ten post
SP5BMP Offline
Janusz
****

Liczba postów: 606
Dołączył: 02-11-2010
Post: #1184
RE: HUSAREK DSP
Bogdanie wielki ukłon w Twoją stronę za zaangażowanie i pomoc kolegom.
Darku sq3aup, Maciek sp5cgi ani ja nie planowaliśmy dystrybucji ani rozpowszechniania płytek do przedstawionych filtrów BPF. Zaprezentowane zostały one jako jedna z wielu możliwości wykonania filtrów do radiostacji. Wykonanie ich wymaga dużo cierpliwości jak i trochę umiejętności.
02-08-2018 11:48
Znajdź wszystkie posty użytkownika Odpowiedz cytując ten post
SP4LVC Offline
Bogdan sk
*****

Liczba postów: 761
Dołączył: 10-07-2009
Post: #1185
RE: HUSAREK DSP
Panowie przepraszam bardzo . W moim schemacie wzmacniacza m.cz. był błąd. Proszę na płytce zamienić miejscami tranzystory stopnia komplementarnego. Zwrócił mi na to uwagę Henryk SP2JQR - Heniu dziękuję. Za dużo pracy nocami chyba było. W załączniku poprawny schemat.


Załączone pliki Miniatury
İmage

Bogdan
(Ten post był ostatnio modyfikowany: 16-08-2018 23:30 przez SP4LVC.)
16-08-2018 23:30
Znajdź wszystkie posty użytkownika Odpowiedz cytując ten post
SP9KN Offline
Przemek
****

Liczba postów: 308
Dołączył: 18-10-2011
Post: #1186
RE: HUSAREK DSP
Witam.
Zaczynam łączyć wszystko do kupy.
Czy może mi ktoś wyjaśnić (przepraszam nie wiem tego, elektronik ze mnie żaden) po co jest stosowana przetwornica SCW05A-05 zasilająca moduł discovery?
20-08-2018 22:36
Znajdź wszystkie posty użytkownika Odpowiedz cytując ten post
SP4LVC Offline
Bogdan sk
*****

Liczba postów: 761
Dołączył: 10-07-2009
Post: #1187
RE: HUSAREK DSP
Przemku posty #36 i #37.

Bogdan
20-08-2018 23:23
Znajdź wszystkie posty użytkownika Odpowiedz cytując ten post
SP9KN Offline
Przemek
****

Liczba postów: 308
Dołączył: 18-10-2011
Post: #1188
RE: HUSAREK DSP
No właśnie...skoro w zasadzie nie są odseparowane masy to jakoś mi się zdaje ze przetworniczka nie pełni funkcji antyzakłóceniowej a tylko obniżającą napięcie...Czy w takim wypadku nie można zastosować jakiegoś układu stabilizacji np. dodatkowo z transilem??
21-08-2018 6:19
Znajdź wszystkie posty użytkownika Odpowiedz cytując ten post
SP4LVC Offline
Bogdan sk
*****

Liczba postów: 761
Dołączył: 10-07-2009
Post: #1189
RE: HUSAREK DSP
Wiem, że nasze Husarki sporo nas już kosztowały, ale podrzucam jeszcze namiar na fajną gałkę enkodera. Taką samą mam u siebie. Nie było ich sporo czasu w ofercie tego sprzedawcy, więc myślę, że warto odświeżyć kwestię: https://allegro.pl/galka-aluminiowa-czar...71331.html

Bogdan
22-08-2018 23:38
Znajdź wszystkie posty użytkownika Odpowiedz cytując ten post
SP2JQR Offline
Henryk
*****

Liczba postów: 1,528
Dołączył: 23-08-2009
Post: #1190
RE: HUSAREK DSP
Separacja przy pomocy izolowanej przetwornicy jest konieczna. Inaczej radio nie będzie miało czułości. Cała istota tej separacji polega na tym, że masa modułu DSP ma prawo być połączona tylko w jednym punkcie. Tym punktem jest masa kabelka wprowadzającego sygnał audio z modułu radiowego. Cały moduł cyfrowy musi być zatem odizolowany od masy, również ujemny przewód zasilania. Na kabelki sterujące muszą być nałożone tuleje ferrytowe. Jeśli nie będzie to tak zrobione to po masie cyfrowe zakłócenia dostaną się do wejścia odbiornika i jego czułość wyniesie 1uV zamiast 0,1uV. Oczywiście tak też bedzie to działać i może nawet po podłączeniu do anteny szczęśliwi budowniczowie nie zauważą mniejszej czułości odbiornika...
(Ten post był ostatnio modyfikowany: 23-08-2018 5:06 przez SP2JQR.)
23-08-2018 5:04
Znajdź wszystkie posty użytkownika Odpowiedz cytując ten post
Odpowiedz 


Skocz do:


Użytkownicy przeglądający ten wątek: 10 gości