Odpowiedz 
 
Ocena wątku:
  • 8 Głosów - 3.5 Średnio
  • 1
  • 2
  • 3
  • 4
  • 5
SP5WW - Jerzego Węglewskiego
SP9RTN Offline
Andrzej
*

Liczba postów: 45
Dołączył: 24-02-2010
Post: #151
RE: SP5WW - Jerzego Węglewskiego
Gdybym szukał opisu nadajnika do trx wg SP5WW i gdyby mi ktoś napisał, że w Re 1,2,3/80 jest opis całego trx wg SP5WW, to bym zajrzał do Re 1,2,3/80, a potem - ewentualnie - zadawał dalsze pytania.
(Ten post był ostatnio modyfikowany: 16-11-2017 8:33 przez SP9RTN.)
16-11-2017 8:33
Znajdź wszystkie posty użytkownika Odpowiedz cytując ten post
SP6MLF Offline


Liczba postów: 1
Dołączył: 02-08-2009
Post: #152
RE: SP5WW - Jerzego Węglewskiego
Skany opisu SP5WW w wersji której szukasz znajdziesz na Chomikuj. Jak nie masz konta, to magę ściągnąć i podesłać. Bardzo podobny TRX znajdziesz w książce Konstrukcje Krótkofalarskie dla Zaawansowanych TRX Wrak 1. Budowę tego urządzenia zwykle zaczynało się od zamówienia mechaniki u fachowca Smile. Jeśli nie masz doświadczenia z układami nadawczymi, to na początek polecam jednak jakiś prostszy jedno płytkowy trx np. Tyfon, Bitix.
16-11-2017 11:38
Znajdź wszystkie posty użytkownika Odpowiedz cytując ten post
SP9MRN Offline
MAc
*****

Liczba postów: 822
Dołączył: 29-08-2009
Post: #153
RE: SP5WW - Jerzego Węglewskiego
(16-11-2017 0:56)TERMOMIKS napisał(a):  Mam opis samego odbiornika/ według autora - ulepszonego odb./ Zapytuję czy publikowany jest gdzieś sam nadajnik/ na osobnej płytce/ ? Na początek chyba warto zacząć pracę od VFO? Re12/86 czy może jest jakiś inny , bardziej odpowiedni niż wskazany przeze mnie?
Jak to zwykle w transceiverach bywa - tak i w SP5WW nie ma rozdzielonego toru nadajnika i odbiornika. Część odbiornika jest nadajnikiem i odwrotnie. TZW płyta główna (czyli ta z filtrem kwarcowym, mieszaczem i TCA pracuje zarówno w odbiorniku jak i nadajniku.Jeżeli masz odbiornik - to masz jednocześnie zrobioną kluczową część nadajnika.

Zamieść schemat - zobaczymy.

MAc
16-11-2017 12:37
Odwiedź stronę użytkownika Znajdź wszystkie posty użytkownika Odpowiedz cytując ten post
SP9LVZ Offline
Piotr
*****

Liczba postów: 814
Dołączył: 13-01-2015
Post: #154
RE: SP5WW - Jerzego Węglewskiego
Osoby, które były zainteresowane płytką główną SP5WW, układami do tej płytki, płytką VFO, schematy itp,.. proszę na kontakt priv. przez portal. Mam dwie płytki uruchomione. Mogę przekazać, ale bez filtru PP9.
16-11-2017 18:14
Odwiedź stronę użytkownika Znajdź wszystkie posty użytkownika Odpowiedz cytując ten post
SP4NSJ Offline
Marcin
***

Liczba postów: 104
Dołączył: 22-10-2017
Post: #155
RE: SP5WW - Jerzego Węglewskiego
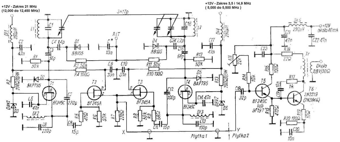
Autor pisze "nowy ulepszony odbiornik sp5ww" - Re11/83. Co z nadajnikiem? Zamierzam uruchomić odbiornik i nacieszyć się nimSmile Ale przyjdzie czas na nadajnik... jak skojarzyć tor nadawczy z TYM odbiornikiem? Czy jest opracowanie dedykowane do tego odbiornika?


Załączone pliki
.jpg   sp5ww.jpg (Rozmiar: 966.92 KB / Pobrań: 1790)
(Ten post był ostatnio modyfikowany: 16-11-2017 23:44 przez SP4NSJ.)
16-11-2017 23:44
Znajdź wszystkie posty użytkownika Odpowiedz cytując ten post
SP6IFN Offline
Ryszard
****

Liczba postów: 463
Dołączył: 23-03-2010
Post: #156
RE: SP5WW - Jerzego Węglewskiego
(16-11-2017 23:44)TERMOMIKS napisał(a):  Autor pisze "nowy ulepszony odbiornik sp5ww" - Re11/83. Co z nadajnikiem? Zamierzam uruchomić odbiornik i nacieszyć się nimSmile Ale przyjdzie czas na nadajnik... jak skojarzyć tor nadawczy z TYM odbiornikiem? Czy jest opracowanie dedykowane do tego odbiornika?
Cześć!
Odpowiedzi na Twoje pytania znajdują się w poście #6 tego wątku. Cytuję:
Cytat:Transceiver CW-SSB (1) 1/80
Transceiver CW-SSB (2) 2/80
Transceiver CW-SSB (3) 3/80
Nowy odbiornik SP5WW 11/83
To są Nr.Radioelektronika z roku 1980, w których opisano budowę kompletnego TRx_sa, znanego pod nazwą Transcaiver wg.SP5WW, wersja tranzystorowa, z końcowym stopniem mocy nadajnika na lampie GU29, lub podobnej. Schemat który pokazałeś, a widzę że masz cały numer pisma, zawiera nowszą wersję, ulepszonego odbiornika. Odbiornik ten jest częścią zamienną (tak to nazwijmy) opisanego w roku 1980 transcaivera. Wystarczy go wykonać i zamontować zamiast poprzedniego. Odbiornik ten, jest również częścią toru nadawczego, jego pierwszy stopień z filtrem kwarcowym i pierwszym wzmacniaczem pracuje również w torze nadawczym nadajnika. Nic nie musisz kojarzyć z nadajnikiem, wystarczy dobudować resztę transcaivera wg. opisów z roku 1980 i będzie komplet. Musisz jednak też pamiętać że były również i inne zmiany dotyczące mieszacza nadajnika i układu VFO, ale te opisywane były w (z tamtych lat) Biuletynach Krótkofalarskich, nie były publikowane w Radioelektroniku. Możesz również w przyszłości dobudować do tego odbiornika swoją wersję toru nadawczego, jeśli posiadasz już odpowiednią wiedzę w tym temacie. Sądząc jednak po zadawanych pytaniach, domyślam się że jesteś początkującym konstruktorem.
Moim zdaniem warto wykonać tą wersję odbiornika, gdyż osobiście uważam że był to najlepszy odbiornik tego konstruktora zastosowany w TRx_sp5ww. Wymaga jedynie odwrócenia wskazań S_metra (pokazuje niejako do tyłu), oraz lekkiej modernizacji wzmacniacza automatyki, gdyż jej wzmocnienie jest nieco za małe. Ale ta modyfikacja wykonana kiedyś przezemnie jest prosta i wykorzystuje obecny wzmacniacz na układzie UL1211.
Tyle na teraz, zabieraj się spokojnie do pracy jeśli uważasz że ten odbiornik Cię zadowoli.
Rysio!
17-11-2017 0:48
Odwiedź stronę użytkownika Znajdź wszystkie posty użytkownika Odpowiedz cytując ten post
SP4NSJ Offline
Marcin
***

Liczba postów: 104
Dołączył: 22-10-2017
Post: #157
RE: SP5WW - Jerzego Węglewskiego
Piękna, merytoryczna i w dobrym stylu odpowiedź godna radioamatora z krwi i kości Smile Takiej informacji potrzebowałem. Czy ten VFO będzie mi potrzebny? Czy szukać innego? Chcę poskładać płytki wg opisu, uruchamianie Smile tu liczę na pomoc szanownych radioamatorów Smile Zacząć od VFO? z Re12/86. Od czego zacząć robotę? Brak pp9, cewek /karkasów/ od Libry, 1-24f1 /chyba nie pomyliłem/

Widzę że Re11/83 chyba niewielu posiada Wink/ po ilości pobrań/


Załączone pliki Miniatury
İmage
(Ten post był ostatnio modyfikowany: 17-11-2017 1:56 przez SP4NSJ.)
17-11-2017 1:56
Znajdź wszystkie posty użytkownika Odpowiedz cytując ten post
SP9LVZ Offline
Piotr
*****

Liczba postów: 814
Dołączył: 13-01-2015
Post: #158
RE: SP5WW - Jerzego Węglewskiego
(16-11-2017 18:14)SP9LVZ napisał(a):  Osoby, które były zainteresowane płytką główną SP5WW, układami do tej płytki, płytką VFO, schematy itp,.. proszę na kontakt priv. przez portal. Mam dwie płytki uruchomione. Mogę przekazać, ale bez filtru PP9.

W związku, z tym, iż zgłosiły się już osoby chętne na płytki to moja propozycja się wyczerpała, zainteresowanym wysyłam płytki z układami, które jeszcze mi pozostały w szufladzie.
Krótki opis mojej ostatniej wersji z zmianą UL1221 na MC1350 jest na mojej www http://sp9lvz.sp-radio.eu/kacik-konstruk...tki-sp5ww/ jest tam tez skan schematu tej płytki.
(Ten post był ostatnio modyfikowany: 17-11-2017 9:26 przez SP9LVZ.)
17-11-2017 9:26
Odwiedź stronę użytkownika Znajdź wszystkie posty użytkownika Odpowiedz cytując ten post
SQ4IOP Offline
Piotr
*

Liczba postów: 31
Dołączył: 31-10-2009
Post: #159
RE: SP5WW - Jerzego Węglewskiego
Witam. Dla zainteresowanych posiadam skalę wg.SP5WW na TTL pobór prądu przy 5V do 1.5A opis Radioelektronik-nie pamiętam numeru ,pośrednia 9 MHz na taką ustawiona matryca diodowa ,można ustawić dowolną .Pracuje jako skala lub miernik częstotliwości do około 70 MHz. Rok produkcji IX 1994 HI İmage İmage İmage İmage İmage
(Ten post był ostatnio modyfikowany: 18-11-2017 0:51 przez SQ4IOP.)
17-11-2017 22:05
Znajdź wszystkie posty użytkownika Odpowiedz cytując ten post
SP4BK Offline
Karol
***

Liczba postów: 152
Dołączył: 09-12-2010
Post: #160
RE: SP5WW - Jerzego Węglewskiego
Jeśli są zainteresowani to mam częściowo zmontowaną płytkę SP5WW w/g SP2JQR.

Mam również zmontowany i działający odbiornik z SP5WW wraz z VFO i jednym obwodem (na 80M), rozpoczęto zabudowę w pudełku po FM 3001. Wersja odbiornika z roku `83.

Obydwie płytki mają filtry OMIG PP-9-A2-2R z pilotami USB i LSB.

Oddam, w cenie filtru (plus przesyłka), reszta gratis. Propozycje na PW, kto pierwszy ten lepszy.
(Ten post był ostatnio modyfikowany: 17-11-2017 22:45 przez SP4BK.)
17-11-2017 22:45
Odwiedź stronę użytkownika Znajdź wszystkie posty użytkownika Odpowiedz cytując ten post
Odpowiedz 


Skocz do:


Użytkownicy przeglądający ten wątek: 3 gości