Odpowiedz 
 
Ocena wątku:
  • 1 Głosów - 5 Średnio
  • 1
  • 2
  • 3
  • 4
  • 5
Antena aktywna do ZZRX-40
SQ8NZD Offline
Adrian
*****

Liczba postów: 858
Dołączył: 11-02-2011
Post: #1
Antena aktywna do ZZRX-40
Witam

Mam pytanie.

Jaka antena aktywna będzie najlepiej współpracowała z odbiornikiem ZZRX-40 ?

W załącznikach... Schemat odbiornika, moje wykonanie jego z cyfrową skalą i cztery typy układów do wzmacniania sygnałów z anteny.

Proszę o pomoc.

Adrian, SQ8NZD.


Załączone pliki Miniatury
İmage İmage İmage İmage

.pdf  zzrx40_v8.0a_manual_160824.pdf (Rozmiar: 4.7 MB / Pobrań: 2778)
.pdf  15_14e.pdf (Rozmiar: 1.15 MB / Pobrań: 1263)

https://sites.google.com/view/sq8nzd - Moja strona web.
05-11-2016 9:10
Znajdź wszystkie posty użytkownika Odpowiedz cytując ten post
AdamC Offline
Użytkownik
***

Liczba postów: 170
Dołączył: 28-05-2010
Post: #2
RE: Antena aktywna do ZZRX-40
Ja obstawiam na ostatni rysunek podpisany SQ4BJC lub z AVT, w tym paśmie duże wzmocnienie nie jest aż tak potrzebne jak preselektor na We antenowym.
(Ten post był ostatnio modyfikowany: 05-11-2016 18:32 przez AdamC.)
05-11-2016 11:35
Znajdź wszystkie posty użytkownika Odpowiedz cytując ten post
SP3F Offline
Romek
***

Liczba postów: 202
Dołączył: 26-05-2013
Post: #3
RE: Antena aktywna do ZZRX-40
(05-11-2016 11:35)AdamC napisał(a):  w tym paśmie duże wzmocnienie nie jest aż tak potrzebne jak preselektror na We antenowym.
Nie chcę być źle zrozumiany, bądź uznany za czepialskiego nudziarza, ale precyzyjniej byłoby, gdybyś napisał:
"w tym paśmie duże wzmocnienie nie jest aż tak potrzebne. Preselektror na We antenowym dałby lepsze efekty".

Na niskich pasmach praca bez tłumika to męczarnia. Zaś z własnego doświadczenia polecam preselektor.

73 - Dziadek Romek
(ex. sp3nyg)
05-11-2016 12:48
Znajdź wszystkie posty użytkownika Odpowiedz cytując ten post
SP2SWM Offline
Andrzej
*

Liczba postów: 19
Dołączył: 24-03-2010
Post: #4
RE: Antena aktywna do ZZRX-40
Z uwagi na trudności na rozwieszenie prawdziwej anteny (mieszkanie w bloku) np. dipol, w3dzz, używam do nasłuchów aktywnej anteny firmy YAESU link: http://www.radiomanual.info/schemi/YAESU...0_user.pdf
Na razie nasłuchy prowadzę na "80-tce", ale niebawem będzie i "40-stka".
Zbudowałem wg schematu i działa. można to dostroić i regulować wzmocnienie - polecam
06-11-2016 12:08
Znajdź wszystkie posty użytkownika Odpowiedz cytując ten post
SP3F Offline
Romek
***

Liczba postów: 202
Dołączył: 26-05-2013
Post: #5
RE: Antena aktywna do ZZRX-40
Adrian.
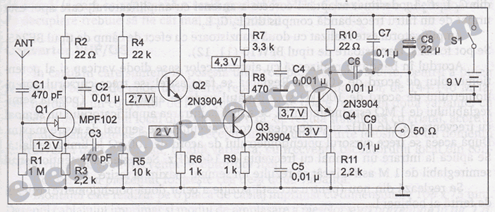
Jeśli wykonasz 3 układ (sq4bjc), to on ma w sobie jakby preselektor. Rolę tę spełnia cewka i kondensator zmienny.

73 - Dziadek Romek
(ex. sp3nyg)
06-11-2016 15:41
Znajdź wszystkie posty użytkownika Odpowiedz cytując ten post
SP7EZG Offline
Artur
***

Liczba postów: 198
Dołączył: 06-12-2015
Post: #6
RE: Antena aktywna do ZZRX-40
A ja na twoim miejscu skłoniłbym się w stronę mini Whip'a.

Fajnie pracuje z RTL SDR, może nawet jako antena pokojowa, bo tak ją wykorzystuję. Polecam.

http://dl1dbc.net/SAQ/miniwhip.html

Pozdrawiam, Artur
12-11-2016 9:49
Znajdź wszystkie posty użytkownika Odpowiedz cytując ten post
SP3SUZ Offline
Zaawansowany użytkownik
****

Liczba postów: 514
Dołączył: 30-09-2013
Post: #7
RE: Antena aktywna do ZZRX-40
Ja co innego chcę zrobić. Mam od Kolegów z... ( nazwy instytucji nie wymienię) stary pelengator typu AMZ3. Ten pelengator podłączony do EKD 300 a nawet do MR 14 501 z dopasowana impedancja jet tępy jak siekiera. Dla niewtajemniczonych AMZ 3 to Antenowy Moduł Zespolony 3 Pasmo zawiera sie od 100 kHz do 30 MHz , zawiera trzy lub cztery wymienne anteny pelengacyjne. Fajna może być z tego zabawka. - hi. szczęśliwego Nowego Roku!
31-12-2016 21:09
Znajdź wszystkie posty użytkownika Odpowiedz cytując ten post
Odpowiedz 


Skocz do:


Użytkownicy przeglądający ten wątek: 1 gości